VOLKSWAGEN Diagnostic cable VAS 5581/14 User Manual
| Revision | Date | Reason |
| V00 | 04.01.2020 | First edition |
Legal notice
Manufacturer
CAR-connect GmbH
Am Egelingsberg 8
38542 Leiferde, Germany
Phone: +49 (0) 5373 92197-0
Fax: +49 (0) 5373 92197-88
E-Mail: [email protected]
Web: www.car-connect.cc
Reproduction
Reproduction or reprinting, whether in whole or in part, always requires the written permission of the manufacturer.
Copyright
TRANSLATION OF THE ORIGINAL OPERATING MANUAL
All rights reserved.
All text, images and graphics are subject to copyright and other intellectual property laws.
Copyright 2020 CAR-connect GmbH
Image sources
Symbols for warnings, prohibitions, mandatory actions and standards are taken from publicly accessible sources, such as the Internet. CAD product images and product photos are provided by the manufacturer. Images showing the product in use are provided with a reference to the source.
Introduction
Preliminary information
Read through this operating manual carefully before using the product.
The product is delivered with a USB stick containing the operating manual in various languages. You can find the current version and additional languages on our homepage.
The operating manual is an essential part of the product and must be kept together with the product. If you sell or transfer ownership of the product, the operating manual must be handed over to the new operator.
In addition to this operating manual, you must observe all relevant regulations for diagnostics or troubleshooting of intrinsically safe high-voltage systems in road vehicles. This includes but is not limited to: instructions for the vehicle manufacturer’s diagnostics systems, company-specific safety requirements and the state of the art for working with high-voltage systems.
Validity of the declaration of conformity
The declaration of conformity applies to the product described in the operating manual. Any changes, modifications or extensions shall void the declaration of conformity and the risk assessment.
Manufacturer specifications
CAR-connect GmbH
Since its founding, our company has focused on groundbreaking solutions for electro mobility. CAR-connect develops and produces custom solutions for the automotive industry, repair shops and special vehicle fleets.
Our core business is developing and producing innovative high-voltage charging technology for electric vehicles. Our portfolio also includes measurement and diagnostic technology for the entire vehicle and battery analysis equipment.
With extensive experience in software and hardware development, CAR-connect is your dependable partner at every production stage, from prototyping to series production.
CAR-connect GmbH – Experience, Expertise and Innovation – MADE IN GERMANY
Safety
This safety chapter provides information about the following:
- The warning levels contained in this operating manual
- Important safety instructions for the product
- Intended use of the product
- Requirements for the target group
This operating manual is only valid for the following product:
Item number
22102962
Designation
Diagnostic cable VAS 5581/14
Warning levels
This chapter provides information about the warning levels used in this operating manual.
DANGER
Failure to observe the safety instructions WILL result in death or serious injury!
WARNING
Failure to observe with the safety instructions CAN result in death or serious injury!
CAUTION
Failure to observe the safety instructions CAN result in minor physical injury!
CAUTION
Failure to observe the safety instructions can lead to damage to the product!
This chapter contains the safety instructions that must be observed when handling the product
DANGER
Danger of fatal electric shock!
The electrical voltage in other systems is lethal and will cause death by electric shock!
- Do not use the product for measurements on utility power circuits!
- Never attempt to power other devices with the product!
WARNING
Danger of fatal electric shock!
The electrical voltage in high-voltage systems is lethal and can cause death by electric shock!
Liquids, condensation and high humidity can cause short circuits!
- Do not let the product come into contact with liquids!
- Use the product only in dry and enclosed spaces!
WARNING
Danger of fatal electric shock!
The electrical voltage in the product is dangerous and can cause serious injury or death from electric shock!
Defective and damaged products cannot guarantee protection against electrical voltage!
- Do not let the product come into contact with chemicals!
- Replace a defective or damaged product immediately!
- Never attempt to repair or tamper with the product!
Intended use
Use the product only in accordance with this operating manual; otherwise the electrical hazard protection provided by the product can no longer be guaranteed.
The product is used to adapt the VAS 5581/VAS 5581A high-voltage diagnostic box to the vehicle-side plug connection specified by the vehicle manufacturer in the guided fault finding. To do so, the product is connected to the battery management system for the high voltage battery.
An additional VAS 5581/1A-2 adapter cable (CC item number 22101615) is required for operation on the VAS 5581 diagnostic box.
The product may only be used on high-voltage systems that have been certifiably DE energized.
In this operating manual, vehicle manufacturers are exclusively defined as vehicle manufacturers in the Volkswagen Group.
Any use beyond what is listed here is prohibited.
Requirements for the target group
Only qualified personnel may work with this product!
In this operating manual, qualified personnel is defined as personnel meeting all requirements for working on high-voltage systems applicable in the country of operation, as defined by:
- Regulations applicable in the country of operation
- Qualification according to DGUV 200-005 level 2 or higher, or equivalent
- Specifications from the vehicle manufacturer and/or the operator.
At all times while using the product, staff must wear the personal protective equipment prescribed by the vehicle manufacturer for work on high-voltage systems.
Duties of the operator
The operator is responsible for ensuring that all staff working with the diagnostic cable fulfills the requirements for the target group.
Furthermore, the operator is responsible for ensuring the following:
- The diagnostic cable is always in perfect working order.
- The regular inspection intervals for the diagnostic cable are observed and recorded
Product description
Scope of delivery
Immediately check the condition of the product and the completeness of the delivery. If anything is missing or defective, please contact the manufacturer immediately.
- Diagnostic cable
- USB stick with operating manual
Design
Product design
- Plug for battery management system
- Plug for diagnostic box
- Ground clip
Symbols and connections
The following symbols are shown on the product:
| Symbol | Meaning |
![]() | Caution: Check the VAS number to ensure that you are using a suitable adapter cable. |
![]() | Observe the operating manual! |
![]() | The serial number is used in conjunction with the manufacturer part number to identify the product. |
![]() | The manufacturer part number is used in conjunction with the serial number to identify the product. |
![]() | The product complies with protection class II, meaning it has increased or double insulation between active and accessible parts in accordance with VDE 0100, Part 410/412.1. |
![]() | The disposal instruction prohibits disposal of the product with household waste. Always dispose of the product in accordance with all local disposal regulations. |
![]() | The CE marking certifies that the product complies with all applicable European regulations and has been subjected to the prescribed conformity assessment procedure. |
![]() | The seal of approval identifies the product as having been approved for use in workshops and production facilities belonging to the vehicle manufacturer. |
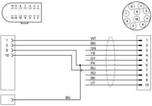
Wiring diagram

Technical data
| Rated data | Values |
| Manufacturer number | 22102962 |
| Maximum rated voltage | DC 14 V |
| Maximum rated current | 5 A |
| Weight | * 350 g |
| Cable length | * 2000 mm/1450 mm |
| Ambient conditions | Operation | Storage | Transportation |
| Temperature | 5 °C to 40 °C | -20 °C to 60 °C | -20 °C to 60 °C |
| Elevation above sea level | Max. 2000 m | No limitation. | |
| Humidity | Max. 80 % up to 31° C, decreasing linearly to 50 % at 40° C | Max. 85 % | |
| Condensation not permitted. Maximum permissible relative humidity: 60 % in environments with corrosive gas/air. | |||
Operation
This chapter provides information about the following activities:
- Startup
- Detaching the plug connection
- Cleaning
- Storage
- Disposal
- Maintenance
WARNING
Danger of fatal electric shock!
The electrical voltage in high-voltage systems is lethal and can cause death by electric shock!
- Use the product only for the applications intended by the vehicle manufacturer!
CAUTION
Risk of damage!
Plug connections lock into place when attached.
- Unlock the plug connections before you detach them! (See chapter Detaching the plug connections”)
Startup
Operation on the VAS 5581A diagnostic box
- Observe the safety instructions

- Connect the ground clip to a conductive part of the vehicle body.
- Connect the plug to the disconnected socket on the battery management system. Make sure that the plug connection engages.

- Connect the plug to the diagnostic box.

You can now perform measurements in accordance with the guided fault finding
Operation on the VAS 5581 diagnostic box
For startup, the VAS 5581/1A-2 adapter cable (CC item number 22101615) is also required. See the accompanying operating manual for instructions regarding startup of the VAS 5581/1A-2 adapter cable
- Observe the safety instructions

- Connect the ground clip of the VAS 5581/1A-2 adapter cable to a conductive part of the vehicle body.
- Connect the plug of the VAS 5581/1A-2 adapter cable to the VAS 5581 diagnostic box.

- Connect the ground clip to a conductive part of the vehicle body.
- Connect the plug to the disconnected socket on the battery management system. Make sure that the plug connection engages.

- Connect the plug to the socket of the VAS 5581/1A-2 adapter cable.

You can now perform measurements in accordance with the guided fault finding
Detaching the plug connections
WARNING
Risk of explosion!
Product components may produce sparks and electric arcs.
- Do not use the product in potentially explosive atmospheres!
Detaching the plug connection on the diagnostic cable (14-pin)
The plug connections have an automatic locking mechanism. To detach a plug connection:
- Push in and hold the catch.
- Pull the plug connection apart.

The plug connection is now detached.
Cleaning
DANGER
Danger of fatal electric shock!
The electrical voltage in high-voltage systems is lethal and will cause death by electric shock!
- Disconnect the product from all power sources before cleaning the product!
Observe the safety instructions!
Use only a dry cloth to clean the product.
Storage
Store the product in a dry and dust-free location when not in use.
Disposal
Observe the safety instructions!
Always dispose of the product in accordance with all local disposal regulations.
Maintenance
Observe the safety instructions!
National and local requirements for regular testing must be observed!
Test the product for proper function at intervals of no more than 24 months.
Contact the manufacturer to have a professional function test performed
Warranty
CAR-connect GmbH grants a warranty period of 24 months from the date of purchase. The warranty is valid for demonstrable defects in functional material and workmanship.
Further information on the warranty conditions can be found in the terms and conditions on the manufacturer’s website.
Customer service
Always include the serial number with any product queries. This number is found on the product.
CAR-connect GmbH
Am Egelingsberg 8
38542 Leiferde, Germany
Phone: +49 (0) 5373 – 92197-0
Fax: +49 (0) 5373 – 92197-88
E-Mail: [email protected]
Phone: www.car-connect.cc
Volkswagen Aktiengesellschaft K-GVO-LW
Group After Sales – Group Service Literature and Systems
Repair Shop Equipment
PO box 011/4915 38442 Wolfsburg, Germany
For internal use only Subject to technical changes Edition 01 / 2021
































