Danfoss PAHT 256-308 PAHT G Pumps

Identification

Instruction
Pump instruction PAHT G 256-308
System design
The design of the system must ensure that self-emptying of the pump during standstill is avoided. The inlet pressure of the pump must never exceed the outlet pressure. This may typically occur in boosted or open-ended systems with direct water supply.
Open-ended systems with direct water supply
The pump is supplied with water direct from a feed pump.The inlet pressure for PAHT G 256/308 must be at least 2 barg (29 psig) and it must not exceed 6 barg (87 psig) continuously. If it is unknown what the peak inlet pressure can be, then there should be a 10 barg (145 psig)
safety valve on the inlet side of the pump.
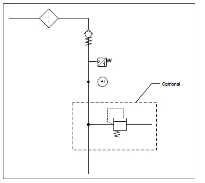
Preferred system design and P&ID
Inlet line:
- A Dimension the inlet line to obtain mini mum pressure loss (large flow, minimum pipe length, minimum number of bends/connections, and fittings with small pressure losses).
Inlet filter:
- B Place an inlet filter (1) in front of the PAHT G pump (2). Please consult Danfoss filter datasheet for guidance on how to select the right filter. Thoroughly clean pipes and flush system prior to start-up.
Monitoring pressure switch:
- C Place a monitoring pressure switch (3) set at min. inlet pressure between filter and pump inlet. The monitoring switch must stop the pump at pressures lower than minimum pressure.
Monitoring temperature switch:
- D Place a monitoring temperature switch (4) set at 50°C between filter and pump. The monitoring switch must stop the pump at temperatures higher than set value. Hoses
- E Use flexible hoses (5) to minimize vibra-tions and noise.
Inlet pressure:
- F In order to eliminate the risk of damage
and cavitation, a positive pressure at the inlet is always to be maintained at min. inlet pressure and max. inlet pressure.
Non-return valve
- A non-return valve (6) after the outlet can be installed in order to avoid backspin of the pump.
Pressure relief valve:
- A pressure relief valve (7) can be installed in order to avoid system damage as the Danfoss PAHT G pump creates pressure and flow immediately after start-up, regardless of any counter pressure.
Note: If a non-return valve is mounted in the inlet line, a low pressure relief valve is also 
Reversible pumps
- If exposed to high pressure in the outlet while the electric motor is not energized, the pumps will start spinning backwards. This will not harm the pumps as long as the pressure in the inlet does not exceed the max. pressure peak of 10 barg (145 psig).
- If a non-return valve is mounted in the inlet line, a low-pressure relief valve is also required as protection against high-pressure pulses and high pressure in general.
- Alternatively a high-pressure check valve can be mounted in the pump discharge line to prevent the pump from reversing.
- The dotted setup ensures that the inlet pressure does not exceed 10 barg (145 psig), when a non-return valve is mounted in the inlet.
- In order to avoid the risk of cavitation, the inlet pressure at the pump must be min. 2 barg (29 psig).
- The inlet line connection must be properly tightened, as possible entrance of air will cause cavitation.
General comments on
Filtration
A good filtration is vital to ensure a long and trouble free life of the pump. As water has very low viscosity, the PAHT G pumps have been designed with very narrow clearance in order to control internal leakage rates and improve component performance. Therefore it is important that the inlet water is filtered properly to minimize the wear of the pump. The main filter must have a filtration efficiency of 99.98% at 10 µm. We recommend to use precision depth filter cartridges rated 10 µm abs. β10 ≥ 5000 (equivalent to a filtration efficiency of 99.98%). Bag filters and string wound filter cartridges typically have only 50% filtration efficiency. This means that for each 100,000 parti-cles reaching the filter, 50,000 particles pass through it compared to only 20 particles in a filter with an efficiency of 99.98%.
For more information on the importance of proper filtration, please consult our publication “Filtration” (code number 521B1009), which also will provide you with an explanation of filtration definitions and a guidance on how to select the right filter.
Monitoring
It is recommended to continuously monitor the following conditions:
- filter clogging
- pressure (inlet- and outlet side of the pump)
Building up the pump unit
Mounting
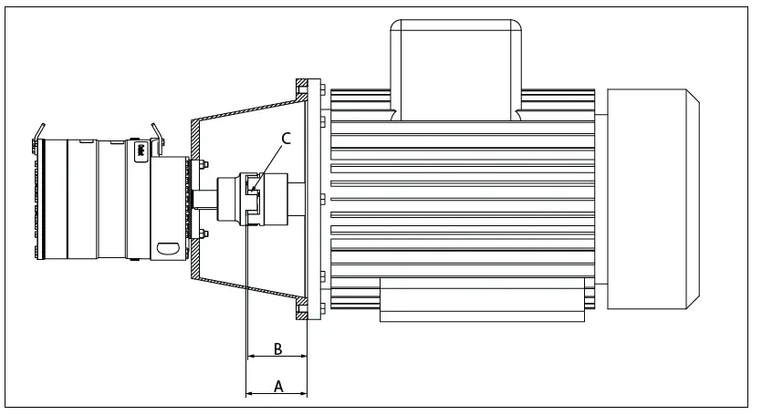
- A: Elastic coupling
- B: Bell housing
- C: Motor shaft
- D: Pump flange


- Mount the coupling flush or maximum 1mm offset from the pump shaft end. Ensure an air gap between coupling and pump flange of min. 4 mm (0.16 in).
- Mount the bell housing on pump. Secure nuts with the right torque.
- Measure the longest distance “A” from top of bell housing to the button of coupling claw.
- Mount the coupling on motor shaft. Ensure the coupling and motor flange are not in contact with each other.
- Measure from motor flange to the top of the coupling. That measurement “B” shall be 3-5 mm (0.12 – 0.2 inch) shorter than the measurement “A”.
- Adjust respectively, verify the measurement, and secure both couplings with the right torques on the locking screws (see coupling operation & mounting instruction).
- Mount the elastic gear ring and mount the bell housing/pump on the motor. After mounting it must be possible to move the elastic gear ring 3-5mm (0.12 – 0.2 in) axial “C”. The check can be done through the inspection hole of bell housing. Secure flange bolts with the right torque.
If alternative mounting is desired, please contact the Danfoss Sales Organization. Choose proper tolerances to ensure an easy mounting of the elastic coupling without use of tools. Please take care to observe the recommended length tolerances of the chosen coupling, as an axial force on the pump will damage the pump.
Direction of rotation
Is indicated by means of an arrow on the pump label.
Orientation
The pump can be mounted/orientated in any horizontal direction with the inlet and the outlet pointing upwards, downwards or to either side.
Protection from too high pressures
- The pump should be protected against too high pressure by means of a safety valve or a pressure relief valve.
- The valve should be placed as close to the pump as possible.
- The opening characteristics of the valve must not result in peak pressures higher than 100 barg (1450 psig).
- Both the inlet and outlet lines must be flexible soft hoses.
- The valve outlet must not be connected directly to the pump suction line. It must be connected directly to the drain.
Connections
- I: Inlet
- O: Outlet
- C: Bleeding
- D: Parallel key

Grounding
To prevent stray current corrosion we recommend grounding of the pump and all other parts in the system. All parts in the system must be electrical potential equalized to a single reference point (grounding point). It is recommended that the electrical resistance in the grounding cable is equal to or below 0.25 Ohm towards the grounding point.
Initial start-up
- Flush inlet line before connecting the pump, to remove possible impurities from pipes, hoses etc.
- Loosen top bleeding plug “C” (see item 3.5) using an allen key (only plugs with internal hexagan sockets). Retighten the plug, when water appears from the bleeding plug.
- Make sure that the direction of rotation of the electric motor corresponds to the direction of rotation of the pump (see label on pump).
Now the pump is ready for start-up.
WARNING:
Make sure that the direction of rotation of the electric motor corresponds to the direction of rotation of the pump (see label on pump). Otherwise the pump will be damaged if a check valve is placed between pump and feed pump.
Operation
Temperature
- Fluid temperature:
Min. +2°C to max. +50°C
(Min. +35.6°F to max. +122°F) - Ambient temperature:
Min. +2°C to max. +50°C
(Min. +35.6°F to max. +122°F) - Storage temperature:
Min. -40°C to max. +70°C
(Min. -40°F to max. +158°F)
In case of lower operating temperatures, please contact the Danfoss Sales Organization.
Pressure
The inlet pressure for PAHT G 256/308 must be min. 2 barg (29 psig) and max. 6 barg (87 psig). At lower pressures the pump will cavitate, resulting in damage of the pump. Max. inlet pressure peak (e.g. in case the pump stops momentarily) up to 10 barg (145 psig) are acceptable. Max. pressure on the pump’s outlet line should be limited at 120 barg (1740 psig) continuously.
- NB: The pump unit should include a pressure gauge on the high pressure side.
Dry running
When running, the pump must always be connected to the water supply in order to avoid damage if it should run dry.
Disconnection
If the inlet line is disconnected from the water supply, the pump will be emptied of water through the disconnected inlet line. When starting up again, follow the bleeding procedure described under section 4, Initial start up.
Storage
When preparing the pump for long-term storage or for temperatures below the freezing point, flush the pump with an anti-freeze medium type monopropylene glycol to prevent internal corrosion or frost in the pump. For further information on anti-freeze media, please contact the Danfoss Sales Organization.
Recommended procedure:
- Disconnect the water supply to the pump.
- Through the lower bleeding plug, empty the pump housing of water and close it again.
- Connect the pump to a tank containing anti-freeze additive. Connect a hose to the inlet port of the pump and via another hose return the flow from the outlet port port to the tank with anti-freeze additives.
- Quickly start and stop the pump. Make sure that the pump does not run dry. The pump is now protected against internal corrosion and frost.
Service
The Danfoss PAHT G pumps are designed for long periods of service-free operation to provide customers with low maintenance and life cycle costs. Provided that the pumps are installed and operated according to Danfoss specifications, the Danfoss PAHT G pumps typically run 8,000 hours between service routines. However, the service schedule for your PAHT G pump may vary according to the application and other factors. The life of a pump may be greatly shortened if Danfoss recommendations concerning system design and operation are not followed. In our experience, poor filtration is the number one cause of pump damage.
Other factors that affect pump performance and lifetime include:
- running the pump at speeds outside specifications
- supplying the pump with water at temper-atures higher than recommended
- running the pump at inlet pressures outside specifications
- running the pump at outlet pressures outside the specifications.
Recommended service intervals
General information
This guideline provides information on the recommended service intervals for the PAHT G pumps. The recommendation is based upon good engineering practice and on experience gained from operation even under extreme conditions.
The recommendation is for guidance only.
Inspection of pump parts
Danfoss recommends to inspect the pumps after 8,000 hours. Typical signs of wear are seen on the contact/sliding surfaces in the pumps. If the pumps must run for additional 8,000 hours, the following parts will have to be inspected:
- Pistons
- Retainer plate, ball and bearing
- Valve plate
- Port plate
- Sealings
If there are any wear marks on the parts they need to be replaced.
If service inspection due to the application is complicated, the plant operator can decide to extend the service interval by evaluating the following deviations:
- Sound – does the pump have any unusual sounds?
- Electric motor power consumption and speed compared with measurement made in the past.
- Pressure/flow according to measurements made in the past?
We advise that the above mentioned parameter during the extended service interval is inspected for every 500-2,000 hours beyond the 8,000 hours. The pump must in any case be inspected after maximum 16,000 hours or 2 years.
How to inspect the pump
Service manuals are available on the internet hpp.danfoss.com




















