SERVER EZT-S Single Topping Warmer with Heated

PARTS

SAFETY
WARNING
ELECTRICAL SHOCK COULD OCCUR This unit must be earthed or grounded. This requires all three prongs (terminals) on cord plug to be plugged into a power source. According to food and safety regulations, most foods must be stored and/or served at certain temperatures or they could become hazardous. Check with local food and safety regulators for specific guidelines. Be aware of the product you are serving and the temperature the product is required to maintain. Server Products, Inc. can not be responsible for the.
UNIT SETUP
SEE SEPARATE PUMP MANUAL FOR PUMP SETUP.
- ATTACH PUMP TO POUCH
- Place pouch on the countertop with pouch fitment circle facing upward.
- Position pump connector directly over the center of pouch fitment.
- Press pump connector down to pierce through film in pouch fitment.
- INSTALL PUMP WITH

- PLUG CORD into power source.
- PRESS SWITCH to the “ON” position.
- SET THERMOSTAT KNOB
to food manufacturer’s recommended serving temperature.- Dial indicator uses increments of 5º F.
- The thermostat maximum is 210º F/99º C.

UNIT TAKE-DOWN
- PRESS SWITCH to the “OFF” position.
- UNPLUG CORD
CAUTION- HOT
Allow unit to cool before continuing or use proper care with hot surfaces.
- REMOVE PUMP WITH POUCH

- DETACH POUCH from bottom of pump.
- FLUSH AND RINSE PUMP
Thoroughly rinse all inside and outside surfaces of pump with hot water. - DISASSEMBLE AND CLEAN PUMP
SEE SEPARATE PUMP MANUAL FOR PUMP CLEANING.
CLEANING
SEE SEPARATE PUMP MANUAL FOR PUMP INSTRUCTIONS.
WARNING
ELECTRICAL SHOCK COULD OCCUR.
- Electrical components of unit could be damaged from water exposure or any liquid.
- Never immerse unit into water or any liquid.
- Never use any water jet or pressure sprayer on unit.
- Ensure unit is “OFF” and unplugged.
CLEAN EXTERNAL SURFACES
- Wipe daily with a clean damp cloth.
- Dry with a clean soft cloth.
- Glass and surface cleaners approved for use
CARE OF STAINLESS STEEL
This warmer and accessories are constructed of stainless steel— one of the best materials for food serving and storage. If you notice corrosion beginning on any stainless steel surface, you may need to change the cleansing agent, sanitizing agent, or the cleaning procedures you are using.
- A mildly abrasive nylon or brass brush may be used to remove any stubborn food or mineral deposits on interior surfaces of unit.
- Fully rinsing and drying all parts can help prevent corrosion. Elements and minerals in tap water can accumulate on stainless steel parts and create corrosion.
- Do not use abrasive, caustic or ammonia based cleansers.
- Do not use products containing acids, alkalines, chlorine, or salt. These agents can corrode stainless steel.
- Do not use metal scrapers or cleaning pads that could scratch surfaces.
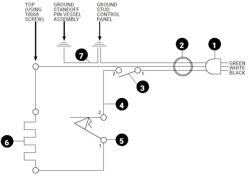
WIRING
UNITS 85711, 85712 | 120V | USA
- Cord Assembly
- Bushing/Strain Relief
- Snap-In Rocker Switch
- 6″ Wire Assembly, Black
- Thermostat
- Heating Element
- 15″ Wire Assembly, Green
TROUBLESHOOTING
UNIT DOES NOT HEAT?
- Ensure cord is securely plugged in.
- Ensure unit is on.
- Ensure thermostat knob is set correctly.
- Ensure power is available from source.
- Do not allow any of the electrical components to get wet. Moisture may cause the unit to trip breaker or GCFI. If moisture is suspected, discontinue use. Allow unit to fully air dry.
POUCH DOES NOT EVACUATE ALL PRODUCT?
- Ensure that the pouch is properly connected with pump.
SERVER PRODUCTS
2-year warranty This Server product is backed by a two-year limited warranty against defects in materials and workmanship. See Server-Products.com for details.
GENERAL SERVICE
Before sending any item to Server Products for service, repair, or return, contact Server Products customer service to request a Return Authorization Number. Merchandise must be sent to Server Products with this number. Service is extremely prompt. Typically, units are repaired and ship out within 48 hours of receipt. Merchandise being returned for credit must be in new and unused condition and not more than 90 days old and will be subject to a 20% restocking charge. Electrical parts (thermostats, heating elements, etc.) are not returnable.
Servicing Cord
Specific tools are required for safe and proper power supply cord removal and installation. If the cord must be replaced, only a representative of the OEM (original equipment manufacturer) or a qualified technician may replace cord. The cord must meet code designation H05 RN-F requirements.
NEED HELP?
Server Products Inc.
3601 Pleasant Hill Road Richfield, WI 53076 USA
Chat with us!
[email protected]
262.628.5600 | 800.558.8722
























