ADJ ENCORE Z7LP versatile LED Instruction Manual

©2022 ADJ Products, LLC all rights reserved. Information, specifications, diagrams, images, and instructions herein are subject to change without notice. ADJ Products, LLC logo and identifying product names and numbers herein are trademarks of ADJ Products, LLC. Copyright protection claimed includes all forms and matters of copyrightable materials and information now allowed by statutory or judicial law or hereinafter granted. Product names used in this document may be trademarks or registered trademarks of their respective companies and are hereby acknowledged. All non-
ADJ Products, LLC brands and product names are trademarks or registered trademarks of their respective companies.
ADJ Products, LLC and all affiliated companies hereby disclaim any and all liabilities for property, equipment, building, and electrical damages, injuries to any persons, and direct or indirect economic loss associated with the use or reliance of any information contained within this document, and/or as a result of the improper, unsafe, insufficient and negligent assembly, installation, rigging, and operation of this product.
ADJ PRODUCTS LLC World Headquarters 6122 S. Eastern Ave. | Los Angeles, CA 90040 USA Tel: 800-322-6337 | Fax: 323-582-2941 | www.adj.com |[email protected]
ADJ Supply Europe B.V. Junostraat 2 | 6468 EW Kerkrade | Netherlands Tel: +31 45 546 85 00 | Fax: +31 45 546 85 99 | www.americandj.eu | [email protected]
Europe Energy Saving Notice Energy Saving Matters (EuP 2009/125/EC) Saving electric energy is a key to help protecting the environment. Please turn off all electrical products when they are not in use. To avoid power consumption in idle mode, disconnect all electrical equipment from power when not in use. Thank you!
DOCUMENT VERSION

Due to additional product features and/or enhancements, an updated version of this document may be available online. Please check www.adj.com for the latest revision/update of this manual before beginning installation and/or programming.

GENERAL INFORMATION
INTRODUCTION
Please read and understand the instructions in this manual carefully and thoroughly before attempting to operate this device. These instructions contain important safety and use information. This product is intended for use by professionally trained personnel only, and is not suitable for private use.
UNPACKING
Every device has been thoroughly tested and has been shipped in perfect operating condition. Carefully check the shipping carton for damage that may have occurred during shipping. If the carton is damaged, carefully inspect the device for damage, and be sure all accessories necessary to install and operate the device have arrived intact. In the event damage has been found or parts are missing, please contact our customer support team for further instructions. Please do not return this device to your dealer without first contacting customer support. Please do not discard the shipping carton in the trash. Please recycle whenever possible.
CUSTOMER SUPPORT
Contact ADJ Service for any product related service and support needs. Also visit forums.adj.com with questions, comments or suggestions. ADJ SERVICE USA – Monday – Friday 8:00am to 4:30pm PST 323-582-2650 | Fax: 323-832-2941 | [email protected]
ADJ SERVICE EUROPE – Monday – Friday 08:30 to 17:00 CET +31 45 546 85 60 | Fax: +31 45 546 85 96 | [email protected]
REPLACEMENT PARTS please visit parts.adj.com
⚠ IMPORTANT NOTICE!
THERE ARE NO USER SERVICEABLE PARTS INSIDE THIS UNIT. DO NOT ATTEMPT ANY REPAIRS YOURSELF; DOING SO WILL VOID YOUR MANUFACTURER’S WARRANTY. DAMAGES RESULTING FROM MODIFICATIONS TO THIS FIXTURE AND/OR THE DISREGARD OF SAFETY INSTRUCTIONS AND GUIDELINES IN THIS MANUAL VOID THE MANUFACTURER’S WARRANTY AND ARE NOT SUBJECT TO WARRANTY CLAIMS AND/OR REPAIRS.
LIMITED WARRANTY ( USA ONLY )
- A. ADJ Products, LLC hereby warrants, to the original purchaser, ADJ Products, LLC products to be free of manufacturing defects in material and workmanship for a prescribed period from the date of purchase (see specific warranty period on reverse). This warranty shall be valid only if the product is purchased within the United States of America, including possessions and territories. It is the owner’s responsibility to establish the date and place of purchase by acceptable evidence, at the time service is sought.
- B. For warranty service, you must obtain a Return Authorization number (RA#) before sending back the product-please contact ADJ Products, LLC Service Department at 800-322-6337. Send the product only to the ADJ Products, LLC factory. All shipping charges must be pre-paid. If the requested repairs or service (including parts replacement) are within the terms of this warranty, ADJ Products, LLC will pay return shipping charges only to a designated point within the United States. If the entire instrument is sent, it must be shipped in its original package. No accessories should be shipped with the product. If any accessories are shipped with the product, ADJ Products, LLC shall have no liability whatsoever for loss of or damage to any such accessories, or for the safe return thereof.
- C. This warranty is void of the serial number has been altered or removed; if the product is modified in any manner which ADJ Products, LLC concludes, after inspection, affects the reliability of the product, if the product has been repaired or service by anyone other than ADJ Products, LLC factory unless prior written authorization was issued to purchaser by ADJ Products, LLC; if the product is damaged because not properly maintained as set forth in the instruction manual.
- D. This is not a service contact, and this warranty does not include maintenance, cleaning or periodic check up. During the period specified above, ADJ Products, LLC will replace defective parts at its expense with new or refurbished parts, and will absorb all expenses for warrant service and repair labor by reason of defects in material or workmanship. The sole responsibility of ADJ Products, LLC under this warranty shall be limited to the repair of the product, or replacement thereof, including parts, at the sole discretion of ADJ Products, LLC. All products covered by this warranty were manufactured after August 15, 2012, and bear identifying marks to that effect.
- E. ADJ Products, LLC reserves the right to make changes in design and/or improvements upon its products without any obligation to include these changes in any products theretofore manufactured.
- F. No warranty, whether expressed or implied, is given or made with respect to any accessory supplied with products described above. Except to the extent prohibited by applicable law, all implied warranties made by ADJ Products, LLC in connection with this product, including warranties of merchantability or fitness, are limited in duration to the warranty period set forth above. And no warranties, whether expressed or implied, including warranties of merchantability or fitness, shall apply to this product after said period has expired. The consumer’s and/or Dealer’s sole remedy shall be such repair or replacement as is expressly provided above; and under no circumstances shall ADJ Products, LLC be liable for any loss or damage, direct or consequential, arising out of the use of, or inability to use, this product.
- G. This warranty is the only written warranty applicable to ADJ Products, LLC Products and supersedes all prior warranties and written descriptions of warranty terms and conditions heretofore published.
LIMITED WARRANTY PERIODS
- Non L.E.D. Lighting Products = 1-year (365 days) Limited Warranty (Such as: Special Effect Lighting, Intelligent Lighting, UV lighting, Strobes, Fog Machines, Bubble Machines, Mirror Balls, Par Cans, Trussing, Lighting Stands etc. excluding LED and lamps)
- Laser Products = 1 Year (365 Days) Limited Warranty (excludes laser diodes which have 6 month limited warranty)
- L.E.D. Products = 2-year (730 days) Limited Warranty (excluding batteries which have a 180 day limited warranty) Note: 2 Year Warranty only applies to purchases within the United States.
- StarTec Series = 1 Year Limited Warranty (excluding batteries which have a 180 day limited warranty)
- ADJ DMX Controllers = 2 Year (730 Days) Limited Warranty
WARRANTY REGISTRATION
Please fill out the enclosed warranty card to validate your purchase. All returned service items, whether under warranty or not, must be freight pre-paid and accompanied by a return authorization (R.A.) number. The R.A. number must be clearly written on the outside of the return package. A brief description of the problem as well as the R.A. number must also be written down on a piece of paper included in the shipping carton. If the unit is under warranty, you must provide a copy of your proof of purchase invoice. You may obtain an R.A. number by contacting our customer support team on our customer support number. All packages returned to the service department not displaying an R.A. number on the outside of the package will be returned to the shipper.
FEATURES
The ADJ Encore Z7LP is a versatile LED par with seven (7) 20W Quad LEDs (4-in-1: Red, Green, Blue & Lime). Intended for dry, indoor usage only, it offers 16-bit fine RGBL color control and 64 built-in color macros, as well as 6 DMX channel mode options, RDM, and flicker-free operation.
INCLUDED ITEMS
- Power Cord
- Safety Cable
- Gel Frame Assembly
IP RATING An IP rated lighting fixture is commonly installed in outdoor environments and has been designed with an enclosure that effectively protects the ingress (entry) of external foreign objects such as dust and water. The Ingress Protection (IP) rating system is commonly expressed as “IP” followed by two numbers (i.e. IP65), where the numbers define the degree of protection. The first digit (Foreign Bodies Protection) indicates the extent of protection against particles entering the fixture and the second digit (Water Protection) indicates the extent of protection against water entering the fixture. An IP20 rated lighting fixture, such as this one, has been designed and tested to protect against the ingress of solid objects 12.5mm or larger, such as adult fingers (2), but are NOT RATED FOR PROTECTION AGAINST LIQUID INTRUSION OF ANY KIND (0).
SAFETY GUIDELINES
THIS FIXTURE IS COMPOSED OF SOPHISTICATED ELECTRONIC COMPONENTS. TO GUARANTEE
SMOOTH OPERATION, IT IS IMPORTANT TO FOLLOW ALL INSTRUCTIONS AND GUIDELINES IN
THIS MANUAL. ADJ PRODUCTS, LLC IS NOT RESPONSIBLE FOR INJURY AND/OR DAMAGES
RESULTING FROM THE MISUSE OF THIS FIXTURE DUE TO THE DISREGARD OF THE INFORMATION
PRINTED IN THIS MANUAL. ONLY QUALIFIED AND/OR CERTIFIED PERSONNEL SHOULD PERFORM
INSTALLATION OF THIS FIXTURE AND ONLY THE ORIGINAL RIGGING PARTS INCLUDED WITH THIS
FIXTURE SHOULD BE USED FOR INSTALLATION. ANY MODIFICATIONS TO THE FIXTURE AND/OR
THE INCLUDED MOUNTING HARDWARE WILL VOID THE ORIGINAL MANUFACTURER’S WARRANTY AND INCREASE THE RISK OF DAMAGE AND/OR PERSONAL INJURY. ONLY CERTIFIED PERSONNEL
SHOULD PERFORM INSTALLATION OF THIS FIXTURE.
- PROTECTION CLASS 1 – FIXTURE MUST BE PROPERLY GROUNDED.
- THERE ARE NO USER SERVICEABLE PARTS INSIDE THIS UNIT.
- DO NOT ATTEMPT ANY REPAIRS YOURSELF; DOING SO WILL VOID YOUR MANUFACTURER’S WARRANTY. DAMAGES RESULTING FROM MODIFICATIONS TO THIS FIXTURE AND/OR THE DISREGARD OF SAFETY INSTRUCTIONS AND GUIDELINES IN THIS MANUAL VOID THE MANUFACTURER’S WARRANTY AND ARE NOT SUBJECT TO ANY WARRANTY CLAIMS AND/OR REPAIRS.
- DO NOT PLUG FIXTURE INTO A DIMMER PACK!
- NEVER OPEN THIS FIXTURE WHILE IN USE!
- UNPLUG POWER BEFORE SERVICING FIXTURE!
- NEVER TOUCH FIXTURE DURING OPERATION, AS IT MAY BE HOT!
- KEEP FLAMMABLE MATERIALS AWAY FROM FIXTURE!
- NEVER LOOK DIRECTLY INTO THE LIGHT SOURCE!
- RETINA INJURY RISK – MAY INDUCE BLINDNESS
- SENSITIVE PERSONS MAY SUFFER AN EPILEPTIC SHOCK!
- MINIMUM DISTANCE TO OBJECTS/SURFACES IS 6.6 FEET (2 METERS)
- MAXIMUM AMBIENT TEMPERATURE IS 113° F (45°C). DO NOT OPERATE THE DEVICE WHEN AMBIENT TEMPERATURE EXCEEDS THIS VALUE.
- MINIMUM DISTANCE TO FLAMMABLE MATERIALS FROM THE SURFACE IS 1.6 FEET (0.5 METER).
- DO NOT TOUCH the fixture housing during operation. Turn OFF the power and allow approximately 60 minutes for the fixture to cool down before servicing.
- DO NOT shake fixture, and avoid brute force when installing and/or operating fixture.
- DO NOT operate fixture if the power cord is frayed, crimped, damaged and/or if any of the power cord connectors are damaged and do not insert into the fixture securely with ease. NEVER force a power cord connector into the fixture. If the power cord or any of its connectors are damaged, replace it immediately with a new one of the same power rating.
- DO NOT block any air ventilation slots. All fan and air inlets must remain clean and never blocked. Allow approx. 6″ (15cm) between fixture and other devices or a wall for proper cooling.
- When installing fixture in a suspended environment, always use mounting hardware that is no less than M10 x 25 mm, and always install fixture with an appropriately rated safety cable.
- Always disconnect fixture from main power source before performing any type of service and/or cleaning procedure.
- Only handle the power cord by the plug end. Never pull out the plug by tugging the wire portion of the cord.
- During the initial operation of this fixture, a light smoke or smell may emit from the interior of the fixture. This is a normal process and is caused by excess paint in the interior of the casing burning off from the heat associated with the lamp and will decrease gradually over time.
- Consistent operational breaks will ensure fixture will function properly for many years.
- ONLY use original packaging and materials to transport the fixture for service.
OVERVIEW


INSTALLATION
⚠ FLAMMABLE MATERIAL WARNING Keep fixture minimum 5.0 feet (1.5m) away from flammable materials and/or pyrotechnics.
⚠ ELECTRICAL CONNECTIONS A qualified electrician should be used for all electrical connections and/or installations.
⚠ MINIMUM DISTANCE TO OBJECTS/SURFACES IS 6.6 FEET (2 METERS). MINIMUM DISTANCE OF FLAMMABLE MATERIALS FROM THE SURFACE IS 1.6 FEET (0.5 METER)
⚠ DEVICE IS INTENDED FOR USE IN DRY, INDOOR LOCATIONS ONLY! USE OF THIS PRODUCT OUTDOORS OR EXPOSURE TO RAIN AND/OR MOISTURE WILL VOID THE MANUFACTURER’S WARRANTY!
DO NOT INSTALL THE FIXTURE IF YOU ARE NOT QUALIFIED TO DO SO!
- Fixture MUST be installed following all local, national, and country commercial electrical and construction codes and regulations.
- Before rigging/mounting a single fixture or multiple fixtures to any metal truss/structure or placing the fixture(s) on any surface, a professional equipment installer MUST be consulted to determine whether the metal truss/structure or surface is properly certified to safely hold the combined weight of the fixture(s), clamps, cables, and accessories.
- Maximum fixture ambient operating temperature is 113°F (45°C). Do not use operate the fixture when ambient temperature exceeds this value!
- Fixture(s) should be installed outside walking paths, seating areas, or areas were unauthorized personnel might reach the fixture by hand.
- NEVER stand directly below the fixture(s) when rigging, removing, or servicing. · Overhead fixture installation must always be secured with a secondary safety attachment, such as an appropriately rated safety cable.
- Allow approximately 60 minutes for the fixture to cool down before servicing.
IP RATING This device is IP20 rated. This means that the unit is protected against ingress of solids larger than 12.5mm, such as an adult finger. Please note the unit is NOT PROTECTED AGAINST LIQUID INTRUSION OF ANY KIND!
RIGGING Overhead rigging requires extensive experience, including calculating working load limits, knowledge about installation materials being used, and periodic safety inspection of all installation material and the fixture, among other skills. If you lack these qualifications, do not attempt the installation yourself. Improper installation can result in bodily injury.
CLAMP INSTALLATION
This fixture features a mounting point on top of the bracket for the attachment of a mounting clamp. There is also a loop for the attachment of a safety cable located on the rear panel of the fixture, near the display screen (see the illustration below). When mounting the fixture to a truss or any other suspended or overhead installation, be sure to secure an appropriately rated clamp (not included) to the bracket, and attach a separate SAFETY CABLE of the appropriate weight rating to the safety cable loop.

⚠ SAFETY CABLE:
ALWAYS ATTACH A SAFETY CABLE WHENEVER INSTALLING THIS FIXTURE IN A SUSPENDED ENVIRONMENT TO ENSURE THAT THE FIXTURE WILL NOT FALL IF THE CLAMP FAILS.
STAND MOUNTING
This unit can also be installed atop a tripod stand. Simply insert the threaded bolt on the top of the tripod stand through the hole in the top of the mounting yoke. Tighten the nut onto the threaded bolt to secure the mounted device in place.

⚠ CAUTION!
MAKE SURE THAT THE TRIPOD LEGS AND ALL TELESCOPING ELEMENTS OF THE TRIPOD STAND ARE LOCKED IN PLACE BEFORE INSTALLING THE DEVICE ATOP THE STAND! POSITION THE TRIPOD STAND AND MOUNTED DEVICE ONLY ON FLAT, STABLE SURFACES! DEPLOY TRIPOD LEGS FULLY IN ORDER TO MAXIMIZE STABILITY!
POTENTIAL INTERNAL FIXTURE DAMAGE FROM EXTERNAL SOURCES OF LIGHT BEAMS
External sources of light beams from direct sunlight, lighting moving head fixtures, and lasers which are focused directly towards the exterior housing and/or penetrate the front lens opening of ADJ lighting fixtures can cause severe internal damage, including burning of optics, dichroic color filters, glass and metal gobos, prisms, animation wheels, frost filters, irises, shutters, motors, belts, wiring, discharge lamps, and LEDs.
This issue is not unique to ADJ lighting fixtures, but rather it is a common issue with lighting fixtures from all manufacturers. Although there is no true way to completely prevent this issue from happening, the guidelines below can reduce the risk of any potential damage if followed. Contact ADJ Service for more details.
DO NOT EXPOSE THE FIXTURE AND/OR FRONT LENS OPENING TO LIGHT BEAMS FROM DIRECT SUNLIGHT, OTHER LIGHTING OR MOVING HEAD FIXTURES, AND LASERS DURING UNPACKING, INSTALLATION, USE, AND EXTENDED IDLE TIMES OUTDOORS. DO NOT FOCUS A LIGHT BEAM FROM ONE LIGHTING FIXTURE DIRECTLY TOWARDS ANOTHER.

ACCESSORY INSTALLATION: GEL FRAME
In order to install the included gel frame, find the latch located at the top of the lens frame. Open the latch by flipping it upwards, as shown in the below left image, then slide the gel frame into the slot in front of the lens, as shown in the below right image. Close the latch to secure the gel frame in place.

ACCESSORY INSTALLATION: BARNDOOR
In order to install the optional barndoor, find the latch located at the top of the lens frame. Open the latch by flipping it upwards, as shown in the below left image, then slide the barndoor into the slot in front of the lens, as shown in the below center image. Close the latch to secure the gel frame in place, then open the barndoor flaps by pulling outward, as shown in the below right image.
REMOTE DEVICE MANAGEMENT (RDM)
NOTE: In order for RDM to work properly, RDM enabled equipment must be used throughout the entire system, including DMX data splitters and wireless systems.
Remote Device Management (RDM) is a protocol that sits on top of the DMX512 data standard for lighting, and allows the DMX systems of the fixtures to be modified and monitored remotely. This protocol is ideal for instances in which a unit is installed in a location that is not easily accessible.
With RDM, the DMX512 system becomes bi-directional, allowing a compatible RDM enabled controller to send out a signal to devices on the wire, as well as allowing the fixture to respond (known as a GET command). The controller can then use its SET command to modify settings that would typically have to be changed or viewed directly via the unit’s display screen, including the DMX Address, DMX Channel Mode, and Temperature Sensors.
FIXTURE RDM INFORMATION:

WIFLY CONTROL
WIRELESS SETUP
There are many factors that can affect and/or interrupt a wireless signal, including walls, glass, met-al, objects, and people. Therefore, the following guidelines are recommended in order to maximize the chances of having a clear path for the wireless signal to reach the device:
- Install the device a minimum of 9.8 ft (3m) above audiences and/or ground level.
- Arrange the wireless antenna in an upright, vertical position.
- Position devices in direct line of sight of the transmitting controller.
Careful planning and testing of the selected installation location is critical in order to ensure optimized, reliable wireless operation.
The fixture includes an easy to navigate system menu control panel display where all necessary settings and adjustments are made. (See image below)
- MODE: Cycles through the main menu options and/or return to previous menu without making changes.
- DOWN/UP: Scroll through options in the selected menu.
- ENTER: Select highlighted option and/or confirm selection.

DISPLAY SCREEN LOCK
When the Display Lock setting is set to 1~10min, the display screen will automatically lock if there is no activity for the specified length of time. To unlock the display screen, simply press and hold the MODE button for 3 seconds.
Alternately, when the Display Lock setting is set to OFF, the display screen will never automatically lock. However, it can still be manually locked by pressing and holding the MODE button for 2 seconds. To unlock, press and hold the MODE button for 3 seconds.



DMX SETUP
DMX-512: DMX is short for Digital Multiplex. This is a universal protocol used as a form of communication between intelligent fixtures and controllers. A DMX controller sends DMX data instructions from the controller to the fixture. DMX data is sent as serial data that travels from fixture to fixture via the DATA “IN” and DATA “OUT” XLR terminals located on all DMX fixtures (most controllers only have a DATA “OUT” terminal).
DMX Linking: DMX is a language allowing all makes and models of different manufacturers to be linked together and operate from a single controller, as long as all fixtures and the controller are DMX compliant. To ensure proper DMX data transmission, try to use the shortest cable path possible when using several DMX fixtures. The order in which fixtures are connected in a DMX line does not influence the DMX addressing. For example, a fixture assigned a DMX address of 1 may be placed anywhere in a DMX line: at the beginning, at the end, or anywhere in the middle. When a fixture is assigned a DMX address of 1, the DMX controller knows to send DATA assigned to address 1 to that unit, no matter where it is located in the DMX chain.
Data Cable (DMX Cable) Requirements (For DMX Operation):The Encore Z7LP can be controlled via DMX-512 protocol, and features multiple DMX channel modes. Your unit and your DMX controller require a 3-pin XLR connector for data input and data output. If you are making your own cables, be sure to use standard 110-120 Ohm shielded cable (This cable may be purchased at almost all professional lighting stores). Your cables should be made with a male XLR connector at one end and a female XLR connector at the other. Also remember that DMX cable must be daisy chained and cannot be split.
Special Note: Line Termination. When longer runs of cable are used, you may need to use a terminator on the last unit to avoid erratic Behavior. A terminator is a 110-120 ohm 1/4 watt resistor which is connected between pins 2 and 3 of a male XLR connector (DATA + and DATA -). This unit is inserted in the female XLR connector of the last unit in your daisy chain to terminate the line. Using a cable terminator (ADJ part number Z-DMX/T) will decrease the chances of erratic Behavior.
5-Pin XLR DMX Connectors. Some manufacturers use 5-pin DMX-512 data cables for DATA transmission in place of 3-pin. 5-pin DMX fixtures may be implemented in a 3-pin line by using a cable adaptor. These adapters are readily available at most electronics stores. The chart below details a proper cable conversion.

DMX ADDRESSING
All fixtures should be given a DMX starting address when operating with a DMX controller, in order to ensure that the correct fixture responds to the correct control signal. This digital starting address is the channel number from which the fixture starts to “listen” to the digital control signal sent out from the DMX controller. The starting DMX address is configured by setting the correct DMX address on the control panel display on the fixture.
You can set the same starting address for multiple fixtures, or set different addresses for each individual fixture. Setting multiple fixtures to the same DMX address will cause all those fixtures to react in the same way. In this case, please note that changing the settings of one channel will affect all the fixtures simultaneously.
If you set each fixture to a different DMX address, each unit will start to “listen” to the channel number you have set, based on the quantity of DMX channels of each fixture. That means changing the settings of one channel will only affect the selected fixture.
As an example, when operating this device in 6 channel mode, you should set the starting DMX address of the first unit to 1, the second unit to 7 (1 + 6), the third unit to 13 (1 + 6 + 6), and so on. (See the chart below for more details.)

DMX TRAITS



COLOR MACROS CHART

DIMMER SPEEDS

DIMMER MODES


DAISY CHAIN POWER LINKING
These units have the capability to be daisy chained together via the power in/out ports. The maximum number of units that can be linked together in this manner is as follows: · 10 units maximum when running on 120V power. · 20 units maximum when running on 220V power.
DO NOT EXCEED THE NUMBER OF UNITS LISTED ABOVE.
DO NOT MIX MAKE AND MODEL TYPES WHEN DAISY CHAINING! All units that are connected in this manner must be of the same make and model type. CLEANING AND MAINTENANCEW DAISY CHAIN POWER LINKING These units have the capability to be daisy chained together via the power in/out ports. The maximum number of units that can be linked together in this manner is as follows: · 10 units maximum when running on 120V power. · 20 units maximum when running on 220V power.
DO NOT EXCEED THE NUMBER OF UNITS LISTED ABOVE.
DO NOT MIX MAKE AND MODEL TYPES WHEN DAISY CHAINING! All units that are connected in this manner must be of the same make and model type.
CLEANING & MAINTENANCE
DISCONNECT POWER BEFORE PERFORMING ANY MAINTENANCE!
CLEANING Frequent cleaning is recommended to ensure proper function, optimized light output, and an extended life. The frequency of cleaning depends on the environment in which the fixture operates: damp, smoky, or particularly dirty environments can cause greater accumulation of dirt on the fixture’s optics. Clean the external lens surface periodically with a soft cloth to avoid dirt/debris accumulation.
NEVER use alcohol, solvents, or ammonia-based cleaners.
MAINTENANCE Regular inspections are recommended to ensure proper function and extended life. There are no user serviceable parts inside this fixture. Please refer all other service issues to an authorized ADJ service technician. Should you need any spare parts, please order genuine parts from your local ADJ dealer.
Please refer to the following points during routine inspections:
- A detailed electrical check by an approved electrical engineer every three months, to make sure the circuit contacts are in good condition and prevent overheating.
- Be sure all screws and fasteners are securely tightened at all times. Loose screws may fall out during normal operation, resulting in damage or injury as larger parts could fall.
- Check for any deformations on the housing, color lenses, rigging hardware, and rigging points (ceiling, suspension, trussing). Deformations in the housing could allow for dust or liquids to enter into the fixture. Damaged rigging points or unsecured rigging could cause fixture to fall and seriously injure a person(s).
- Electric power supply cables must not show any damage, material fatigue, or sediments.
NEVER remove the ground prong from the power cable. 26
SPECIFICATIONS
SOURCE:
- Light Source: 7 x 20-Watt Quad RGBL LEDs (4-IN-1: Red, Green, Blue & Lime)
PHOTMETRIC DATA:
- CRI: 84
- CRI R9: 76.6
- Lumens: 2500
EFFECTS:
- 5-50 Degree Motorized Zoom
- Zoom Presets (Very Narrow 6°, Narrow 10°, Medium Flood 30°, Wide Flood 40° and Very Wide Flood 50°)
- Linear Color Temperature Control (2700K to 7000K)
- Preset Color Temperatures (2700K, 3200K, 4000K, 5600K and 6500K)
- 16-Bit Fine Color Control (Red, Green, Blue & Lime)
- 64 built-in Color Macros
CONTROL / CONNECTIONS:
- 4-button, DMX digital display on rear panel
- 5 Operational modes: Static Color Mode, RGBL Dimmer Mode, Program Mode, Sound Active Mode and DMX Controlled
- Supports RDM (Remote Device Management)
- With Wired Digital Communication Network
- 6 selectable Dimming Modes (Standard, Stage, TV, Architectural, Theatre & Stage 2)
- 4 selectable Dim Curves (Linear, Square Inv. Squa, S-Curve)
- Adjustable Refresh Rate (14 presets from 900 25,000Hz)
- Flicker Free operation (No flickering on camera)
- LED pulse and strobe effect
- Electronic Dimming: 0 – 100%
- 6 DMX Modes: 5, 8, 9, 11, 14 & 17-channel
- Quiet fan mode
- WiFly EXR Wireless DMX built-in (2500 ft. / 700M line of sight)
CONSTRUCTION:
- All metal construction
- Locking, In/Out Power connectors
- 5-pin, XLR DMX, In/Out sockets
- Scissor Yoke & safety eye
ELECTRICAL / THERMAL:
- Multi-voltage operation: AC 100-240V, 47/63Hz
- Daisy chain: 10 @ 120V, 20 @ 220V
- Max power: 103W
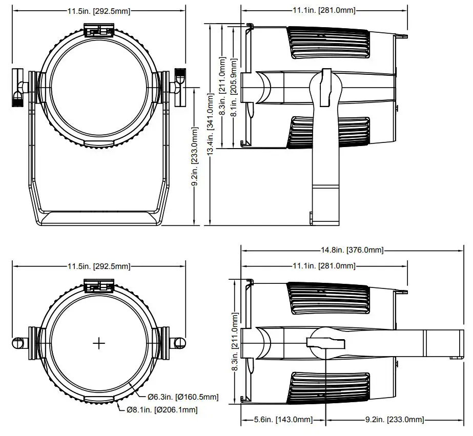
DIMENSIONS / WEIGHT:
- Dimensions (LxWxH): 8.3″x11.5″x14.8″ / 211.0×292.5×376.0mm
- Weight: 15 lbs. / 6.8 kg.
APPROVALS / RATINGS:
- cETLus Pending
- IP20
INCLUDED ACCESSORIES:
(1) Power Cord
(1) Safety Cable
(1) Gel Frame Assembly
OPTIONAL ACCESSORIES: Omega Bracket Barn Door (Model: ELPZ7BDA, Sku: ELP377)
Specifications and manual are subject to improvement without prior written notice.
DIMENSION DRAWINGS
Dimension drawings not to scale. 11.5in. [292.5mm]

FCC STATEMENT
This device complies with Part 15 of the FCC Rules. Operation is subject to the following two conditions: (1) this device may not cause harmful interference, and (2) this device must accept any interference received, including interference that may cause undesired operation.
FCC RADIO FREQUENCY INTERFERENCE WARNINGS & INSTRUCTIONS
This product has been tested and found to comply with the limits as per Part 15 of the FCC Rules. These limits are designed to provide reasonable protection against harmful interference in a residential installation. This device uses and can radiate radio frequency energy and, if not installed and used in accordance with the included instructions, may cause harmful interference to radio communications. However, there is no guarantee that interference will not occur in a particular installation. If this device does cause harmful interference to radio or television reception, which can be deter- mined by turning the device off and on, the user is encouraged to try to correct the interference by one or more of the following methods:
- Reorient or relocate the device.
- Increase the separation between the device and the receiver.
- Connect the device to an electrical outlet on a circuit different from which the radio receiver is connected.
- Consult the dealer or an experienced radio/TV technician for help.
Energy Saving Matters (EuP 2009/125/EC)
Saving electric energy is a key to help protecting the environment. Please turn off all electrical products when they are not in use. To avoid power consumption in idle mode, disconnect all electrical equipment from power when not in use. Thank you!![]()



















