Electrolux 520518 Veetsan Hood Type Dishwasher

Short Form Specification
Item No.
304 Stainless steel construction to include single skin hood, external, front and side panels, wash tank, tank filter plus wash and rinse arms. Uses 2.3 liters of clean water per final rinse cycle. 84°C rinse temperature and pressure guaranteed by AISI 304 built in atmospheric boiler and built inrinse booster pump. Washing performance is guaranteed by a powerful 0.8 kW wash pump and upper and lower stainless steel revolving washing spray arms. The unit is equipped with flexible fill hoses. Convertible from straight to corner operation and delivered on height-adjustable feet. The unit shall include detergent and rinse aid dispenser pump
Main Features
- State-of-the-art electronic controls with built-in programming, self-diagnostics for serviceability and automatic interior self-cleaning cycle.
- Built-in rinse aid and detergent dispenser with automatic initial and continuous cycle loading for perfect result while minimizing service and maintenance needs.
- The machine can be connected to cold water.
- Requires only 2,3 liters of water per washing cycle thus ensuring low energy, water, detergent and rinse aid consumption.
- Slanted wash arms to avoid detergent-filled wash water dropping on clean dishes before the rinsing phase, thus guaranteeing ideal washing results.
- Incorporated feature to offer additional protection to more delicate items.
- 55/84/150 seconds cycle, maximum capacity of 65 racks per hour.
- Built-in atmospheric boiler sized to raise incoming cold water to a minimum of 84 °C for sanitizing rinse. No external boiler is required. Constant temperature of 84 °C throughout the rinsing cycle regardless of the network’s water pressure.
- Unique temperature interlock guarantees required temperatures in both the wash and final rinse in case of emergency cold water feeding.
- Cycle may be interrupted at any time by lifting the hood.
- Automatic self-cleaning cycle and self-draining vertical wash pump and boiler to avoid bacteria proliferation.
- IP25 protection against water jets, solid objects and small animals (larger than 6 mm).
Construction
- Pre-arranged for on-site HACCP implementation and Energy Management device.
- Heavy duty Stainless steel construction. Internal cavity as well as exterior panels are in 304 series Stainless steel.
- Pressed tank in front position to facilitate cleaning.
- Single skin hood supported by 3 springs to ensure smooth movement and guarantee operator safety.
- Specially designed Stainless steel wash/rinse arms and nozzles provide superior cleaning action.
- Revolving interchangeable Stainless steel wash/rinse arms above and below the rack, screw out for simple clean up.
- Element protection from dry fire and low water.
Included Accessories
- 1 of Stabbing basket 18 dishes 500x500mm
PNC 888023
Optional Accessories
- HACCP kit with cable for single skin hood type PNC 864006 ❑
- Drain pump kit for single skin hood type PNC 864346 ❑
- Rinse aid dispenser kit for hood type PNC 864368 ❑
- Detergent dispenser kit for hood type PNC 864369 ❑
- Deliming device kit with pump for hood type PNC 864391 ❑
- Stabbing basket 18 dishes 500x500mm PNC 888023 ❑
- Flat basket for cutlery containers 500x500mm PNC 888024 ❑
- Power cord 3,5 m PNC 888025 ❑
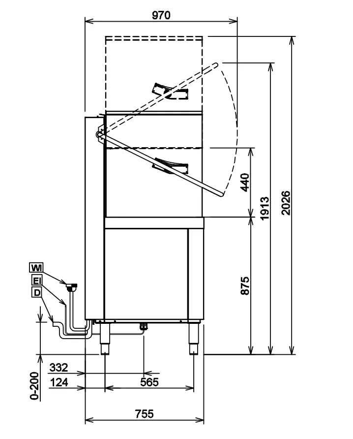
DIMENSIONS
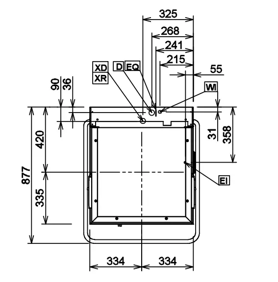
Front

Side

CWI1 = Cold Water inlet 1 (cleaning)
D = Drain
EI = Electrical inlet (power)
EO = Electrical Outlet
HWI = Hot water inlet
WI = Water inlet
XD = Detergent connection
XI = Chemicals inlet (generic)
XR = Rinse aid connection
Top

Electric
Supply voltage:
520518 (VHT65RD) 400 V/3N ph/50 Hz
Convertible to: 230V 1N~; 230V 3~
Default Installed Power: 12.9 kW
Boiler Heating Elements Power: 9 kW
Tank heating elements: 3 kW
Water
Water supply temperature*: 10-65 °C
Drain line size: 20.5 mm
Inlet water supply pressure: 0.5-7 bar
Water consumption per cycle (lt): 2.3
Boiler Capacity (lt): 12
Tank Capacity (lt): 24
Key Information
N° of cycles: 3
Duration cycle:* 55/84/150 sec.
Racks per hour:* 65
Dishes per hour:* 1170
Wash temperature: 55-65 °C
Rinse temperature: 84 °C
External dimensions, Width: 746 mm
External dimensions, Depth: 755 mm
External dimensions, Height: 1549 mm
Net weight: 106 kg
Shipping weight: 117 kg
Shipping height: 1730 mm
Shipping width: 920 mm
Shipping depth: 770 mm
Shipping volume: 1.23 m³
Noise level: <68 dBA
** When connected to cold water, the cycle time will be prolonged accordingly. The machine will have productivity per hour of 43 racks at 10°C supply temperature or 50 racks at 20°C supply temperature.
Warewashing
Hood Type Dishwasher, single skin manual hood, atmospheric boiler, built-in detergent rinse aid disp The company reserves the right to make modifications to the products
without prior notice. All information correct at time of printing. 2022.01.04
















