
HANDBOOK
Passive Packs
CM-HPR1 Headphone Volume Control
CM-HPX1 Headphone Volume Control
Manufacturers of Audio Products for AV, Installed
Sound, Broadcast Radio & Broadcast TV
CM-HPR1 Headphone Volume Control
For the latest Sonifex handbook information please visit the Sonifex website at www.sonifex.co.uk
This handbook is for use with the following products:
CM-HPR1 Headphone Volume Control
CM-HPX1 Headphone Volume Control
Stock Code: 30-366 Artwork: AW10919
©Sonifex Ltd, 2020
All Rights Reserved
Revision 1.04, February 2020
Sonifex Ltd, 61, Station Road, Irthlingborough,
Northants, NN9 5QE, England.
Tel: +44 (0)1933 650 700
Fax: +44 (0)1933 650 726
Email: [email protected]
Website: https://www.sonifex.co.uk
Information in this document is subject to change without notice and does not represent a commitment on the part of the vendor. Sonifex Ltd shall not be liable for any loss or damage whatsoever arising from the use of information or any error contained in this manual.
No part of this manual may be reproduced or transmitted in any form or by any means, electronic or mechanical, including photocopying, recording, information storage and retrieval systems, for any purpose other than the purchaser’s personal use, without the express written permission of Sonifex Ltd. Unless otherwise noted, all names of companies, products and persons contained herein are part of a completely fictitious adaptation and are designed solely to document the use of Sonifex product.
Made in the UK by ![]()
Register Online for an Extended 2 Year Warranty
Product:
Serial No: www.sonifex.co.uk/register
Product Warranty – 2 Year Extended
As standard, Sonifex products are supplied with a 1 year back to base warranty. In order to register the date of purchase and so that we can keep you informed of any product design improvements or modifications, it is important to complete the warranty registration online. Additionally, if you register the product on the Sonifex website, you can increase your product warranty to 2 years. Go to the Sonifex website at: www.sonifex.co.uk/register to apply for your 2 year warranty.
Sonifex Warranty & Liability Terms & Conditions
Definitions
‘the Company’ means Sonifex Ltd and where relevant includes companies within the same group of companies as Sonifex Limited.
‘the Goods’ means the goods or any part thereof supplied by the Company and where relevant includes: work carried out by the Company on items supplied by the Purchaser; services supplied by the Company; and software supplied by the Company.
‘the Purchaser’ means the person or organisation who buys or has agreed to buy the Goods.
‘the Price’ means the Price of the Goods and any other charges incurred by the Company in the supply of the Goods.
‘the Warranty Term’ is the length of the product warranty which is usually 12 months from the date of despatch; except when the product has been registered at the Sonifex website when the Warranty Term is 24 months from the date of despatch.
‘the Contract’ means the quotation, these Conditions of Sale and any other document incorporated in a contract between the Company and the Purchaser.
This is the entire Contract between the parties relating to the subject matier hereof and may not be changed or terminated except in writing in accordance with the provisions of this Contract. A reference to the consent, acknowledgement, authority or agreement of the Company means in writing and only by a director of the Company.
Warranty
a. The Company agrees to repair or (at its discretion) replace Goods which are found to be defective (fair wear and tear excepted) and which are returned to the Company within the Warranty Term provided that each of the following are satisfied:
i. notification of any defect is given to the Company immediately upon its becoming apparent to the Purchaser;
ii. the Goods have only been operated under normal operating conditions and have only been subject to normal use (and in particular the Goods must have been correctly connected and must not have been subject to high voltage or to ionising radiation and must not have been used contrary to the Company’s technical
recommendations);
iii. | the Goods are returned to the Company’s premises at the Purchaser’s expense;
iv. any Goods or parts of Goods replaced shall become the property of the Company;
V. no work whatsoever (other than normal and proper maintenance) has been carried out to the Goods or any part of the Goods without the Company’s prior written consent;
vi. the defect has not arisen from a design made, furnished or specified by the Purchaser;
vii. the Goods have been assembled or incorporated into other goods only in accordance with any instructions issued by the Company;
viii. the defect has not arisen from a design modified by the Purchaser;
ix. the defect has not arisen from an item manufactured by a person other than the Company. In respect of any item manufactured by a person other than the Company, the Purchaser shall only be entitled to the benefit of any warranty or guarantee provided by such manufacturer to the Company.
b. In respect of computer software supplied by the Company the Company does not warrant that the use of the software will be uninterrupted or error free.
C. The Company accepts liability:
i. for death or personal injury to the extent that it results from the negligence of the Company, its employees (whilst in the course of their employment) or its agents (in the course of the agency);
ii. for any breach by the Company of any statutory undertaking as to title, quiet possession and freedom from encumbrance.
d. Subject to conditions (a) and (c) from the time of despatch of the Goods from the Company’s premises the Purchaser shall be responsible for any defect in the Goods or loss, damage, nuisance or interference whatsoever consequential economic or otherwise or wastage of material resulting from or caused by or to the Goods. In particular the Company shall not be liable for any loss of profits or other economic losses. The Company accordingly excludes all liability for the same.
e. At the request and expense of the Purchaser the Company will test the Goods to ascertain performance levels and provide a report of the results of that test. The report will be accurate at the time of the test, to the best of the belief and knowledge of the Company, and the Company accepts no liability in respect of its accuracy beyond that set out in Condition (a).
f. Subject to Condition (e) no representation, condition, warranty or other term, express or implied (by statute or otherwise) is given by the Company that the Goods are of any particular quality or standard or will enable the Purchaser to attain any particular performance or result, or will be suitable for any particular purpose or use under specific conditions or will provide any particular capacity, notwithstanding that the requirement for such performance, result or capacity or that such particular purpose or conditions may have been known (or ought to have been known) to the Company, its employees or agents.
g. i. Tothe extent that the Company is held legally liable to the Purchaser for any single breach of contract, tort, representation or other act or default, the Company’s liability for the same shall not exceed the price of the Goods.
ii. The restriction of liability in Condition (g)(i) shall not apply to any liability accepted by the Seller in Condition (c).
h. Where the Goods are sold under a consumer transaction (as defined by the Consumer Transactions (Restrictions on Statements) Order 1976) the statutory rights of the Purchaser are not affected by these Conditions of Sale.
Unpacking Your Product
Each product is shipped in protective packaging and should be inspected for damage before use. If there is any transit damage take pictures of the product packaging and notify the carrier immediately with all the relevant details of the shipment. Packing materials should be kept for inspection and also for if the product needs to be returned.
The product is shipped with the following equipment so please check to ensure that you have all of the items below. If anything is missing, please contact the supplier of your equipment immediately.
| Item | Quantity |
| Product Unit | 1 |
| A3 Folded Handbook | 1 |
Repairs & Returns
Please contact Sonifex or your supplier if you have any problems with your Sonifex product. Email [email protected] for the repair/upgrade/ returns procedure, or for support & questions regarding the product operation.
Conformity
The products in this manual comply with the essential requirements of the relevant European health, safety and environmental protection legislation.
The technical justification file for this product is available at Sonifex Ltd. The declaration of conformity can be found at: http://www.sonifex.co.uk/ declarations
WEEE Directive
The Waste Electrical and Electronic Equipment (WEEE) Directive was agreed on 13 February 2003, along with the related Directive 2002/95/EC on Restrictions of the use of certain Hazardous Substances in electrical and electronic equipment (RoHS). The Waste Electrical and Electronic Equipment Directive (WEEE) aims to minimise the impacts of electrical and electronic equipment on the environment during their life times and when they become waste. All products manufactured by Sonifex Ltd have the WEEE directive label placed on the case. Sonifex Ltd will be happy to give you information about local organisations that can reprocess the product when it reaches its “end of use”, or alternatively all products that have reached “end of use” can be returned to Sonifex and will be reprocessed correctly free of charge.
Atmosphere/Environment
This apparatus should be installed in an area that is not subject to excessive temperature variation (<0°C, >50°C), moisture, dust or vibration.
This apparatus shall not be exposed to dripping or splashing, and no objects filled with water, such as vases shall be placed on the apparatus.
Passive Packs
The passive packs are a range of small utility products which use transformers to change audio input & output impedances and levels and to distribute audio signals.
There are a range of different products to suit different needs:
CM-HPR1 Headphone Volume Control
CM-HPX1 Headphone Volume Control
CM-ULR1 Unbal to Bal Audio Converter
CM-ULX1 Unbal to Bal Audio Converter
CM-LUR1 Bal to Unbal Audio Converter
CM-LUX1 Bal to Unbal Audio Converter
CM-AESX3 3 Way Dig AES3 Splitter, XLR
CM-AESB3 3 Way Dig AES3ID Splitter, BNC
CM-MS3 3 Way Microphone Splitter
CM-MNT1 Desk Mount Panel
All of the products, along with the CM-TBU and CM-TLL, can be mounted to the underside of a desk using the CM-MNT1 desk mount plate. This fixes to the top side of the product and screws to the underside of a surface.

Fig A: CM-MNT1 Desk-Mount Plate Fitted on CM-AESX3
Fig B: CM-MNT1 Desk-Mount Plate With Screws
CM-HPR1 & CM-HPX1 Headphone Volume Controls

Fig 1-1: CM-HPR1 Front & Rear View
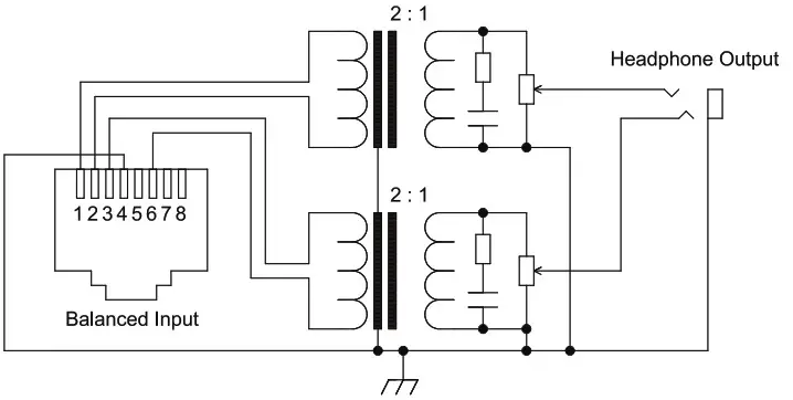
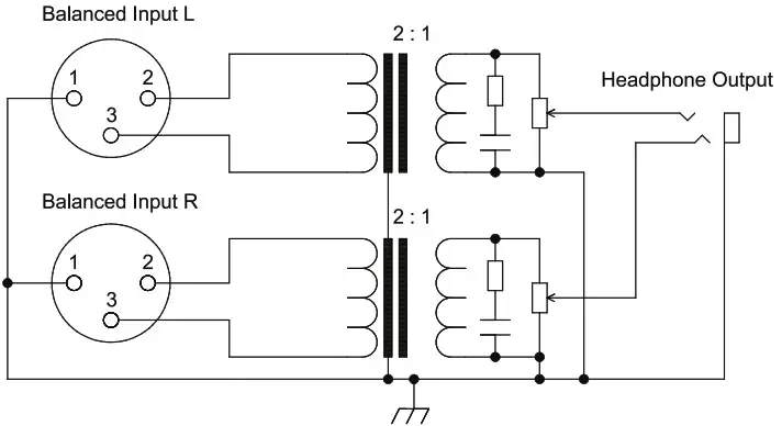
These two products allow the connection of a stereo balanced line input (RJ45 on the CM-HPR1 with StudioHub+™ pinout and 2 x female XLRs on the CM- HPX1) and create a headphone output, with level control.
They are transformer balanced, and can be used with any headphones above 1500Ω impedance.
The transformer ratio of 2:1 ensures that any headphone load presented at the output is reflected through to the input at a 1:4 ratio (hence a 1500 set of headphones looks like 6000 at the input, a suitable load for most good quality line output stages).

Fig 1-2: CM-HPX1 Front & Rear View
![]()
StudioHub+™ is a registered trademark of Radio Systems Inc

Fig 1-3: Application Example Using Axia Xnode
Block Diagrams

Fig 1-4: CM-HPR1 Block Diagram

Fig 1-5: CM-HPX1 Block Diagram
Connectors & Controls
Headphone Output
The stereo headphone output uses a stereo 6.35mm jack socket with the following connections:
| Pin Type | Connection |
| Tip: | Left |
| Ring: | Right |
| Screen: | Ground |
The headphone level will be at half the level of the incoming signal with the volume control at 100%.
Volume Level Control
The volume level control sets the output level of the stereo headphone socket and runs logarithmically from zero to the maximum output level.
Analogue Inputs CM-HPX1
The stereo analogue input is on two female 3 pin XLR connectors with the following pin assignments:
Pin 1: 0V Common
Pin 2: Phase
Pin 3: Non Phase
Analogue Inputs CM-HPR1
The stereo analogue input is on a female RJ45 connector with the following standard StudioHub+™pin assignments:
| Pin No. | Connection |
| 1 | Left Phase |
| 2 | Left Non-Phase |
| 3 | Right Phase |
| 4 | Ground |
| 5 | N/C |
| 6 | Right Non-Phase |
| 7 | N/C |
| 8 | N/C |
Technical Spec CM-HPR1/CM-HPX1
Audio Specification
| Audio Specification | 2:01 |
| Input/Output Level Ratio: | 4:01 |
| Input/Output Impedance Ratio: | 150Ω |
| Minimum Headphone Impedance: Max Input Level: | +28dBu |
| Max Output Level: | +22dBu |
| Frequency Response: | 20Hz to 20kHz, +0/-0.5dB |
| Noise: | -115dBu A-wgtd becomes -100dBu A-wgtd |
| Distortion Ref +8dBu (Output): | <0.01% |
| Common Mode Rejection: | >80dB |
Connections
| Main Stereo Input (CM-HPX1): | 2 x XLR 3 pin, female |
| Main Stereo Input (CM-HPR1): | 1 x RJ45 female |
| StudioHub+™ pinout Output: | ¼” (6.35mm) A/B gauge 3-pole stereo jack sockets |
Equipment Type
| CM-HPX1: | Headphone volume control, XLR input |
| CM-HPR1: | Headphone volume control, RJ45 input |
Physical Specification
| Dimensions (Raw): | 7.7cm (W) x 8.3cm (D) x 4.2cm (H) 3.0” (W) x 3.3” (D) x 1.7” (H) |
| Weight: | Nett: 0.22kg Gross: 0.33kg Nett: 0.49lbs Gross: 0.73lbs |
![]()
www.sonifex.co.uk
t:+44 (0)1933 650 700
f:+44 (0)1933 650 726
[email protected]
References
Welcome to Sonifex - Manufacturers of Broadcast Audio & Video Equipment for Radio & TV Studios
Welcome to Sonifex - Manufacturers of Broadcast Audio & Video Equipment for Radio & TV Studios
sonifex.co.uk/register
Welcome to Sonifex - Manufacturers of Broadcast Audio & Video Equipment for Radio & TV Studios


















