FISHER PAYKEL RS6121SLK2 FP BI Refrigerator User Guide
INTRODUCTION
| BRAND | VOLTAGE | MODEL | PRODUCT CODE |
| Fisher & Paykel | 220-240 50Hz | REFRIG RS6121SLK2 FP BI | 26147-A |
MODELS
The models covered by this manual are listed on the front cover. The information detailed in this manual is subject to change without notice. The latest version is indicated by the reprint date and replaces any earlier editions.
KIT PARTS
Where a part number is shown against the descriptions for kit components, they are also available as separate items. In addition, some parts may be supplied with these kits that are not available as separate items, and are therefore either not listed, or a part number is not shown against the part description in this manual.
PARTS LIST KEY
| NI | As a part reference, indicates the part is not illustrated on the diagram. |
| NOT USED | As a part number, indicates the diagram part reference is not used in this manual. |
| NS | As a part number, indicates the part is not servicable. |
DOOR COMPONENTS

| REFERENCE | PART NUMBER | PART DESCRIPTION |
| 1 | 846516P | EXTRUSION DOOR TOP RS24 |
| Includes 846516 | EXTRUSION DOOR TOP RS24 | |
| Includes 847229 | CAP EXTRUSION DOOR | |
| Includes 846179 | STRIP 6 DUAL LOCK TABS | |
| 2 | 847229 | CAP EXTRUSION DOOR |
| 3 | 846179P | STRIP 6 DUAL LOCK TABS PKT 4 |
| 4 | 846515 | BRACKET PANEL DOOR RS24 |
| 5 | 844632 | BRACKET DOOR MAGNET |
| 6 | 851724 | MAGNET DOOR |
| 7 | 841568P | SCREW MC M5X10 PAN PH MS ZP PKT10 |
| 8 | 842456P | WASHER M8X21X1.6 ZP PKT10 |
| 9 | 838158P | NUT M8 HEX MS ZP PKT10 |
| 10 | 838153P | BOLT SKIN DOOR BI PKT10 |
| 11 | 847953P | SCREW MC M6X10 BTN HEX ZP PKT10 |
| 12 | 841982 | BRACKET ADAPT COL K05 LH |
| 13 | 845432P | SCREW M5X12MUSH PH MT ST PKT10 |
| 14 | 849593P | GASKET DOOR RS24 |
| 15 | 846781P | DAIRY COMPARTMENT 24S ASSY |
| 16 | 843891 | DIVIDER DAIRY COMPARTMENT |
| 17 | 846470P | SHELF DR MID 24S ASSY |
| 18 | 843899 | DIVIDER BOTTLE PC SHELF |
| 19 | 846479P | SHELF DR GALLON 24S ASSY |
| 20 | 843166 | DIVIDER BOTTLE GALLON SHELF |
| 21 | 843660P | SEAL DIVIDER DOOR RS24 |
| 22 | 846353P | DOOR RS24S FOAMED ASSY |
| Includes 843660P | SEAL DIVIDER DOOR RS24 | |
| 23 | 844897 | BRACKET DR PANEL LOCKING |
| 24 | 846156P | SCREW MC M6X25 PAN PH MS ZP PKT10 |
| 25 | 848730 | DUAL LOCK VELCRO TAB 1”X6” |
| 26 | 848759 | DIVIDER MOUNT ASSEMBLY |
| 27 | 847957 | CAP FLOW DIVIDER |
| 28 | 845914 | BRACKET ADAPT SPACER BTM |
| 29 | 842890 | BRACKET ADAPT K05 BTM LH |
| 30 | 846155P | SCREW MC M5X30 PAN PH MS ZP PK |
DOOR PANEL COMPONENTS

| REFERENCE | PART NUMBER | PART DESCRIPTION |
| 1 | 848302P | KIT HANDLE D3 852 ASSY |
| includes 842292P | SCREW WSH M5X25 KIT | |
| includes | ENDCAP | |
| 1 | 848304P | KIT HANDLE EVO 786 ASSY |
| includes 842292P | SCREW WSH M5X25 KIT | |
| includes | ENDCAP | |
| 1 | 848305P | KIT HANDLE EVO2 792 ASSY |
| includes 842292P | SCREW WSH M5X25 KIT | |
| includes | ENDCAP | |
| includes | BAR HANDLE EVO 2 | |
| 1 | 848303P | KIT HANDLE RD3 852 ASSY |
| includes 842292P | SCREW WSH M5X25 KIT | |
| includes | ENDCAP | |
| 2 | 842292P | SCREW WSH M5X25 KIT |
| 3 | 843266 | EXTRUSION PANEL DOOR |
| 4 | 847675P | TAPE DUALLOCK SJ3540 50MMX10MM PKT10 |
| 5 | 846179P | STRIP 6 DUAL LOCK TABS |
| 6 | 866813P | KIT TRIM BRACKET PANEL |
| Includes 838201 | BRACKET SLIDER DR SKIN X 10 | |
| Includes 840371P | SCREW 8GX16 MUSH WASHER HD X 37 | |
| Includes 865869 | BRACKET DR SIDE PANEL TRIM X 10 | |
| includes 846177 | SPACER BRACKET DR SIDE X 10 | |
| 7 | 846177 | SPACER BRACKET DR SIDE |
| 8 | 865869 | BRACKET DR SIDE PANEL TRIM |
| 9 | 838201 | BRACKET SLIDER DR SKIN |
| 10 | 840371P | SCREW 8GX16 MUSH WASH (PKT10) |
| NI | 845432P | SCREW M5X12MUSH PH MT ST PKT10 (FOR SS PANEL) |
| 11 | 843278P | PANEL DOOR 2484L4D ASSY |
| 12 | 527679P | KIT CORNER FLAT DOOR PKT4 |
SHELVES & BINS AREA

| REFERENCE | PART NUMBER | PART DESCRIPTION |
| 1 | 847532P | SCREW M4X16 PLASTITE PH T15 PK |
| 2 | 844646 | SLIDE 337R SC |
| 844645 | SLIDE 337L SC | |
| 3 | 847044 | BRACKET HCL LWR RH |
| 847043 | BRACKET HCL LWR LH | |
| 4 | 844644 | SLIDE 224R SC |
| 844643 | SLIDE 224L SC | |
| 5 | 847036P | SCREW TORX CSK SS 8X16 PKT10 |
| 6 | 846765 | BRACKET UPPER SHELF |
| 7 | 843304 | RAIL CANTI LH |
| 8 | 847441 | RACK BOTTLE SINGLE CANTI |
| 9 | 847596P | SHELF CANTI HALF ASSY RS24 |
| 10 | 846466P | SHELF CANTI 24S ASSY |
| 11 | 844756 | RAIL CANTI RH |
| 12 | 860593 | BOTTLE HOLDER SINGLE ASSY |
| 13 | 847815P | SHELF FIXED UPR ASSY RS24S |
| 14 | 847770P | HCL SUBASSY RS24 |
| 15 | 847211P | BIN ASSY UPR RS24S |
| 16 | 844810 | DIVIDER BIN UPR |
| 17 | 846543P | KIT MAT BIN UPR RS24S |
| includes | FOOT BUMPON 6MM | |
| 18 | 847250P | SHELF HCL LWR RS24 ASSY |
| 19 | 844809 | DIVIDER BIN LWR |
| 20 | 847213P | BIN ASSY LWR RS24S |
| 21 | 846542P | KIT MAT BIN LWR RS24S |
| includes | FOOT BUMPON 6MM | |
| 22 | 846588 | COVER DIVIDER COLUMNS 24 |
| 23 | 611933P | SCREW ST 8X5/8TA MTS PH H5ZNPL |
| 24 | 844971 | END CAP UI RH RS |
| 25 | 847484 | GASKET UI END CAP RS30 RH |
| 26 | 865130P | MOD DISP RS24S SVC |
| 27 | 847483 | GASKET UI END CAP RS30 LH |
| 28 | 844970 | END CAP UI LH RS |
CABINET INTERIOR COMPONENTS

| REFERENCE | PART NUMBER | PART DESCRIPTION |
| 1 | 848128 | SPACER COVER DRAIN ASSY |
| 2 | 848120P | SCREW M4X35 PAN TX15 SS PKT10 |
| 3 | 848747 | COVER DRAIN LWR RS24 BRUSHED SS |
| 4 | 840421P | SCREW ST #8X15-M6X12 WASHER KIT |
| 5 | 846732P | CLIP EDGE EARTH TAB AR EPF255 |
| 6 | 814460 | HARNESS EARTH 100MM |
| 7 | 849242P | DUCT CVR SEAL LWR SS RS24 ASSY |
| 8 | 848744 | COVER DRAIN UPR RS24 BRUSHED SSEA |
| 9 | 862711P | KIT COVER DUCT UPR RS24W SS AS |
| includes | COVER DUCT UPR RS24W SS ASSY | |
| includes | NAMEPLATE FP CHROME LETTERS | |
| 10 | 847363 | NAMEPLATE FP CHROME LETTERS |
| 11 | 839474 | HINGE K05-B 115GRAD M6 “S” |
| 12 | 843720 | COVER POCKET HINGE |
| 13 | 843719 | POCKET HINGE TOP LH |
| 14 | 847537 | SPACER BRACKET HINGE TOP |
| 15 | 842944 | BRACKET HINGE TOP RS |
| 16 | 845428P | SCREW M5X12 CSK PH NP PKT10 |
| 18 | 839692P | SCREW M6X16CSK DIN965 PH MS ZP PKT10 |
| 19 | 847675P | TAPE DUALLOCK SJ3540 50MMX10MM |
| 20 | 846927 | TRIM TOP EXTRUSION RS24 |
| 21 | 847006 | BRACKET ALCOVE TOP LH |
| 22 | 847532P | SCREW M4X16 PLASTITE PH T15 PK |
| 23 | 848428 | COVER INTEGRATED SIDE LIGHT GR |
| 24 | 849937P | MOD SIDE LIGHT-GR COVER KIT |
| includes | MOD SIDE LIGHT INT COL | |
| includes | COVER INTEGRATED SIDE LIGHT GR | |
| 25 | 843759P | ASSY LIGHT CEILING PANEL RS24 |
| 26 | 844551 | HOUSING FAN CNTFGL D125 ASSY |
| 27 | 845432P | SCREW M5X12 MUSH PH MT STL ZN PKT10 |
| 28 | 846242P | HEATER DEF 3PV 30 120V |

| REFERENCE | PART NUMBER | PART DESCRIPTION |
| 29 | 844545P | FAN CNTFGL D125 ASSY |
| 30 | 845878 | CLIP SENSOR |
| 31 | 813822P | CABINET THERMISTOR KIT |
| 32 | 821745 | COVER PLUG TYCO |
| 33 | 847532P | SCREW M4X16 PLASTITE PH T15 PK |
| 34 | 865874P | EVAP EARTH TAB UPR CU CLEAR |
| 35 | 862917 | HARNESS EARTH DEFROST HEATER |
| 36 | 844107 | SHIELD HEAT 30 UPR FC |
| 37 | 862891 | HOUSING FAN ASSY WHITE |
| 38 | 844108 | SHIELD HEAT 30 LWR FC |
| 39 | 844877 | SHIELD DRAIN LWR 30PC |
| 40 | 865873P | EVAP EARTH TAB LWR CU CLEAR |
| 41 | 847315 | WIRE DRAIN HEATER RS |
| 42 | 844876 | SHIELD DRAIN UPR 30PC |
| 43 | 842883 | BRACKET PLINTH FRONT LEFT |
| 44 | 845515P | SCREW MC M5X12 HXW NIB ZP PKT10 |
| 45 | 837842 | HINGE K05-A 115GRAD M6 “S” |
| 46 | 843027 | BRACKET HINGE LOWER LEFT |
| 47 | 842882 | BRACKET PLINTH FRONT RIGHT |
| 48 | 846972 | HARNESS HUMIDITY SNSR |
| 49 | 563774P | MOD WIFI GEA3 LITE |
| 50 | 843872 | HOUSING SENSOR |
| 51 | 840371P | SCREW 8GX16 MUSH WASHER HD PKT10 |
| 52 | 862641 | HARNESS WIFI GEA WIRE |
| 53 | 851352P | MOD HALL SWITCH RS SVC |
| 54 | 864736P | MOD GEA COMMS V2 SVC |
| 55 | 851381P | MOD HUMIDITY SENSOR W SVC |
TERMINAL, PLUGS & SOCKETS
- JST SOCKET TERMINAL

- JST PIN TERMINAL

- JST SOCKET

- JST PLUG

- JST RETAINER

TERMINAL, PLUGS & SOCKETS
| REFERENCE | PART NUMBER | PART DESCRIPTION | COMMENTS |
| 1 | 819607P | TERMINAL SYF-01T PKT 10 | 26/20 AWG |
| 819608P | TERMINAL SYF-41T PKT 10 | 20/16 AWG | |
| 2 | 819609P | PIN/TERM SYM-01T PKT 10 | 26/20 AWG |
| 819610P | PIN/TERM SYM-41T PKT 10 | 20/16 AWG | |
| 3 | 819615 | JST SOCKET 2PIN YLR-02V | |
| 819616 | JST SOCKET 3PIN YLR-03V | ||
| 819617 | JST SOCKET 4PIN YLR-04V | ||
| 819618 | JST SOCKET 6PIN YLR-06VF | ||
| 819619 | JST SOCKET 8 PIN YLR-08V | ||
| 4 | 819611 | JST PLUG 2PIN YLP-02V | |
| 819612 | JST PLUG 4PIN YLP-04V | ||
| 819613 | JST PLUG 6PIN YLP-06V | ||
| 819614 | JST PLUG 8PIN YLP-08V | ||
| 5 | 819620 | RETAINER 2 WAY YLS-02V | |
| 819621 | RETAINER 3 WAY YLS-03V | ||
| NI | 150807 | TERMINAL REMOVAL TOOL | |
| 855288 | EXTRACTION TOO M ML AMP 1897271 |
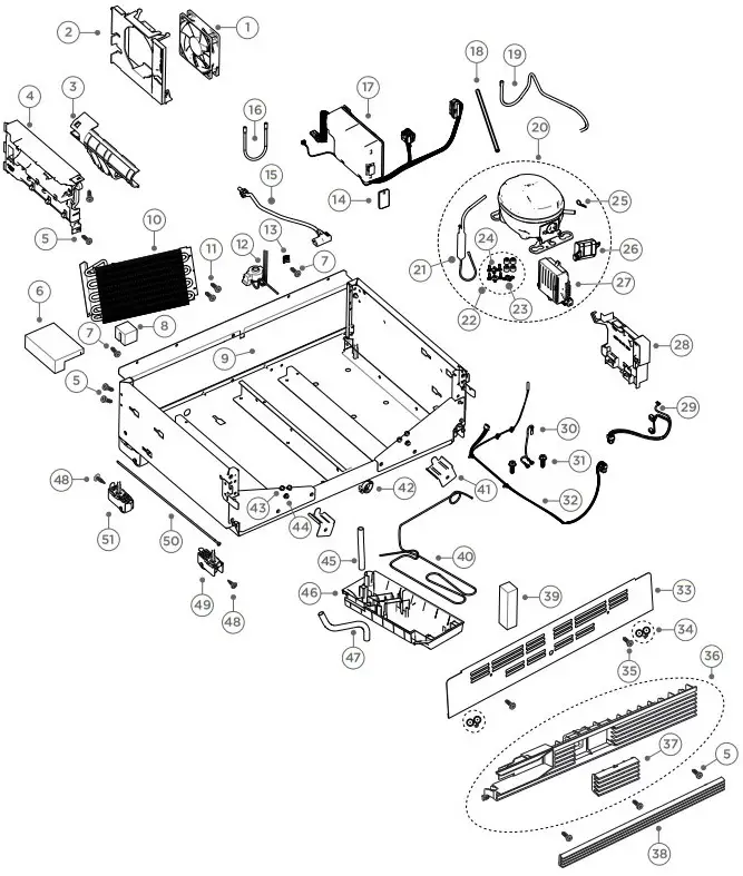
PLINTH COMPONENTS

| REFERENCE | PART NUMBER | PART DESCRIPTION |
| 1 | 838855P | FAN CONDENSER 120X25 |
| 2 | 843139 | DIVIDER PLINTH REAR |
| 3 | 847033 | COVER DIVIDER FRONT |
| 4 | 842779 | DIVIDER PLINTH FRONT |
| 5 | 840371P | SCREW 8GX16 MUSH WASH (PKT10) |
| 6 | 845772 | BLOCKER CONDSR AIRFLOW BYPASS |
| 7 | 611977P | SCREW ST 8X1/2 SD TRS NIB PH P |
| 8 | 848130 | GROMMET CONDNSR AIR B/PASS |
| 9 | 846485 | LOCKING PLATE REAR PLINTH 24 |
| 10 | 847876P | CONDENSER FOT 260X177 1 PASS |
| 11 | 546692P | SCREW ST 8X12MM TAB MTS PKT10 |
| 12 | 846688P | VALVE SANKYO NSCE001RA9 |
| 13 | 841023P | CLIP SPIRE SIZE 8 |
| 14 | 884505 | COVER COMMS PORT |
| 15 | 851247 | HARNESS CORDSET IEC ASSY UK RS |
| 16 | 845861 | TUBE COPPER U-BEND |
| 17 | 865254P | ASSY CTRL RS WIFI WTR SVC |
| includes | ASSY CTRL RS WIFI WTR | |
| includes | COVER COMMS PORT | |
| includes | HARNESS ADAPTER MODULE RS | |
| 18 | 842972 | TUBE ADAPTOR PROCESS RS |
| 19 | 842989 | TUBE ADAPTOR SUCTION RS |
| 20 | 207429P | KIT COMPR EMB VESF9C KIT 230V |
| includes 207421 | INVERTER VESF9C 230V PFC FA | |
| includes 207310 | COVER PROTECTOR VEM | |
| includes | CLIP R COVER COMP M1.6 S4HPP16 | |
| includes 845757P | GROMMET COMPR MTG 26MM KIT | |
| includes 845758P | FILTER DRYER DUAL 5G | |
| 21 | 845758P | FILTER DRYER DUAL 5G |
| 22 | 843824P | GROMMET 26MM KIT |
| includes 841291 | POST COMP MTG 26MM PKT X4 | |
| incudes | GROMMET 26MM X4 | |
| includes 855270 | CLIP FOOT COMPRESSOR X 4 |

| REFERENCE | PART NUMBER | PART DESCRIPTION |
| 23 | 855270P | CLIP FOOT COMPRESSOR (PKT 4) |
| 24 | 841291P | POST COMP MTG 26MM PKT X4 |
| 25 | 207419 | CLIP R COVER COMP M1.6 S4HPP16 |
| 26 | 207310 | COVER PROTECTOR VEM |
| 27 | 207421 | INVERTER VESF9C 230V PFC FA |
| 28 | 849714 | BRACKET INVERTER MOLEX CONN |
| 29 | 842765 | HARNESS INVERTER EMB RS |
| 30 | 846708 | HARNESS EARTH PLINTH |
| 31 | 556082P | SCREW ST M4X12 XTITE HXW PKT10 |
| 32 | 846709 | HARNESS REF VALVE SNSR RS |
| 33 | 846483 | MOUNTING PLATE KICK STRIP 24 |
| 34 | 866753 | KIT TOEKICK MAGNET (4 SETS) |
| Includes | SCREW WS 8X5/8 TWINFST | |
| Includes | MAGNET TOEKICK 36X7MM | |
| 35 | 845432P | SCREW M5X12MUSH PH MT ST PKT10 |
| 36 | 847373 | GRILLE FIXED ASSEMBLY RS24 LH |
| includes 843298 | COVER FILTER GRILLE | |
| 37 | 843298 | COVER FILTER GRILLE |
| 38 | 847542 | GRILLE MOVING ASSY RS24 |
| 39 | 846405 | BLOCKER AIR BYPASS KICKSTRIP |
| 40 | 846490 | TUBE DISCHARGE RS24 |
| 41 | 842018 | BRACKET KICK STRIP ADJUSTING |
| 42 | 845740P | CLIP HARNESS HT 151-000367 |
| 43 | 843453P | WASHER FLAT M6X12X1.2 PKT10 |
| 44 | 847984P | SCREW CAP M5X20 NZ PKT10 |
| 45 | 845859 | DRAIN PLINTH |
| 46 | 841476 | TRAY WATER EVAP COLUMNS |
| 47 | 845860 | DRAIN TUBE PLINTH UPPER RS24 |
| 48 | 849237P | SCREW AB #8X13 HEX PH PKT10 |
| 49 | 842085 | PLINTH SUPPORT RAIL ASSY |
| 50 | 843475 | ROD BK LEVELLING |
| 51 | 843478 | PLINTH SUPPORT RAIL ASSY BK |
SINGLE INSTALLATION COMPONENTS

| REFERENCE | PART NUMBER | PART DESCRIPTION |
| 1 | 847792P | DUAL LOCK VELCRO TAB 25X50MM P |
| 2 | 848193 | TRIM ALCOVE SIDE ASSY |
| includes 847792 | DUAL LOCK VELCRO TAB 25X50MM | |
| 3 | 843934 | BRACKET ANTI TIP ASSY |
| includes | SCREW 10-12 X 35 WAFER PH ZN | |
| includes | PLUG MASONRY SP630#10X30MM | |
| NI | 847677 | KIT INSTALLATION RS |
| includes 848191 | KIT BRACKET PANEL ATTACH | |
| includes | BRACKET SIDE SKIN PC 890 | |
| includes | BRACKET SLIDER DR SKIN | |
| includes | SPACER BRACKET DR SIDE | |
| includes 843662 | BOLT LIMITING HINGE K05 | |
| includes 843934 | BRACKET ANTI TIP ASSY | |
| includes | SCREW 10-12 X 35 WAFER PH ZN | |
| includes | PLUG MASONRY SP630#10X30MM | |
| includes 848192 | KIT INSTALL FASTENERS | |
| includes | SCREW TWINTHREAD 8GX19 | |
| includes | GAUGE ALIGNMENT DEPTH CABINET | |
| includes | PLUG BARBED | |
| includes 847957 | CAP FLOW DIVIDER | |
| NI | 848191 | KIT BRACKET PANEL ATTACH |
| NI | 840371P | SCREW 8GX16 MUSH WASH (PKT10) |
| NI | 843662 | BOLT LIMITING HINGE K05 |
| NI | 848192 | KIT INSTALL FASTENERS |
| NI | 848188P | KIT HINGE CHANGE RS24 LH TO RH |
| includes | BRACKET HINGE LOWER RIGHT | |
| includes | BRACKET ADAPT K05 BTM RH | |
| includes | BRACKET ADAPT COL K05 RH | |
| includes | POCKET HINGE TOP RH | |
| includes | BRACKET ALCOVE TOP RH |
DOUBLE INSTALLATION COMPONENTS

| REFERENCE | PART NUMBER | PART DESCRIPTION |
| 1 | 847792P | DUAL LOCK VELCRO TAB 25X50MM P |
| 2 | 848193 | TRIM ALCOVE SIDE ASSY |
| includes 847792 | DUAL LOCK VELCRO TAB 25X50MM | |
| 3 | 848309 | TRIM MIDDLE INSTALL DUAL ASSY |
| includes 847792 | DUAL LOCK VELCRO TAB 25X50MM | |
| 4 | 848311 | KIT BRACKET JOINER TOP |
| includes | BRACKET JOINER TOP ASSY | |
| includes | SCREW 8GX16 MUSH WASHER HD | |
| 5 | 840371P | SCREW 8GX16 MUSH WASH (PKT10) |
| 6 | 848312 | KIT FASTENER JOINER BOTTOM |
| includes | WASHER PLASTIC M6X12X3.2 | |
| includes | SCREW WSH M6X16 | |
| includes | NUT M6 HEX 10AF FS MS ZNPL | |
| 7 | 843934 | BRACKET ANTI TIP ASSY |
| includes | SCREW 10-12 X 35 WAFER PH ZN | |
| includes | PLUG MASONRY SP630#10X30MM | |
| NI | 847677 | KIT INSTALLATION RS |
| includes 848191 | KIT BRACKET PANEL ATTACH | |
| includes | BRACKET SIDE SKIN PC 890 | |
| includes | BRACKET SLIDER DR SKIN | |
| includes | SPACER BRACKET DR SIDE | |
| includes 843662 | BOLT LIMITING HINGE K05 | |
| includes 843934 | BRACKET ANTI TIP ASSY | |
| includes | SCREW 10-12 X 35 WAFER PH ZN | |
| includes | PLUG MASONRY SP630#10X30MM | |
| includes 848192 | KIT INSTALL FASTENERS | |
| includes | SCREW TWINTHREAD 8GX19 | |
| includes | GAUGE ALIGNMENT DEPTH CABINET | |
| includes | PLUG BARBED | |
| includes 847957 | CAP FLOW DIVIDER | |
| NI | 848313 | KIT FASTENER JOINER TOP |
| includes | WASHER PLAIN M5X16 ZNPL | |
| includes | SCREW CAP M5X20 NZ | |

| REFERENCE | PART NUMBER | PART DESCRIPTION |
| NI | 848191 | KIT BRACKET PANEL ATTACH |
| includes | BRACKET SIDE SKIN PC 890 | |
| includes | BRACKET SLIDER DR SKIN | |
| includes | SCREW 8GX16 MUSH WASHER HD | |
| includes | SPACER BRACKET DR SIDE | |
| NI | 847984P | SCREW CAP M5X20 NZ PKT10 |
| NI | 843662 | BOLT LIMITING HINGE K05 |
| NI | 848192 | KIT INSTALL FASTENERS |
| NI | 848188P | KIT HINGE CHANGE RS24 LH TO RH |
| includes | BRACKET HINGE LOWER RIGHT | |
| includes | BRACKET ADAPT K05 BTM RH | |
| includes | BRACKET ADAPT COL K05 RH | |
| includes | POCKET HINGE TOP RH | |
| includes | BRACKET ALCOVE TOP RH |
STABILITY COMPONENTS

| REFERENCE | PART NUMBER | PART DESCRIPTION |
| 1 | 847164P | KIT BRACE ANIT TIP |
| Includes | BRACE ANTI TIP RH | |
| Includes | BRACE ANTI TIP LH | |
| Includes | SCREW AB #8X13 HEX PH X 10 |
Fisher & Paykel Appliances 2021. All rights reserved. The models shown in this guide may not be available in all markets and are subject to change at any time. The product specifications in this guide apply to the specific products and models described at the date of issue. Under our policy of continuous product improvement, these specifications may change at any time. For current details about model and specification availability in your country, please go to our website or contact your local Fisher & Paykel dealer.
























