frigicoll FRIMB-FA2 Console Multifunction Board

Thank you very much for purchasing our product.
Before using your product, please read this manual carefully and keep it for future reference.
The explanation of ports on multifunction board
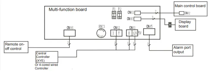
- A) Multi-function board scheme

- B) Available ports and switches

- Rotary switch ENC3 and Dip-switch F1 is for Net address setting;
- Dip switch F2 is for On-off setting
- C) F2 port on multi function board
| Picture | Dip- switch 1 | Dip- switch 2 | ON-OFF port | Unit’s Operation |
![]() |
ON |
ON | • ON-OFF port works as an ON/OFF button. • By connecting the port,’OFF’ signal is sent to switch off the unit. You can switch on the unit with remote controller. • By disconnecting the port, ‘ON’ signal is send to switch on the unit. You can switch off the unit with remote controller. | Restart with auto mode,24°C |
![]() |
ON |
OFF | • ON-OFF port works as an ON/OFF button. • By disconnecting the port, ‘OFF’ signal is sent to switch off the unit. You can switch on the unit with remote controller. • By connecting the port, ‘ON’ signal is send to switch on the unit.. You can switch off the unit with remote controller. | Restart with auto mode,24°C |
![]() |
OFF |
OFF | • When ON-OFF port is connected, unit shows CP and can’t work. And you can not control the unit with remote controller. • When ON-OFF port is disconnected, unit works normally. And you can control the unit with remote controller. | Restart with previous setting |
![]() |
OFF |
ON | • When ON-OFF port is connected, unit works normally. And you can control the unit with remote controller. • When ON-OFF port is disconnected, unit shows CP and can’t work. And you can not control the unit with remote controller. | Restart with previous setting |
Installation
A) Installation position
- The multifunction plate is installed in the front, it is only necessary to lift the front panel of the machine:

- Remove the screws and lift the protective cover from its position:

B) Connection

Aditional notes
Note:
Multi function board is compatible with wifi function and basic 4-wired controller at the same time, because wifi port and wired controller ports are connected to different sockets on the display board.

























