groen NGB-3E Steam Boilers

IMPORTANT – READ FIRST – IMPORTANT
- THE UNIT MUST BE INSTALLED BY PERSONNEL QUALIFIED TO WORK WITH GAS, ELECTRICITY AND PLUMBING.
- IMPROPER INSTALLATION CAN CAUSE INJURY TO PERSONNEL AND/OR DAMAGE TO THE EQUIPMENT.
- THE UNIT MUST BE INSTALLED IN ACCORDANCE WITH APPLICABLE CODES.
- LEVEL THE UNIT BEFORE USE. IT MAY BE PITCHED SLIGHTLY TO THE REAR.
- AN ELECTRICAL GROUND IS REQUIRED.
- DO NOT LOCATE THE BOILER CABINET DIRECTLY OVER A FLOOR DRAIN OR FLOOR SINK. HUMIDITY OR WATER FROM
- A DRAIN WILL DAMAGE ELECTRICAL PARTS OF THE UNIT.
- TO AVOID DAMAGE OR INJURY, FOLLOW THE WIRING DIAGRAM EXACTLY WHEN CONNECTING A UNIT.
- DO NOT USE PLASTIC PIPE. DRAIN MUST BE RATED FOR STEAM AND BOILING WATER.
- DO NOT CONNECT THE DRAIN DIRECTLY TO A BUILDING DRAIN.
- BLOCKING THE DRAIN MAY BE HAZARDOUS.
- IMPROPER DRAIN CONNECTION WILL VOID WARRANTY.
- ALLOW COOKING CHAMBERS TO COOL BEFORE CLEANING.
- CAREFULLY READ THE WARNINGS AND FOLLOW
- THE DIRECTIONS ON THE LABEL OF EACH CLEANING AGENT. USE SAFETY GLASSES AND RUBBER GLOVES AS RECOMMENDED BY DELIMING AGENT MANUFACTURER.
- DO NOT MIX DE-LIMING AGENTS (ACID) AND DE-GREASERS (ALKALI) IN THE STEAM GENERATOR OR ON THE COOKING CHAMBER WALLS.
- DO NOT USE A CLEANING OR DE-LIMING AGENT THAT CONTAINS ANY SULFAMIC ACID OR ANY CHLORIDE, INCLUDING HYDROCHLORIC ACID (HCL). IF THE CHLORIDE CONTENT OF ANY PRODUCT IS UNCLEAR, CONSULT THE MANUFACTURER.
- DO NOT USE A DE-GREASER THAT CONTAINS POTASSIUM HYDROXIDE OR SODIUM HYDROXIDE OR THAT IS HIGHLY ALKALINE.
- USE OF ANY REPLACEMENT PARTS OTHER THAN THOSE SUPPLIED BY THE MANUFACTURER OR THEIR AUTHORIZED DISTRIBUTOR VOIDS ALL WARRANTIES AND CAN CAUSE BODILY INJURY TO THE OPERATOR AND DAMAGE THE EQUIPMENT. SERVICE PERFORMED BY OTHER THAN FACTORY-AUTHORIZED PERSONNEL WILL VOID ALL WARRANTIES.
- HIGH VOLTAGE EXISTS INSIDE CONTROL COMPARTMENTS. DISCONNECT POWER SOURCE BEFORE SERVICING. FAILURE TO DO SO CAN RESULT IN SERIOUS INJURY OR DEATH.
- DO NOT EXPOSE SKIN TO ESCAPING STEAM. SEVERE BURNS CAN RESULT.
- MAKING ANY ELECTRICAL OR MECHANICAL CHANGE IN THE UNIT WITHOUT PRIOR WRITTEN APPROVAL FROM
- ENGINEERING WILL VOID ALL WARRANTIES.
- ALL POTENTIAL USERS OF THE EQUIPMENT SHOULD
- BE TRAINED IN SAFE AND CORRECT OPERATING PROCEDURES.
- DO NOT OPERATE THE UNIT UNLESS ALL REMOVABLE PANELS (RIGHT, LEFT, FRONT AND REAR) HAVE BEEN PROPERLY INSTALLED.
WARRANTY
Congratulations on the purchase of your new Unified Brands equipment. We hope you enjoy many years of reliable service in connection with the same. Please review all of the important safety and operational information contained in the Operator’s Manual for this equipment before it is placed in service. If you have any questions related to equipment set up, operations, or service, please call 888-994-7636.
In addition, please review the sales terms and conditions set forth below.
*****IMPORTANT NOTICE*****
WARRANTIES, LIMITATIONS ON WARRANTIES, AND LIMITATION OF REMEDIES
The following Warranties, Limitation on Warranties, and Limitation of Remedies are included in the terms of sale for this product. Please read this entire warranty and all warranty modifications, disclaimers, and limitations of remedies set forth herein before accepting or using this equipment or product. Customer acknowledges and accepts the provisions of this notice by Customer’s acceptance and use of the product. If these provisions are not acceptable and agreed to by Customer, then please return this product in its unused condition to Unified Brands or a Unified Brands authorized dealer.
UNIFIED BRANDS warrants this product against defects in material and workmanship under normal use and services for which this product was designed. This warranty runs only to the original end user and is in lieu of any other liability for defects. THE WARRANTIES EXPRESSED IN THESE TERMS AND CONDITIONS ARE IN PLACE OF ANY AND ALL OTHER EXPRESS WARRANTIES (UNLESS SEPARATELY STATED IN PRINTED MATERIAL PREPARED BY US DESCRIBING OUR EQUIPMENT) AND EXCLUDE ALL IMPLIED WARRANTIES, INCLUDING, BUT NOT LIMITED TO, ANY WARRANTY OF MERCHANTABILITY OR FITNESS FOR ANY PARTICULAR PURPOSE; NOR ARE THERE ANY OTHER WARRANTIES, EXPRESS OR IMPLIED, BY OPERATION OF LAW OR OTHERWISE. In no event shall UNIFIED BRANDS be liable for damages or delay or for any consequential, special or contingent damages arising out of any breach of our warranty, whether or not we have knowledge of specific needs or our employees or agents have given any specific assurances. Anyone claiming that there has been a breach of warranty by UNIFIED BRANDS must give us written notice within THIRTY (30) days after discovery of the relevant defect or the right to assert such claim will have been waived conclusively and provided further that any such claim must also be asserted within the general warranty period for such equipment and/or parts.
UNIFIED BRANDS will not be liable for any expense incurred without our prior written authorization for alterations made outside of our factory or for repairs which are not performed by UNIFIED BRANDS authorized service departments using UNIFIED BRANDS factory parts. Nor shall we be responsible for the performance of equipment as to which any repairs, revisions or alterations have been made by others.
THE EXCLUSIVE REMEDY OF THE USER OR BUYER AND THE EXCLUSIVE LIABILITY OF UNIFIED BRANDS OR ANY SELLER OF UNIFIED BRANDS PRODUCTS, FOR ANY AND ALL CLAIMS, LOSSES, INJURIES, OR DAMAGES (INCLUDING CLAIMS BASED ON BREACH OF WARRANTY, CONTRACT, NEGLIGENCE, TORT, STRICT LIABILITY, OR OTHERWISE) RESULTING FROM OR ARISING OUT OF THE USE OF HANDLING OF THIS PRODUCT, SHALL BE THE RETURN OF THE PURCHASE PRICE OR AN AMOUNT NOT TO EXCEED THE ORIGINAL PURCHASE PRICE OF THE PRODUCT OR, AT THE ELECTION OF UNIFIED BRANDS OR THE SELLER, THE REPLACEMENT OF THE PRODUCT.
Equipment Description

Groen NGB-3E and CNGB-24 steam boilers generate low pressure steam for use with HyPlus cabinet mounted steamers and steam jacketed kettles. Both models
use a spark ignition system. The boiler is housed in a stainless steel cabinet. Various combinations of steam-operated kettles and steamers can be mounted on the top. The boiler is small enough to fit in a 24-1/8” wide by 34-3/16” deep by 29-3/16” tall (maximum) cabinet.
The boiler is constructed of 1/4” thick steel, which is certified by the American Society of Mechanical Engineers (ASME) for pressure vessels. All welds are hydrostatically tested. The boiler is also equipped with required instruments, fittings, and
controls per CSD-1 (Controls and Safety Devices for automatically fired boilers).
Heat transfer fins inside the combustion chamber add to the unit’s high efficiency. Both units are rated as 60% efficient or better, with a firing rate of 200,000 BTU per hour using natural or propane gas. Energy output is 120,000 BTU per hour, with an effective boiler horsepower of 3.7.
Water Quality & Treatment
Water quality varies from state to state and city to city. It is necessary that you know and understand the quality of the water you are using. Your water utility can tell you about the minerals and chemicals in your water. The water going to the steam generator should be within these guidelines.
WATER QUALITY REQUIREMENTS:
- Containment Water Supply
- pH 7 to 9
- Total Dissolved Solids (TDS) 30 to 60 ppm
- Hardness less than 60 ppm
- Chlorine and Chloramine less than .1 ppm
- Chlorides less than 30 ppm
- Silica less than 12 ppm
- Undissolved Solids less than 5 microns
In order to accurately choose the correct water treatment solution, a water quality test has to be performed. If a “Free Start-up” is requested, the ASA will perform a water quality test and Unified Brands (UB) will be able to suggest the best solution for your water quality. If it isn’t, your local manufacturing representative can coordinate this for you.
After the “Free Start-up” is performed, UB will add an additional 1-year parts and labor warranty. If UB suggests a water treatment system, the system is purchased from UB, installed and maintained, water related service issues will be covered for the duration of the warranty period.
Installation
WHEN THE UNIT IS RECEIVED, IMMEDIATELY INSPECT IT FOR EXTERNAL OR INTERNAL DAMAGE. REPORT ANY DAMAGE TO THE FREIGHT CARRIER.
After inspection, keep the unit in its shipping container until it is installed. It can be installed on combustible and non-combustible floors. Minimum clearances are:
- Right Side 2 inches
- Left Side 4 inches
- Rear 6 inches
In order to service the unit properly, access with at least 24 inches clearance is needed on the right side.
Install the unit in a well-vented room so that there is an adequate air supply. Since products of combustion come out of its flue, the appliance must be located under a ventilation hood. Do not directly vent the flue.
Level the unit front to rear and left to right by adjusting its legs. Levelness may be checked by using a spirit level on top of the cabinet.
A free flow of air around the boiler promotes efficient operation. Items which might restrict air flow must be removed. After installation, do not obstruct the flue, or any front, side, rear or top vents. Similarly, keep the area directly around the appliance clear of combustible material.
Installation must conform with local codes, or in the absence of local codes, with the National Fuel Gas Code, ANSI Z223.1 (latest edition, including the following paragraph:
“The unit and its individual shut-off valve must be disconnected from the gas supply piping system during any pressure testing of that system at test pressures in excess of 1⁄2 PSI (3.45 kPA). The unit must be isolated from the gas piping system by closing its individual manual shut-off valve during any pressure testing of the gas supply piping system at test pressures equal to or less than 1⁄2 PSI (3.45 kPA).”
- Gas Supply Connection
- Connection to the gas supply can be completed with 1/2” NPT pipe
or approved equivalent. Although this is the diameter for immediate connection to the unit, gas supply piping must be large enough to provide volumes and pressure sufficient for 200,000 BTU per hour. Supply pressure must be at least 5.0” W.C. (14.0” W.C. maximum) for natural gas or 11.0 W.C. (14.0” W.C. maximum) for propane. - In Canada, the installation must conform to the Canada Gas Code, CAN
1- B149 (Installation Codes for Gas Burning Appliances and Equipment), and/or local codes. - After the unit has been connected to the gas supply, check piping joints for leaks. Do NOT use flame to check for leaks. A thick soap solution or other suitable leak detector should be used.
- Connection to the gas supply can be completed with 1/2” NPT pipe
- Electrical Supply Connection
- The maximum electrical load is 4 AMP. You must provide 115 Volt Alternating Current, 60 Hz, 1PH, 15 AMP service. Local codes and/or the National Electrical Code should be followed (ANSI/NFPA-70-1987 – or latest edition). AN ELECTRICAL GROUND IS REQUIRED.
- Copies of the electrical schematic are located in the electrical enclosure on the equipment and in this manual. In Canada, electrical service must comply with the Canadian Electrical Code, CSA C22.1, Part 1, and/or local codes.

- Water Connection
- Cold water is supplied via a 1/2” NPT pipe connection at the rear of the unit. A check valve (back siphonage device) must be installed in accord with local plumbing codes.
- Water pressure should be between 30 and 60 PSI. If it is over 60 PSI, a pressure regulator is required. A strainer screen at the connection is also recommended, to trap any debris before it can enter the system.
- The boiler uses a maximum of 12.9 gallons of water per hour. Piping should be sized to handle total water consumption.
- Drain Connection
- The drain connection is made at the rear of the unit with 1 – 1/4” NPT pipe. DO NOT USE PLASTIC PIPE. DRAIN PIPING MUST WITHSTAND STEAM AND BOILING WATER. Extend the drain piping to a nearby
floor drain. Piping of 1 – 1/4” NPT (or 1 – 1/2” NPT) is acceptable for distances of six feet or less. If the distance to the drain is further than six feet, use 2” NPT piping. - The drain line must be installed with a constant downward pitch. Do not permit any water traps in the line. DO NOT CONNECT THE LINE DIRECTLY TO ANY BUILDING DRAIN. A vertical air gap of at least two inches must be maintained between the drain line and the building drain unless otherwise specified by local plumbing codes.
- The drain connection is made at the rear of the unit with 1 – 1/4” NPT pipe. DO NOT USE PLASTIC PIPE. DRAIN PIPING MUST WITHSTAND STEAM AND BOILING WATER. Extend the drain piping to a nearby
Initial Start-Up
After the unit has been installed, test it to ensure that it is operating properly.
- Remove literature and packing material from the interior and exterior of the unit.
- Make certain the water supply is turned on.
- Turn on electrical power to the unit.
- Make sure the gas supply line is open, and turn on the gas valve.
Turn the knob on the gas valve to the “ON” position.
NOTE: The “trial for ignition” period is approximately 90 seconds after the on/off switch is turned to the “ON” position. (Refer to the Control Panel illustration in the Operation Section).
During initial start-up several trials may be necessary to remove air from the gas piping. Subsequent start-ups should only need about five seconds for the pilot to light. If the pilot burner does not light within the trial period, the ignition system will automatically stop gas flow to the pilot burner, and terminate the ignition trial. If this happens, turn the switch to “OFF” and then “ON” again, to repeat the trial for ignition. - Turn the on/off switch on the cabinet front panel to the “ON” position:
- The amber light in the switch will come on
- The boiler drain valve will close
- The unit will fill with water
- After about 15 minutes, the pressure on the gauge will rise. When the pressure reaches 9- 1/2 PSI, the main burner will turn off. Thereafter, as pressure decreases, the burner will automatically re-light to maintain the 9-1/2 PSI level. The pilot burner should stay lit, even though the main burner cycles on and off.
- To shut the unit down, turn the on/off switch to OFF. When it has cooled to approximately 170ºF, the boiler will automatically drain.
The pilot is off when the on/off switch is OFF.
If the boiler functions as described above, it is ready for use. If it does not, contact your authorized Service Agent.
Operation
- Controls
Operating controls are located on the front panel of the unit.- The on/off switch starts the unit or shuts it off.
- The RESET indicator lights to show that the boiler has filled with water and that the main burners can ignite.
- The start switch (momentary) lights the main burners. It also restarts the unit if electrical power is interrupted, or if a low water condition in the boiler disables the unit.
- In addition to operating these controls, there are gas supply controls located on the gas valve.
- Operating Procedure
- Turn on the water supply to the unit.
- Turn on electrical power to the unit.
- Turn on the gas supply to the unit, and turn on the gas valve. Turn the control knob .on the gas valve to the “ON” position.
NOTE: The “ignition trial” period runs for approximately 90 seconds after the on/off switch is turned ON. This means that if the pilot light does not light within the “trial” period, the ignition system will automatically stop the gas flow and terminate the ignition trial. If ignition is terminated, turn the switch off and then “ON” again to repeat the trial. Normally, the pilot should light within five seconds of turning on the unit. - Turn the on/off switch on the front of the cabinet to “ON.”
- The amber light will come on.
- The boiler drain valve will close and the unit will fill with water.
- When the water reaches the “mid” probe, the red RESET light will come on.
- Press the start switch.
- The green light in the switch will come on, the RESET light will go off, and the main burner will light.
- When the water level reaches the “hi” probe, the water supply to the boiler will shut off.
- After about 15 minutes, the pressure gauge will indicate that the pressure is rising. When it reaches 9-1/2 PSI, the main burner will shut off. Thereafter, the burner will periodically relight to maintain the pressure at 9-1/2 PSI. The pilot light should stay lit when the burner is off.
- To shut down the unit, turn the on/off switch to OFF. The unit will drain automatically after it has cooled to about 170ºF. The unit turns off the pilot light when the on/off switch is turned to OFF.
Sequence of Operation
When electrical power is turned on to the unit, the following happens:
- The drain valve closes
- The water valve opens
- The unit fills with water
As the boiler fills, the water is detected by two probes. The first of these is the “mid” probe, which activates the RESET light. The second (“hi” probe) is reached when the boiler is full, and shuts off the water supply. As the water supply drops below this probe, the water supply opens until it is again reached.
The gas valve has a step-opening feature. When the control calls for the main burner to light, the outlet pressure of the valve is maintained at a preset (non-adjustable) rate for several seconds, before full rated pressure is allowed to develop.
Once the main burner shuts down, step-opening gas valves need at least 60 seconds to reset. If an attempt to re-light the burner is made before these valves reset, it may bypass or shorten the length of the low pressure step, and could re-light the main burner under full flow rate.
A thermostatically-controlled air vent remains open while the boiler fills. As steam begins to develop, this vent will close. Some steam may escape from this vent before it is fully closed (at approximately 200ºF).
Once the pressure has reached 9-1/2 PSI, the main burner will be shut off by an operating pressure switch. Residual heat stored in the boiler’s heat exchanger can, however, cause the pressure to continue to build, even after the burner has shut down. This is especially true when the unit is heated for the first time.
If/when the pressure reaches 12 PSI, a relief valve will open to prevent pressure from increasing past 12 PSI. As pressure decreases, the main burner will automatically re-light to maintain 9-1/2 PSI.
Even if something causes the pressure to pass 12PSI, a high-limit safety switch will shut down the boiler electrically when it reaches 14-1/2 PSI. If this happens, the unit should not be re-started until the problem which caused the shut-down has been corrected.
As an additional safety measure, the unit is equipped with an A.S.M.E.-certified safety valve which will open to relieve excess pressure at 15 PSI. The ability of this valve to discharge steam pressure is greater than the boiler’s ability to generate steam.
When electrical power is turned off, the gas valve automatically shuts off flow to the main gas burner.
A thermostatic switch (mounted on the boiler shell) keeps the drain valve closed until the temperature drops to approximately 170ºF.
At that point, the thermostatic switch opens and water drains from the boiler. A vacuum breaker allows air to enter the boiler for this purpose.
Cleaning
Whenever the boiler is turned off and allowed to cool to about 170ºF, it drains automatically. This should be done every day to minimize scale buildup inside the boiler.
In addition to this draining, however, the following cleaning procedure should be followed using a regular schedule. This will prevent the accumulation of lime on the water level probes and interior surfaces of the boiler. The actual time between these scheduled cleanings depends on the water quality and hours of operation. Minimally, Groen recommends cleaning the boiler at least once each month.
- A. Suggested Tools
- 1/2” hardened square wrench extension
- Pipe Joint compound (approved for 300ºF steam)
- 32 oz. Groen Delimer Descaler (PN 114800), or equivalent
- Groen Spray Degreaser (PN 114801), or equivalent
- Nylon pad(s)
- Procedure
- Turn the boiler on/off switch to the OFF position.
- Slowly open the manual drain valve to empty the boiler. The valve is located under the boiler.
- Close the manual drain valve.
- Turn off water supply to the boiler.
- Allow the boiler to cool. This takes several hours, so it is recommended that you cool the boiler overnight.
- Turn on/off switch to “ON” to close the automatic drain valve.
- Using a 1/2” hardened square wrench extension, remove one of the 1” NPT pipe plugs from the front of the boiler.
- Pour 32 ounces of de-limer into the boiler.
- Replace the pipe plug. Use pipe joint compound, and tighten the plug securely.
- Turn on water supply to allow water to fill the boiler.
- When the reset light appears, press the START switch.
- Allow boiler pressure to develop. Let it stand for approximately 15 minutes after pressure has built up. A badly limed unit may require more than 15 minutes.
If there are no steamer cavities or compartments with this boiler, proceed to step 19. - Set steamer timers for 10 minutes.
- When steamer timers sound, turn them to OFF and open the doors.
- When the fans have stopped, remove fan baffle partitions using protective gloves, and rinse with clean water.
- Completely wipe out steamer chambers using a degreaser and nylon pad, if necessary. Rinse thoroughly with clean water.
- Replace fan baffle partitions.
- Wait 10 minutes for the compartments to air dry, then close the steamer doors.
- Turn the on/off switch OFF, and slowly open the manual drain valve.
- When the boiler has drained completely, close the manual drain valve and turn the on/off switch to “ON” to fill the boiler with water.
- After the RESET light comes on, press the start switch.
- Allow boiler pressure to develop If steamers are not present, proceed to step 25.
- Set steamer timers for 10 minutes.
- When steamer signal sounds, turn timers off.
- If the boiler is not to be used, it may be turned off. It is ready for normal operation.
Maintenance
Your boiler is designed to minimize maintenance, but certain parts may need to
be replaced after prolonged use. For the most part, no user adjustments should be necessary. If a need for service arises, only Authorized Representatives should perform the work.
Among the most common problems is the rapid build-up of scale in the boiler. To avoid this, always supply water that has a low mineral content, which meets the standards described in the Water Quality section of this manual.
Periodic Inspection
The unit should be inspected by a qualified service technician at least once each year. The inspection should include electrical wires and connections, cleaning the inside of the control enclosure and pilot burner adjustment, if required.
At the back of this manual (with the information about our warranty) is a Maintenance and Service Log. Each time maintenance is performed on the unit, enter the date on which it was done, what was done, and who did it. Keep this log with the warranty.
In addition to yearly inspections by a qualified service technician, a weekly check of the following will help prevent down time and ensure continued efficient operation.
- Pressure gauge operation
- Proper water level (gauge)
- Strainer in water feed line (clear?)
- Air inlets for gas burner jets (clean?)
- Pilot burner flame (blue? Envelops sensor?)
- Drain piping (free running? No blockage?)
At least twice each month, check the safety valve to be sure it is working properly. When pressure reaches five PSI on the gauge, lift the lever to vent steam, then release it, allowing it to snap back into place.
Component Replacement
NGB-3E boilers are easy to service. The design is simple, and controls are readily accessible.
Before replacing any part, COMPLETELY SHUT OFF THE GAS AND ELECTRICAL POWER TO THE UNIT. When breaking (opening) a gas pipe connection, allow five minutes for gas to dissipate before proceeding.
When the pipes have been reconnected, check for leaks with a thick soap solution or other suitable leak detector. Do not use flame to check for gas leaks.
Troubleshooting
| SYMPTOM | WHO | WHAT TO CHECK |
| Boiler does not fill with water. | User | a. Is water supply connected and is water present? b. Is water pressure low (less than 30 PSI)? c. Is strainer screen (if used) clogged? d. Is on/off switch in base cabinet turned on? Is the amber light in the on/off switch “ON”? e. Is the manual drain valve open? |
| Authorized Service Rep Only | f. Is the Water Level Control Board defective? Check for loose electrical connections on water fill solenoid. (X) g. Is the water fill solenoid valve defective? (X) h. Is the solenoid drain valve open or leaking? Check for loose electrical connections on solenoid drain valve. (X) | |
| Boiler overfills with water. | User | a. Is the boiler level? Check levelness of unit with a spirit level. b. Is the water pressure too high? (Greater than 60 PSI?) |
| Authorized Service Rep Only | c. Is the Water Level Control Board defective? Check for loose electrical connections on “hi” water fill solenoid. (X) d. Is the water fill solenoid valve defective? (X) Check for debris on valve seat. e. Is the “hi” water probe sensing level? Clean water level probe and probe well (located in boiler). (X) | |
| Boiler under fills with water. | User | a. Is the boiler level? Check levelness of unit with a spirit level. |
| Water enters boiler slowly. | User | a. Is strainer screen (if used) clogged? b. Is the water pressure too low? (Less than 30 PSI)? c. Is the water supply line too small? |
| Authorized Service Rep Only | d. Is the water fill solenoid defective? (X) | |
| RESET light does not come on. | Authorized Service Rep Only | a. Is the Is the Water Level Control Board defective? Check for loose electrical connections on “mid” water fill solenoid. (X) b. Is the “mid” water probe sensing level? Clean water level probe and probe well (located in boiler). (X) c. Is the indicator light defective? (X) |
| Pilot burner will not light (spark ignition). | User | a. Is supply gas valve open? b. Is gas valve knob in the “ON” position? c. Is the boiler filled with water? Is the green light in the start switch “ON”? |
| Authorized Service Rep Only | d. Does the pilot flame require adjustment? Screw attachment on gas valve. (X) e. Is the gas valve defective? (X) | |
| Pilot burner will not stay lit. | Authorized Service Rep Only | a. Does the pilot flame require adjustment? Screw attachment on gas valve. (X) |
| Main burner will not light (spark ignition). | User | a. Is pilot burner lit? b. Is the boiler filled with water? Is the green light in the start switch “ON”? |
| Authorized Service Rep Only | c. Is the igniter-sensor defective? (X) d. Is the gas valve defective? (X) e. Is the spark ignition module defective? (X) | |
| Boiler does not build pressure with main burner lit. | User | a. Is the steam power take-off valve open or leaking? b. Is the pressure gauge defective? |
| Authorized Service Rep Only | c. Is the air vent leaking steam? (X) d. Is the solenoid or manual drain valve open or leaking? NOTE: Excessive make-up water added to the boiler reduces steam production. (X) e. Is the burner BTU output low? Check the gas pressure at the burner. Adjust at the gas valve, if necessary. (X) | |
| Main burner does not shut off after reaching operating pressure. | User | a. Is the pressure gauge defective? b. Is the gas valve defective? |
| Authorized Service Rep Only | c. Is the operating pressure switch defective? No adjustment is allowed. Replace the switch if defective. (X) | |
| Boiler builds pressure but shuts down. RESET light comes on. | User | a. Is the water level below the “mid” water level probe? Verify that the water supply is sufficient to maintain the water level at or above the “mid” water level probe. |
| Authorized Service Rep Only | b. Is the operating pressure switch defective? No adjustment is allowed. Replace the switch if defective. NOTE: If the high- limit pressure switch has shut down the unit, it should not be restarted until the problem which caused the shut-down has been corrected. (X) c. Is the “mid” water level probe unable to detect water? Clean the water level probe and probe well (located in the boiler). (X) | |
| Safety relief valve opens. | Authorized Service Rep Only | a. Are the operating pressure switch and/or high-limit pressure switch defective? No adjustment is allowed. Replace defective switches. (X) b. Is the safety relief valve defective? Replace with ASME approved 15 PSI valve with “HV” marking. (X) |
| Boiler blows down immediately when turned off. | Authorized Service Rep Only | a. Is the thermostatic switch defective? Check for loose electrical connections on switch. (X) |
| Boiler does not drain. | User | a. Is the thermostatic switch defective? b. Is the solenoid drain valve defective? c. Are the solenoid drain valve or hoses blocked? |
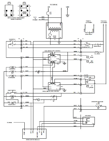
Do not operate the unit if it malfunctions or has damaged or broken parts. Steam boilers are designed to operate smoothly and ef-ficiently when maintained properly. However, the following is a list of checks to make if there is a problem. Electrical schematics are provided in this manual, and inside the unit electrical enclosure. IF THE ITEM ON THE LIST IS MARKED WITH (X), THE
WORK SHOULD ONLY BE DONE BY A FACTORY-AUTHORIZED SERVICE REPRESENTATIVE.
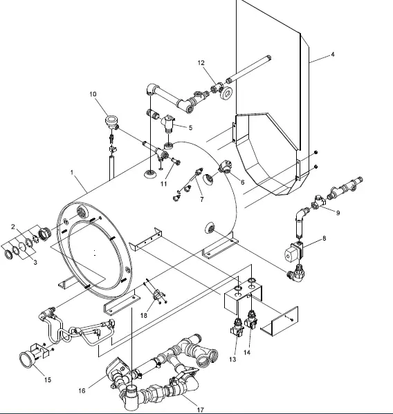
Parts List
NGB Burner & Gas Valve

| Key | Description | Part # |
| 1 | Baffle Plate | 083076 |
| 2 | Pilot Burner Mounting Bracket | 102257 |
| 3 | Pilot Burner W/ Spark Igniter-sensor | 102258 |
| 4 | Shield for Pilot Burner | 102260 |
| 5 | Flame Deflector (Single Loop) Holder for #640 | 056965 |
| 7a | Main Burner Assy 0-2000 Ft. Elev.(Incl. (29) Gas Jets W/ #54 Drill Dia Hole) For Natural Gas | 047267 |
| 7a | Main Burner Assy 0-2000 Ft. Elev.(Incl. (29) Gas Jets W/ #68 Drill Dia Hole) For Propane Gas | 050491 |
| 8 | Gas Valve (Spark Ignition) For Natural Gas | 101497 |
| 8 | Gas Valve (Spark Ignition) For Propane Gas | 104391 |
| 9 | Spark Ignition Module | 085153 |
| 10 | Ignition Cable | 106495 |
| 11 | Burner Mounting Bracket | 050490 |
| 12 | Kit, Spark Ignition Module (Included Bracket, Module and Cable) | 137312 |
Parts List NGB Boiler

| Key | Description | Part # |
| 1 | Boiler Weldment | MS98221 |
| 2 | Sight Glass Assembly | 121754 |
| 3 | Kit, Repair – Sight Glass | 097099 |
| 4 | Flue Assembly | 099217 |
| 5 | Safety Valve (15PSI) | 102297 |
| 6 | Pressure Relief Valve (12PSI) | 099228 |
| 7 | Water Level Probes (lo, med, hi) | 076526 |
| 8 | Solenoid Valve (Water-in) | 099220 |
| 9 | Check Valve | 004187 |
| 10 | Air Vent | 145167 |
| 11 | Vacuum Breaker | 090787 |
| 12 | Globe Valve 1/2”NPT | 099255 |
| 13 | Operating Pressure Switch-9½ PSI | 099222 |
| 14 | Hi-limit Pressure Switch-14½ PSI | 118255 |
| 15 | Pressure Gauge | 078000 |
| 16 | Solenoid Valve (Drain) | 074594 |
| 17 | Ball Valve (3/4” NPT) | 003436 |
| 18 | Thermostatic Switch | 077985 |
Parts List
NGB Electrical Controls

| Key | Description | Part # |
| 1 | Switch “On/off” | 088876 |
| 2 | Switch “Start” (Momentary) | 099290 |
| 3 | Indicator Light “Reset” | 099289 |
| 4 | Light, Indicator Amber | 116384 |
| 5 | Light, Indicator Red (2) | 116383 |
| 6 | Terminal Block, 2-Pole | 003887 |
| – | Bushing Snap 11/16” ID | 012864 |
| 7 | Circuit Board Support | 099292 |
| 8 | Water Level Control Board Assembly | 116016 |
| 9 | Lug, Ground 14-6 AWG | 119829 |
| 10 | Circuit Breaker | 119860 |
| 11 | Transformer, 75VAC | 121715 |
| 12 | Relay, DPDT 24VAC 30A | 121733 |
| 13 | Water Level Control Board Assembly | 122192 |
| – | Harness, Electrical Box | 130446 |
| 14 | Bracket, Circuit Breaker | 137254 |
| 15 | Electronic Cabinet, Weldment | 137257 |
Electrical Schematic





















