
OPERATOR MANUAL
IMPORTANT INFORMATION, KEEP FOR THE OPERATOR
SSB-3G Countertop Boilerless Convection Steamer
THIS MANUAL MUST BE RETAINED FOR FUTURE REFERENCE. READ, UNDERSTAND AND FOLLOW THE INSTRUCTIONS AND WARNINGS CONTAINED IN THIS MANUAL.
FOR YOUR SAFETY Instructions to be followed in the event user smells gas. This information shall be obtained by consulting your local gas supplier. As a minimum, turn off the gas and call your gas company and your authorized service agent. Evacuate all personnel from the area.
WARNING Improper installation, adjustment, alteration, service or maintenance can cause property damage, injury or death. Read the installation, operating and maintenance instructions thoroughly before installing or servicing this equipment.
NOTIFY CARRIER OF DAMAGE AT ONCE It is the responsibility of the consignee to inspect the container upon receipt of the same and to determine the possibility of any damage, including concealed damage. Unified Brands suggests that if you are suspicious of damage to make a notation on the delivery receipt. It will be the responsibility of the consignee to file a claim with the carrier. We recommend that you do so at once. Manufacture Service/Questions 888-994-7636.
EQUIPMENT DESCRIPTION
Your Groen SSB-3G/5G/10G or (2)SSB-3G/5G/10G SmartSteam100 Boilerless The steamer is designed to give years of service. It has a stainless steel cavity (cooking chamber) which is served by a gas-heated atmospheric steam-generating reservoir. A powerful blower circulates the steam in the cavity to increase heating efficiency.
Each cavity holds up to three, five or ten steam table pans (12” x 20” x 21/2” deep) as shown below.
PANS PER CAPACITY PER TYPE | ||||
| STEAMER | 12 x 20 x 2-1/2 (steamer) | 12 x 20 x 4 (steamer) | 13 x 18 (half-size bake) | 18 x 26 (bake) |
| SSB-3G | 3 | 2 | 0 | 0 |
| (2)SSB-3G | 6 | 4 | 0 | 0 |
| SSB-5G | 5 | 3 | 0 | 0 |
| (2)SSB-5G | 10 | 6 | 0 | 0 |
| SSB-10G | 10 | 6 | 20 | 10 |
| (2)SSB-10G | 20 | 12 | 40 | 20 |
PART NUMBER 145144, REV. Q (07/20)
This manual provides information for SSB-3G/5G/10G & (2)SSB-3G/5G/10G DOMESTIC SMARTSTEAM100™ BOILERLESS STEAMER
- Self Contained
- Gas Heated
- Capacity:
SSB-3G=3 Steamer Pans Per Cavity
SSB-5G=5 Steamer Pans Per Cavity
SSB-10G=10 Steamer Pans Per Cavity
REFERENCES
UNDERWRITERS LABORATORIES, INC.
333 Pfingsten Road
Northbrook, Illinois 60062-2096
NATIONAL FIRE PROTECTION ASSOCIATION 1 Batterymarch Park
Quincy, Massachusetts 02169-7471
NFPA/70 National Electrical Code
NFPA/ 54 National Fuel Gas Code
NSF INTERNATIONAL
789 N. Dixboro Rd.
P.O. Box 130140
Ann Arbor, Michigan 48105-9723
An 18-gauge stainless steel case encloses the cavity, the steam-generating reservoir and the control compartment that houses electrical components. Door hinges are field-reversible (the door may be set to open from the left or right). Operating controls are on the front panel.
The SSB- 3G/5G/10G steamers are equipped with electronic controls. These units are readily identified by their unique control panels. The steamer function is controlled by touchpad controls and a rotary timer dial. The drain system on all models includes a spray condenser, which cools drain water.
Information contained in this document is known to be current and accurate at the time of printing/creation. Unified Brands recommends referencing our product line websites, unifiedbrands.net, for the most updated product information and specifications. © 2020 Unified Brands. All Rights Reserved. Unified Brands is a wholly-owned subsidiary of Dover Corporation.
IMPORTANT – READ FIRST – IMPORTANT
WARNING: THE UNIT MUST BE INSTALLED BY PERSONNEL QUALIFIED TO WORK WITH ELECTRICITY AND PLUMBING. IMPROPER INSTALLATION CAN CAUSE INJURY TO PERSONNEL AND/OR DAMAGE TO THE EQUIPMENT. THE UNIT MUST BE INSTALLED IN ACCORDANCE WITH APPLICABLE CODES.
CAUTION: SHIPPING STRAPS ARE UNDER TENSION AND CAN SNAP BACK WHEN CUT.
CAUTION: DO NOT INSTALL THE UNIT IN ANY WAY WHICH WILL BLOCK THE REAR VENTS, OR WITHIN 2 INCHES OF A HEAT SOURCE SUCH AS A BRAISING PAN, DEEP FRYER, CHARBROILER OR KETTLE.
CAUTION: LEVEL THE UNIT FRONT TO BACK, AND PITCH IT SLIGHTLY TO THE FRONT, TO AVOID DRAINAGE PROBLEMS.
WARNING: FOLLOW THE WIRING DIAGRAM EXACTLY WHEN CONNECTING A UNIT TO AVOID DAMAGE OR INJURY. THE WIRING DIAGRAM IS LOCATED ON THE INSIDE OF THE RIGHT PANEL.
CAUTION: DO NOT USE PLASTIC PIPE. THE DRAIN MUST BE RATED FOR BOILING WATER.
WARNING: DO NOT CONNECT THE DRAIN DIRECTLY TO A BUILDING DRAIN.
WARNING: BLOCKING THE DRAIN IS HAZARDOUS.
IMPORTANT: IMPROPER DRAIN CONNECTION WILL VOID WARRANTY.
IMPORTANT: DO NOT ALLOW ANY WATER TRAPS IN THE DRAIN LINE. A TRAP CAN CAUSE PRESSURE BUILDS UP INSIDE THE CAVITY DURING STEAMING, WHICH WILL MAKE THE DOOR GASKET LEAK.
WARNING: WHEN YOU OPEN THE DOOR, STAY AWAY FROM STEAM COMING OUT OF THE UNIT. STEAM CAN CAUSE BURNS.
WARNING: BEFORE CLEANING THE OUTSIDE OF THE STEAMER, DISCONNECT THE ELECTRIC POWER SUPPLY. KEEP WATER AND CLEANING SOLUTIONS OUT OF CONTROLS AND ELECTRICAL COMPONENTS. NEVER HOSE OR STEAM CLEAN ANY PART OF THE UNIT.
WARNING: ALLOW THE COOKING CHAMBER TO COOL COMPLETELY BEFORE CLEANING.
WARNING: USE MILD CLEANING AGENTS ONLY. CAREFULLY READ THE WARNINGS AND FOLLOW THE DIRECTIONS ON THE LABEL OF EACH CLEANING AGENT. USE SAFETY GLASSES AND RUBBER GLOVES AS RECOMMENDED BY THE CLEANING AGENT MANUFACTURER.
WARNING: DO NOT PUT HANDS OR TOOLS INTO THE COOKING CHAMBER UNTIL THE FAN HAS STOPPED TURNING.
WARNING: DO NOT OPERATE THE UNIT UNLESS THE REMOVABLE RIGHT-SIDE PANEL HAS BEEN RETURNED TO ITS PROPER LOCATION.
NOTICE: DO NOT USE A CLEANING AGENT THAT CONTAINS ANY SULFAMIC ACID, OR ANY CHLORIDE, INCLUDING HYDROCHLORIC ACID. IF THE CHLORIDE CONTENT OF ANY PRODUCT IS UNCLEAR, CONSULT THE MANUFACTURER.
DO NOT USE A CLEANING OR DELIMING AGENT THAT CONTAINS MORE THAN 30% PHOSPHORIC ACID.
NOTICE: DO NOT USE ANY DEGREASER THAT CONTAINS POTASSIUM HYDROXIDE OR SODIUM HYDROXIDE OR THAT IS ALKALINE.
WARNING: USE OF ANY REPLACEMENT PARTS OTHER THAN THOSE SUPPLIED BY GROEN OR THEIR AUTHORIZED DISTRIBUTOR VOIDS ALL WARRANTIES AND CAN RESULT IN BODILY INJURY TO THE OPERATOR AND DAMAGE TO THE EQUIPMENT. SERVICE BY OTHER THAN FACTORY-AUTHORIZED PERSONNEL WILL VOID ALL WARRANTIES.
WARNING: HIGH VOLTAGE EXISTS INSIDE CONTROL COMPARTMENTS. DISCONNECT FROM THE BRANCH CIRCUIT BEFORE SERVICING. FAILURE TO DO SO CAN RESULT IN INJURY OR DEATH.
INSPECTION & UNPACKING
CAUTION: SHIPPING STRAPS ARE UNDER TENSION AND CAN SNAP BACK WHEN CUT.
Your Groen SmartSteam100 Boilerless Steamer will be delivered completely assembled in a heavy shipping carton strapped to a skid. On receipt, inspect carton carefully for exterior damage.
Carefully cut the straps and detach the sides of the carton from the skid. Pull the carton up off the unit. Be careful to avoid personal injury or equipment damage from staples which might be left in the carton walls. When starting installation, check packing materials to make sure loose parts such as the condensate drip tray are not discarded with this material. Write down the model number, serial number and installation date. Keep this information for reference. Space for these entries is provided at the top of the
Service Log in the back of this manual.
| STEAMER | Weight (LBS) | Weight (KGS) |
| SSB-3G Table Top | 240 | 109 |
| SSB-3G with Stand | 310 | 141 |
| (2)SSB-3G with Stand | 475 | 215 |
| SSB-5G Table Top | 272 | 123 |
| SSB-5G with Stand | 345 | 156 |
| (2)SSB-5G with Stand | 555 | 252 |
| SSB-10G with Stand | 452 | 205 |
| (2)SSB-10G with Stand | 764 | 347 |
INSTALLATION & START-UP
WARNING: THE UNIT MUST BE INSTALLED BY PERSONNEL WHO ARE QUALIFIED TO WORK WITH GAS, ELECTRICITY AND PLUMBING. IMPROPER INSTALLATION CAN CAUSE INJURY TO PERSONNEL AND/OR DAMAGE TO THE EQUIPMENT. 5THE UNIT MUST BE INSTALLED IN ACCORDANCE WITH APPLICABLE CODES. THE UNIT MUST BE INSTALLED BY A LICENSED PLUMBER OR GAS FITTER WHEN INSTALLED WITHIN THE COMMONWEALTH OF MASSACHUSETTS.
CAUTION: DO NOT INSTALL THE UNIT WITH THE REAR VENTS BLOCKED OR WITHIN 2 INCHES OF A HEAT SOURCE SUCH AS A BRAISING PAN, DEEP FAT FRYER, CHARBROILER OR KETTLE.
TO AVOID DRAINAGE PROBLEMS, LEVEL THE UNIT FRONT TO BACK, AND PITCH SLIGHTLY TO THE FRONT.
A. Installation
Minimum Clearances: SmartSteam100 Boilerless Steamer requires the following minimum clearances to any surface, combustible or noncombustible.
Right Side: 2 inches
Left Side: 2 inches Rear: 6 inches
Steam Free Zone: The SmartSteam100 Boilerless Steamer can be damaged by steam from external sources. Do not install the steamer over a steam venting drain. Ensure that steam is not present in an area bounded by the footprint ofthe steamer and a circle 18 inches in radius about the right rear corner of the steamer (see figure below).
Install and operate the gas appliance in a well ventilated area. Adequate air must be supplied to replenish the air used for combustion. Installation must conform with local codes and/ or with the Naitonal Fuel Gas Code, ANSI Z223.1/NFPA-54 (latest edition) or the National Gas and Propane Code CSA B149.1 as applicable. Any item which might obstruct or restrict the flow of air for combustion and ventilation must be removed. Do not obstruct the flue cover or rear vents after installation.
THE AREA DIRECTLY AROUND THE APPLIANCE MUST BE CLEARED OF ALL COMBUSTIBLE MATERIAL. FAILURE TO FOLLOW THESE INSTRUCTIONS CAN CAUSE BODILY INJURY AND/OR PROPERTY DAMAGE.
The steamer must be disconnected from the gas supply system during any pressure testing of that system which has test pressures in excess of 1/2 PSI (3.45 kPa).
B. Electrical Supply Connection
Provide 115 VAC, 60 HZ, 1 PH, 15 AMP service. Bring wire in through hole in the lower left back panel. Each cavity requires a separate cord for connections.
Local codes and/or the National Electrical Code should be observed in accordance with ANSI/NFPA 70. AN ELECTRICAL GROUND IS REQUIRED. The wiring diagram is located in the service compartment and in this manual. Maximum load is 2-1/2 AMPs. In Canada, provide electrical service in accordance with the Canadian Electrical Code, CSA C22.2 Part 1 and/or local codes.
C. Gas Supply Connection
Connection to the gas supply shall be in accordance with the chart below.
| STEAMER | NPT Pipe Size Required |
| SSB-3G | 1/2 |
| (2)SSB-3G | 1/2 x 2 |
| SSB-5G | 2/2 |
| (2)SSB-5G | 1/2 x 2 |
| SSB-10G | 2/2 |
| (2)SSB-10G | 1/2 x 2 |
RATINGS FOR GAS SMARTSTEAM100 | ||||
| BTU | Operating Pressure (Measured on top of gas valve) | MIN Incoming Gas Feed Rate | MAX Incoming Gas Feed Rate | |
| 3G NG | 54,000 | 4.3” WC | 5” WC | 4.3” WC |
| 3G LP | 54,000 | 10.5” WC | 12” WC | 10.5” WC |
| 5G NG | 58,000 | 4.3” WC | 5” WC | 4.3” WC |
| 5G LP | 58,000 | 10.5” WC | 12” WC | 10.5” WC |
| 10G NG | 100,000 | 4.3” WC | 5” WC | 4.3” WC |
| 10G LP | 100,000 | 10.5” WC | 12” WC | 10.5” WC |
In Canada, the installation must conform to the Canadian Gas Code, CAN 1-B149, Installation Codes for Gas Burning Appliances and Equipment and/or local codes.
After the unit has been connected to the gas supply, all gas joints must be checked for leaks. Do NOT use flame checking for leaks. A thick soap solution or other suitable leak detector should be used.
For a Unit on casters:
- The installation shall be made with a connector that complies with the standard for connectors for movable gas appliances; ANSI Z21.69.CSA 6.16, and a quick disconnect device that complies with the standard for quick-disconnect devices for use with gas fuel, ANSI Z21.41.CSA 6.9.
- Adequate means must be provided to limit the movement of the appliance without depending on the connector and the quick disconnect device or its associated piping to limit the appliance movement.
- The location where the restraining device may be attached to the appliance shall be in accordance with Groen specifications for the device.
D. Water Connection(s)
Install a check valve to prevent back flow in the incoming cold water line, as required by local plumbing codes. Water pressure in the line should be between 30 and 60 PSI. If pressure is above 60 PSI, a pressure regulator will be needed. These pressures must provide the 1.5 gallons per minute requiredfor proper steamer function.
A 2- 3/4 inch female NH connector (garden hose type) is used to attach the water supply to the inlet valve. Minimum inside diameter of the water feed line is 1/2 inch. Use a washer in the hose connection. Do not allow the connection to leak, no matter how slowly. Do not over-tighten hose connections.
This equipment is to be installed to comply with the basic plumbing code of the Building Officials and Code Administrators International, Inc. (BOCA) and the Food Service Sanitation Manual of the Food and Drug Administration (FDA).
NOTE: Local code may also require check valves in the water supply line.
E. Drain Connection
WARNING: DO NOT CONNECT THE DRAIN DIRECTLY TO A BUILDING DRAIN.
BLOCKING THE DRAIN IS HAZARDOUS.
CAUTION: DO NOT USE PLASTIC PIPE. DRAIN MUST BE RATED FOR BOILING WATER.
Level the steamer front to back, and pitch it slightly to the rear (maximum 1/4 inch) by adjusting the optional legs or the bullet feet on the optional stand.
| STEAMER | Drain ID Hose Size Required (IN) |
| SSB-3G | 1.5” |
| (2)SSB-3G | 2.5” |
| SSB-5G | 1.5” |
| (2)SSB-5G | 2.5” |
| SSB-10G | 2” |
| (2)SSB-10G | 2.5” |
There must be a free air gap between the end of the hose and the building drain. The free air gap should be as close as possible to the unit drain. There must also be no other elbows or restrictions between the unit drain and the free air gap.
Install the drain line with a constant downward pitch.
IMPORTANT: DO NOT ALLOW WATER TRAPS IN THE LINE. A TRAP CAN CAUSE PRESSURE IN THE CAVITY, WHICH MAY CAUSE THE DOOR GASKET TO LEAK.
Proper Drain Line Connection –– Drain Line must have a constant downward pitch of at least 1/4” per foot. Observe local code regarding air gap spacingand drain connections.
F Factory-Stacked Units
This section is applicable only if you are installing factory-stacked units.
Installing stacked steamers is similar to installing a single unit. The steamers are stacked and assembled at the factory and delivered with the water connections and drain hoses required for a single point connection.
- Dual Water Connections
The same water supply connection is used for both units. At the water inlet valve a 3/4 inch female NH connector (garden hose type) is used for the water supply. - Electrical Supply Connection
Separate electrical connections will be required for each steamer to be stacked. Each steamer unit must have it’s own branch circuit protection. - Gas Connection
A single gas connection is required for both steamers. Gas supply must be adequate under all conditions as listed on page 3. - Drain Connection
Steamers must be leveled front to back, and pitched to the front (maximum 1/4 inch) by adjusting the bullet feet on the cabinet or stand base.
For all factory-stacked SSB steamers, a 21/2 inch ID hose is attached to the unit drain. It must be rated for boiling water.
G Counter-Mounted Units
WARNING: DO NOT STACK SSB STEAMERS WHEN LEGS ARE USED.
This section is applicable if the steamer will be mounted to a counter. All four edges of the bottom of the steamer must be sealed with RTV to the counter if the 4 inch legs are not used. Counter must be made of a noncombustible material such as metal or tile.
INITIAL START-UP
WARNING: WHEN YOU OPEN THE DOOR, STAY AWAY FROM STEAM COMING OUT OF THE UNIT. STEAM CAN CAUSE BURNS.

After the SmartSteam100 Boilerless Steamer has been installed, test it to ensure that the unit is operating correctly.
- Remove all literature and packing materials from the interior and exterior of the unit.
- Make sure the water supply line is open.
- Make sure that the gas supply line is open and that the manual knob on the main gas valve is turned to the ON position. This valve is at the rear on the right side of the unit.
- Turn on electrical service to the unit. The steamer will not operate without electrical power. Do not attempt to operate the unit during a power failure.
NOTE: The door MUST be closed for the main burner to work. - To turn the unit on, press the ON switch on the control panel.
- When the steam generating reservoir has filled with water, the main burners will ignite automatically. Within 20 minutes or less the READY light will come on, indicating that the water has reached its standby temperature. When the READY light is displayed, you may take any one of the following steps;
a. Push TIMED and set the timer knob to the desired steaming time.
b. Push MANUAL for continuous steaming.
c. Push STOP to let the unit stay at ready condition. - To shut down the unit, press the OFF switch. The steam generating reservoir will then fill with cold water and drain.
- If the steamer operates as described, the unit is functioning correctly and ready for USE.
NOTE: For operation at high altitudes (2000 feet and above), please consult the Groen Foodservice Engineering Department.
OPERATION

A. Controls
Operator controls are on the front right of the unit. The control panels have the following touch pads and indicator lights:
- The TIME display shows the remaining cooking time. It displays three dashes in MANUAL mode.
- The ON/OFF rocker switch gets the SmartSteam100 ready for use or shuts it off.
- The READY indicator light indicates the unit has
- Hour meter records cumulative hours of operation.
- The FAULT display shows the current fault. achieved the ready temperature.
The push button operations:
- In the STOP mode the steam generator stays at a low boil or ready temperature.
- When the TIMED button is pushed , the TIMED light will illuminate and time can be set by turning the TIMER knob (cook time can be increased or decreased at any time by turning the timer knob). The unit steams until the timer counts down to zero and the temperature drops to ready. At that time the STOP light illuminates and a beeper sounds.
- When the MANUAL button is pushed, the unit steams continuously. The MANUAL light will stay illuminated.
- CANCEL button should be pushed to stop beeping.
B. Operating Procedure
WARNING: WHEN YOU OPEN THE DOOR, STAY AWAY FROM STEAM COMING OUT OF THE UNIT. STEAM CAN CAUSE BURNS.
- Press the ON/OFF rocker to the ON position, (Fi_) is displayed in the TIME display window. The steam-generating reservoir will begin filling, displaying (Fi=) and (Fi=) as it fills. After initial fill the unit will begin draining displaying (Fi=), refilling displaying (Fi=), and then begin heating until the READY light comes on (about 15-20 minutes).
- Load food into pans in uniform layers. Pans should be filled to about the same levels, and should not be mounded.
- Open the door and slide the pans into the supports. If you will only be steaming one pan, put it in the middle position. Some foods will cause foam. When cooking foods that foam, such as shrimp, put an empty solid 2½” deep pan in the bottom slot of the pan racks.
- Close the door. When the READY indicator is lit take one of the following steps:
If you want to steam the food for a certain length of time push the TIMED button and set the desired time with the TIMER knob. The timer will automatically run the steamer for the set time and then STOP. A beeper will sound. Push CANCEL to stop beeping.
If you want to steam continuously push the MANUAL button. The unit will continue steaming until stopped.
Push STOP to stop producing steam. - To remove pans from cavity open the door. Remove the pans from the steamer using hot pads or oven mitts to protect your hands from the hot pans.
- To shut off the unit press the ON/OFF rocker switch to OFF, (FL=) will appear in the timer display. The steam generating reservoir will begin draining, displaying (Fi=) and (Fi=) as it drains, and refill to the high float twice and finally drain completely and turn off the unit.
NOTE: When filling or draining the steam-generating reservoir (=) will be displayed indicating the water level in the reservoir. (_) reservoir is empty, (=) low float is satisfied, (=) high float is satisfied.
NOTE: If a large amount of shrimp is cooked in the SmartSteam100 foaming will occur because the steam lid actually gets so hot that the shrimp will cook on its surface and the shrimp proteins in the dripping will foam on the surface of the steam lid.
* To avoid this use a catch pan to catch shrimp drippings and proteins to prevent foaming when cooking a large amount of shrimp.
CLEANING
WARNING: DISCONNECT THE POWER SUPPLY BEFORE CLEANING THE OUTSIDE OF THE STEAMER.
KEEP WATER AND CLEANING SOLUTIONS OUT OF CONTROLS AND ELECTRICAL COMPONENTS. NEVER HOSE OR STEAM CLEAN ANY PART OF
THE UNIT.
AVOID CONTACT WITH ANY CLEANERS, DELIMING AGENT OR DEGREASER AS RECOMMENDED BY THE SUPPLIER. MANY ARE HARMFUL. READ THE WARNINGS AND FOLLOW THE DIRECTIONS!
EVEN WHEN THE UNIT HAS BEEN SHUT OFF, DON’T PUT HANDS OR TOOLS INTO THE COOKING CHAMBER UNTIL THE FAN HAS STOPPED TURNING.
DON’T OPERATE THE UNIT UNLESS THE REMOVABLE PARTITION HAS BEEN PUT BACK IN ITS PROPER LOCATION.
DON’T USE ANY CLEANING AGENT THAT CONTAINS ANY SULFAMIC AGENT OR ANY CHLORIDE,INCLUDING HYDROCHLORIC ACID (HCL). TO CHECK FOR CHLORIDE CONTENT SEE ANY MATERIAL SAFETY DATA SHEETS PROVIDED BY THE CLEANING AGENT MANUFACTURER.
IMPORTANT: DO NOT USE ANY METAL MATERIAL (SUCH AS METAL SPONGES) OR METAL
IMPLEMENTS (SUCH AS A SPOON, SCRAPER OR WIRE BRUSH) THAT MIGHT SCRATCH ANY STAINLESS STEEL SURFACE. SCRATCHES MAKE THE
SURFACE HARD TO CLEAN AND PROVIDE PLACES FOR BACTERIA TO GROW.
DO NOT USE STEEL WOOL, WHICH MAY LEAVE PARTICLES EMBEDDED IN THE SURFACE, WHICH COULD EVENTUALLY CAUSE CORROSION AND
PITTING.
WARNING: ALLOW THE STEAMER TO COOL COMPLETELY BEFORE CLEANING. HOT SURFACES CAN CAUSE SEVERE BURNS.
WARNING: FAILURE TO CLEAN THE STEAMER AS SPECIFIED COULD NEGATIVELY IMPACT THE PERFORMANCE OF THE STEAMER.
To keep your SmartSteam100 Boilerless Steamer in proper working condition, use the following procedure to clean the unit. This regular cleaning will reduce the effort required to clean the steam generator and cavity.
A. Suggested Supplies
| 1. Mild detergent | 6. Measuring cup |
| . Stainless steel exterior cleaner Groen Spray DeGreaser (Part Number 140830WS) | 7. Nylon pad |
| 3. Cloth or sponge | 8. Towels |
| 4. Brush with soft bristles | 9. Plastic disposable gloves |
| 5. Spray bottle | 10. Funnel |
B. Procedure
- Exterior Cleaning
a. Prepare a warm solution of the mild detergent as instructed by the supplier. Wet a cloth with this solution and wring it out. Use the moist cloth to clean the outside of the unit. Do not allow freely running liquid to touch the controls, the control panel, any electrical part, or any louver on the rear panels.
b. To remove material which may be stuck to the unit, use a fiber brush or a plastic or rubber scraper with a detergent solution.
c. Stainless steel surfaces may be polished with a recognized stainless steel cleaner. - Interior Cleaning
Daily cleaning must be done in order to enhance the performance and prolong the life of your SmartSteam Boilerless Steamer.
CLEANING INSTRUCTIONS:
STEP 1 – Press OFF switch to turn steamer OFF and open steamer door.
STEP 2 – CAUTION: allow the steamer to cool completely before cleaning.
STEP 3 – Remove steam lid by grasping the two tabs located on the lid front and sliding pan forward.
STEP 4 – Remove left pan rack by lifting rack up and pulling away from cavity wall.
STEP 5 – Remove right fan shroud and rack assembly by lifting rack up and pulling away from cavity wall.
STEP 6 – Clean steam lid, left pan rack and rack/ shroud assembly to remove food soils. These three parts may be cleaned in a dishwasher.
STEP 7 -Use a mild detergent to wipe down the entire steamer cavity to remove food and scale particles. Carefully clean float probes if food residue or loose scale is present. A thin layer of tightly bound scale is normal and will not affect steamer performance. If scale is excessive, then refer to deliming instructions below.
STEP 8 – Remove the drain strainer and clean thoroughly to remove any buildup of debris.
STEP 9 – Replace pan racks and steam lid. The steamer is now cleaned and ready to use.
DELIMING INSTRUCTIONS:
When using Groen Boilerless Water Filtration System use vinegar as a deliming agent. Groen-approved deliver may be used to remove excessive scale build-up.
STEP 1 – After following all cleaning steps 1 through 7 listed above, turn the steamer on and allow water to enter the steamer cavity.
STEP 2 – Pour 1 cup of vinegar or deliver into the steamer cavity and shut the door.
STEP 3 – Set the steamer timer to 30 minutes and allow steam cleaning to occur.
STEP 4 – After 30 minutes cleaning cycle is complete, turn the steamer OFF and allow to cool completely.
STEP 5 – Open the steamer door and wipe down the entire steamer cavity to remove loosened scale particles. Carefully clean float probes if loose scale is present.
STEP 6 – Replace pan racks and steam lid. The steamer is now cleaned and ready to use.
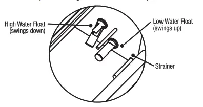
FLOAT PROBE ORIENTATION:
Following is an inside view of the steamer cavity with no water present. High-level float probe swings down. Note water probe orientation:
OVERFLOW DRAIN:
- Turn your unit off and allow it to completely drain. SmartSteam units will drain automatically when the units are powered off. This is a 5 minute process.
- Once the reservoir has completely drained (approximately 5 minutes), stand to the hinged side of the door (Figure 2), slowly open the door allowing all of the steam to escape from the cavity. Allow the cavity to completely cool down and confirm that the reservoir has completely emptied before cleaning the overflow drain.

- Remove the steam lid (Figure 3) and fan cover assembly (Figure 4), prior to cleaning the overflow drain.
- Insert the cleaning brush into the overflow drain located at the lower, back right side of your steamer’s cavity (Figure 5). As the brush is pushed through the overflow drain, it will bend to follow the shape of the drain as it travels the length of the overflow drain. Once you use the cleaning brush for the first time, the wire between the handle and the bristles will retain a curved shape after the brush is removed from the overflow drain. The brush is designed to bend/curve in this fashion. There is no need to straighten the wire between cleanings/ usage.

- With the cleaning brush, push and pull through the entire lengthy of the overflow drain several times. The brush should be inserted at least ten inches (10”) into the overflow drain to pass through the entire length of the drain piping. Repeat as necessary until the overflow drain is clean. Ensure that the overflow drain works properly
by squirting water into the overflow drain and confirming that the water is flowing freely into the drain receptacle and not being blocked and backing up into the steamer cavity.
If the overflow drain is clogged such that the cleaning brush will not clear the blockage or if water cannot move through the overflow drain into the drain receptacle without backing up into the steamer cavity, then a service call needs to be made and all use of the steamer must be discontinued until the service agent evaluates the issue and confirms that the unit is ready for further operation.
- Clean the cooking cavity per the cleaning instructions in your operator’s manual.
- Re-install the steam lid and fan cover assembly.
- Leave the door open to prolong the life of the door gasket and to allow the cavity to air out.
- Clean, dry and store the overflow cleaning brush after each use.
- If a replacement brush is needed, the part number is 175977.
MAINTENANCE
The SmartSteam100 Boilerless Steamer is designed for minimum maintenance and no user adjustments should be necessary. Certain parts may need replacement after prolonged use. If there is a need for service, only Groen Authorized ServiceAgents should perform the work.
If steam or condensate is seen leaking from around the door, take the following steps:
- Check the door gasket. Replace it if it is cracked or split.
- Inspect the cooking chamber drain to be sure it is not blocked.
- Adjust the door latch pin to allow for changes that might occur as the gaskets.
a. Loosen the lock nut at the base of the latch pin, then turn the latch pin 1/4turn clockwise, and tighten the lock nut.
b. After adjustment, run the unit to test for further steam leakage.
c. If there is still leakage, repeat the adjustment
d. Continue adjusting the pin clockwise until the door fits tightly enough toprevent leakage. The hinge may also be adjusted.
REPLACEMENT PARTS
To order parts, contact your Authorized Service Agent. Supply the model designation, serial number, part description, part number, quantity, and when applicable, voltage and phase.
CONTACT US
If you have questions pertaining to the content in this manual, contact Unified Brands at 888-994-7636.
TROUBLESHOOTING
This unit is designed to operate smoothly and efficiently if properly maintained.
However, the following is a list of checks to make in the event of a problem. Wiring diagrams are found at the end of this manual.
When in doubt, turn unit off and call for service at 888-994-7636. If an item on the checklist is marked with (*), it means that the work should be done by a Groen Authorized Service Agent.
| SYMPTOM | PROCEDURE |
| Fault Display 1 or 2 | Clean floats in unit / Check float probe orientation. |
| Be sure water supply is adequate to run steamer(s) during normal operation. | |
| No power | Check wall circuit breaker. |
| Disconnect power, then check fuses on inside of steamer.* | |
| Call service technician. | |
| Unit overfills with water at start up | Clean floats in unit / Check float probe orientation. |
| Clean drain strainer. | |
| Call service technician. | |
| Steamer does not fill with water | Is the ON switch depressed? |
| Is the water supply connected? | |
| Is the water turned on? | |
| Is the water supply hose kinked or obstructed? | |
| Check for low water pressure (less than 30 PSI) or low water flow (less than 1.5 gpm). | |
| Is the screen at the water connection clogged? | |
| “Door” shown in time display window | Is the steamer door securely closed? |
| No steam | Is the ON switch depressed? |
| Is the water supply connected? | |
| Is the water turned on? | |
| Is steamer door completely closed? | |
| Fault Display 7 | The component cooling fan may not be operating. The display may come on for several minutes during normal operation. If it stays on for more than 30 minutes, call service technician. Unit may be used for cooking, while waiting for service. |
| Any unusual operation | Press OFF switch to turn steamer off. Momentarily turn circuit breaker off and then on or unplug from power. Turn unit back on. |
| Door pops open | Ensure drain and vent are not plugged. No more than two units should be attached to a single drain line. |
| Check door pin adjustment per above. | |
| Call service technician. | |
| Fault Display 6 | Wait 30 minutes for unit to cool down. |
| Call service technician. |
CALL FACTORY FOR
REPLACEMENT PARTS: 888-994-7636
Parts List

| Key | Description | Part No. | Key | Description | Part No. |
| 1 | Ignition Module | 140184 | 30 | Top Panel (3G / 50) | 150637 |
| 2 | Capacitor, 6MF | 96812 | Top Panel (100) | 149444 | |
| 3 | Transformer 120v Primary/ | 121715 | 31 | Front Panel Overlay (3G) | 153015 |
| 24v secondary, 75VA | Front Panel Overlay (5G/10G) | 153472 | |||
| 4 | Fluestack, Single (3G) | 143957 | 32 | Door Latch Pin | 78914 |
| Fluestack, Single (56) | 141991 | 33 | Door Pin Lock Nut | 3823 | |
| Fluestack, Single (106) | 145254 | 34 | Steam Lid (3G/5G) | 149299 | |
| Fluestack, Double (3G) | 143965 | Steam Lid (10G) | 149452 | ||
| Fluestack, Double (50) | 143567 | 35 | Cavity Fan | 96790 | |
| Fluestack, Double (106) | 145531 | 36 | Left Pan Rack (3G) | 149883 | |
| 5 | Fuseholder | 77840 | Left Pan Rack (56) | 149872 | |
| 6 | Fuse | 119823 | Left Pan Rack (10G) | 145642 | |
| 7 | Ground Terminal | 106412 | 37 | Door Handle | 129723 |
| 8 | Terminal Block | 3887 | 38 | Door Gasket (3G) | 124849 |
| 9 | Main Gas Valve | 98443 | Door Gasket (5G) | 125907 | |
| 10 | Water Valve — PRE-2015 — | 71235 | Door Gasket (10G) | 143879 | |
| 10 | Water Valve — 2016 — | 100934 | x | Motor Shaft Seal | 96868 |
| 11 | Muffin Fan | 177564 | x | Blower Cover (3G) | 149387 |
| 12 | Drain Box (3G/5G) | 150659 | Blower Cover (50) | 149313 | |
| Drain Box (100) | 150661 | Blower Cover (100) | 149451 | ||
| 13 | Hi-Limit | 144484 | x | Right Pan Rack (3G) | 141571 |
| 14 | Thermostat (drain box) | 145248 | Right Pan Rack (50) | 140157 | |
| 15 | Drain Valve | 71234 | Right Pan Rack (100) | 145721 | |
| 16A | Condensate Cup | 150628 | x | Drip Tray (3G/5G) | 94151 |
| 16B | Gasket, condensate cup | 142613 | Drip Tray (100) | 145520 | |
| 17 | Ready Thermostat | 147285 | x | Left Side Panel (3G) | 149229 |
| 18 | Water Level Probe (Serial | 142689 | Left Side Panel (50) | 149233 | |
| Number MSA and MSB) | Left Side Panel (100) | 149446 | |||
| Float Probe (Serial Number | 149880 | x | Right Side Panel (3G) | 149231 | |
| MSC and Following) | Right Side Panel (56) | 149235 | |||
| 20 | Door Switch | 96857 | Right Side Panel (100) | 149448 | |
| 21 | Power Switch | 160920 | x | Flow Reducer, Condensate | 147371 |
| 22 | Door Assembly, Complete (3G) | 130858 | x | Flow Reducer, Fill | 144481 |
| Door Assembly, Complete (50) | 125922 | x | Harness, Control To Relay | 160885 | |
| Door Assembly, Complete (10G) | 143874 | Board SSB | |||
| 23 | Knob | 160921 | x | Harness, 558-G Rear | 160883 |
| 24 | Control Board | 160648 | x | Harness, SSB-G Low Voltage | 160881 |
| 25 | Motor Assembly | 146880 | x | Harness, SSB-G Ignition | 153339 |
| 26 | Ray Board | 160649 | x | Harness, SSB-G Forward | 153338 |
| 27 | Ignitor (30/56) | 143559 | x | Harness, Steamer High Voltage | 160874 |
| Ignitor (100) | 149009 | x | Jumper, Voltage Select 120VAC | 123123 | |
| 28 | Flame Sense | 143673 | x | Harness, Jumper | 123125 |
| 29 | Burner (3G/5G) | 143976 | x | Gas Valve — 2016 — OPTIONAL | 98458 |
| Burner (10G) | 145074 | 39 | Flex Gas Line. 22″ LG | NT1561 | |
| 40 | Gas Inlet Piping | 174374 | |||
| x- | Item not depictedlcalled out in drawing |
| Key | Description | Part No. | Key | Description | Pad No. |
| x X X X | Label Natural Gas Kit, Conversion SSB-3, Nat to Pro Kit, Conversion SSB-5, Nat to Pro Kit, Conversion SSB-10, Nat to Pro | Z087992 155754-01 155754-11 155754-21 | x x x x x | Label Propane Gas Kit, Conversion SSB-3, Pro to Nat Kit, Conversion SSB-5, Pro to Nat Kit, Conversion SSB-10, Pro to Nat Kit, Conversion Pro, Regulator | Z087993 155754-06 155754-16 155754-26 Z079802 |
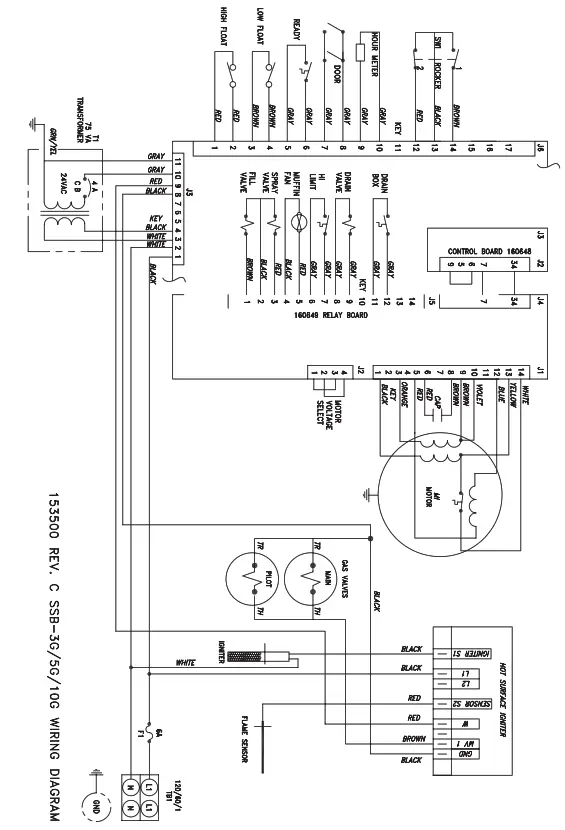
Wiring Diagram

Service Log
| Model No: | Purchased From: |
| Serial No: | Location: |
| Date Purchased: | Date Installed: |
| Purchase Order No: | For Service Call: |
| Date | Maintenance Performed | Performed By |

OM-SSB-3G/5G/10G & (2)SSB-3G/5G/10G Domestic























