NEB/1 Steam Boilers
Owner’s Manual
NEB/1 Electric Pressure Steam Boiler
This manual provides information for:
- Electrically Heated
- 24, 36 or 48 Kilowatts
![]()
THIS MANUAL MUST BE RETAINED FOR FUTURE REFERENCE. READ, UNDERSTAND AND FOLLOW THE INSTRUCTIONS AND WARNINGS CONTAINED IN THIS MANUAL.
WARNING / FOR YOUR SAFETY
Do not store or use gasoline or other flammable vapors and liquids in the vicinity of this or any other appliance.
WARNING
Improper installation, adjustment, alteration, service, or maintenance can cause property damage, injury, or death. Read the installation, operating, and maintenance instructions thoroughly before installing or servicing this equipment.
NOTIFY CARRIER OF DAMAGE AT ONCE
It is the responsibility of the consignee to inspect the container upon receipt of the same and to determine the possibility of any damage, including concealed damage. Unified Brands suggests that if you are suspicious of damage make a notation on the delivery receipt. It will be the responsibility of the consignee to file a claim with the carrier. We recommend that you do so at once.
Manufacture Service/Questions 888-994-7636.
Information contained in this document is known to be current and accurate at the time of printing/creation. Unified Brands recommends referencing our product line websites, unifiedbrands.net, for the most updated product information and specifications.
IMPORTANT – READ FIRST
– IMPORTANT
CAUTION: SHIPPING STRAPS ARE UNDER TENSION AND CAN SNAP BACK WHEN CUT.
CAUTION: THE UNIT WEIGHS 620 LB (282 KG) FOR SAFE HANDLING, THE INSTALLER SHOULD OBTAIN HELP, OR EMPLOY APPROPRIATE MATERIALS HANDLING EQUIPMENT (FORKLIFT, DOLLY, OR PALLET JACK) TO REMOVE THE UNIT FROM THE SKID AND MOVE IT TO ITS PLACE OF INSTALLATION.
WARNING: THE UNIT MUST BE INSTALLED BY PERSONNEL WHO ARE QUALIFIED TO WORK WITH ELECTRICITY AND PLUMBING. IMPROPER INSTALLATION COULD RESULT IN INJURY TO PERSONNEL AND/OR DAMAGE TO EQUIPMENT.
CAUTION: DRAIN MUST BE RATED FOR STEAM AND BOILING WATER. DO NOT USE PLASTIC PIPES.
WARNING: DO NOT CONNECT THE BOILER DRAIN DIRECTLY TO A BUILDING DRAIN.
WARNING: BLOCKING THE DRAIN MAY BE HAZARDOUS.
IMPORTANT: IMPROPER DRAIN CONNECTION WILL VOID WARRANTY.
WARNING: ALLOW COOKING CHAMBERS TO COOL BEFORE CLEANING.
WARNING: CAREFULLY READ THE WARNINGS AND FOLLOW THE DIRECTIONS ON THE LABEL OF EACH CLEANING AGENT. USE SAFETY GLASSES AND RUBBER GLOVES AS RECOMMENDED BY THE DELIMING AGENT MANUFACTURER.
WARNING: DO NOT MIX DE-LIMBING AGENTS (ACID) AND DE-GREASERS (ALKALI) IN THE STEAM GENERATOR OR ON THE COOKING CHAMBER WALLS.
NOTICE: DO NOT USE A CLEANING OR DE-LIMING AGENT THAT CONTAINS ANY SULFAMIC ACID OR ANY CHLORIDE, INCLUDING HYDROCHLORIC ACID (HCL). IF THE CHLORIDE CONTENT OF ANY PRODUCT IS UNCLEAR, CONSULT THE MANUFACTURER. DO NOT USE A DE-GREASER THAT CONTAINS POTASSIUM HYDROXIDE OR SODIUM HYDROXIDE OR WHICH IS HIGHLY ALKALINE.
WARNING: USE OF REPLACEMENT PARTS OTHER THAN THOSE SUPPLIED BY GROEN OR AUTHORIZED DISTRIBUTORS VOIDS ALL WARRANTIES AND CAN CAUSE BODILY INJURY TO THE OPERATOR AND DAMAGE THE EQUIPMENT. SERVICE PERFORMED BY OTHER THAN FACTORY-AUTHORIZED PERSONNEL WILL VOID ALL WARRANTIES.
WARNING: HIGH VOLTAGE EXISTS INSIDE CONTROL COMPARTMENTS. DISCONNECT FROM THE BRANCH BEFORE SERVICING. FAILURE TO DO SO CAN RESULT IN SERIOUS INJURY OR DEATH.
WARNING: DO NOT EXPOSE SKIN TO ESCAPING STEAM. SEVERE BURNS CAN RESULT.
References
UNDERWRITERS LABORATORIES, INC.
333 Pfingsten Road
Northbrook, Illinois 60062
NATIONAL FIRE PROTECTION ASSOCIATION
60 Battery March park
Quincy, Massachusetts 02269
NFPA/70 The National Electrical Code
NOTE: A RETROFIT KIT IS AVAILABLE FROM THE FACTORY FOR THOSE AREAS IN WHICH COMPLIANCE WITH CSD-1 STANDARDS IS REQUIRED.
Equipment Description
The NEB-1 Boiler may be used for a variety of applications in a variety of combinations.
The Groen NEB/1 steam boiler generates low-pressure steam for use with HyPlus cabinet-mounted steamers and steam jacketed kettles.
The boiler is housed in a stainless steel cabinet. Various combinations of steam-operated kettles and steamers can be mounted on the top. The boiler is small enough to fit in a 24-1/8” (613 mm) wide by 34-3/16” (868 mm) deep by 29-3/16” (741 mm) tall (maximum) cabinet.
The boiler is constructed of 1/4” thick steel, which is certified by the American Society of Mechanical Engineers (ASME) for pressure vessels. All welds are hydrostatically tested.
The boiler is also equipped with all required instruments, fittings, and controls. Heating elements with low watt density ensure a longer life for the unit. The boiler is available for three-phase 60 Hertz service in the following voltage and power combinations: * A single phase configuration is available in the 24KW combinations.
| 208 Volts | 240 Volts | 480 Volts |
| 24 Kilowatt | 24 Kilowatt | 24 Kilowatt |
| 36 Kilowatt | 36 Kilowatt | 36 Kilowatt |
| 48 Kilowatt | 48 Kilowatt | 48 Kilowatt |
SEE OM-HY-6CAV FOR STEAMER CAVITY OPERATION AND/OR OM-TD FOR KETTLE OPERATION.
Inspection & Unpacking
CAUTION
SHIPPING STRAPS ARE UNDER TENSION AND CAN SNAP BACK WHEN CUT.
CAUTION
UNIT WEIGHS 620 LB (282 KG) OR MORE. FOR SAFE HANDLING OBTAIN HELP, OR USE MATERIALS HANDLING EQUIPMENT (FORKLIFT, DOLLY, OR PALLET JACK) TO REMOVE THE UNIT FROM THE SKID AND MOVE IT TO ITS PLACE OF INSTALLATION.
The unit will arrive in a heavy carton, mounted on a skid.
Beneath the heavy carton, the unit will be wrapped in protective plastic on a heavy skid.
The unit will arrive completely assembled, wrapped in protective plastic, and in a heavy-duty carton on a skid.
Immediately on receipt examine the carton and unit for shipping damage. Report any damage or incorrect shipments to the delivery agent.
Write down the model number, serial number, and installation date of your unit, and keep this information for future reference. Space for these entries is provided at the top of the Service Log on Page 20 of this manual.
When the installation is to start, cut the straps and lift the unit straight up off the skid.
Water Quality & Treatment
It is essential to supply the steam generator with water that will not form scale or cause corrosion. Even though the steam generator is engineered to minimize scale formation and the effects of corrosion, its development depends on the quality of your water and the number of hours per day you operate the equipment.
Most water supplies are full of minerals and chemicals which are not suitable for use in a steam generator.
Water quality varies from state to state and city to city. It is necessary that you know and understands the quality of the water you are using. Your water utility can tell you about the minerals and chemicals in your water. The water going to the steam generator should be within these guidelines
| Water Pressure | 30-60 psi |
| PH | 7 to 9 |
| Hardness | less than 60 ppm |
| TDS | 30 to 60 ppm |
| Chlorine and Chloramine | less than 0.1 ppm |
| Silica | less than 30 ppm |
| Undissolved Solids | less than 12 ppm |
| Total Chloride | less than 5 microns |
- Do not rely on unproven water treatments which are sold for scale prevention or scale removal. They don’t always work. The best way to prevent scale is to supply the purest possible water (30 – 60 ppm TDS).
- If your water contains scale-forming minerals, as most water does use a well-maintained water softener.
Whether an exchangeable softener cartridge or a regenerating system is chosen, a regular exchange schedule is essential. - Installing a water meter between the softener and the steamer will provide an accurate gauge of water use and will help determine when to exchange cartridges or regenerate the softener. Using a water softener will provide longer generator life, higher steam capacity, and reduce maintenance requirements.
- If you notice a slowdown in steam production, have the unit checked for scale buildup. Heavy scale reduces the unit’s ability to boil water and can even cause heating elements in the steam generator to overheat and burn out.
Installation
WARNING
THE UNIT MUST BE INSTALLED BY PERSONNEL WHO ARE QUALIFIED TO WORK WITH ELECTRICITY AND PLUMBING. IMPROPER INSTALLATION CAN CAUSE INJURY TO PERSONNEL AND/OR DAMAGE TO THE EQUIPMENT.
CAUTION
MAKING ANY ELECTRICAL OR MECHANICAL CHANGE IN THE UNIT WITHOUT PRIOR GROEN APPROVAL WILL VOID ALL WARRANTIES.
WHEN THE UNIT IS RECEIVED, IMMEDIATELY INSPECT IT FOR EXTERNAL OR INTERNAL DAMAGE. REPORT ANY DAMAGE TO THE FREIGHT CARRIER.
NOTE: A RETROFIT KIT IS AVAILABLE FROM THE FACTORY FOR THOSE LOCALITIES IN WHICH COMPLIANCE WITH CSD-1 STANDARDS IS REQUIRED.
After inspection, keep the unit in its shipping container until it is installed. It can be installed on combustible and non-combustible floors. Minimum clearances are:
Right Side — Two inches*
Left Side — Four inches
Rear — Six inches
*In order to service the unit properly, access with at least 24 inches of clearance is needed on the right side.
Level the unit front to rear and left to right by adjusting its legs. Levelness may be checked by using a spirit level on top of the cabinet.
- Electrical Supply Connection
Provide the proper voltage (60 Hz, Three Phase) as specified on the electrical information plate attached to the unit. The current draw and minimum recommended wire size and insulation temperature ratings are shown in the table below. Use an only copper wire. Local codes and/or the National Electrical Code should be followed (ANSI/NFPA-70- 1987 – or latest edition).
AN ELECTRICAL GROUND IS REQUIRED. The ground terminal is located next to the supply terminal block in the electrical enclosure. The main supply knockout hole is sized for a 1½” conduit fitting. and The auxiliary supply knockout is sized for a ¾” conduit fitting. Copies of the electrical schematic are located in the electrical enclosure on the equipment and in this manual. In Canada, electrical service must comply with the Canadian Electrical Code, CSA C22.1, Part 1, and/or local codes.Voltage Power Rating(Kilowatt) Current Draw(Ampere) Supply Wire Ground Wire Rating AWG mm AWG mm 208 24 67/116 4/1 6.5 5.3/7.6 3.3 90°C 208 36 100 2/0 9.3 6 4.1 90°C 208 48 100 (Main) 2/0 9.3 6 4.1 90°C 34 (Auxiliary) 6 4.1 10 2.6 90°C 240 24 58/100 6/2 5.8 4.1/7.1 3.3 90°C 240 36 87 1 7.3 8 3.3 90°C 240 48 87 (Main) 1 7.3 6 4.1 90°C 29 (Auxiliary) 8 3.3 10 2.6 90°C 480 24 29/50 10/6 5.8 2.5/4.1 2.6 75°C 10/8 3.3 2.5/3.2 2.6 90°C 480 36 44 1/0 8.3 10 2.6 75°C 6 4.1 10 2.6 90°C 480 48 58 2/0 9.3 8 3.3 75°C 3 5.8 8 3.3 90°C CAUTION
DO NOT LOCATE THE BOILER CABINET DIRECTLY OVER A FLOOR DRAIN OR FLOOR SINK. HUMIDITY OR WATER FROM WILL
DAMAGE ELECTRICAL.
IMPORTANT
AN IMPROPER DRAIN CONNECTION WILL VOID THE WARRANTY. - Electrical Supply Connection
a. Cold water is supplied via a 1/2” NPT pipe connection at the rear of the unit. A check valve (back siphonage device) must be installed in accordance with local plumbing codes.
b. Water pressure should be between 30 and 60 PSI (215 and 420 kPa). If it is over 60 PSI (420 kPa), a pressure regulator is required. A strainer screen at the connection is also recommended, to trap any debris before it can enter the system.
c. The NEB/1 boiler uses water at the maximum rate per hour shown below.MAXIMUM WATER CONSUMPTION Unit Gallons/Hour Liters/Hour NEB/1 (24 KW) 8.2 31 NEB/1 (36 KW) 12.5 47.3 NEB/1 (48 KW) 16.9 64 Piping should be sized to handle total water consumption.
- Drain Connection
a. A drain connection is made at the rear of the unit with a 1-1/4” NPT pipe. DO NOT USE PLASTIC PIPES. DRAIN PIPING MUST WITHSTAND STEAM AND BOILING WATER. Extend the drain piping to a nearby floor drain. Piping of 1-1/4” NPT (or 1-1/2” NPT) is acceptable for distances of six feet (2 m) or less. If the distance to the drain is further than six feet (2 m), use 2” NPT piping.
b. The drain line must have a constant downward pitch. Do not permit water traps in the line. DO NOT CONNECT THE LINE DIRECTLY TO ANY BUILDING DRAIN. There must be a vertical air gap of at least two inches (5 cm) between the drain line and the building drain unless otherwise specified by local plumbing codes. - Safety Valve
Ensure that the safety valve (see picture, Page 13) is vented properly. The following Installation Instruction WARNING is quoted from the safety valve manufacturer:
“During operation, this valve may discharge large amounts of steam and/or hot water. Therefore, to reduce the potential for bodily injury and property damage, a discharge line MUST be installed that:
a. is connected from the valve outlet to a safe point of discharge with no intervening valve.
b. allows complete drainage of both the valve and the discharge line.
c. is independently supported and securely anchored so as to avoid applied stress on the valve.
d. is as short and straight as possible.
e. terminates freely to an atmosphere where any discharge will be clearly visible and is at no risk of freezing.
f. terminates with a plain end that is not threaded.
g. is constructed of a material suitable for exposure to temperatures of 375°F or greater
h. is, over its entire length, of a pipe size equal to or greater than the valve outlet.”
Initial Start-Up
WARNING
ANY POTENTIAL USER OF THE EQUIPMENT SHOULD BE TRAINED IN SAFE AND CORRECT OPERATING PROCEDURES.
Operating Controls are located on the front of the cabinet base unit.
After the unit has been installed, test it to ensure that it is operating properly.
- Remove literature and packing material from the interior and exterior of the unit.
- Make certain the water supply is turned on.
- Turn on electrical power to the unit.
- Turn the on/off switch on the cabinet front panel to the “ON” position:
• The boiler drain valve will close and the unit will fill with water.
• When the water level reaches the “mid” probe, the red RESET light will come on.
• Push the START switch.
• The green light on the switch will come on and the RESET light will go out. The heater element contactors will close.
• When the water level reaches the “hi” probe, the water supply to the boiler will shut off. - After about 15 minutes, the gauge pressure will rise. When the pressure reaches 12 PSI (83 kPa), the main burner will turn off. Thereafter, as pressure decreases, the contactors will close to maintain the 12 PSI (83 kPa) level.
- To shut the unit down, turn the ON/OFF switch to OFF. When it has cooled to approximately 130°F, the unit will automatically drain.
If the unit functions as described above, it is ready for use. If it does not, contact your authorized Groen Service Agent.
Operation
WARNING
BE SURE ALL OPERATORS READ, UNDERSTAND, AND FOLLOW THE OPERATING INSTRUCTIONS, CAUTIONS, AND SAFETY INSTRUCTIONS CONTAINED IN THIS MANUAL.
- Controls
Operating controls are located on the front panel of the unit.
a. The on/off switch starts the unit or shuts it off.
b. The RESET indicator lights show that the boiler has filled with water and that the main burners can ignite.
c. The start switch (momentary) lights the main burners. It also restarts the unit if electrical power is interrupted, or if a low water condition in the boiler disables the unit. - Operating Procedure
a. Turn on the water supply to the unit.
b. Turn on electrical power to the unit.
c. Turn the on/off switch on the front of the cabinet to “ON.”
1) The boiler drain valve will close and the unit will fill with water.
2) When the water reaches the “mid” probe, the red RESET light will come on.
3) Press the start switch.
4) The green light in the switch will come on, the RESET light will go off, and the heater element contactors will close.
5) When the water level reaches the “hi” probe, the water supply to the boiler will shut off.
e. After about 15 minutes, the pressure gauge will indicate that the pressure is rising. When it reaches 12 PSI (83 kPa), the heater contactors will open. Thereafter, the contactors will close as the pressure decreases to maintain the pressure at 12 PSI (83 kPa).
f. To shut down the unit, turn the ON/OFF switch to “OFF.” The unit will drain automatically after it has cooled to about 130°F.
See OM-HY-6CAV for steamer cavity operation and/or OM-TD for kettle operation information.
Sequence of Operation
CAUTION
WAIT AT LEAST 60 SECONDS BEFORE ATTEMPTING TO RE-LIGHT THE MAIN BURNER AFTER IT SHUTS OFF.
CAUTION
ESCAPING STEAM MAY CAUSE SEVERE BURNS. STAY AWAY FROM THERMOSTATIC AIR VENTS AND PRESSURE RELIEF VALVES.
When electrical power is turned on to the unit, the following happens:
- The drain valve closes
- The water valve opens
- The unit fills with water
As the boiler fills, the water is detected by two probes. The first of these is the “mid” probe, which activates the RESET light. The second (“hi” probe) is reached when the boiler is full and shuts off the water supply. As the water supply drops below this probe, the water supply opens until it is again reached.
A thermostatically-controlled air vent remains open while the boiler fills. As steam develops, this vent will close. Some steam may escape from the vent before it is fully closed (at approximately 200°F) (93°C).
Once the pressure has reached 12 PSI (kPa), the operating pressure switch will open the heater element contactors. As pressure decreases, the heater element contactors close to maintain the pressure at 12 PSI (83kPa).
If something causes the pressure to pass 14½PSI, (100 kPa), a high-limit safety switch will electrically shut down the boiler. If this happens, the unit should not be restarted until the problem which caused the shutdown has been corrected.
As an additional safety measure, the unit is equipped with an A.S.M.E.-certified safety valve which will open to relieve excess pressure at 15 PSI. The ability of this valve to discharge steam pressure is greater than the boiler’s ability to generate steam.
When the “ON/OFF” switch is turned “OFF,” a thermostatic switch mounted on the boiler shell will keep the drain valve closed until the temperature drops to approximately 130°F (77°C). Then the switch opens, and water drains from the boiler. A vacuum breaker allows air to enter the boiler.
Cleaning
WARNING
WATER AND VALVES MAY BE VERY HOT, AND MAY CAUSE BURNS. PROTECT HANDS FROM HOT SURFACES AND WATER.
WARNING
USE SAFETY GLASSES AND RUBBER GLOVES AS RECOMMENDED BY THE DE-LIMING AGENT MANUFACTURER.
CAUTION
DO NOT USE A CLEANING OR DE-LIMING AGENT THAT CONTAINS SULFAMIC ACID OR ANY CHLORIDES, INCLUDING HYDROCHLORIC ACID (HCL). IF THE CHLORIDE CONTENT OF ANY PRODUCT IS UNCLEAR, CONSULT THE MANUFACTURER.
![]()
The manual drain valve is located under the boiler.
Whenever the boiler is turned off and allowed to cool to about 130ºF, it drains automatically. This should be done every day to minimize scale buildup inside the boiler.
In addition to this draining, however, the following cleaning procedure should be followed using a regular schedule. This will prevent the accumulation of lime on the water level probes and interior surfaces of the boiler. The actual time between these scheduled cleanings depends on the water quality and hours of operation. Minimally, Groen recommends cleaning the boiler at least once each month.
1. Suggested Tools
a. 1/2” hardened square wrench extension
b. Pipe Joint compound
c. 32 oz. Groen Delimer Descaler (PN 114800), or equivalent
d. Groen Spray Degreaser (PN 114801), or equivalent
e. Nylon pad(s)
2. Procedure
- Turn the boiler on/off and switch to the OFF position.
- Slowly open the manual drain valve to empty the boiler. The valve is located under the boiler.
- Close the manual drain valve.
- Turn off the water supply to the boiler.
- Allow the boiler to cool. This takes several hours, so it is recommended that you cool the boiler overnight.
- Turn on/off the switch to “ON” to close the automatic drain valve.
- Using a 1/2” hardened square wrench extension, remove one of the 1-1/4” NPT pipe plugs from the front of the boiler.
- Pour 32 ounces of de-limer into the boiler.
- Replace the pipe plug. Use a pipe joint compound, and tighten the plug securely.
- Turn on the water supply to allow water to fill the boiler.
- When the reset light appears, press the START switch.
- Allow boiler pressure to develop. Let it stand for approximately 15 minutes after pressure has built up. A badly limed unit may require more than 15 minutes.
If there are no steamer cavities or compartments with this boiler, proceed to step 19.
WARNING
SOLUTION AND VALVES WILL BE VERY HOT AND MAY CAUSE BURNS. PROTECT HANDS FROM HOT SURFACES AND CONTINUE TO USE PROTECTIVE GLOVES.
- Turn on power to steamer cavities and set steamer timers for 10 minutes.
- When steamer timers sound, turn them to OFF and open the doors.
- When the fans have stopped, remove fan baffle partitions using protective gloves, and rinse with clean water.
- Completely wipe out steamer chambers using a degreaser and nylon pad, if necessary. Rinse thoroughly with clean water.
- Replace fan baffle partitions.
- Wait 10 minutes for the compartments to air dry, then close the steamer doors.
- Turn the on/off switch OFF, and slowly open the manual drain valve.
- When the boiler has drained completely, close the manual drain valve and turn the on/off switch to “ON” to fill the boiler with water.
- After the RESET light comes on, press the start switch.
- Allow boiler pressure to develop.
If steamers are not present, proceed to step 25. - Set steamer timers for 10 minutes.
- When the steamer signal sounds, turn the timers off.
- If the boiler is not to be used, it may be turned off. It is ready for normal operation.
Maintenance
WARNING
USE ONLY MANUFACTURER-SUPPLIED PARTS. USING SUBSTITUTE, UNAUTHORIZED, OR “GENERIC” PARTS CAN CAUSE BODILY INJURY TO THE OPERATOR AND DAMAGE THE EQUIPMENT.
WARNING
DO NOT EXPOSE SKIN TO ESCAPING STEAM. SEVERE BURNS MAY RESULT.
![]()
One of the pressure relief safety valves is located on the top left rear of the boiler.
Your boiler is designed to minimize maintenance, but certain parts may need to be replaced after prolonged use. For the most part, no user adjustments should be necessary. If a need for service arises, only Authorized Representatives should perform the work.
Among the most common problems is the rapid build-up of scale in the boiler. To avoid this, always supply water that has a low mineral content, which meets the standards described in the Water Quality section of this manual.
- Periodic Inspection
The unit should be inspected by a qualified service technician at least once each year. The inspection should include electrical wires and connections, cleaning the inside of the control enclosure, and pilot burner adjustment, if required.
At the back of this manual (with the information about our warranty) is a Maintenance and Service Log. Each time maintenance is performed on the unit, enter the date on which it was done, what was done, and who did it. Keep this log with the warranty.
In addition to yearly inspections by a qualified service technician, a weekly check of the following will help prevent downtime and ensure continued efficient operation.
1. Pressure gauge operation
2. Proper water level (gauge)
3. Strainer in water feed line (clear?)
4. Drain piping (free running? No blockage?)
At least twice each month, check the safety valve to be sure it is working properly. (Ensure that the safety valve is properly set up, as described in the Installation Section of this manual (Page 7).
When the pressure reaches five PSI on the gauge, lift the lever to vent steam, then release it, allowing it to snap back into place. - Component Replacement
NEB/1 boilers are easy to service. The design is simple, and controls are readily accessible.
Before replacing any part, COMPLETELY SHUT OFF ELECTRICAL POWER TO THE UNIT.
Troubleshooting
Do not operate the unit if it malfunctions or has damaged or broken parts. Steam boilers are designed to operate smoothly and efficiently when maintained properly. However, the following is a list of checks to make if there is a problem. Electrical schematics are provided in this manual and inside the unit electrical enclosure. IF THE ITEM ON THE LIST IS MARKED WITH (X), THE WORK SHOULD ONLY BE DONE BY A FACTORY-AUTHORIZED SERVICE REPRESENTATIVE.
| SYMPTOM | WHO | WHAT TO CHECK |
| The boiler does not fill with water. | User | a. Is the water supply connected and is water present? b. Is the water pressure low (less than 30 PSI)? c. Is the strainer screen (if used) clogged? d. Is the on/off switch in the base cabinet turned on? Is the amber light in the on/off switch “ON”? e. Is the manual drain valve open? |
| Authorized Service Rep Only | f. Is the Water Level Control Board defective? Check for loose electrical connections on water fill solenoid. (X) g. Is the water fill solenoid valve defective? (X) h. Is the solenoid drain valve open or leaking? Check for loose electrical connections on the solenoid drain valve. (X) | |
| Boiler overfills with water. | User | a. Is the boiler level? Check the level of the unit with a spirit level. b. Is the water pressure too high? (Greater than 60 PSI?) |
| Authorized Service Rep Only | c. Is the Water Level Control Board defective? Check for loose electrical connections on the “hi” water-fill solenoid. (X) d. Is the water fill solenoid valve defective? (X) Check for debris on the valve seat. e. Is the “hi” water probe sensing level? Clean water level probe and probe well (located in boiler). (X) | |
| The boiler underfills with water. | User | a. Is the boiler level? Check the level of the unit with a spirit level. |
| Water enters the boiler slowly. | User | a. Is the strainer screen (if used) clogged? b. Is the water pressure too low? (Less than 30 PSI)? c. Is the water supply line too small? |
| Authorized Service Rep Only | d. Is the water fill solenoid defective? (X) | |
| RESET light does not come on. | Authorized Service Rep Only | a. Is the Water Level Control Board defective? Check for loose electrical connections on the “mid” water fill solenoid. (X) b. Is the “mid” water probe sensing level? Clean water level probe and probe well (located in boiler). (X) c. Is the indicator light defective? (X) |
| Heater(s) will not come on. | Authorized Service Rep Only | a. Are contractors defective? (X) b. Is the heater burned out? Check voltage and amperage on each line at each heater. (X) c. Is the contactor control relay defective? Note: Relay controls all contactor coils. (X) |
| The boiler does not build pressure with heaters on. | User | a. Is the steam power take-off valve open or leaking? b. Is the pressure gauge defective? |
| Authorized Service Rep Only | c. Is the air vent leaking steam? (X) d. Is the solenoid or manual drain valve open or leaking? NOTE: Excessive make-up water added to the boiler reduces steam production. (X) | |
| Heater(s) does (do) not shut off after reaching operating pressure. | Authorized Service Rep Only | a. Is the pressure gauge defective? (X) b. Is the operating pressure switch defective? No adjustment is allowed. Replace the switch if defective. (X) c. Are the contactors defective? (X) d. Is the contactor control relay defective? (X) |
| The boiler builds pressure but shuts down. RESET light comes on. | User | a. Is the water level below the “mid” water level probe? Verify that the water supply is sufficient to maintain the water level at or above the “mid” water level probe. |
| Authorized Service Rep Only | b. Is the operating pressure switch defective? No adjustment is allowed. Replace the switch if defective. NOTE: If the high-limit pressure switch has shut down the unit, it should not be restarted until the problem which caused the shutdown has been corrected. (X) c. Is the “mid” water level probe unable to detect water? Clean the water level probe and probe well (located in the boiler). (X) | |
| The safety relief valve opens. | Authorized Service Rep Only | a. Are the operating pressure switch and/or high-limit pressure switch defective? No adjustment is allowed. Replace defective switches. (X) b. Is the safety relief valve defective? Replace with ASME approved 15 PSI valve with “HV” marking. (X) |
| The boiler blows down immediately when turned off. | Authorized Service Rep Only | a. Is the thermostatic switch defective? Check for loose electrical connections on the switch. (X) |
| The boiler does not drain. | User | a. Is the thermostatic switch defective? b. Is the solenoid drain valve defective? c. Are the solenoid drain valve or hoses blocked? |
Parts List CNEB/1

| KEY | DESCRIPTION | PART # |
| 1 | WATER LEVEL BOARD, SINGLE | 122192 |
| 2 | WATER LEVEL BOARD, DOUBLE | 116016 |
| 3 | TRANSFORMER 208/240V PRIMARY/24V SECONDARY, 75VA | 121716 |
| 4 | CONTACTOR | 148102 |
| 5 | FUSEHOLDER | 096809 |
| 6 | FUSE | 071489 |
| 7 | GROUND TERMINAL | 119829 |
| 8 | TERMINAL BLOCK | 99295 |
| 9 | LIGHT AMBER | 116384 |
| 10 | LIGHT RED | 116383 |
| 11 | LAMP RESET | 099289 |
| 12 | PRESSURE RELIEF VALVE | 099244 |
| 13 | DRAIN VALVE | 074594 |
| 14 | SWITCH, RESET | 099290 |
| 15 | SWITCH, POWER | 088876 |
| 16 | PRESSURE GAUGE | 078000 |
| 17 | WATER LEVEL PROBE | 014356 |
| 18 | WATER LEVEL PROBE EX-TENSION | 041885 |
| 19 | SIGHT GLASS | 126031 |
| 20 | THERMOSTAT | 077985 |
| 21 | RELAY, CUTOUT | 119814 |
| 22 | RELAY, DPDT 24VAC | 121733 |
| 23 | GASKET, ELEMENT | 003494 |
| 24 | ELEMENT 208V 12KW ELEMENT 240V 12KW ELEMENT 480V 12KW | 148593 148594 148595 |
| KEY | DESCRIPTION | PART # |
| – | TOP PANEL | 104341 |
| – | FRONT PANEL OVERLAY | 121727 |
| – | BOILER ASSEMBLY | 130443 |
| – | SIDE PANEL | 143777 |
| – | FRONT PANEL | 135981 |
| – | REAR PANEL | 143743 |
| – | HARNESS, FRONT PANEL | 130445 |
| – | HARNESS, MACHINE ELECTRIC | 130473 |
| – | HARNESS, CONTACTOR 24 KW | 148567 |
| – | HARNESS, CONTACTOR 36 & 48 KW | 148568 |
| – | HARNESS, ELEMENT SINGLE | 148590 |
| – | HARNESS, ELEMENT DOUBLE | 148591 |
| – | HARNESS, 240V LINE | 130483 |
| – | HARNESS, CONTACTOR BOX CONTROL | 148569 |
| – | HARNESS, CONTROL | 148621 |
| – | HARNESS, WIRING DIAGRAM, SINGLE PHASE | 174986 |
| – | HARNESS, LOAD, SINGLE PHASE | 174987 |
| – | HARNESS, ELEMENT HARNESS, SINGLE PHASE | 174988 |
| – | LABEL, FIELD WIRING, SINGLE PHASE | 175011 |
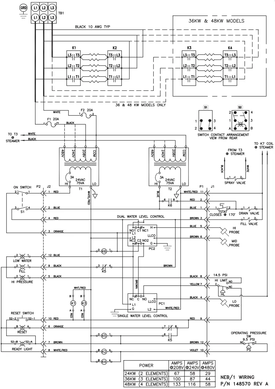
Electrical Schematic

Electrical Schematic – Single Phase

Service Log
| Model No: | Purchased From: |
| Serial No: | Location: |
| Date Purchased: | Date Installed: |
| Purchase Order No: | For Service Call: |
| Date | Maintenance Performed | Performed By |
1055 Mendell Davis Drive
Jackson, MS 39272
888-994-7636, • 601-372-3903
fax 888-864-7636
unifiedbrands.net
© 2016 Unified Brands. All Rights Reserved. Unified Brands is a wholly-owned subsidiary of Dover Corporation.
PART NUMBER 148669 REV E (08/16)



















