T12-3D Soft Closing Hinge with Adj MP Half Overlay
Installation Guide
T12-3D Soft Closing Hinge with Adj MP Half Overlay
INSTALLATION MANUAL/SPECIFICATIONS
T12-3D I Soft Closing Hinge W/Adj MP Half Overlay (3 Holes)
| ( Opening degree ) | 105° |
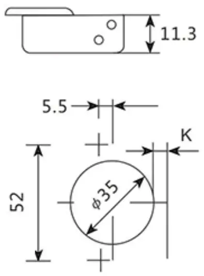
| ( Diameter of hinge cup ) | 035mm |
| ( Height of hinge cup ) | 11.3mm |
| ( Cup hole distance ) | 52mm |
| ( Dimension of door ) | 3-7mm |
| ( Range for door thickness ) | 14-22mm |
- H=( height of mounting plate).
- K= (distance from edge of door to the edge of the cup).
- D=(required cover distance on side panel).
- A= ( gap between door and side panel).
- L=(distance from inside edge of door to the outside edge of side panel).
- T=(door thickness).
Formulas below can be used according to different type of arm of hinges,and need figures of both drilling holes “K” on the door and the height of the mouning plate “H” when solving problem.
Coverage calculation table
| – D KH | 3 | 4 | S | 6 | 7 |
| 0 | 18 | 19 | 20 | 21 | 22 |
| 2 | 16 | 17 | 18 | 19 | 20 |
| 4 | 14 | 15 | 16 | 17 | 18 |
Coverage calculation table
| D K H | 3 | 4 | 5 | 6 | 7 |
| 0 | 8 | 9 | 10 | 11 | 12 |
| 2 | 6 | 7 | 8 | 9 | 10 |
| 4 | 4 | S | 6 | 7 | 8 |
Coverage calculation table
| A K H | 3 | 4 | 5 | 6 | 7 |
| 0 | 0 | -1 | -2 | -3 | -4 |
| 2 | 2 | 1 | 0 | -1 | -2 |
| 4 | 4 | 3 | 2 | 1 | 0 |



















