TROTEC TGP 1000 E Garden Pump Instruction Manual
Notes regarding the instructions
Symbols
Warning of electrical voltage
This symbol indicates dangers to the life and health of persons due to electrical voltage.
Warning
This signal word indicates a hazard with an average risk level which, if not avoided, can result in serious injury or death.
Caution
This signal word indicates a hazard with a low risk level which, if not avoided, can result in minor or moderate injury.
Note
This signal word indicates important information (e.g. material damage), but does not indicate hazards.
Info
Information marked with this symbol helps you to carry out your tasks quickly and safely.
Follow the manual
Information marked with this symbol indicates that the instructions must be observed.
You can download the current version of the instructions via the following link:
TGP 1000 E
https://hub.trotec.com/?id=42890
TGP 1000 ES
https://hub.trotec.com/?id=44022
Safety
Read this manual carefully before starting or using the device. Always store the manual in the immediate vicinity of the device or its site of use.
Warning
Read all safety warnings and all instructions.
Failure to follow the warnings and instructions may result in electric shock, fire and/or serious injury. Save all warnings and instructions for future reference.
This appliance can be used by children aged from 8 years and above and persons with reduced physical, sensory or mental capabilities or lack of experience and knowledge if they have been given supervision or instruction concerning use of the appliance in a safe way and understand the hazards involved. Children shall not play with the appliance. Cleaning and user maintenance shall not be made by children without supervision.
General safety
- Do not use the device in potentially explosive rooms or areas and do not install it there.
- Do not use the device in aggressive atmosphere.
- Check accessories and connection parts for possible damage prior to every use of the device. Do not use any defective devices or device parts.
- Before carrying out maintenance, care or repair work on the device, remove the mains plug from the mains socket. Hold onto the mains plug while doing so.
- When positioning the device, observe the minimum distances from walls and other objects as well as the storage and operating conditions specified in the Technical annex.
- Do not remove any safety signs, stickers or labels from the device. Keep all safety signs, stickers and labels in legible condition.
General safety warnings – Electrical safety
- The device is to be supplied with a rated residual current of no more than 30 mA by means of an RCD (Residual Current protective Device).
- Ensure that all electric cables outside of the device are protected from damage (e.g. caused by animals). Never use the device if electric cables or the power connection are damaged!
- The mains connection must correspond to the specifications in the Technical annex.
- Insert the mains plug into a properly fused mains socket.
- Switch the device off and disconnect the power cable from the mains socket when the device is not in use.
- Do not under any circumstances use the device if you detect damages on the mains plug or power cable. If the power cable is damaged, it must be replaced by the manufacturer, its service agent or similarly qualified persons in order to avoid a hazard. Defective power cables pose a serious health risk!
- Should there be a risk of flooding, install the plug connections in a flood-proof area. There is a risk of electric shock!
- Make sure that the mains voltage corresponds to the specifications on the nameplate.
- Have all electrical installations carried out by an expert according to the national regulations and the devicespecific requirements.
- Hold onto the mains plug while pulling the power cable out of the mains socket.
- Protect the power supply cable against heat, oil and sharp edges. Make sure that the power supply cable is not crushed, kinked or subjected to other mechanical stresses.
- Only use splash-proof extension cables intended for outdoor use whilst observing the device’s power input. Before using cable drums, always unroll the cable completely. Check the cable for damage. The use of extension cables which are not approved for outdoor use can result in injuries due to electric shock.
- Before performing any work on the device, in case of leaks in the water system, before taking work breaks or when not in use, remove the mains plug from the mains socket.
General safety warnings – Personal safety
- Never use the device with persons or animals in the water or pumping medium or if they could access it. There is a risk of electric shock!
- Never insert any objects or limbs into the device.
- This appliance is not a toy. Keep away from children and animals. Do not leave the device unattended during operation.
Device-specific safety warnings for garden pumps
- Do not position the device in damp shafts. There is a risk of short circuit as well as damage caused by corrosion!
- Please bear in mind, that the device is not suitable for continuous operation (e.g. for watercourses in garden ponds). Check the device for proper functioning on a regular basis.
- The device is not to be carried by holding it at the power supply cable or hose. Do not fasten it there either.
- After the set-up of the device, its mains plug must be readily accessible during operation.
- Wear sturdy shoes to protect yourself against electric shock.
- Before taking the device into operation, have the following checked by an expert:
- earthing, neutral conductor and RCD must be functioning properly and correspond to the national regulations,
- electrical plug connections must be protected from moisture.
- Provide appropriate frost protection.
- Never operate the device in the rain. Keep the device away from environmental influences such as wet conditions or frost. In particular, keep the electrical connections dry and make sure they are located in a flood-proof area.
- Never operate the device when dry or with the suction line closed. The intake opening of the suction line must always be submerged in the pumping medium.
- Do not use the device at freezing temperatures or temperatures above 40 °C.
- Do not pump any contaminated media or liquids with a temperature of more than 35 °C. Pumping contaminated media can cause damage to the inside of the device.
- Do not under any circumstances pump brine, aggressive liquids (alkalis, acids, etc.), combustible or explosive liquids (petroleum, petrol, etc.) or food (drinking water, etc.).
- Risk of injury due to hot water. The water inside the device can heat up during operation and cause injuries.
- Check the device for damage at regular intervals prior to use. Pay particular attention to the mains cable and plug. In the event of damage or functional restrictions, the device must no longer be used until it has been repaired by an expert. Only original spare parts may be used for this purpose.
- Do not use the device for drinking water supply, and do not integrate it into the drinking water circuit. In addition, please observe the local regulations of the water and wastewater authorities.
- Do not operate the device for more than 10 min when the pressure line is closed.
Intended use
The device is designed for pumping clear water serving as service water in the home and garden.
The device can be applied for the following pumping media:
- well water
- rain water from rain barrels or cisterns
- water from ponds and streams (with an appropriate prefilter)
The device is suitable for the following fields of application:
- watering gardens and vegetable beds
- operating lawn sprinklers
- service water supply in the home and garden The water temperature must not exceed 35 °C.
Foreseeable misuse
- The device is not suitable for continuous operation (e.g. as recirculation pump for ponds).
- Using the device in swimming pools and the like is prohibited.
- The device is not suitable for increasing the pressure of existing water supply networks.
- The device is not suitable for pumping potable water.
- The device must not be used for aggressive, abrasive, caustic, corrosive, combustible or explosive pumping media, e.g.:
- brine
- sandy water
- food
- cleaning agents
- fuels (e.g. petrol, diesel)
- oils
- greases
- petroleum
- nitro-cellulose thinner
- waste water from lavatories and urinal installations
- The device must not be used at freezing temperatures.
- Any unauthorised modifications, alterations or structural changes to the device are forbidden.
Personnel qualifications
People who use this device must:
- be aware of the dangers that occur when working with electric devices in damp areas.
- have read and understood the instructions, especially the Safety chapter.
Safety signs and labels on the device
Note
Do not remove any safety signs, stickers or labels from the device. Keep all safety signs, stickers and labels in legible condition.
The following safety signs and labels are attached to the device:
Follow the manual
Information marked with this symbol indicates that the instructions must be observed.
Warning of electrical voltage
Information marked with this symbol indicates dangers to the life and health of persons due to electrical voltage.
Do not pull the mains plug by the power cable
This symbol indicates that you must not pull the mains plug out of the socket by the power cable.
Staying in water prohibited
This symbol indicates that the device must not be operated with persons or animals in the water.
Indication of the sound power level LWA in dB
Information marked with this symbol indicates the sound power level LWA in dB.
Residual risks
Warning of electrical voltage
Work on the electrical components must only be carried out by an authorised specialist company!
Warning of electrical voltage
Before any work on the device, remove the mains plug from the mains socket!
Do not touch the mains plug with wet or damp hands.
Hold onto the mains plug while pulling the power cable out of the mains socket.
Warning
Dangers can occur at the device when it is used by untrained people in an unprofessional or improper way! Observe the personnel qualifications!
Warning
The device is not a toy and does not belong in the hands of children.
Warning
Risk of suffocation!
Do not leave the packaging lying around. Children may use it as a dangerous toy.
Note
If you store or transport the device improperly, the device may be damaged.
Note the information regarding transport and storage of the device.
Behaviour in the event of an emergency
- Switch the device off.
- In an emergency, disconnect the device from the mains feed-in: Hold onto the mains plug while pulling the power cable out of the mains socket.
- Do not reconnect a defective device to the mains.
Overheating protection
The device is provided with a thermal protection circuit which is activated by overheating of the device and then switches the device off.
Switch the device off and let it cool down. Investigate the cause of overheating. Should the problem persist, please contact the customer service.
Information about the device
Device description
The device is used to pump service water for the home and garden.
The device is able to suck in clear water from wells, rain water barrels or cisterns from a depth of up to 7 m, and to pump it up to a height of 42 m.
The water temperature must not exceed 35 °C.
For a permanent installation, the device is fitted with feet with drill holes allowing it to be bolted to the ground. The device can be filled with water via the water filler neck. The water can be drained via the water drain nozzle.
The devices differ with regard to their pump housing material:
| Device | Pump housing |
| TGP 1000 E | Plastics |
| TGP 1000 ES | Stainless steel |


| No. | Designation |
| 1 | On/off switch with protective cover |
| 2 | Connection for pressure line with 1″ internal thread |
| 3 | Water filler neck with screw plug |
| 4 | Connection for suction line with 1″ internal thread |
| 5 | Water drain nozzle with screw plug |
| 6 | Transport handle |
| 7 | Mounting screws for transport handle |
| 8 | Foot (with drill hole) |
Transport and storage
Note
If you store or transport the device improperly, the device may be damaged.
Note the information regarding transport and storage of the device.
Transport
To make the device easier to transport, it is fitted with a carry handle
Before transporting the device, observe the following:
- Hold onto the mains plug while pulling the power cable out of the mains socket.
- Only carry the device by the transport handle.
- Do not carry the device by holding it at the power cable or hose.
Storage
When the device is not being used, observe the following storage conditions:
- Store the device in a dry location and protected from frost and heat.
- Store the appliance in an upright position where it is protected from dust and direct sunlight.
- If required, use a cover to protect the device from invasive dust.
- Check whether there is residual water left in the device, and drain any residual water via the water drain nozzle (5) to prevent rust formation.
- Put the protective caps on the pressure and suction connection to protect the inside of the device against dust and dirt.
If you do not use the device for an extended period of time, it must be cleaned thoroughly after its last application and before recommissioning. Deposits and residues could lead to start-up difficulties.
For restart, please proceed according to the Start-up chapter.
Assembly and installation
Scope of delivery
- 1 x Garden pump
- 1 x Transport handle
- 2 x Screw
- 1 x Manual
Unpacking the device
- Open the cardboard box and take the device out.
- Completely remove the packaging.
- Fully unwind the power cable. Make sure that the power cable is not damaged and that you do not damage it during unwinding
Start-up
Positioning
Warning of electrical voltage
Do not position the device in damp shafts. There is risk of short circuit!
Note
Positioning the device in damp shafts can result in damage to the device caused by corrosion!
Select a suitable location for positioning the device. It should meet the following criteria:
- The site of installation is protected from weather exposure and wet conditions.
- The surface is horizontal and level.
- The site of installation can support the weight of the device and the pumped media.
For a permanent installation, the feet (8) of the device can be bolted to the ground.
Mounting the transport handle
Prior to initial start-up, the transport handle must be attached to the device. To do so, please proceed as follows:
- Use the supplied screws (7) to mount the transport handle (6) to the top of the housing.

Connecting the pipe or hose line
The device may be operated using either a hose line or a pipe. Ex factory, the device is delivered with a 1″ internal thread.
Please note the following:
- The device cannot be moved flexibly when using a solid pipe.
- Use a pressure line and suction line with a diameter corresponding to the size of the connections or above. A smaller diameter causes pressure loss and thus reduces the feed rate.
- The smaller the delivery head of the pressure line and suction line, the higher the flow rate.
- Connected accessories can cause a pressure loss and reduce the feed rate
Additionally, please note the following when connecting flexible hose lines:
Note
If you want to connect a flexible hose as pressure line, do not use a suction hose or a non-pressure-resistant hose. Use pressure-resistant hoses only.
Note
If you want to connect a flexible hose as suction line, use a vacuum-tight suction hose only.
Connecting the pressure line
Warning
Make sure that all parts of the pressure line areinstalled professionally. In case of an improper assembly or when using unsuitable parts, there is a risk of injury due to the pressurized pumping medium.
- Remove the protective cap (9) from the pressure connection (2).

Note
Keep the protective cap of the pressure connection so you can use it when storing the device to protect the inside of the device against dust and dirt. - Connect the pressure line to the pressure connection (2). To do so, apply thread seal tape (e.g. Teflon tape) to the threaded connector of the pressure line to ensure a leakproof connection.

Connecting the suction line
- Remove the protective cap (10) from the suction connection (4).

Note
Keep the protective cap of the suction connection so you can use it when storing the device to protect the inside of the device against dust and dirt. - Connect the suction line to the suction connection (4)

- Submerge the intake opening of the suction line at the point of withdrawal, and make sure the intake opening is always sufficiently covered with water.
Note
Make sure that the suction line is always installed with an upward incline. Otherwise, an air bubble may form at higher parts of the suction line and make the device run dry.
Note
At the bottom of ponds and other waterbodies deposits may have accumulated over time. To prevent the device from being damaged, do not lower the suction line all the way to the ground. Alternatively, you may also connect a suitable pre-filter with backflow preventer to the suction line. This also helps to reduce the time to restart suction.
Filling the device with water
Warning of electrical voltage
There is a risk of electric shock when filling the device with water.
Before filling the device, always make sure that the mains plug has been removed.
- Open the screw plug at the water filler neck (3).

- Fill the device with the pumping medium all the way to the edge via the water filler neck (3). The connected suction line should also be completely filled with the pumping medium.

- Screw the screw plug back onto the water filler neck (3). Ensure a tight fit of the screw plug.
Bleeding the pressure line
Please observe the following information before bleeding or switching the device on:
- Make sure that the mains connection corresponds to the specifications provided in the technical data.
- Check the mains socket for its proper condition. The mains socket’s fusing must be sufficient.
- Make it impossible for moisture to reach mains plug or socket. There is a risk of electric shock!
- Check whether the pressure and suction line were properly attached.
- Open all consumers connected to the pressure line to bleed the pressure line.
- Switch on the device as described in the Operation chapter and wait until the device has sucked in water or until water flows out of the consumers.
Operation
Warning of electrical voltage
Do not touch the mains plug with wet or damp hands.
Switching the device on
- Plug the mains plug into a sufficiently fused mains socket.
- Switch the device on by setting the on/off switch (1) to position I.

- After switch-on, regularly check whether the deviceoperates correctly. Turn off the power supply if after startup of the motor the pump shows an unusual operational behaviour (such as strong vibrations at the pump or pressure line, a fluctuating flow rate or similar). If you leave the device unattended for a longer period of time, interrupt the device’s power supply.
Shutdown
Warning of electrical voltage
Do not touch the mains plug with wet or damp hands.
Warning
The device is pressurized. Before opening the screw plug at the water drain nozzle (5) or before disassembling the pressure line, the pressure must be released from the pressure line via the lowest-level consumer.
- Switch the device off by setting the on/off switch (1) to position 0.
- Hold onto the mains plug while pulling the power cable out of the mains socket.
- Open the lowest-level consumer to reduce the pressure in the pressure line.
- Open the screw plug at the water drain nozzle (5) to drain any residual water from the pressure line and from the inside of the device.

- Detach the pressure and suction line.
- Clean the device according to the Maintenance chapter.
- Store the device according to the Storage chapter.
Available accessories
Warning
Only use accessories and additional equipment specified in the instructions.
Using insertion tools or accessories other than those specified in the instructions may cause a risk of injury.
| Accessories | Article number |
| TDP DSP (with plug) | 4.610.000.291 |
| TDP DS (without plug) | 4.610.000.290 |
Errors and faults
Warning of electrical voltage
Do not touch the mains plug with wet or damp hands.
Warning of electrical voltage
Tasks which require the device to be opened must only be carried out by authorised specialist companies or by Trotec.
Warning
The device is pressurized. Before opening the screw plug at the water filler neck (3) or water drain nozzle (5), the pressure must be released from the pressure line via the lowest-level consumer.
- Switch the device off.
- Hold onto the mains plug while pulling the power cable out of the mains socket.
The device has been checked for proper functioning several times during production. If malfunctions occur nonetheless, check the device according to the following list.
The device does not start:
- Check the power connection.
- Check the power cable and mains plug for damage.
- Check the on-site fusing.
- The device might have overheated and the thermal protection circuit is activated. If so, wait for approx. 10 minutes before restarting the device. If the device is not starting, have the electrics checked by a specialist company or by Trotec.
- The water temperature is above 35 °C and the thermal protection circuit is activated.
The device is running, but not sucking in any water:
- Check whether the suction line is submerged in the pumping medium and/or check whether the water level of the pumping medium is sufficient.
- Check whether the screw plugs at the water filler neck (3) and water drain nozzle (5) are completely closed and whether the seal is installed correctly.
- Check the inside of the device for any remaining air. Open the screw plug at the water filler neck (3) and fill the device with water all the way to the edge.
- Check the suction line and the connection for tightness.
- Check whether the suction height is too high, and reduce it if necessary.
- Check whether the hose line is kinked or blocked. Remove kinks and / or blockages.
Insufficient or decreasing conveying capacity:
- Check whether the suction height or delivery head exceeds the max. specifications indicated in the technical data, and reduce it if necessary.
- Check whether the hose line is kinked or blocked. Removekinks and / or blockages.
- Check whether the suction line is clogged at the intake opening. Remove any dirt.
- Inspect both the pressure and suction line for leaks, and replace them if necessary.
Note
Wait for at least 10 minutes after maintenance and repair work. Only then switch the device back on.
The device still does not operate correctly after these checks:
Please contact the customer service. If necessary, bring the device to an authorised specialist electrical company or to Trotec for repair.
Maintenance
Activities required before starting maintenance
Warning of electrical voltage
Do not touch the mains plug with wet or damp hands.
- Switch the device off.
- Hold onto the mains plug while pulling the power cable out of the mains socket.
Notes on maintenance
Inside the device, there are no parts that need to be maintained or lubricated by the user.
Note
If there is a danger of frost, drain all water from the device via the water drain nozzle (5) to prevent the device from being damaged. Before restart, the device must be filled with water again.
Safety signs and labels on the device
Check the safety signs and labels attached to the device at regular intervals. Replace illegible safety signs!
Cleaning
- Clean the device with a soft, damp and lint-free cloth. Protect electrical components from moisture. Do not use any aggressive cleaning agents such as cleaning sprays, solvents, alcohol-based or abrasive cleaners to dampen the cloth.
- Rinse the inside of the device with clear, lukewarm water.
Technical annex
Technical data
| Parameter | Value | Value |
| Model | TGP 1000 E | TGP 1000 ES |
| Max. flow rate | 3300 l/h | 3300 l/h |
| Max. delivery head | 42 m | 42 m |
| Max. suction height | 7 m | 7 m |
| Max. air pressure | 4.2 bar | 4.2 bar |
| Max. water temperature | 35 °C | 35 °C |
| Power supply | 230 V ~ 50 Hz | 230 V ~ 50 Hz |
| Power consumption | 1000 W | 1000 W |
| Protection type of the pump | IPX4 | IPX4 |
| Protection type of the mains plug | IP44 | IP44 |
| Connection type | CEE 7/7 | CEE 7/7 |
| Cable length | 1.2 m | 1.2 m |
| Protection class | I | I |
| Weight | 6 kg | 6.5 kg |
| Dimensions (length x width x height) | 210 x 330 x 200 mm | 210 x 330 x 200 mm |
| Max. particle size | 2 mm | 2 mm |
| Pressure connection | 1″ internal thread | 1″ internal thread |
| Suction connection | 1″ internal thread | 1″ internal thread |
| Sound values according to EN ISO 3744:1995 | ||
| Sound pressure level LpA | 72 dB(A) | 72 dB(A) |
| Sound power level LWA | 88 dB(A) | 88 dB(A) |
| Uncertainty KWA | 2 dB(A) | 2 dB(A) |
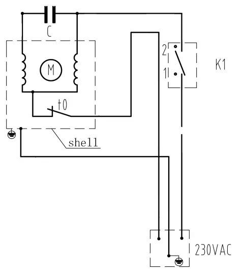
Circuit diagram TGP 1000 E

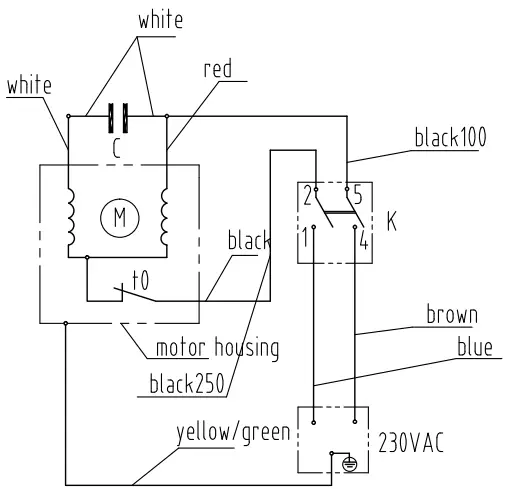
Circuit diagram TGP 1000 ES
Overview of spare parts and spare parts list TGP 1000 E

| No. | Part Name | Quantity |
| 1 | Bolt of Seal 3/8 | 2 |
| 2 | O Ring | 2 |
| 3 | Dustproof Cap | 2 |
| 4 | Hex Socket Screw | 8 |
| 5 | Flat Washer | 8 |
| 6 | Pump Housing | 1 |
| 7 | O Ring | 1 |
| 8 | Plastic Retaining Ring | 1 |
| 9 | Diffuser | 1 |
| 10 | O Ring | 1 |
| 11 | Impeller | 1 |
| 12 | Mechanical Seal (MG13) | 1 |
| 13 | Flange Plate | 1 |
| 14 | Rubber Ring 12 | 1 |
| 15 | Garden pump aluminium bracket | 1 |
| 16 | 4# Plastic Handle | 1 |
| 17 | Philips Screw | 2 |
| 18 | Bearing | 1 |
| 19 | Rotor | 1 |
| 20 | Bearing | 1 |
| 21 | Stator | 1 |
| 22 | Motor Housing (105) | 1 |
| 23 | Under Washer | 1 |
| 24 | Rear Cover | 1 |
| 25 | Outer Hex Bolt | 4 |
| 26 | Fan Blade | 1 |
| 27 | Spring Washer(Ø12) | 1 |
| 28 | Fan Cover | 1 |
| 29 | Philips Screw | 4 |
| 30 | Spring Washer | 1 |
| 31 | Flat Washer 6*12*1.0 S | 1 |
| 32 | Support Foot | 1 |
| 33 | Terminal Box Holder | 1 |
| 34 | Philips Screw | 4 |
| 35 | Square Washer | 1 |
| 36 | Self-tapping Screw | 2 |
| 37 | Power Cord Clip | 1 |
| 38 | Power Cable Jacket | 1 |
| 39 | Terminal Box Cover | 1 |
| 40 | Triangular groove screw | 4 |
| 41 | Square Seal Washer | 1 |
| 42 | Waterproof Switch | 1 |
| 43 | Switch Cover | 1 |
| 44 | Outer Frame of Switch | 1 |
| 45 | Capacitor | 1 |
| 46 | Capacitor Holder | 1 |
| 47 | Power Cord | 1 |
| / | / | / |
Overview of spare parts and spare parts list TGP 1000 ES

| No. | Part Name | Quantity |
| 1 | Bolt of Seal 1/4 | 2 |
| 2 | O Ring | 2 |
| 3 | Dustproof Cap | 2 |
| 4 | Bolt of Seal | 1 |
| 5 | O Ring | 1 |
| 6 | Hex Socket Screw | 8 |
| 7 | SS Pump Housing | 1 |
| 8 | O Ring | 1 |
| 9 | Plastic Retaining Ring | 1 |
| 10 | Diffuser | 1 |
| 11 | O Ring | 1 |
| 12 | Impeller | 1 |
| 13 | Mechancial Seal | 1 |
| 14 | Flange Plate | 1 |
| 15 | Thrower | 1 |
| 16 | Aluminum holder | 1 |
| 17 | Plastic Handle | 1 |
| 18 | Philips Screw | 2 |
| 19 | Bearing | 1 |
| 20 | Rotor | 1 |
| 21 | Bearing | 1 |
| 22 | Stator | 1 |
| 23 | Motor Housing | 1 |
| 24 | Under Washer | 1 |
| No. | Part Name | Quantity |
| 25 | Motor Rear Cover | 1 |
| 26 | Outer Hex Bolt | 4 |
| 27 | Fan Blade | 1 |
| 28 | Spring Washer | 1 |
| 29 | Fan Cover | 1 |
| 30 | Philips Screw | 4 |
| 31 | Spring Washer | 1 |
| 32 | Flat Washer 6*12*1.0 S | 1 |
| 33 | Support Foot | 1 |
| 34 | Terminal Box Holder | 1 |
| 35 | Philips Screw | 4 |
| 36 | Square Washer | 1 |
| 37 | Self-tapping Screw S | 2 |
| 38 | Power Cord Clip | 1 |
| 39 | Power Cable Jacket | 1 |
| 40 | Terminal Box Cover | 1 |
| 41 | Triangular groove screw | 4 |
| 42 | Square Seal Washer | 1 |
| 43 | Waterproof Switch | 1 |
| 44 | Switch Cover | 1 |
| 45 | Outer Frame of Switch | 1 |
| 46 | Capacitor | 1 |
| 47 | Capacitor Holder | 1 |
| 48 | Power Cord | 1 |
Schematic representation
TGP 1000 E
TGP 1000 ES
Only for United Kingdom
According to Waste Electrical and Electronic Equipment
Regulations 2013 (2013/3113) devices that are no longer usable must be collected separately and disposed of in an environmentally friendly manner.
Disposal
Always dispose of packing materials in an environmentallyfriendly manner and in accordance with the applicable local disposal regulations.
The icon with the crossed-out waste bin on waste electrical or electronic equipment stipulates that this equipment must not be disposed of with the household waste at the end of its life. You will find collection points for free return of waste electrical and electronic equipment in your vicinity. The addresses can be obtained from your municipality or local administration. You can also find out about other return options that apply for many EU countries on the website https://hub.trotec.com/?id=45090. Otherwise, please contact an official recycling centre for electronic and electrical equipment authorised for your country.
The separate collection of waste electrical and electronic equipment aims to enable the re-use, recycling and other forms of recovery of waste equipment as well as to prevent negative effects for the environment and human health caused by the disposal of hazardous substances potentially contained in the equipment.
Costumer Service
Trotec GmbH
Grebbener Str. 7
D-52525 Heinsberg
+49 2452 962-400
+49 2452 962-200
[email protected]
www.trotec.com





























