AMOSENSE SB42SW Security and Safety Button User Manual
Description

It is a module that relays wired/wireless communication between the authentication control unit installed in the vehicle and the user’s mobile phone for the vehicle owner authentication.

The product allows users to access the following features:

Specification
| Rated voltage | DC 12V | |
| Operating Voltage | DC 9V-16V | |
| Operating Temp. | -40°C – 95`C | |
| Storage Temp. | -40°C – 95`C | |
| Idle Current | 2.0 mA Max | |
| RF Range | 2 402MHz – 2 480MHz | |
| RF Power(MAX EIRP) | ANTO | 5.50 dBm |
| ANTI | 5.30 dBm | |
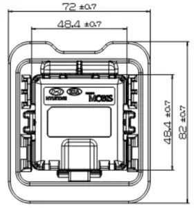
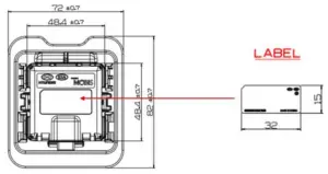
Dimension


PIN MAP

| NO. | PIN NAME |
| 1 | CAN_H |
| 2 | B+ |
| 3 | GND |
| 4 | CAN_L |
Note. The signal cable length of the product is not more than 3M.
Label information


- Part Name
- Customer Part Number
- Customer information
- Date of manufacture + serial number
- Model name
- Certification Number
- Manufacture
- Origin
Installation Guide
This product is installed in the headlining position of the car if the user chooses the digital key option when purchasing the vehicle.
FCC warning
This equipment has been tested and found to comply with the limits for a Class B digital device, pursuant to part 15 of the FCC Rules. These limits are designed to provide reasonable protection against harmful interference in a residential installation.
This equipment generates, uses and can radiate radio frequency energy and, if not installed and used in accordance with the instructions, may cause harmful interference to radio communications. However, there is no guarantee that interference will not occur in a particular installation. If this equipment does cause harmful interference to radio or television reception, which can be determined by turning the equipment off and on, the user is encouraged to try to correct the interference by one or more of the following measures:
- Reorient or relocate the receiving antenna.
- Increase the separation between the equipment and receiver.
- Connect the equipment into an outlet on a circuit different from that to which the receiver is connected.
- Consult the dealer or an experienced radio/TV technician for help
Caution: Any changes or modifications to this device not explicitly approved by manufacturer could void your authority to operate this equipment.
This device complies with part 15 of the FCC Rules. Operation is subject to the following two conditions:
- This device may not cause harmful interference, and
- this device must accept any interference received, including interference that may cause undesired operation.
This equipment complies with FCC radiation exposure limits set forth for an uncontrolled environment. This equipment should be installed and operated with minimum 20 cm between the radiator and your body. This transmitter must not be collocated or operating in conjunction with any other antenna or transmitter unless authorized to do so by the FCC.
IC Warning
This device complies with Industry Canada license-exempt RSS standard(s). Operation is subject to the following two conditions:
- This device may not cause interference; and
- This device must accept any interference, including interference that may cause undesired operation of the device.
Tel : +82-41-590-5700
Web page : www.amosense.co.kr




















