Dimplex AC3N 3kW Over Door Heater

IMPORTANT: THESE INSTRUCTIONS SHOULD BE READ CAREFULLY AND RETAINED FOR FUTURE REFERENCE
IMPORTANT SAFETY ADVICE
- DO NOT COVER OR OBSTRUCT the air inlet or outlet grille.
- ENSURE THE APPLIANCE IS EARTHED.
- Do not use this heater in areas where excessive dust exists.
- This heater must not be located immediately above or below a fi xed socket outlet or connection box. Always disconnect supply before working on the product.
- This product should be mounted safely to solid wall or ceiling surfaces only.
- Ensure the supply cables are of adequate current carrying capacity and are protected by a suitable fuse. If the appliance is mounted in a toilet or washroom, the appliance should be mounted such that no part of it can be touched by a person using a fixed bath or shower.
- If the appliance is mounted in a toilet or washroom an isolating switch must be provided outside the washroom adjacent to the entrance door.
- This appliance can be used by children aged from 8 years and above and persons with reduced physical, sensory or mental capabilities or lack of experience and knowledge if they have been given supervision or instruction concerning use of the appliance in a safe way and understand the hazards involved. Children shall not play with the appliance. Cleaning and user maintenance shall not be made by children without supervision.
- Children of less than 3 years should be kept away unless continuously supervised. Children aged from 3 years and less than 8 years shall only switch on/off the appliance provided that it has been placed or installed in its intended normal operating position and they have been given supervision or instruction concerning use of the appliance in a safe way and understand the hazards involved.
- Children aged from 3 years and less than 8 years shall not plug in, regulate and clean the appliance or perform user maintenance.
- CAUTION — Some parts of this product can become very hot and cause burns. Particular attention has to be given where children and vulnerable people are present.
- This heater is not equipped with a device to control the room temperature. Do not use this heater in small rooms when they are occupied by persons not capable of leaving the room on their own, unless constant supervision is provided.
ATTENTION: IN ORDER TO AVOID OVERHEATING DO NOT COVER. - The Ecodesign Regulation (EU) 2015/1188 does not apply to the AC Range of Over Door Heater which
is intended for purposes other than indoor space heating to reach and maintain a certain thermal comfort of human beings.
Electrical
The installation of this appliance should be carried out by a competent electrician and be in accordance with the current IEE wiring regulations. Only heat resistant ordinary polyvinyl chloride sheathed flexible cord should be used. IE60227 IEC57, rated T90
Fixing Positions
This appliance may be either wall-mounted or fixed to a ceiling – see Fig. 2 for various fixing positions and ‘Installation’ see section below, for details on fixing. Heaters may be mounted end to end for wide doorways.

Installation
Using the wall mounting bracket as a guide (see ‘a’ in Fig. 3) mark off the hole positions on the wall or ceiling (see ‘B’ in Fig. 1). A minimum height of 1.8 metres is required from floor to bracket.


Fix the bracket in position by following steps as described under the heading ‘Wall or Ceiling Mounting’.
Wall or Ceiling Mounting
- Solid brick or concrete block walls must be drilled and plugged (using a spirit level as a guide ensure bracket is level), due to different types of wall constructions fixings are not included, ensure the correct fixings are used. The plug must be located in the solid part of the wall, not just in the plaster layer.
- For panelled internal walls or ceilings, it is best to locate the studding, position the heater fixing bracket accordingly and use screws supplied. If it is not possible to locate the studding, use type M5 Rawlplug inserts, making the 10mm holes with a drill rather than a bradawl or a screwdriver.
- Locate the heater on the mounting bracket ensuring that the pozihead screws are fully engaged in the slots of the bracket.
- It is important that the serrated metal washer (a) is located between the heater holding bracket (b) and the wall mounting bracket (c).
- Adjust heater to the required angle then firmly tighten the fixing screw (d) inside the end cap (e) using a cross-head screwdriver (f) as shown in Fig. 4.

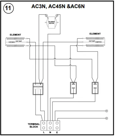
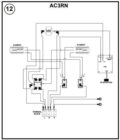
Electrical connection
- Release the screws at either end of the air-outlet grille (see Fig. 5) to gain access to the terminals for connection of the supply cable – see Fig. 6.


- Insert the mains cable down the outside of the back panel (not on inside) and through the rear entry cable clamp and make connection as shown in Fig. 6 (see also Fig. 7 for detailed views of cable clamp).
- Fig. 7a shows the cable clamp detail for AC3N & AC3RN models.
- Fig. 7b shows cable clamp detail for AC45N & AC6N models. Note : Part ‘A’ of cable clamp is flipped over to receive the larger cable.

- Connection to fixed wiring should be made through an adjacent minimum 20 amp double-pole switch for AC3N, AC3RN & AC45N models.
- Connection to fixed wiring should be made through an adjacent minimum 30 amp double-pole switch for AC6N model with a minimum separation of 3mm in each pole.
- Resecure the outlet grille.
- Ensure that the air-curtain is securely fastened and that the supply cable is firmly clamped before operating the appliance.
- Operation (AC3N, AC45N & AC6N models)
- Switch on electricity supply to the heater.
- Switching the switch marked ‘I’ energises the blower.
- Select ‘l’ and the smaller switches marked ‘’ as required (see Fig. 9)


Operation (AC3RN & AC6RN model)
- Switch on electricity supply to the heater.
- Select the switch position ‘MAN’ for Manual Operation.
- Select the switch position ‘AUTO’ for Operation via the remote control.
- Select the desired heat output using the smaller switches marked ‘’ (see Fig. 10).

- To operate the remote control you must first select ‘AUTO’. The heater may now be turned On or Off using the Remote Control (see Fig. 8).


- ‘AUTO’ will default to ‘OFF’ if the remote control is not being used.
NOTE. Infra red technology is used for the remote control link, the range is 8 meters in line of slight. - If the remote control becomes lost, switch off at the mains supply for at least 30 seconds and select ‘MAN’ for Manual Operation.
Remote Control (AC3RN & AC6RN model only)
- Insert 2 off 1.5 volt AAA batteries into the remote control handset.
- Switch the heater to ‘AUTO’ for automatic operation.
- Press the I button to activate the heater, and O to turn off . If the remote control does not operate the heater, first check batteries, then point remote directly at the heater before operating.
- The remote control may be placed, when not in use, in the provided wall-mounted holster (see Fig. 8). Screws and rawlplugs for wall fixing the holster are provided.
Important Battery Information
- Discard leaking batteries.
- Dispose of batteries in the proper manner according to Provincial and local regulations. Any battery may leak electrolyte if mixed with a different battery type, if inserted incorrectly, if all the batteries are not replaced at the same time, if disposed of in a fire or if an attempt is made to charge a battery not intended to be recharged.
Thermal Safety Cut-outs
The power supply to the heating elements will be interrupted if one or a combination of the following abnormal events occurs.
- Air inlet or outlet grilles are obstructed.
- Internal ventilation is impaired due to build up of dust and fluff .
- Blower unit stalls
Note : If the cut-out operates, the fan may continue to run impairing the performance of the heater. If this occurs, turn off unit immediately and follow the reset procedure below.
Procedure for resetting cut-out(s)
Establish cause and eliminate.
Follow the steps below to reset cut-out(s)
- Disconnect power supply.
- Pass small fl at head screwdriver through Air Inlet/Outlet panel ‘B’ to button side of cut-out (see ‘g’ in Fig. 14) avoiding contact with element (see ‘e’ in Fig. 14).

- Press reset button in direction shown in Fig. 14 to reset cut-out. (Cut-out clicks when reset)
- Remove screwdriver carefully.
- Turn on supply.
If the cut-out continues to operate intermittently, the heater should be switched off and a service agent contacted.
Maintenance
WARNING : Disconnect the heater from the mains
supply before carrying out maintenance.
This product is designed to require no maintenance. If operated in an extremely dusty environment it may however be necessary to carefully brush clean the air-inlet grille from time to time.
Recycling
- For electrical products sold within the European Community.
- At the end of the electrical products useful life it should not be disposed of with household waste. Please recycle where facilities exist.
- Check with your Local Authority or retailer for recycling advice in your country.
Cleaning
WARNING: ALWAYS DISCONNECT POWER
SUPPLY before cleaning the heater.
- Do not use detergents, abrasive cleaning powders or polish of any kind on the heater.
- External appearance can be maintained by wiping occasionally with a damp cloth ; for stain removal, a weak soap solution can be applied with a cloth and the surface wiped dry. Care must be taken to avoid any moisture ingress into the product.
- Ensure that dust or fl uff does not accumulate inside the heater as this could lead to overheating of the element. Use a vacuum cleaner to remove any fl uff which does accumulate.
After Sales Service
- Should you require after sales service or should you need to purchase any spares, please contact the retailer from whom the appliance was purchased or contact the service number relevant to your country on the warranty card.
- Please do not return a faulty product to us in the fi rst instance as this may result in loss or damage and delay in providing you with a satisfactory service.
- Please retain your receipt as proof of purchase.
WIRING DIAGRAM
































