C319X
Quick Guide
Unpacking
Please make sure the package contains the following items:
![]() | Plastic wall anchors x 4 |
| ST4x20 screw x 4 | |
| M4x30 screw x 4 | |
| M3x6 screw x 1 | |
| M3x10.5 screw x 1 | |
| Allen Wrench x 1 | |
| 10 Pin cable x 1 | |
| 11 Pin cable x 1 | |
| Wall bracket x 1 | |
| C319X x 1 | |
| Diode x 2 |
Product Overview
Front Panel
Right Side

Installation
Step 1: Wall Bracket Installation Without embedded box in the wall 
According to the position of the cable in the wall, dig out a square hole(height*width*depth =66*50*50 mm) that can accommodate all cables.
Align the square holes of the wall bracket with the holes previously dug, and then mark the four fixing holes of the wall bracket on the wall.
Take down the bracket and drill the four marked fixing holes on the wall (5 mm drill bit required).
Once the fixing holes were made, insert plastic wall anchors provided.
Twist the M3x10.5 screw into the bottom hole of the bracket until the tail of which aligns to the edge. Then fix the wall bracket on the wall with four ST4x20 screws. If there is a ground wire to be connected, use an M3x6 screw to fix it on the wall bracket.
With an embedded box in the wall
Make sure all cables in the embedded box . 
Twist the M3x10.5 screw into the bottom hole of the wall bracket until the tail of it align with the edge. Then fix the wall bracket on the wall with two/four M4x30 screws. If there is a ground wire to be connected, use an M3x6 screw to fix it on the wall bracket.
Step 2: Device Mounting

Connect the cables to the device.

Push down to fix the device securely. Use the Allen wrench to tighten the device with one M3x10.5 screw.
Configuration
Make a call:
Enter the callee’s number, then press Dial
icon to make an audio call, or press the video camera
icon to make a video call. Press
the icon to hang up.
Receive a call:
Press
the icon to pick up the incoming call in video mode or press
to pick up the call in audio mode.
Unlock:
During the talk, you can press the Unlock
icon on the talking screen to unlock the door.
Monitor:
Press the Monitor
icon to receive the video from the door phone or from third-party devices.
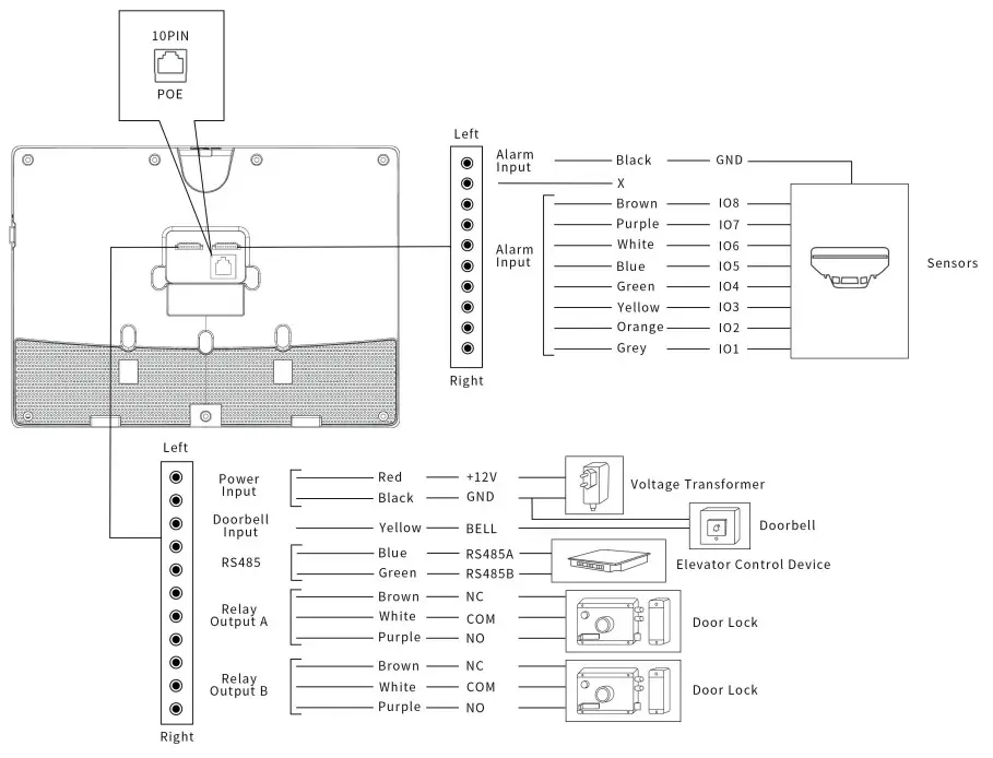
Device Wiring

Warning
When you connect a device containing a coil, such as a relay or an electromagnetic lock, it is necessary to protect the intercom against voltage peak while switching off the induction load. For this way of protection, we recommend a diode 1 A / 200 V (included in the accessories) connected antiparallel to the device.

Notice Information

Information contained in this document is believed to be accurate and reliable at the time of printing. This document is subject to change without notice, any update to this document can be viewed on Akuvox’s website: http://www.akuvox.com Copyright 2019 Akuvox Ltd. All rights reserved
AKUVOX (XIAMEN) NETWORKS CO., LTD.
ADD: 10/F, NO.56 GUANRI ROAD, SOFTWARE PARK II, XIAMEN 361009, CHINA
www.akuvox.com





















