EGOLUCE 1679 IRIS Pendant Light

INSTALLATION
cable preparing
Screw and plugs not included
PRESERVE THIS INSTRUCTION
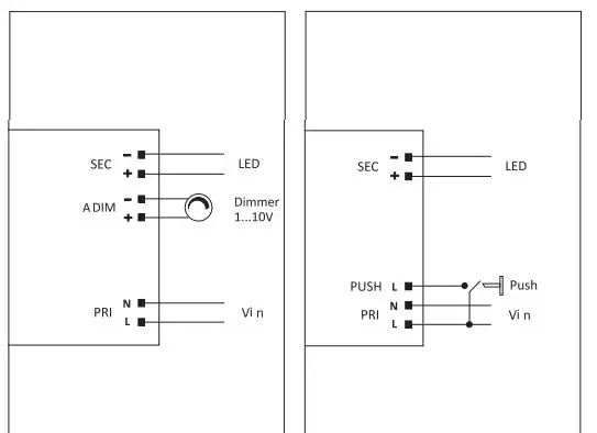
Wiring diagram

The fitting has to be installed and maintainedonly by qualified staff. Before any operation on this equipment, disconnect the power supply. For a correct assembling see the here enclosed diagram. This product contains a light source of energy efficiency class F. EU2019/15
RAEE Symbol (Waste Electrical and Electronic Equipment). The use of the RAEE symbol indicates that this product may not be treated as household waste. By ensuring this product is disposed of correctly, you will help protect the environment. For more detailed information about the recycling of this product, please contact your local authority, your household waste disposal service provider or the shop where you purchased the product.
Apparecchio adatto ad essere installato su superfici normalmente infiammabili. Fixture ready for mouting on normally inflammable surfaces. Appareil pouvant être installé sur des surfaces normalement inflammables. Apparat, der auf normal entflammbare Oberflächen angebracht werden kann. Aparato idóneo para ser utilizado en superficies normalmente inflamables.


























