Diamond HP122T-4Q Split Refrigerator CAP: 23.8m3. -5° 5°. User Manual
Dimension
“ST” RANGE
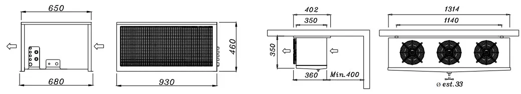
Drawing 6

| HBP | MBP | LBP | ||||||||||||
| Mod. | S[mm] | D[mm] | Net. Weight [Kg] | Mod. | S[mm] | D[mm] | Net. Weight [Kg] | Mod. | S[mm] | D[mm] | Net. Weight [Kg] | |||
| Cond.Unit | Evap. | Cond.Unit | Evap. | Cond.Unit | Evap. | |||||||||
| STH003 STH006 | 1010 | 66 | 44.345.7 | 6.17.2 | STM003 STM006 | 1010 | 66 | 45.346.7 | 6.17.2 | STL003 STL006 | 10 12 | 6 6 | 53.8 54.6 | 6.1 7.2 |
Drawing 7

| HBP | MBP | LBP | ||||||||||||
| Mod. | S[mm] | D[mm] | Net. Weight [Kg] | Mod. | S[mm] | D[mm] | Net. Weight [Kg] | Mod. | S[mm] | D[mm] | Net. Weight [Kg] | |||
| Cond.Unit | Evap. | Cond.Unit | Evap. | Cond.Unit | Evap. | |||||||||
| STH009 STH016 | 1212 | 66 | 53.557 | 10.712.5 | STM009 STM012 STM016 | 121212 | 666 | 475557 | 10.710.712.5 | STL009 | 12 | 6 | 68.6 | 10.7 |
Drawing 8

| LBP | ||||
| Mod. | S[mm] | D[mm] | Net. Weight [Kg] | |
| Cond.Unit | Evap. | |||
| STL012 | 12 | 10 | 65 | 10.7 |
Drawing 9

| HBP | MBP | LBP | ||||||||||||
| Mod. | S[mm] | D[mm] | Net. Weight [Kg] | Mod. | S[mm] | D[mm] | Net. Weight [Kg] | Mod. | S[mm] | D[mm] | Net. Weight [Kg] | |||
| Cond.Unit | Evap. | Cond.Unit | Evap. | Cond.Unit | Evap. | |||||||||
| STH022 | 16 | 10 | 62.3 | 17.7 | STM022 | 16 | 10 | 63 | 19 | STL016 | 16 | 10 | 74 | 19 |
Drawing 10

| HBP | MBP | ||||||||
| Mod. | S[mm] | D[mm] | Net. Weight [Kg] | Mod. | S[mm] | D[mm] | Net. Weight [Kg] | ||
| Cond.Unit | Evap. | Cond.Unit | Evap. | ||||||
| STH034 | 16 | 10 | 84.8 | 25.2 | STM034 | 16 | 10 | 85 | 27 |
Drawing 11

| HBP | MBP | LBP | ||||||||||||
| Mod. | S[mm] | D[mm] | Net. Weight [Kg] | Mod. | S[mm] | D[mm] | Net. Weight [Kg] | Mod. | S[mm] | D[mm] | Net. Weight [Kg] | |||
| Cond.Unit | Evap. | Cond.Unit | Evap. | Cond.Unit | Evap. | |||||||||
| STH054 | 16 | 10 | 90.8 | 28.2 | STM054 | 18 | 10 | 92 | 30 | STL024 STL034 | 1618 | 10 10 | 88 100 | 27 30 |
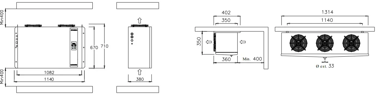
Drawing12

| MBP | LBP | ||||||||
| Mod. | S[mm] | D[mm] | Net. Weight [Kg] | Mod. | S[mm] | D[mm] | Net. Weight [Kg] | ||
| Cond.Unit | Evap. | Cond.Unit | Evap. | ||||||
| STM068* STM080* | 2222 | 1212 | 109.4118.7 | 46.651.3 | STL060* STL080* | 2828 | 1212 | 125.4126.7 | 46.651.3 |
Model not available with fast connections and gas charge
Drawing 13

| MBP | LBP | ||||||||
| Mod. | S[mm] | D[mm] | Net. Weight [Kg] | Mod. | S[mm] | D[mm] | Net. Weight [Kg] | ||
| Cond.Unit | Evap. | Cond.Unit | Evap. | ||||||
| STM110* | 28 | 12 | 144.6 | 57,4 | STL130* | 28 | 16 | 173.6 | 57,4 |
Drawing 14

| MBP | LBP | ||||||||
| Mod. | S[mm] | D[mm] | Net. Weight [Kg] | Mod. | S[mm] | D[mm] | Net. Weight [Kg] | ||
| Cond.Unit | Evap. | Cond.Unit | Evap. | ||||||
| STM140* STM200* | 2835 | 1216 | 156.3178 | 78.789 | STL180* STL200* STL260* | 353535 | 161616 | 232.3229232 | 78.78989 |
Drawing 15

| HBP | MBP | LBP | ||||||||||||
| Mod. | S[mm] | D[mm] | Net. Weight [Kg] | Mod. | S[mm] | D[mm] | Net. Weight [Kg] | Mod. | S[mm] | D[mm] | Net. Weight [Kg] | |||
| Cond.Unit | Evap. | Cond.Unit | Evap. | Cond.Unit | Evap. | |||||||||
| SPH003 SPH006 | 1010 | 66 | 42.344.7 | 6.77.3 | SPM003 SPM006 | 1010 | 66 | 43.342.7 | 6.77.3 | SPL003 | 10 | 6 | 48.8 | 7.2 |
Drawing 16

| HBP | MBP | LBP | ||||||||||||
| Mod. | S[mm] | D[mm] | Net. Weight [Kg] | Mod. | S[mm] | D[mm] | Net. Weight [Kg] | Mod. | S[mm] | D[mm] | Net. Weight [Kg] | |||
| Cond.Unit | Evap. | Cond.Unit | Evap. | Cond.Unit | Evap. | |||||||||
| SPH009 | 12 | 6 | 53.5 | 10.5 | SPM009 | 12 | 6 | 56.5 | 10.5 | SPL006 | 12 | 6 | 54.6 | 10.4 |
Drawing 17

| HBP | MBP | LBP | ||||||||||||
| Mod. | S[mm] | D[mm] | Net. Weight [Kg] | Mod. | S[mm] | D[mm] | Net. Weight [Kg] | Mod. | S[mm] | D[mm] | Net. Weight [Kg] | |||
| Cond.Unit | Evap. | Cond.Unit | Evap. | Cond.Unit | Evap. | |||||||||
| SPH016 | 12 | 6 | 54.5 | 11.5 | SPM016 | 12 | 6 | 58.5 | 11.5 | SPL009 | 12 | 6 | 70.6 | 11.4 |
Drawing 18

| HBP | MBP | LBP | ||||||||||||
| Mod. | S[mm] | D[mm] | Net. Weight [Kg] | Mod. | S[mm] | D[mm] | Net. Weight [Kg] | Mod. | S[mm] | D[mm] | Net. Weight [Kg] | |||
| Cond.Unit | Evap. | Cond.Unit | Evap. | Cond.Unit | Evap. | |||||||||
| SPH022 | 16 | 10 | 91.3 | 17.7 | SPM022 | 16 | 10 | 89 | 19 | SPL016 | 16 | 10 | 76 | 19 |
Drawing 19

| HBP | MBP | LBP | ||||||||||||
| Mod. | S[mm] | D[mm] | Net. Weight [Kg] | Mod. | S[mm] | D[mm] | Net. Weight [Kg] | Mod. | S[mm] | D[mm] | Net. Weight [Kg] | |||
| Cond.Unit | Evap. | Cond.Unit | Evap. | Cond.Unit | Evap. | |||||||||
| SPH034 SPH054 | 1616 | 1010 | 97.8131.8 | 25.228.2 | SPM034 SPM054 | 1618 | 1010 | 9495 | 2730 | SPL024 SPL034 | 1618 | 10 10 | 126 128 | 27 30 |
Drawing 12

| MBP | LBP | ||||||||
| Mod. | S[mm] | D[mm] | Net. Weight [Kg] | Mod. | S[mm] | D[mm] | Net. Weight [Kg] | ||
| Cond.Unit | Evap. | Cond.Unit | Evap. | ||||||
| SPM068* | 22 | 12 | 117.4 | 46.6 | SPL060* | 28 | 12 | 144.4 | 46.6 |
| SPM080* | 22 | 12 | 130.7 | 51.3 | SPL080* | 28 | 12 | 145.7 | 51.3 |
Drawing 21

| MBP | LBP | ||||||||
| Mod. | S[mm] | D[mm] | Net. Weight [Kg] | Mod. | S[mm] | D[mm] | Net. Weight [Kg] | ||
| Cond.Unit | Evap. | Cond.Unit | Evap. | ||||||
| SPM110* | 28 | 12 | 211.6 | 68.4 | SPL130* | 28 | 16 | 254.6 | 68.4 |
| SPM140* | 28 | 12 | 218.3 | 78.7 | SPL180* | 35 | 16 | 262.3 | 78.7 |
| SPM200* | 35 | 16 | 241 | 89 | SPL200* | 35 | 16 | 292 | 89 |
| SPL260* | 35 | 16 | 295 | 89 | |||||
Drawing 22

| MBP | LBP | ||||||||
| Mod. | S[mm] | D[mm] | Net. Weight [Kg] | Mod. | S[mm] | D[mm] | Net. Weight [Kg] | ||
| Cond.Unit | Evap. | Cond.Unit | Evap. | ||||||
| SPM300* SPM370* | 3535 | 1616 | 455.1475.9 | 124.9134.1 | SPL350* SPL450* | 4242 | 2222 | 525.1545.9 | 124.9134.1 |
Drawing 23

Pre-charged pipe connections
| RANGE TENP. | BLOCKSYSTEM | BLOCKSYSTEM | Liquid line | Suction | Pipe connections m 2 | Pipe connections m 5 | Pipe connections m 10 |
|
HBP | STH003E001 | SPH003E001 | 6 | 10 | KIT2610/E | KIT5610/E | KIT10610/E |
| STH006E001 | SPH006E001 | 6 | 10 | KIT2610/E | KIT5610/E | KIT10610/E | |
| STH009E001 | SPH009E001 | 6 | 12 | KIT2612/E | KIT5612/E | KIT10612/E | |
| STH003Y001 | SPH003Y001 | 6 | 10 | KIT2610/Y | KIT5610/Y | KIT10610/Y | |
| STH006Y001 | SPH006Y001 | 6 | 10 | KIT2610/Y | KIT5610/Y | KIT10610/Y | |
| STH009Y001 | SPH009Y001 | 6 | 12 | KIT2612/Y | KIT5612/Y | KIT10612/Y | |
| STH003Z001 | SPH003Z001 | 6 | 10 | KIT2610/Z | KIT5610/Z | KIT10610/Z | |
| STH006Z001 | SPH006Z001 | 6 | 10 | KIT2610/Z | KIT5610/Z | KIT10610/Z | |
| STH009Z001 | SPH009Z001 | 6 | 12 | KIT2612/Z | KIT5612/Z | KIT10612/Z | |
|
MBP | STM003E001 | SPM003E001 | 6 | 10 | KIT2610/E | KIT5610/E | KIT10610/E |
| STM006E001 | SPM006E001 | 6 | 10 | KIT2610/E | KIT5610/E | KIT10610/E | |
| STM009E001 | SPM009E001 | 6 | 12 | KIT2612/E | KIT5612/E | KIT10612/E | |
| STM003Y001 | SPM003Y001 | 6 | 10 | KIT2610/Y | KIT5610/Y | KIT10610/Y | |
| STM006Y001 | SPM006Y001 | 6 | 10 | KIT2610/Y | KIT5610/Y | KIT10610/Y | |
| STM009Y001 | SPM009Y001 | 6 | 12 | KIT2612/Y | KIT5612/Y | KIT10612/Y | |
| STM003Z001 | SPM003Z001 | 6 | 10 | KIT2610/Z | KIT5610/Z | KIT10610/Z | |
| STM006Z001 | SPM006Z001 | 6 | 10 | KIT2610/Z | KIT5610/Z | KIT10610/Z | |
| STM009Z001 | SPM009Z001 | 6 | 12 | KIT2612/Z | KIT5612/Z | KIT10612/Z | |
| LBP | STL003Z011 | SPL003Z011 | 6 | 10 | KIT2610/Z | KIT5610/Z | KIT10610/Z |
| STL006Z011 | SPL006Z011 | 6 | 12 | KIT2612/Z | KIT5612/Z | KIT10612/Z |
|
HBP | STH016E001 | SPH016E001 | 6 | 12 | KIT2612/E | KIT5612/E | KIT10612/E |
| STH022E012 | SPH022E012 | 10 | 16 | KIT21016/E | KIT51016/E | KIT101016/E | |
| STH016Y001 | SPH016Y001 | 6 | 12 | KIT2612/Y | KIT5612/Y | KIT10612/Y | |
| STH022Y012 | SPH022Y012 | 10 | 16 | KIT21016/Y | KIT51016/Y | KIT101016/Y | |
| STH016Z001 | SPH016Z001 | 6 | 12 | KIT2612/Z | KIT5612/Z | KIT10612/Z | |
| STH022Z012 | SPH022Z012 | 10 | 16 | KIT21016/Z | KIT51016/Z | KIT101016/Z | |
|
MBP | STM016E001 | SPM016E001 | 6 | 12 | KIT2612/E | KIT5612/E | KIT10612/E |
| STM022E012 | SPM022E012 | 10 | 16 | KIT21016/E | KIT51016/E | KIT101016/E | |
| STM016Y001 | SPM016Y001 | 6 | 12 | KIT2612/Y | KIT5612/Y | KIT10612/Y | |
| STM022Y012 | SPM022Y012 | 10 | 16 | KIT21016/Y | KIT51016/Y | KIT101016/Y | |
| STM016Z001 | SPM016Z001 | 6 | 12 | KIT2612/Z | KIT5612/Z | KIT10612/Z | |
| STM022Z012 | SPM022Z012 | 10 | 16 | KIT21016/Z | KIT51016/Z | KIT101016/Z | |
| LBP | STL009Z011 | SPL009Z011 | 6 | 12 | KIT2612/Z | KIT5612/Z | KIT10612/Z |
| STL016Z012 | SPL016Z012 | 10 | 16 | KIT21016/Z | KIT51016/Z | KIT101016/Z |
|
HBP | STH034E012 | SPH034E012 | 10 | 16 | KIT21016/E | KIT51016/E | KIT101016/E |
| STH054E012 | SPH054E012 | 10 | 16 | KIT21016/E | KIT51016/E | KIT101016/E | |
| STH034Y012 | SPH034Y012 | 10 | 16 | KIT21016/Y | KIT51016/Y | KIT101016/Y | |
| STH054Y012 | SPH054Y012 | 10 | 16 | KIT21016/Y | KIT51016/Y | KIT101016/Y | |
| STH034Z012 | SPH034Z012 | 10 | 16 | KIT21016/Z | KIT51016/Z | KIT101016/Z | |
| STH054Z012 | SPH054Z012 | 10 | 16 | KIT21016/Z | KIT51016/Z | KIT101016/Z | |
|
MBP | STM034E012 | SPM034E012 | 10 | 16 | KIT21016/E | KIT51016/E | KIT101016/E |
| STM054E012 | SPM054E012 | 10 | 18 | KIT21018/E | KIT51018/E | KIT101018/E | |
| STM034Y012 | SPM034Y012 | 10 | 16 | KIT21016/Y | KIT51016/Y | KIT101016/Y | |
| STM054Y012 | SPM054Y012 | 10 | 18 | KIT21018/Y | KIT51018/Y | KIT101018/Y | |
| STM034Z012 | SPM034Z012 | 10 | 16 | KIT21016/Z | KIT51016/Z | KIT101016/Z | |
| STM054Z012 | SPM054Z012 | 10 | 18 | KIT21018/Z | KIT51018/Z | KIT101018/Z | |
| LBP | STL024Z012 | SPL024Z012 | 10 | 16 | KIT21016/Z | KIT51016/Z | KIT101016/Z |
| STL034Z012 | SPL034Z012 | 10 | 18 | KIT21018/Z | KIT51018/Z | KIT101018/Z |
BLOCKSYSTEM ST-SP Pag. 97 Rev. 10 11/10



















