NATERIAL DC116 ANEMO ZN


WARNING! THIS INSTRUCTION MANUAL SHALL BE READ BEFORE THE USE AND THE INSTALLATION OF THE PRODUCT.
WARNING: Important safety instructions. It is important for the safety of persons to follow these instructions. Save these instructions.
Never try to disassemble the wind sensor or repair the awning by yourself. Consult a competent technician for help.
GENERAL
WARNING: Important safety instructions. Please follow all the instructions because a faulty setup may result in serious injuries.
Follow all safety instructions to avoid damage through improper use! Follow all warning notices on the appliance.
Keep this instruction manual for future use. Should this appliance be passed on to a third party, this instruction manual must be included.
Use this appliance only for its intended use.
No responsibility is accepted for damage resulting from improper use or non-compliance with these instructions.
ASSEMBLY
A horizontal distance of at least 0.4 m is to be maintained between fully unrolled driven part and any permanent object
Means for disconnection having a contact separation inali poles must be incorporated in the fixed wiring in accordance with the wiring rules, make sure that you have the appropriate tools, and space, and a clean and dry area to perform the installation.
Switch the power off before cable installation.
Before installing the product, remove the unnecessary cord and disable any equipment not needed for power operation.
Choosing a safe location
In case of use of a command box, the electronics board must be set vertically and sheltered from the weather
The installation can be made by non-professionaIs assuming the instruction is followed correctly. Should you have any trouble during assembly, please consult a qualified person for help.
Be careful with your fingers during installation.
ELECTRICAL SAFETY
CAUTION: The setup must comply with the NCF 15-100 standard. For your safety, please make sure that the electric current is switched off before carrying out any setup or connection operation.
What you will need: hardware not provided:
>Waterproof junction box (P54)
> Cables
Before connecting the appliance to the power supply, check that the power supply voltage and current rating corresponds with the power supply details shown on the appliance rating label.
A readily accessible disconnect device must be incorporated in the fixed wiring in compliance with setup regulations.
Danger of electric shock! Do not attempt to repair the appliance yourself. In case of malfunction, repairs are to be conducted by qualified personnel only.
If the supply cord is damaged, it must be replaced by the manufacturer, its service agent or similarly qualified persons in order to avoid a hazard.
For an inspection or maintenance of the electrical parts, the external blind shall be disconnected from the energy supply in a reliable way.
USE
The max. load for non-retractable part: 800Pa.
The actuating member is to be accessible from a height lower than 1.3m
Do not modify the appliance in any way!
Never open the electronic command box (this will void the warranty).
Never use accessories which are not recommended by the manufacturer. They could pose
a safety risk to the user and might damage the appliance. Only use original parts and accessories. Adapt the fixing to the type of the wall.
Do not use it in places of high temperature such as walls near furnaces (at least -33 °C to 40 °C). The operation in frosty conditions may damage the wind sensor.
Never use a damaged appliance! Disconnect the appliance from the power supply and contact your supplier if it is damaged.
Store the transmitter inside the house.
TECHNICAL SPECIFICATIONS DC116
| Supply Voltage | 230V~50Hz |
| Nominal power: | 0.3W |
| Protection class: | IP44 |
| Model of the wind sensor | Dooya DC116 |
| Maximum RF Transmit Power: | 10dBm |
| Frequency of the transmitter: | 433.92MHz |
| Protection against electric shock | Class II |
DISPOSAL AND RECYCLING
This product is equipped with the sign for separate collection and sorting of waste electrical and electronic equipment (WEEE). This means that when this type of product is processed and dismantled, it must comply with the requirements of European Directive 2012/19/EU, to reduce the negative impact on the environment. For more information, contact your local or regional authorities.
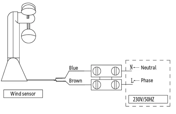
Circuit installation


The best installation position

If you want to change the installation site, open the power junction box, then loosen the mounting screws. After adjusting the installation site, tighten the screws up

Operation mode

| Wind grade reference | |
| 0/1 grade | 15km/h |
| 2 grade | 30km/h |
| 3 grade | 45km/h |
The above grades equal to
1: When the grade is «0».»1», the wind reaches over 15 km/h, the awning will fold, LED flashing
2: When the grade is «2», the wind reaches over 30 km/h, the awning will fold, LED flashing
3: When the grade is «3», the wind reaches over 45 km/h, the awning will fold, LED flashing
Replace with a new wind sensor, and match it with the remote controller.

When motor is powered on, press the (P2) button of the remote controller twice, then press the (P2) button of wind sensor once to complete the matching process. Once the remote controller is linked to the wind sensor, the awning will be closed when the (UP) button of the wind sensor is pressed.
Press

EC Declaration of conformity
Product Model ANEMO ZN
Name and address of the manufacturer or his authorised representative
ADEO Services, 135 Rue Sadi Carnot – CS 00001 59790 RONCHIN – France
Object of the declaration
Product Type – Description| ACCESSORY ANENOMETER FOR ZEFIR AND NORI NATERIAL
Product Reference|
82752724 – EAN Code: 3276007182255 Industrial Type Design Reference: ANEMO ZN
Product Brand|
NATERIAL
Serial number coding or batch number|
XXXXXX YY WW (XXXXXX: Last six number of PO; XX : Year nb ; XX : Week nb)
The object of the declaration described above is in conformity with the relevant Union harmonization
2014_53_EU_RED
radio equipment
2011_65_EU_RoHS
Restriction of hazardous substances in electrical products
References to the relevant harmonised standards used or references to the specifications in relation to which conformity is declared
EN 301 489-1 V2.2.3:2019
EN 301 489-3 V2.1.1:2019
EN 300 220-2 V3.1.1:2017
EN 50663:2017
EN 60730-1:2011
Directive 2011/65/EU
Amended by (EU) 2015/863
EN 62321-2:2014 ;
EN 62321-3-1:2014;
EN 62321-4:2014 ;
EN 62321-4:2014+A1:2017
EN 62321-5:2014 ;
EN 62321-6:2015;
EN 62321-7-1:2015;
EN 62321-7-2:2017;
EN 62321-8:2017
When applicable, the name and number of notified body
Garantie 2 ans
ADEO Services -135 Rue Sadi Carnot – CS 00001 59790 RONCHIN – France
Merlin Greenstone Store – Corner Blackrock Street and Stoneridge Drive, Greenstone Park Ext 2, Edenvale, 1610 Johannesburg, Gauteng, South Africa – Tel: +27 10 493 5170 – Email : [email protected]
EU/EC Declaration of conformity
Déclaration UE/CE de conformité
DECLARACIÓN CE / UE DE CONFORMIDAD Declaração CE/UE de conformidade
Product Model|Modèle du produit|Modelo de producto|Modelo do produto|
ANEMO ZN
Name and address of the manufacturer or his authorised representative
ADEO Services, 135 Rue Sadi Carnot – CS 00001 59790 RONCHIN – France
This declaration of conformity is issued under the sole responsibility of the manufacturer
Object of the declaration
Product Type – Description
ACCESSORY ANENOMETER FOR ZEFIR AND NORI NATERIAL
Product Reference
82752724 – EAN Code: 3276007182255 Industrial Type Design Reference: ANEMO ZN
Product Brand|
NATERIAL
Serial number coding or batch number|
XXXXXX YY WW (XXXXXX: Last six number of PO; XX : Year nb ; XX : Week nb)
The object of the declaration described above is in conformity with the relevant Union harmonization legislation|
2011_65_EU_RoHS
Restriction of hazardous substances in electrical products
References to the relevant harmonized standards used or references to the specifications in relation to which conformity is declared
N 301 489-1 V2.2.3:2019
EN 301 489-3 V2.1.1:2019
EN 300 220-2 V3.1.1:2017
EN 50663:2017
EN 60730-1:2011
Directive 2011/65/EU
Amended by (EU) 2015/863
EN 62321-2:2014 ; EN 62321-3-1:2014;
EN 62321-4:2014 ;
EN 62321-4:2014+A1:2017 EN 62321-5:2014 ;
EN 62321-6:2015;
EN 62321-7-1:2015; EN 62321-7-2:2017; EN 62321-8:2017

![Zkteco Elite Series [ti] Instruction Manual Zkteco Elite Series [ti] Instruction Manual](https://static-data1.manualsee.com/1/img/320/5146398/2022/11/fb4f414223137c521cec43028c1d4580.jpg)

















