Power off
Please install and maintain the device by a professional electrician. To avoid electric shock hazard, do not operate any connection or contact the terminal connector while the device is powered on!
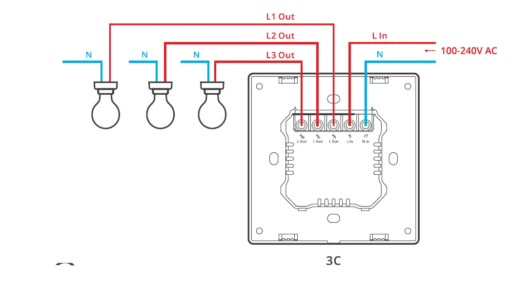
Wiring instruction
Light fixture wiring instruction
NOTE: Make sure all wires are connected correctly.
Download the eWe Link App
POWER ON
After powering on, the device will enter the Bluetooth Pairing Mode during the first use.
The Wi-Fi LED indicator changes in a cycle of two short and one long flash and release.
NOTE: The device will exit the Bluetooth Pairing Mode if nt paired within 3mins. If you want to enter this mode, please long press any pairing button for about 5s until the Wi-Fi LED indicator changes in a cycle of two short and one long flash and release.
ADD DEVICE
Tap “+ and select “Bluetooth Pairing”, then operate following the prompt on the App.
User Manual
https://sonoff.tech/usermanuals
Scan the QR code or visit the website to learn about the detailed user manual and help.
Hereby, Shenzhen Sonoff Technologies Co., Ltd. declares that the radio equipment type M5-1C-80, M5-2C-80, M5-3C-80, M5-1C-86, M5-2C-86, M5-3C-86 are in compliance with Directive 2014/53/EU.The full text of the EU declaration of conformity is available at the following internet address:
https://sonoff.tech/usermanuals

























