Sonoff TX-EU V1.2 Wi-Fi Smart Wall Switch
Operating Instruction
- Power off
WARNING: To avoid electric shocks, please consult the dealer or a qualified professional for help when installing and repairing! - Wiring instruction
Light fixture wiring instruction:
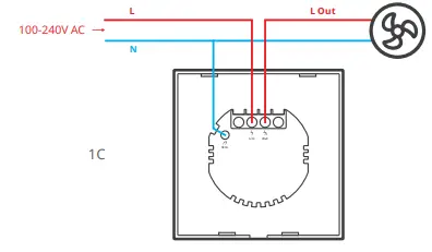
Appliance wiring instruction:
Make sure the neutral wire and live wire connection is correct. - Download APP

- Power on
After powering on, the device will enter the quick pairing mode (Touch) during the first use. The Wi-Fi LED indicator changes in a cycle of two short and one long flash and release.
INFO: The device will exit the quick pairing mode (Touch) if not paired within 3mins. If you want to enter this mode, please long press any configuration button for about 5s until the Wi-Fi LED indicator changes in a cycle of two short and one long flash and release. - Add the device
Tap “+” and select “Quick Pairing”, then operate following the prompt on the APP.
Compatible Pairing Mode
If you fail to enter Quick Pairing Mode (Touch), please try “Compatible Pairing Mode ” to pair.
- Long press Pairing button for 5s until the Wi-Fi LED indicator changes in a cycle of two short flashes and one long flash and release. Long press Pairing button for 5s again until the Wi-Fi LED indicator flashes quickly. Then, the device enters Compatible Pairing Mode.
- Tap “+” and select “ Compatible Pairing Mode ” on APP.
Select Wi-Fi SSID with ITEAD-and enter the password 12345678, and then go back to eWeLink APP and tap “Next”. Be patient until pairing completes.
RF Remote Controller Pairing
The switch supports the remote controller with 433MHz frequency brand to turn on/off, and each channel can learn it independently, which is local short-range wireless control not Wi-Fi control.
Pairing Method:
Long press the touch button you want to pair for 3s until you hear a “beep” sound and release, then press the corresponding button on the RF remote controller, and you will hear a “beep” sound again after successful pairing. Other buttons can be paired through this method.
Clearing Method:
Long press the touch button you want to clear for 5s until you hear two “beep” sounds and release, then press the corresponding button on the RF remote controller, and you will hear a “beep” sound again after successful clearing. Other buttons can be cleared through this method.
Specifications
INFO: T0(EU1C/EU2C/EU3C)does not support the remote controller with 433.92MHz.
| Model | T0EU1C/T0EU2C/T0EU3C T1EU1C/T1EU2C/T1EU3C T2EU1C/T2EU2C/T2EU3C T3EU1C/T3EU2C/T3EU3C |
| Max. input | T0/T1/T2/T3( EU1C ): 100-240V AC 50/60Hz 2A T0/T1/T2/T3( EU2C ): 100-240V AC 50/60Hz 4A T0/T1/T2/T3( EU3C ): 100-240V AC 50/60Hz 3A |
| Max. output | T0/T1/T2/T3( EU1C ): 100-240V AC 50/60Hz 2A T0/T1/T2/T3( EU1C ): 100-240V AC 50/60Hz 2A/Gang 4A/Total T0/T1/T2/T3( EU1C ): 100-240V AC 50/60Hz 1A/Gang 3A/Total |
| LED load | T0/T1/T2/T3( EU1C/ EU2C): 150W/110V(per channel),300W/220V(per channel) T0/T1/T2/T3( EU3C ): 60W/110V(per channel),100W/220V(per channel) |
| Wi-Fi | IEEE 802.11 b/g/n 2.4GHz |
| RF | 433.92MHz |
| Operating systems | Android & iOS |
| Materials | PC +tempered glass panel |
| Dimension | 86x86x35mm |
Product Introduction
INFO: The device weight is less than 1 kg. The installation height of less than 2 m is recommended.
Wi-Fi LED indicator status instruction
| Wi-Fi LED indicator status | Status instruction |
| Flashes (one long and two short) | Quick Pairing Mode |
| Keeps on | Device is connected successfully |
| Flashes quickly | Compatible Pairing Mode |
| Flashes quickly once | Unable to discover the router |
| Flashes quickly twice | Connect to the router but fail to connect to Wi-Fi |
| Flashes quickly three times | Upgrading |
Features
Turn on/off the light or fan from anywhere, schedule it power on/off and share it with your family to control together.
Factory Reset
Long press any button you desired to pair for about 5s until the Wi-Fi LED indicator changes in a cycle of two short and one long flash and release, then the reset is successful. The device enters quick pairing mode (Touch).
INFO: Please reset the switch to factory defaults if you want to use other Wi-Fi networks, then reconnect the network.
Common Problems
- Q: Why my device stays “Offline”?
- A: The newly added device needs 1 – 2mins to connect Wi-Fi and network. If it stays offline for a long time, please judge these problems by the blue Wi-Fi indicator status:
- The blue Wi-Fi indicator quickly flashes once per second, which means that the switch failed to connect your Wi-Fi:
- Maybe you have entered a wrong Wi-Fi password.
- Maybe there’s too much distance between the switch your router or the environment causes interference, consider getting close to the router. If failed, please add it again.
- The 5G Wi-Fi network is not supported and only supports the 2.4GHz wireless network.
- Maybe the MAC address filtering is open. Please turn it off.
If none of the above methods solved the problem, you can open the mobile datanetwork on your phone to create a Wi-Fi hotspot, then add the device again.
- Blue indicator quickly flashes twice per second, which means your device has connected to Wi-Fi but failed to connect to the server.
Ensure steady enough network. If double flash occurs frequently, which means you access an unsteady network, not a product problem. If thenetwork is normal, try to turn off the power to restart the switch.
Hereby, Shenzhen Sonoff Technologies Co., Ltd. declares that the radio equipment type T0EU1C/T0EU2C/T0EU3C/T1EU1C/T1EU2C/T1EU3C/T2EU1C/T2EU2C/T2EU3C/T3EU1C/T3EU2C/T3EU3C is in compliance with Directive 2014/53/EU.The full text of the EU declaration of conformity is available at the following internet address:
https://sonoff.tech/usermanuals
TX Frequency
- WiFi: 2412-2472MHz
RX Frequency
- WiFi: 2412-2472MHz
- SRD: 433.92MHz
RF Output Power
- 13.86dBm
Shenzhen Sonoff Technologies Co., Ltd.
1001, BLDG8, Lianhua Industrial Park, shenzhen, GD, China ZIP code: 518000 Website: sonoff.tech
MADE IN CHINA


WARNING: To avoid electric shocks, please consult the dealer or a qualified professional for help when installing and repairing!
Light fixture wiring instruction:
Appliance wiring instruction:
After powering on, the device will enter the quick pairing mode (Touch) during the first use. The Wi-Fi LED indicator changes in a cycle of two short and one long flash and release.
Tap “+” and select “Quick Pairing”, then operate following the prompt on the APP.


















