SONAR Parallel Installation Guide
PART1: Single Phase Parallel System Wiring
Lux power inverter support “Parallel Connection”, which means you can combine multiple inverters together to get bigger back-up power. As parallel model is different from standard one, please make it clear to the distributor if you want a parallel unit. This document is used to show how to set up a parallel system.
Step1. Single unit installation
Install each single phase inverter as user manual. Before installation, please make sure the distance between each inverter meet the requirements of user manual.
Step2. Parallel system wiring
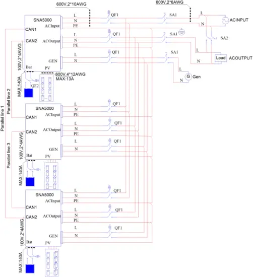
If you paralleling the system as single phase system, the most important thing is to make sure the L & N lines of each unit (AC port And EPS port) are correctly connected, please check with multi-meter to make sure L cable of each units are connected. Do not connect one inverter’s L cable to another inverter’s N cable.
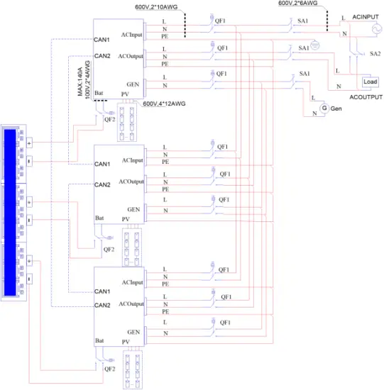
Wiring the parallel system as below suggestions for safety and cost reasons. Three single phase inverters in parallel diagram:

Not share the battery

Share the battery

✓ Recommend Capacity Section of battery:
| Inverter parallel numbers | 2 | 3 | 4 | 5 | 6 |
| Battery Capacity | 400AH | 600AH | 800AH | 1000AH | 1200AH |
*At least 200AH per unit
✓ Cross Section of connection cable:
| Position | Cross Section (Length ≤ 20m) | Note |
| AC Input to QF1 | ≥ 5.26 mm2 | Maximum Grid current is 40A |
| AC Output to QF1 | ≥ 5.26 mm2 | Nominal current is 25A |
| GEN Port to QF1 | ≥ 5.26 mm2 | Maximum current is 25A |
| QF1 Port to SA1 | ≥ 5.26 mm2 | Maximum current is 25A |
| SA1 to AC | ≥ 6 mm2 *3 | Maximum current is 40A*n |
| SA1 to AC | ≥ 5.26 mm2 *3 | Maximum current is 25A*n |
| SA1 to AC | ≥ 5.26 mm2 *3 | Maximum current is 25A*n |
**1) Copper wire 1 mm² safe current carrying capacity is 5 amps (within 20 meters distance)
2) The PE line can be chosen between 6~10 mm²
3) N means the number of parallel
✓ Breaker section:
| Position | Section | Note | |
| QF1 | ![]() | 230Vac | Maximum AC Input current is 40A Maximum AC Outnput current is 45A (2*5KW Maximum) Maximum GEN Input current is 40A (AC Charge+AC Output Load) |
| ≥ 63A | |||
| 2poles | |||
| QF2 | ![]() | 60DC | The maximum current is 140A |
| ≥ 160A | |||
| 2poles | |||
| SA1 | ![]() | 230Vac/380Vac | N is the number of parallel units |
| ≥ N*40A | |||
| 2pole | |||
**The SA2 is used as a back-up switch to supply the AC OUTPUT load when the system is power off. TYPE selection as SA1. And the current and capacity depends on the AC OUTPUT loads.
!!Be sure the SA2 is only used when all inverters is power-off.
Step3. Set up the parallel CAN communication balance resistance.
- Connect parallel communication cable. The port4 are used for parallel connection.
- Switch (3) are used for the parallel communication balance resistance.

- If there are more than two inverters parallel in your system, only two of longest distance of need to be dialed toward “on” position:
, and others keep off: 

The maximum parallel quantity is 16PCS
- For other ports’ definition, please refer to user manual.
- Please double check if the wirings are correct.
- The parallel port are pin-to-pin with each other for PIN1~PIN8, and you can buy this easily in any computer shop

Step4. Set up the monitor system and do settings
- Power on the inverter and connect Wi-Fi to dongle to internet.
- For parallel system battery connection, we support 2 ways to connect, you can either connect all inverters to one battery bank or connect each inverter to separate battery group. Or it is connected as each inverter connect to separate battery.
- If you connect one battery bank shared by multiple inverters as the diagram above, please enable “Battery shared”.

Step5. Running the system
- Check all connection and make sure is correct.
- Power on all Units and Check the all AC output is OK
- Turn on all breakers
PART2: Three Phase System Wiring
Step1. Install each single inverter as user manual
Lux power inverter support three phase system, which means 3 pcs or more inverters can be used to compose a three phase system. Please note that this model is different from the standard one, please make it clear to distributor to get parallel unit. This document is used to show you how to set up a three phase system.
Step2. Parallel connection
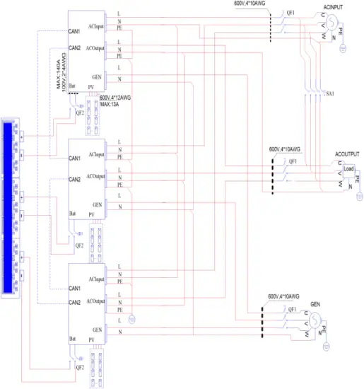
Wiring the parallel system as below suggestions for safety and cost reasons. When paralleling the system as three phase system, make sure there is at least one inverter in each phase. DO NOT connect AC Output terminals all together when used in 3 phase system, otherwise you will short the grid/utility.
Three phase system composed by three inverters diagram:

Must share the battery

✓ Recommend Capacity Section of battery:
| Inverter parallel numbers | 3 | 4 | 5 | 6 |
| Battery Capacity | 600AH | 800AH | 1000AH | 1200AH |
*At least 200AH per unit
✓ Cross Section of L1,L2,L3&N lines:
| Position | Cross Section (Length ≤ 20m) | Note |
| AC Input (L1,L2,L3&N) to QF1 | ≥ 8 mm2 | Maximum Grid current is 40A |
| AC Output (L1,L2,L3&N) to QF1 | ≥ 5.26 mm2 | Nominal current is 25A |
| GEN (L1,L2,L3) to QF1 | ≥ 8 mm2 | Maximum current is 25A |
| BATTERY to QF2 | ≥ 20 mm2 | Maximum current is 25A |
| AC Input (L1,L2,L3&N) / AC Output (L1,L2,L3&N) to Per SNA5000 | ≥ 5.26 mm2 | Nominal current is 25A |
**1) Copper wire 1 mm² safe current carrying capacity is 5 amps (within 20 meters distance) for AC and EPS lines.
2) The PE line can be chosen between 3~4 mm²
!!Be sure the SA1 is only used when all inverters is power-off.
✓ Breaker section:
| Position | Section | Note | |
| QF1 | ![]() | 230Vac | Maximum AC Input current is 40A (AC Charge+AC Output Load) Maximum AC Outnput current is 23A Maximum GEN Input current is 40A (AC Charge+AC Output Load) N is parallel number per phase |
| ≥ 23A | |||
| 3poles | |||
| QF2 | ![]() | 60DC | Normal Maximum working current is 110A |
| ≥ 160A | |||
| 2poles | |||
| SA1(DOUBLE SOURCE SWITCH) | ![]() | 230Vac/380Vac | |
| ≥ 60A | |||
| 2~3pole | |||
Step3. Set up the parallel CAN communication balance resistance.
- Connect parallel communication cable. The port4 are used for parallel connection.
- Switch (3) are used for the parallel communication balance resistance,
- If there are only three inverters parallel in this three-phase system,Switch (3) of No.1 and No.3 need to be dialed toward “on” position:
, and No.2 keeps off: 

- For other ports’ definition, please refer to user manual.
- Please double check if the wirings are correct.
- Please double check if the wirings are correct.
- The parallel port are pin-to-pin with each other for PIN1~PIN8, and you can buy this easily in any computer shop

Step4. Set up the monitor system and do settings
- Power on the inverter and connect Wi-Fi to dongle to internet.
- For parallel system battery connection, we support 2 ways to connect, you can either connect all inverters to one battery bank or connect each inverter to separate battery group. Or it is connected as each inverter connect to separate battery.
- If you connect one battery bank shared by multiple inverters as the diagram above, please enable “Battery shared”.

Step5. Running the system
- Check all connection and make sure is correct.
- Power on all Units and Check the all AC output is OK
- Turn on all breakers






















