OREGON 518769 16L Pressure Sprayer Instruction Manual


USER’S INSTRUCTIONS FOR PRESSURE SPRAYER
Quick Start Instructions

What’s in the box?
The Pressure Sprayer requires some assembly before use. These items are included in the box.
1) Tank (#33)
2) Connecting rod (#2)
3) Wand (#13)
4) Rocker bar (#31)
Inside the Sprayer (Remove the tank lid – Part #38 – & the filter screen – Part # 37- to take the parts)
Hose (#19)
Trigger (#14)
Plastic bag with :
The rocker bar fastener (#22)
Nozzle assy. (2 types) (#11)
Split pins (#4 & 40)
Washer (metallic) (#23)
Rocker bar fixer (#39)
All other parts are spare parts (washers, O-rings & cup ring)

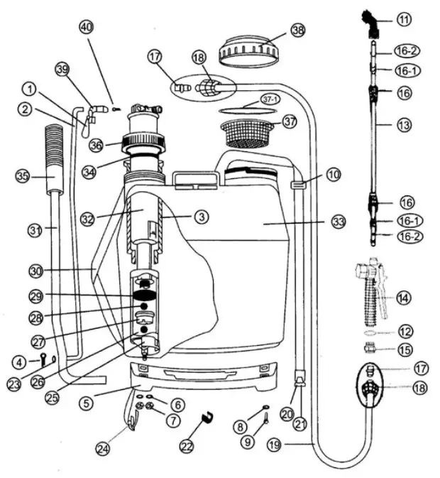
1 Ring, rocker bar fixer
2 Connecting rod
3 Guide bushing
4 Splitpin
5 Base
6 Washer
7 Nut
8 Washer
9 Screw
10 Strap buckle
11 Nozzle assy
12 Washer
13 Wand
14 Trigger
15 Screw for switch
16 Wandnut
16-1 Locking sleeve
16-2 O-ring
17 Seal insert
18 Hosenut
19 Hose
20 Carrying strap fixer
21 Carrying strap hook
22 Rocker bar fastener
23 Washer
24 Carrying strap fixer
25 Pump
26 Seal ball
27 Seal valve
28 Seal ball
29 Cup ring
30 Carrying strap
31 Rocker bar
32 Airchamber
33 Tank
34 Felt seal
35 Rocker bar grip
36 Pressure lid of air chamber
37 Filter screen
37-1 Sealing washer
38 Tanklid
39 Rocker bar fixer
40 Split pin


Model Designation: 578771, 578769
The Oregon backpack sprayer family is economical, safe, highly efficient, and leak proof. Suitable for use with insecticides and herbicides, as well as environmental disinfection of houses, public areas, farms etc.
PRODUCT FEATURES
The Oregon backpack sprayer family is manufactured with high quality materials. Designed for ease of use, with minimal effort needed to maintain pressure. Built with ergonomics in mind, the back of the tank is shaped to fit comfortably against the back of the user, giving improved weight distribution for comfortable operation during extended periods of use. The T-shaped design allows for airflow around the operator’s back. The tank lid safety valve ensures the inlet of air as well as preventing leaks. There are fill markers on the tank for convenience of use. The sprayer has fixing brackets for the rocker bar and spraying lance for convenient storage and transport.
MAINTENANCE AND SAFETY
After every use, rinse the inside of the tank with clean water.
Regularly lubricate the sealing washer of the air chamber to ensure smooth operation and prevent leaks.
When changing the cup ring at the bottom of the air chamber, take out the air chamber, remove the seal valve, install the replacement cup ring and reassemble.
Do not smoke, eat or drink while using the sprayer. Always wear protective clothing and do not spray against the wind.
Keep the sprayer out of reach of children, and in a well-ventilated area.
Store out of direct sunlight, and do not expose to extreme cold.
The sprayer is designed for use with most pesticides, herbicides, cleaning agents, and other chemical, but do not use with caustic or corrosive solutions.
NB. The manufacturer is not responsible for any damage through improper use.
TECHNICAL PARAMETERS

DIRECTIONS FOR OPERATION
1. Open the tank lid, (leaving the filter in place) and pour in the required chemicals.
2. Put the sprayer on your back and adjust the carrying straps for comfort.
3. Pump the rocker bar 6-8 times to pressurise the air chamber.

Blount Europe S.A.
5 Rue Emile Francqui
B-1435, Mont-Saint-Guibert
Belgium
T. +32 10 30 11 11
F. +32 10 30 11 99



















