PARKSIDE 16 L Backpack Pressure Sprayer

Introduction
We congratulate you on the purchase of your new product. You have chosen a high quality product. Familiarise yourself with the product before using it for the first time. In addition, please carefully re-fer to the operating instructions and the safety ad-vice below. Only use the product as instructed and only for the indicated field of application. Keep these instructions in a safe place. If you pass the product on to anyone else, please ensure that you also pass on all the documentation with it.
Proper use
This product is intended for private use only. The product is used only for spraying liquids in the garden and well ventilated greenhouses. The spraying of solvents or solvent-containing liquids or oil is a particular example of improper use of the product. The following liquids can be sprayed:
- Water,
- The application of BVL-approved liquid pesticides (BVL: German Federal Office of Consumer Pro-tection and Food Safety)
The sprayed agent may only be sprayed in the concentration specified by the manufacturer of the agent. If in doubt, consult the manufacturer of the agent.
Incorrect use includes, in particular, the spraying of the following:
- Solvents or liquids containing solvents
- Oil
- Easily flammable fluids
- Corrosive fluids such as acids or alkalis.
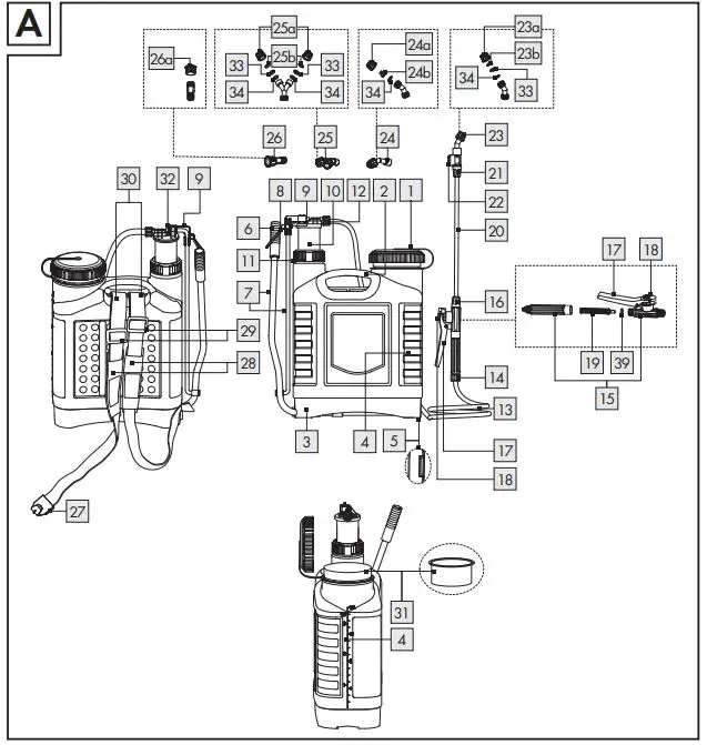
Description of parts and features (Fig. A)
- Lid of container
- Container handle
- Container
- Measurement scales
- Belt hook holder
- Lever handle
- Levers
- Holder for lever handle
- pray tube holders
- Pump
- 10a Pump case
- lid of air chamber
- Union nut (Hose)
- Hose
- Union nut (Hose)
- Spray tube handle
- Union nut (Spray tube handle)
- Spray trigger
- Spray lock
- Filter on spray tube handle
- Spray lance
- Union nut (spray tube)
- Pressure regulating valve
- Conical nozzle
- 23a Conical Nozzle cap
- 23b Conical spraying sheet
- Fan nozzle
- 24a Fan nozzle cap
- 24b Fan spraying sheet
- Double conical nozzle
- 25a Double conical nozzle cap
- 25b Double Conical spraying sheet
- Four-hole nozzle
- 26a Four-hole nozzle cap
- Belt hook
- Belt pads
- Belt buckles
- Belts
- Filter screen
- Split pin
- Split sheet (for Conical nozzle 23 and double conical nozzle 25 )
- Seal washer sheet ø16 mm
Extra Spare Parts (included) (see fig. M)
- 8 Holder for lever handle
- 34 Seal washer sheet ø16 mm
- 35 Piston
- 36 O-ring ø15 mm
- 37 Collet
- 38 Aligning buckle
- 39 O-ring ø18.5 mm
Pressure regulating value 22:- 1.4 ± 0.2 bar (Open pressure)
- 1 ± 0.15 bar (Close pressure)
- Operating
- temperature: 0–40 °C
- Carrying method: At the operator‘s back, using the carrying belts 30
Technical data
- Container dimensions: approx. 350 x 184 x 490 mm (W x L x H)
- Overall weight, empty weight: approx. 3.2 kg
- Filled weight (max. 16 l): approx. 19.2 kg
- Volume of the total residual: approx. 25 ml
- Length of spray tube: approx. 1300 mm
- Max. Filling capacity: approx. 16 l Max. permissible operating pressure (including the entire
- nozzle 23 , 24, 25 , 26): approx. 2–4 bar Average flow rate of different nozzles at common working
- pressure of 3 bar: 0.85 l / min (Conical nozzle 23 ) 0.90 l / min (Fan nozzle 24) 1.40 l / min (Double conical nozzle 25 ) 1.20 l / min (Fourhole nozzle 26 )
- Size of nozzles: ø 1.77 mm (Conical nozzle 23 ) 1.4 x 0.7 mm (Fan nozzle 24) ø 1.77 mm (Double conical nozzle 25 ) ø 1 mm (Four-hole nozzle 26 )
Size of filter inside - spray tube handle 19: ø 0.7 mm
- Size of filter screen 31: ø 1.1‒1.8 mm
- Pressure regulating
- value 22: 1.4 ± 0.2 bar (Open pressure) 1 ± 0.15 bar (Close pressure) Operating
- temperature: 0–40 °C
- Carrying method: At the operator‘s back, using the carrying belts 30
Included items
- 1 Garden pressure sprayer
- 1 Spray tube
- 1 Pair of carrying belts
- 1 Hose
- 1 Assembly, operating and safety instructions
- 1 Conical nozzle
- 1 Fan nozzle
- 1 Double conical nozzle
- 1 Four-hole nozzle
Spare parts:
- 1 Piston
- 4 Seal washer sheet
- ø 16mm
- 2 O-ring ø15 mm
- 2 O-ring ø18.5mm
- 2 Collets
- 1 Aligning buckle
1 Holder for lever handle
Safety advice
- General safety advice
KEEP ALL THE SAFETY ADVICE AND INSTRUCTIONS
IN A SAFE PLACE FOR FUTURE REFERENCE!
- Children or persons who lack the knowledge or experience to use the device or whose physical, sensory or intellectual capacities are limited must never be allowed to use the device without supervision or instruction by a person responsible for their safety. Children must never be allowed to play with the device.
- Warehousing of pesticide. It shall be kept out of reach of children. Disposal of pesticide shall follow the safety instructions furnished its man-ufacturer
- Keep spraying requirement away from children and young persons under 16.
- Do not leave the device unattended while it is in operation. Use the device as intended!
- Secure the device during
- transport to prevent the spray liquid escaping.
- Examine the product before each use, ensure it is free of damages, con-gestions and all parts work as intended. Rubber parts such as the hoses or O-rings must not show any cracks or appear porous. Pay par-ticular attention to the safety devices. Ensure all connections are fitted tightly.
- Examine the product before first use after winter. C AUTION: Do not use the product if any visible damage or loss of functionality. A lways place the device on an even, flat sur-face.
- During the sprayer is being filled, adjusted, used, transported, emptied, cleaned or maintained. Protect yourself with suitable personal protective equipment (PPE). W ear eye protection ( goggles or face shield ) W ear respiratory protection and appropriate protective clothing
- Wear water-proof glove and rubber boots R ead the instruction handbook
- Keep bystanders away when spraying
- Only use spare parts and accessories provided by the manufacturer
(pls. follow the step of “Exchange of spare parts included“ described in the manual). All other repairs shall only be carried out by the manufacturer, its service agent or similarly qualified persons. Improper maintenance, use of non-conforming components and removal of safety devices can lead to a hazardous sit-uation. - Wash your hands and face after each spray-ing session.
- In case of intoxication via skin contract, please rinse with water immediately and consult doc-tor advice.
CAUTION! RISK OF EXPLOSION! Do not place the device (empty or full) in direct sunlight and frost.
- Always read and observe the information pro-vided by the chemical manufacturer when working with or mixing spray solutions. Only mixing and filling the sprayer outdoors or in well-ventilated greenhouse.
- All the applicant and liquid for the device shall not over 40°C and refer to the informa-tion provided by chemical manufacturer. Never mix more spray solution/pesticide then is required. Do not dispose of residues in the drains. Disposal shall follow the safety introduction according to chemical manufacturer.
- Do not exceed the nominal volume! Ensure the liquid to be sprayed is compatible with the product. Ensure that the use of the pesticide, liquid fertiliser or clean-ing agent is permitted in your country.
- Do not store the device in livestock buildings due to the ammonia vapours (danger of brass cracking), do not fill with solutions containing nitrogen or phosphates. Do not store spraying pesticides in the device. Never spray into wind, water, or drinking water source. Never spray at human or animals.
- Take into account of wind, rain and other climate and environmental conditions to avoid hazard of uncontrolled or unintended liquid distribution. Avoiding drift during spraying operation.
- Do not use device when any leakages, uneven spray jet.
- Release the residual pressure after each use. Before each use, pls. ensure the device is in good condition. Pay attention to the tightness of the screw connection and appearance of the device. If damage is suspected and leakage found, take out of the operation immediately. Do not blow out blocked nozzles using the mouth.
- The sprayer may not be used if the operator is tired, ill or under influence of alcohol, drugs or medication.
- Procedure after accidents: If you contact with the spray solution or the blockage of spraying occurs after pressurized, release the pressure sprayer immediately by unlocking the belt hook 27 and sliding the pressure sprayer down the floor. Danger to health due to con-tact with the plant protection products! Plant protection products may cause damage to health by inhalation, ingestion or absorption through the skin. If symptoms occur or in case of doubt, seek medical advice. Therefore, ob-serve the following safety instructions:
- Observe the safety instructions on the labels of the plant protection products. Observe the specified max. concentration. Certain liquids require protective goggles, gloves or other protective measures.
- Always request a safety data sheet from the spray manufacturer.
- Always empty the residue pressure and spray solution according to “Emptying the pressure sprayer and disposal of spray solution” when you are safe. You shall also clean the filter on spray tube handle 19 to avoid any blockage.
* Only trained, healthy and rested operators may work with the product.
* Ensure inexperienced users receive a proper training before use.
Explanation of the symbols used:
16- l pressure sprayer
Permissible operating pressure: Max. approx. 2‒4 bar
Not for use with corrosive substances!
Do not spray on electrical devices, electrical cables or wires.
Do not spray on people!
Do not spray on animals!
Spray on plants only!
Do not use the product for drinks!
Do not leave the pressurized spraying device standing in the sun. There is a risk of explosion!
Keep away from naked flames and heat sources. Seal containers securely. Store in a fireproof way! Do not use easily flammable fluids!
Protect from frost and store away from frost.
Store at 0 °C–40 °C in a dry, dust-free location.
Wear eye protection
Wear respiratory protection
Wear appropriate protective clothing
Wear water-proof rubber boots
Wear water-proof glove
Before using for the first time, pls read the instruction carefully.
Procedure after accidents
In case of accidents, please keep calm and follow below steps:
- While carrying the sprayer, put down the device immediately.
- The right shoulder belt 30 is designed with a quick-release mechanism. Unlocking the belt hook 27 can allow you to release the right shoulder belt 30 at once.
- Then release the left shoulder belt and slide the device smoothly on the floor or flat surface. In case of intoxication via skin contract, please rinse with water immediately and consult doc-tor advice.
- Always report the Emergency for medical services when you feel not well.
About the pressure regulating valve
The Pressure Regulating Valve 22 is an important device to reduce spraying pulse, maintain the constant pressure, ensure even spraying, minimize environmental pollution and enhance the pest control performance.
The Pressure Regulating Valve 22 is normally opened at pressure of 1.4± 0.2 bar, and normally closed at pressure of 1± 0.15 bar. When the pres-sure inside the tank 3 increases above open pres-sure, the sprayer can start spraying by compressing its spray trigger 17 . When the pressure is lower than the close pressure, the regulating valve 22 will shut off automatically and stop spraying. You shall pressurize the pump 10 if you desire to pro-ceed spraying.
Note: Residual pressure still exists in the tank 3 due to the regulating valve 22, even though spraying was finished. Loosen the union nut 16 and remove the spray tube 20. Open the lid of container 1move the spray tube toward into the opening of tank 3 , press the spray trigger 17 to release the residual pressure above the opening of tank 3 .
Exchange of Nozzles
Protect yourself from hazardous substances during exchanging the nozzles by wearing suitable personal protective equipment (PPE) (eye protection, respiratory protection, protective clothing, waterproof gloves and boots).
CAUTION! Check safe function!
- Lossen the nozzle 23 , 24, 25 or 26 from the pressure regulating valve 22 .
- Replace and fasten the nozzle 23 , 24, 25 or 26 to the pressure regulating valve 22 .
Before use
Protect yourself with suitable personal protective equipment (PPE) of wearing eye protection, respiratory protection, appro-priate protective clothing, water-proof gloves and boots from hazardous substances. CAUTION! Check that the device is function-ing properly! Check the pressure sprayer be-fore each use to ensure that it is free of visible damage and is functioning safely. To do this, carry out the following tests and inspections: The hose 13 or O-rings 36 , 39 must not show any cracks or appear porous.
- Check the container 3 , the hose 13 and the carry belts 30 for visible damage.
- Check that the hose connections 12 14 , and pipe connection 16 and 21 , pressure regulat-ing valve 22 and nozzles 23 24 25 26 are fitted tightly.
- Check that the lid of container air chamber 11 are closed tightly.
- Trial spraying with clean water and a check of tank, hose, shut-off and nozzle for possible leakage are required prior to operation. Check that the filter
- screen 31 and filter on spray tube handle 19 are not blocked. Filter screen 31 and filter on spray tube handle 19 are for filtering the solid substance.”
Bringing into use
Protect yourself with suitable personal protective equipment (PPE) of wear-ing eye protection, respiratory protection, appro priate protective clothing, water-proof gloves and boots from hazardous substances. Only mixing and filling outdoors or in well-ven-tiled greenhouse.
Attaching the spray tube (Fig. B–E)



- Attach the conical nozzle 23 , fan nozzle 24 , double conical nozzle 25 or four-hole nozzle 26 to pressure control valve 22 . Fasten the nozzle in a clockwise direction.
- Attached the pressure regulating value 22 to the union nut 21 on spray tube 20 . Tighten the union nut 21 .
- Insert the spray tube 20 into the spray tube handle 15 , then tighten with the union nut 16 .
- Connect the hose 13 to the spray tube handle 15 , tighten the union nut 14 .
- Tighten the union nut 12 in a clockwise direction.
- Fasten the lid of air chamber 11 as far as it goes.
- Attach the belt hook 27 to belt hook holder 5 .
- Adjust the length of belts 30 with the belt buckles 29 and move the belt pads 28 for suitable carrying position.
Note: adjust in the same way before wearing to give even load. - Note: The device must worn as close to the body as possible and parallel to the spine.
Filling the pressure sprayer tank (Fig. F)
WARNING: mixing and filling outdoors or in well-ventiled greenhouse.
- Check the volume application rate when filling the liquid into the sprayer.
Note: Before using the product, check to see that it is in good condition and free of defects. - Click the spray tube 20 on the spray tube holder 9 (s. fig. I).
- Unscrew the lid of container 1 in an anti-clockwise direction and open.
- Now fill the tank with prepared mixture through the filter screen 31 carefully.
- Filter screen 31 is for filtering the solid substance.
- Note: Fill the tank with only the amount of liquid that you actually need for that particular spraying session (not more than 16 l).
- Note safety instructions on the labels of the spraying pesticides used. Pay attention to the stated max. concentrated.
- Always request a safety data sheet from the spraying agent manufacturer.
- Place the lid of container 1 back onto the container 3 and fasten in a clockwise direction clockwise as far as it will go
Changing of chemicals
- Pls. follow the step of “Emptying the pressure sprayer and disposal of spray solution” described in the manual
- Pls. follow the step of “Cleaning and care” described in the manual .
- Check the product according to the “Before use” described in manual.
- Pls. follow the step of “Filling the pressure sprayer tank” described in manual.
Building up the operating pressure (Fig. G)
- General the pressure through the pump 10 by moving lever handle 6 on levers 7 up and down until the pressure sprayer has been pumped up to a pressure not exceeding the
- maximum permissible operating pressure of 4 bar.
- When carrying the tank 3 with spraying process, can generate the pressure by moving the levels handle 6 on levers 7 up and down with left hand if the pressure in the tank 3 becomes low.
Spraying
- Carry the pressure sprayer over your shoulder by the carrying belts 30.
- Note: Ensure that the pressure sprayer is always kept upright. Only when held in this orientation will the sprayer work properly.
- Hold the spray tube handle 15 firmly by the hand and direct the spray nozzle 23 , 24, 25 or 26 e.g. at a plant.
- Press the trigger 17 to start the spraying process.
- Note (Fig. H): For continues spraying, move the spray lock 18 backward. To release continues spray, move the spray lock 18 toward.
- Release the trigger 17 to stop the spraying process.
- Note: When the pressure in the container 3 is no longer sufficient to spray, pump the container 3 to increase the pressure again up to but not exceeding the maximum permissible operating pressure of 4 bar (see “Building up the operating pressure”).
- Clip the spray tube 20 on spray tube holder 9 during work interruptions and breaks.
- Note (Fig. I): The nozzle 23 , 24, 25 , 26 always on the top position when the spray tube 20 is clipped onto the spray tube holder 9 .
- After spraying, loosen the union nut 16 and remove the spray tube 20. Open the lid of container 1 , move the spray tube handle 15 toward into the opening of tank 3 , press the spray trigger 17 to release the residual pressure above the opening of tank 3 . For the residue spray solution, pls. follow the step of “Emptying the pressure sprayer and Disposal of spray solution” described in the manual.
Emptying the pressure sprayer and disposal of spray solution
WARNING:Always release residual pressure before transport and cleaning. Protect yourself with suitable personal protective equipment (PPE) from hazardous substances. Take precautions to avoid environmental contamination from hazardous substances.
- Loosen the union nut 16 and remove the spray tube 20.
- Open the lid of container 1 , move the spray tube handle 15 toward into the opening of tank 3 ,
- Press the spray trigger 17 to release the residual pressure above the opening of tank 3 .
- Remove any leftover spray product from the tank and the pipes and store it in a suitable container.
- Do not dispose of residues down the drain.
- Dispose shall follow the safety introduction according to the chemical manufacturer. Always keep the product away
- from other people during emptying and disposal.
Transport of the pressure sprayer
WARNING: Protect yourself with suitable personal protective equipment (PPE) of wearing eye protection, respiratory protection, appro priate protective clothing, water-proof gloves and boots from hazardous substances. Only mixing and filling outdoors or in wellventiled greenhouse.
WARNING: Make sure to release pressure & empty the container 3 before transportation. Either to transport the device in person or in vehicles, please follow the steps:
- Secure the product against falling, overturn, vibration, extremely high or low temperatures, direct sunlight and impacts during transportation to avoid damages.
- Tighten the sprayer with lid and all the union nuts during transport to prevent loss of fuel, damage or injury.
- Always click the spray tube 20 onto the spray tube holder 9 (s. fig. I) for transport or storage.
- Note: Make sure that the pressure sprayer is always in an upright position.
- If transport in vehicles, please make sure the device is put on flat surface to prevent falling.
You may also make use of cords to secure the device during transportation. - Transport after use, clean the device and dry. Follow the step of “Cleaning and are” described in manual. Click the spray tube 20 onto the spray tube holder 9 (s. fig. I). Carry with the container handle 2 .
Cleaning and care
WARNING: During cleaning, always protect yourself with wearing suitable personal protective equipment (PPE) of wearing eye protection, respiratory protection, appropriate protective clothing, water-proof gloves and boots from hazardous substances.
Note: Even after spraying has ended, there is still residual pressure in the container 3 due to the pressure regulating valve 22. To release it, first loosen the pipe connection 16 and remove the spray tube 20. Open the cover of the container 1 and point the spray tube handle 15 at the opening of the container 3 . Press the spray trigger 17 to release the residual pressure over the opening of the container 3 . If the nozzle seems to be blocked, do not try to blow it free with your mouth.
Note: Clean the pressure sprayer after each use! Empty the bottle after each use.
Clean the pressure sprayer
- The pressure sprayer shall be washed in an allowed site.
- Loosen the spray nozzle 23 , 24, 25 , 26 from 22 pressure regulating valve and clean under running water.
- Loosen the nozzle cap 23a , 24a, 25a,26a , clean under running water together with the inner parts of spraying sheet 23b , 24b, 25b, split sheet 33 , seal washer sheet 34.
- If the spray nozzle 23 , 24, 25, 26 is clogged, clean it by pushing a needle through it.
- Flush through the pressure sprayer, pressure regulating valve 22, pipes and tubes with water.
- Remove the spray handle 15 from pressure sprayer and disassemble. Clean under running water together with the filter 19 and O-ring ø18.5mm 39 . Pls. use brush for clean the filter 19 (Fig J).
- Take out the filter screen 31 under running water with brush.
- The surface and inner part should be cleaned with high pressure injection water till drainage become clean (Fig. K). After clean, always click the spray tube 20 onto the spray tube holder 9 (s. fig. I) for transport or storage.
- After operation and cleaning of product, always change clothes and wash those exposed part of body such as hands and face. In case of toxic pesticide and germicide, a shower after operation is required to ensure safety.
Store the pressure sprayer
Warning: Always release any residual pressure still present in the container 3 after use by following the step of “Emptying the pressure sprayer and disposal of spray solution“and“ Cleaning and care”.
- Thoroughly clean the device and allow it to dry before you put it away for the winter. This will avoid frost damage.
- Clip the spray tube 20 on spray tube holder 9 (s. fig. I).
- Store the pressure sprayer in a dry, dustfree place.
- Do not store the device in livestock buildings due to the ammonia vapours (danger of brass cracking), do not fill with solutions containing nitrogen or phosphates.
- Check the product regularly each year after winter by using of clean water. Check product before each use.
- Check the product after each use.
Troubleshooting
If the measures listed below are not successful, contact the manufacturer.
- Fault
- Potential causes
- Remedies
No pressure is established in the tank.
- The lid of container 1 is not firmly fastened into place.
- F asten the lid of container 1 firmly into place.
- F asten the union nut 12 , 14 , 21 firmly into place.
- The piston 35 may have been damaged R eplace the piston 35 according to “ Replace included spare parts “ described in manual. Split pin 32 fetch way Re-tight the split pin 32 on the product properly.
Spray nozzle does not spray.
- No pressure present.
- Generate pressure through the pump 10 by moving the lever handle 6 .
- The spray nozzle is blocked.
- Stop use, unpressured, take care about pesti-cide to person and environment. Clean the spray nozzle 23 , 24 , 25 , 26 (Pls follow the step of “Cleaning and care“ section described in the manual).
- No spray in the tank.
- Fill with spray.
- Filter 19 is blocked.
- Clean the filter with brush (please refer to the “Cleaning and care” section).
- The seal-ring loose or is damaged.
- Re-tighten up or replace.
Rock Lever 7 is too heavy to operate.
- Levers 7 is too tight.
- Check and adjust the levers 7 .
- Pump charmer 10 insufficiently lubricated.
- Apply lubricant.
- Nozzle 23 , 24, 25, 26 or filter 19 is blocked
- Stop use, unpressured, take care about pesticide to person and environment. Clean with brush (please refer to the “Cleaning and care” section).
- Pump is block.
- Check the position of lever 7 and split pin 32. Pls. contact its service agent or similarly qualified persons. Failure to do so may result in hazard.
Exchange of spare parts included
warning: Protect yourself with suitable personal protective equipment (PPE) of wearing eye protection, respiratory protection, appro private protective clothing, water-proof gloves and boots from hazardous substances.
warning: Only use spare parts and accessories provided by the manufacturer. All other repairs shall only be carried out by the manufacturer, its service agent or similarly qualified persons. Hazards can arise due to improper maintenance (Fig. M).
warning: After any replacement, pls. put all parts back together and check the product before use.
| If found damaged with following part no. replace with the spare parts included in the package | |
| Lever handle 8 | Remove the damaged holder for lever handle 8 from the holder 9 and replace. |
| Seal washer sheet ø 16 mm 34 | Loosen the nozzel cap 23a , 24a or 25a, remove the damaged seal washer sheet ø 16 mm 34 and replace. |
| If found damaged with following part no. replace with the spare parts included in the package | |
| O-ring ø 15 mm 36 | Loosen the union nut 16 from spray tube handle 15 or the union nut 21 from the pressure regu- lating value 22 , remove the damaged O-ring ø15 mm 36 and replace. |
| Collet 37 | Loosen the union nut 16 from spray tube handle 15 or the union nut 21 from the pressure regulat- ing value 22 , remove the damaged collet 37 and replace. |
| Aligning buckle 38 | Remove the aligning buckle 38 from the levers 7 on the bottom of sprayer and replace. |
| Pison 35 (Fig. L) | Remove the split pin 32 , disassemble the spray tube holder 9 and lever 7 from prump 10 . Take out the pump 10 with pump case 10a . Hold the lid of air chamber 11 and remove the pump case . Remove the piston underneath the pump and replace. After replacement, pls. put all parts back together. |
| O-ring ø18.5mm 39 | Disassemble the spray handle 15 , Take out the damaged O-ring ø18.5mm 39 and replace (Fig. J). |
Disposal
The packaging is made entirely of recyclable materials, which you may dispose of at local recycling facilities.
Contact your local refuse disposal authority for more details of how to dispose of your worn-out product.
Service
- Service Great Britain
- Tel.: 08000569216
- E-Mail: [email protected]
EC Declaration of conformity
EC DECLARATION OF CONFORMITY
IAN: 383534 2107
Product identification: PARKSIDE 16L Backpack Pressure Sprayer
Model Number: HGO6876
The object of the declaration described above is in conformity with the relevant Union harmonisation legislation:
Directive 2006/42/EC
2009/127/EC amending Directive 2006/42/EC
References to the relevant harmonised standards used or references to the other technical
specifications in relation to which conformity is declared:
N/Parts
Directive 2006/42/EC
EN ISO 19932-1:2013
EN ISO 19932-2:2013
Keeper of the technical documentation: OWIM GmbH & Co.KG
Signed for and on behalf
oWIM GmbH &Co. KG Stiftsbergstraße 1 D-74167 Neckarsulm Germany
This declaration of conformity is issued under the sole responsibility of the manufacturer.
Original declaration of conformity



















