DS18 JK-HARNESS Plug and Play Harness

Product Information: JK-HARNESS for JEEP
The JK-HARNESS is a wiring harness kit designed for Jeep JK and JKU models. The kit includes a series of screws, nuts, and other hardware required for installation. It also comes with a SQBass Rack/Bracket and under seat amp, along with an 8mm screw and nuts. The installation of mobile audio and video components requires mechanical and electrical experience. Therefore, it is recommended to consult an authorized dealer for professional installation service.
Product Usage Instructions:
- Disconnect the negative post (Ground) of the battery before starting the installation to avoid airbag coding and malfunctions, code module malfunction, or any electrical issues.
- To install the SQBass Rack/Bracket, start by removing the bolts of the Driver seat using the 18mm socket with an impact wrench tool. Remove the belt screw from the seat using a T40 socket. Now, remove the seat from the Jeep and put it on this position for easy access under the seat.
- Locate the Connector holder plate and remove it using the clip remover for the connector and the T27 socket for the two screws that hold it. Relocate this wiring under the seat to one side using the same pin spots as you can see in the picture.
- Locate the SQBASS Bracket A and secure it on the SQBASS using the B screws supplied and tight them just enough but not too hard (Screw can break easily). Locate the SQBASS under the seat and use a pair of A screws and secure the bracket but do not tighten them yet, then using the B screws secure the other side of the SQBASS to the bracket B as you can see in the picture.
- Install the amplifiers to the Amp Rack using the supplied C screws, tight them well using a 7mm socket and the #2 Philips screwdriver. Check the position of the amp as you can see in the picture for easy wiring access, before putting this under the seat you can go ahead and install the speaker and amplifier wiring, this is an easy way to access the terminals.
- Slide in the bracket into the gap between the SQBASS bracket and the seat bracket and tighten up all the screws using a 10mm socket with the impact wrench.
- Connect all the wires for the SQBASS and the amplifiers, then get ready to put back the seat into the Jeep and route the rest of the wiring: (1) Ground and to the engine bay for battery power, (2) for the Radio in the Dashboard, (3) to the roof soundbar.
- For radio side installation using Factory OEM Radio (Without RCA pre-output), connect the DS18 T-Harness connector between the factory radio unit and the radio harness.
Item included

Tools required

- A. Pin Remover
- B. #2 Philips Screwdriver
- C. ¼ Drill Bit
- D. 7mm Socket
- E .10mm Socket
- F. 18mm Socket
- G. T27 Socket
- H. T40 Socket
- I. Impact wrench
Equipment you will need
(Not included in the kit)
- SQBASS (active subwoofer)
- 2X Candy4 (4 Ch amplifier)

ATTENTION
Installation of mobile audio and video components requires experience with a variety of mechanical and electrical procedures. Although this manual provides general installation and operation instructions, it does not show the exact installation methods for your vehicle. If you do not have the required knowledge and experience to successfully complete the installation, consult an authorized dealer about professional installation service.
ATTENTION
Disconnect the negative post (Ground) of the battery before you start the installation. This helps avoid airbags coding and malfunctions, codes module malfunction or any electrical issues
Under Seat Amp and SQBass Rack / Bracket INSTALLATION
- Starts with removing the bolts of the Driver seat using the 18mm socket with an impact wrench tool.

- Remove the belt screw from the seat using a T40 socket, then you can remove the seat from the Jeep and put it on this position for easy access under the seat.

- Locate the Connector holder plate and remove it using the clip remover for the connector and the T27 socket for the two screws that hold it.

- Relocate this wiring under the seat to one side using the same pin spots as you can see in the picture.

- Using the ¼ Drill Bit open up this two holes where the factory bolts was located, then locate the SQBASS bracket “B” and secure it using a pair of the “A” screws but do not tight them yet.

- Locate the SQBASS Bracket “A” and secure it on the SQBASS using the “B” screws supplied and tight them just enough but not too hard (Screw can break easy).

- Locate the SQBASS under the seat and use a pair of “A” screws and secure the bracket but do not tight them yet, then using the “B” screws secure the other side of the SQBASS to the bracket “B” as you can see in the picture.

- Now it’s time to install the amplifiers to the Amp Rack using the supplied “C” screws, tight them well using a 7mm socket and the #2 Philips screwdriver. Check the position of the amp as you can see in the picture for easy wiring access, before putting this under the seat you can go ahead and install the speaker and amplifier wiring, this is an easy way to access the terminals

- Slide in the bracket into the gap between the SQBASS bracket and the seat bracket and tight up all the screws using a 10mm socket with the impact wrench.
Now it’s time to connect all the wires for the SQBASS and the amplifiers then get ready to put back the seat into the Jeep and route the rest of the wiring: (1) Ground and to the engine bay for battery power, (2) for the Radio in the Dashboard, (3) to the roof soundbar.
JEEP JK/JKU Sound Bar + Amp +
Under Seat SubWOOFER Wiring Harness Kit Installation

Radio side Installation
using Factory OEM Radio (Without RCA pre-output)

- A – Connect the DS18 T-Harness connector between the factory radio unit and the radio harness.
- B – Factory radio Harness
- C – Factory radio unit
- D – DS18 Harness (Radio Side)
- Front Audio Input connector (white/gray)
- Rear Audio Input connector (green/violet)
- Subwoofer Audio Input connector (red/white)
- Front Speaker output connector (white/gray)
- Rear Speaker (Tweeter/driver) output connector (green/violet) 6 – Remote wire to power on the amplifiers

Radio side Installation
using Aftermarket Radio (With RCA pre-output)
- A – Connect the DS18 T-Harness connector between the factory radio unit and the radio harness using a radio harness adapter from JEEP JK to the brand radio that you will install (not included).
- B – Factory Radio Harness.
- C – Aftermarket unit with RCA pre-outputs .
- D – DS18 Harness (Radio Side).
- Front Audio Input connector (white/gray): use a supplied RCA adapter wire and connect to Front RCA Pre-output in the Radio.
- Rear Audio Input Connector (green/violet): use a supplied RCA adapter wire and connect to Rear RCA Pre-output in the Radio.
- Subwoofer Audio Input Connector (red/white): use a supplied RCA adapter wire and connect to subwoofer RCA Pre-output in the radio.
- Front Speaker output connector (white/gray).
- Rear Speaker (Tweeter/driver) output connector (green/violet).
- Remote wire: connect this to the Remote output from the radio.
Amplifier Side Installation

- SPEAKER HARNESS: connect this to the “Front” amplifier (Wh: CH1+, Wh/Bk: CH1-, Gy: CH2+, Gy/Bk: CH2-, Gr: CH3+, Gr/Bk: CH3-, Vt: CH4+, Vt/Bk: CH4-).
- SOUNDBAR SPEAKER HARNESS: connect this to the “Roof” amplifier (Wh: CH1+, Wh/Bk: CH1-, Gy: CH2+, Gy/Bk: CH2-, Gr: CH3+, Gr/Bk: CH3-, Vt: CH4+, Vt/Bk: CH4-) .
- “FRONT” AMPLIFIER AUDIO SIGNAL CONNECTOR: if you are using the factory radio (without RCA pre-output) connect this direct to hi-level input connector in the amplifier (do not use the RCA), if you are using an aftermarket radio (with RCA pre-output) connect this using the supplied RCA connector and connect this to the amplifier RCA input.
- “ROOF” AMPLIFIER AUDIO SIGNAL CONNECTOR: if you are using the factory radio (without RCA pre-output) connect this direct to hi-level input connector in the amplifier (do not use the RCA), if you are using an aftermarket Radio (with RCA pre-output) connect this using the supplied RCA connector and connect this to the amplifier RCA input.
- “FRONT” AMPLIFIER POWER WIRES, RED: Positive from battery, Black: Negative Ground, Blue: Remote from radio.
- “ROOF” AMPLIFIER POWER WIRES, RED: Positive from battery, Black: Negative Ground, Blue: Remote from radio.
- “SUBWOOFER” AMPLIFIER POWER WIRES, RED: Positive from battery, Black: Negative Ground, Blue: Remote from radio.
- “SUBWOOFER” AMPLIFIER AUDIO SIGNAL CONNECTOR: if you are using the factory radio (without RCA pre-output) connect this direct to hi-level input connector in the amplifier (do not use the RCA), if you are using an aftermarket radio (with RCA pre-output) connect this using the supplied RCA connector and connect this to the amplifier RCA input.
- DS18 HARNESS AMPLIFIER SIDE.
- DS18 SOUNDBAR HARNESS AMPLIFIER SIDE.
- RGB LED LIGHTS FROM THE SOUNDBAR: connect this to the LED-BTC module. (LED-BTC sold separately)
- GROUND WIRE: connect this to a factory ground chassis bolt.
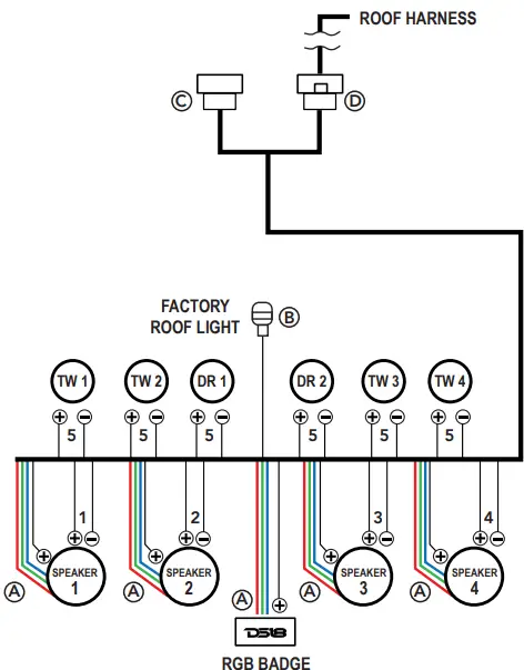
SoundBar Side

- A. RGB LED light wire: connect this to each RGB LED lighting such as speakers, rings, grills, tweeters, and DS18 Badge used for the soundbar.
- B. Factory dome light connector: connect this to the OEM dome lamp (not included).
- C. Factory Soundbar Connector: connect this to the OEM connector for the Soundbar.
- D. 12 pin Harness Connector: this goes to the DS18 roof harness from the amplifier side.
- Speaker 1 connector: connect this to the speaker, Green: +, Green/Black: –
- Speaker 2 connector: connect this to the speaker White: +, White/Black: –
- Speaker 3 connector: connect this to the speaker Gray: +, Gray/Black: –
- Speaker 4 connector: connect this to the speaker Violet: +, Violet/Black: –
- Tweeter and Driver Wires: connect this to each tweeter and driver, Gray: +, Gray/Black: –
Final Steps
- Run the positive power wire to the front battery under the hood, you can use the existent drain caps on the floor in the seat area to pass through the wire and route it to the battery.
- Secure the wire use zip-ties to the chassis or factory harness nearby and keep it far away from the header/exhaust.
- Connect it on the Positive (+) terminal of the battery and secure the fuse holder in an accessible area using screws or zip-ties.
- Once all is connected, put back the seat and make sure all connectors are plugged-in so you can re-connect the negative post (Ground) of the battery.
- Turn on the Radio and check sound making sure that all speakers are playing, then adjust the amplifier’s gain and crossover point to your preference.
- This should be all! Enjoy your new DS18 JK-HARNESS.
FOR MORE INFORMATION PLEASE VISIT DS18.COM
We LIKE IT LOUD










Now it’s time to connect all the wires for the SQBASS and the amplifiers then get ready to put back the seat into the Jeep and route the rest of the wiring: (1) Ground and to the engine bay for battery power, (2) for the Radio in the Dashboard, (3) to the roof soundbar.
















