YAMAHA AM802 8 Channel Stereo Audio Mixer

CAUTION
RISK OF ELECTRIC SHOCK DO NOT OPEN
CAUTION: TO REDUCE THE RISK OF ELECTRIC SHOCK, DO NOT REMOVE COVER (OR BACK). NO USER-SERVICEABLE PARTS INSIDE. REFER SERVICING TO QUALIFIED SERVICE PERSONNEL
Explanation of Graphical Symbols
- The lightning flash with arrowhead symbol within an equilateral triangle is intended to alert the user of the presence of uninsulated “dangerous voltage” within the product’s enclosure that may be of sufficient magnitude to constitute a risk of clectric shock to persons
- The exclamation point within an equilateral triangle is intended to alert the user to the presence of important operating and maintenance (servicing) instructions in the literature accompanying the product.
SAFETY INSTRUCTIONS
- Read Instructions-All the safety and operating instructions should be read before the appliance is operated.
- Retain Instructions-The safety and operating instructions should be retained for future reference.
- Heed Warnings-AIl warnings on the appliance and in the operating instructions should be adhered to.
- Follow Instructions-All operating and use instructions should be followed.
- Water and Moisture-The appliance should not be used near water-for example, near a bathtub, washbowl, kitchen sink, laundry tub, in a wet basement, or near a swimming pool, and the like.
- Carts and Stands-The appliance should be used only with a cart or stand that is recommended by the manufacturer.
- An appliance and cart combination should be moved with care. Quick stops, excessive force, and uneven surfaces may cause the appliance and cart combination to overturn.
- Wall or Ceiling Mounting-The appliance should be mounted to a wall or ceiling only as recommended by the manufacturer.
- Heat-The appliance should be situated away from heat sources such as radiators, heat registers, stoves, or other appliances (including amplifiers) that produce heat.
- Power Sources-The appliance should be connected to a power supply only of the type described in the operating instructions or as marked on the appliance.
- Grounding or Polarization-The precautions that should be taken so that the grounding or polarization means of an appliance is not defeated.
- Power-Cord Protection-Power-supply cords should be routed so that they are not likely to be walked on or pinched by items placed upon or against them, paying particular atten- tion to cords at plugs, convenience receptacles, and the point where they exit from the appliance.
- Cleaning-The appliance should be cleaned only as recom mended by the manufacturer.
- Nonuse Periods-The power cord of the appliance should be unplugged from the outlet when left unused for a long period of time.
- Object and Liquid Entry-Care should be taken so that objects do not fall and liquids are not spilled into the enclosure through openings.
- Damage Requiring Service The appliance should be serv iced by qualified service personnel when:
- The power-supply cord or the plug has been damaged; or
- Objects have fallen, or liquid has been spilled into the appliance; or
- The appliance has been exposed to rain; or
- The appliance does not appear to operate normaly or exhibits a marked change in performance; or
- The appliance has been dropped, or the enclosure damaged.
- Servicing-The user should not attempt to service the ap- pliance beyond that described in the operating instructions. All other servicing should be referred to qualified service personnel.
Congratulations!
Your AM802 is a high-performance 8-in/2-out mixer that will deliver outstanding sonic performance and broad control versatility in a variety of applications. In order to make the most of the AM802′ s many features and fine performance, we urge you to read this operation manual thoroughly, and keep it in a safe place for later reference.
PRECAUTIONS
- AVOID EXCESSIVE HEAT, HUMIDITY, DUST AND VIBRATION
Keep the unit away from locations where it is likely to be exposed to high temperatures or humicity such as near radiators, stoves, etc. Also avoid lo- cations which are subject to excessive dust accu- mulation or vibration which could cause mechanical damage. - AVOID PHYSICAL SHOCKS
Strong physical shocks to the unit can cause dam age. Handle it with care. - DO NOT OPEN THE CASE OR ATTEMPT REPAIRS OR MODIFICATIONS YOURSELF
This product contains no user-serviceable parts. Refer all maintenance to qualified YAMAHA service personnel. Opening the case and/or tampering with the internal circuitry will void the warranty. - MAKE SURE POWER IS OFF BEFORE MAKING OR REMOVING CONNECTIONS
Always turn the power OFF prior to connecting or disconnecting cables. This is important to prevent damage to the unit itself as well as other con- nected equipment. - HANDLE CABLES CAREFULLY
Aways plug and unplug cables including the AC cord- by gripping the connector, not the cord. - CLEAN WITH A SOFT DRY CLOTH
Never use solvents such as benzine or thinner to clean the unit. Wipe clean with a soft, dry cloth. - ALWAYs USE THE CORRECT POWER SUPPLY
Make sure that the power supply voltage specified on the rear panel matches your local AC mains supply.
CONTROLS & CONNECTORS
CONTROL PANEL
REAR PANEL

CAUTION: TO PREVENT ELECTRIC SHOCK, MATCH WIDE BLADE OF PLUG TO WIDE SLOT, FULLY INSERT.
CONTROLS
Input Channels
MICILINE Switch (Rear Panel) Channels 1 through 6.
This switch sets the input sensitivity of the corre sponding input to match line-level or microphone-level input sources. f you will be connecting a line-level source such as an electronic keyboard or audio equipment, set the switch to LINE. f you will be connecting a microphone or other low-level source, set the switch to MIC.
GAIN Control -Channels 1 through 6.
This control adjusts the input sensitivity of the corre sponding input channel. Continuously variable gain control allows optimum matching with virtually any microphone or line source.
CLIP LED Channels 1 through 6.
The CLIP LEDs provided on channels 1 through6 will light f the signal in the corresponding channel reaches a level 3-dB below clipping. If a CLIP indica- tors lights more than just occasionally on high-level peaks, the GAIN control level or level of the source connected to the mixer’s input should be reduced to prevent possible overload distortion.
EQ LO & Hl Controlss
These controls permit individually modifying the response of each channel. The Hi and LO EQ controls function as follows:
6 AUX Controls
The AUX 1, AUX 2 and AUX3 controls determine the level of the signal sent from that channel to the AUX 1, AUX 2 and AUX 3 mixing busses, respectively. The AUX mixing busses then feed the corresponding AUX SND level controls and finally the corresponding rear panel AUX SND output jacks. The channel AUX con- trols can be used to produce three independent mixes to feed external effect devices, a performer’s head- phone cue system or other system fed by the AUX SND jacks. All AUX controls are “post-EQ/post-fader,” meaning that their signal is derived from a point after the channel EQ stage and fader. This means that the AUX signal is affected by the channel EQ and fader setings.
PAN Control
The PAN controls assign the signal from the corre- sponding channel to any desired position in the “ste- reo sound field.” if a PAN control is set to the maxi- mum “L (LEFT) position, the signal trom that channel will appear only at the left-channel output (ST OUT L). If the PAN control is set fully “R” (RIGHT), the signal will appear only at the ST OUT R output jack. f a PAN control is set to its center position, then the sig- nal from that channel will appear equally at both the left- and ight-channel outputs, and the sound will appear at the center of the stereo sound field (at a point midway between the two stereo speakers). other PAN Control settings place the sound at pos Tions roughly corresponding to the PAN control setting by varying the level of the signal sent to the left- and right-channel outputs.
Channel Fader
This is the main level control for each input channel. It determines the level of the signal sent from the corre- sponding input channel to the master stere0 buss. The settings of the input channel faders determines the “mix” or balance of sound levels between the in-struments or other sources connected to the inputs.
NOTE:
If a channel is not being used, its fader should be set to the minimum position to prevent unwanted noise from being added to the main program signals.
Master Control Section
AUX SND Controls
These adjust the overall output level of the AUX 1, AUX 2 and AUX 3 “mixes” set up using the corre sponding channel AUX controls. AUX SND 1 sets the overall level of the AUX 1 mix signal appearing at the AUX SND 1 jack, AUX SND 2 sets the overall level of the AUX 2 mix signal appearing at the AUX SND 2jack, and AUX SND 3 sets the overall level of the AUX 3 mix signal appearing at the AUX SND 3 jack. These controls should be used to optimally match the AUX SND output level of the mixer to the input sens tivity of the external signal processing device or power amplifier used.
AUX RTN Controls
These controls adjust the level of the signal received at the corresponding rear-panel AUX RTN jacks and mixed into the main program on the master stereo buss. Stereo inputs are provided for each AUX RTN input, providing compatibility with the many mono-in stereo-out signal processors currently available.
STEREOL&R Faders
The STEREO L and STEREO R faders independently adjust the level of the signal sent from the left and right master stereo busses to the L and R ST OUT jacks.
PHONES Control
Adijusts the level of the master stereo program signal applied to the rear-panel PHONES jack. Use the PHONES control to set the most comfortable head- phone monitoring level.
REC OUT Control
This control adjusts the level of the master stereo signal available at the rear-panel REC OUT L and R jacks. When the REC OUT L and R jacks are connected to the inputs of a tape recorder, the REC OUT control can be used to set the optimum recording level (in conjunction with the tape recorder’s record level controls, if available).
Level Meters
The AM802 features independent 5-element LED peak level meters for the left and right channels. The LED elements correspond to levels of -20, -10,-3, 0, and +3 dB. If either of the +3 dB elements lights more than just occasionally on high-level peaks, the fader levels or levels of the sources connected to the mixer’s inputs should be reduced to prevent possible overload distortion.
POWER Switch (Rear panel)
Flip to the ON position to turn power ON, or to the OFF position to turn power OFF. The POWER indica- tor LED will light when the power switch is turned ON.
CAUTION: Make sure the STEREO L and R faders are set to minimum when turning the POWER Switch ON.
CONTROLS & CONNECTORS
INPUT Connectors
The AM802 has a total of 8, input channels, each of which has a single 1/4″ monaural phone INPUT Jack. See ” 1. MIC/LINE Switch” for a description of the MIC/LINE switches associated with INPUT jacks 1 through 6. When a MICLINE switch is set to MIC, the input level and impedance for that channel are set to -50 dB/50-600 ohms. When set to LINE, the input level and impedance are -10 dB/600 ohms. The input level and impedance for INPUTS without MICILINE switches are -10 dB/600 ohms.
NOTE:
Since channels 7 and 8 are designed to handle stereo signals, they have two input jacks each ( and R) rather than the single input, jacks provided on all other channels.
AUX SND Jacks
These jacks deliver the AUX 1, AUX 2 and AUX 3 mixes, respectively, to feed an extemal signal proces sor, performer’s headphone cue system, a mo nitorsystem, etc. Nominal output level and impedance of the AUX send jacks are -10 dB/10 kohms.
AUX RTN Jacks
The output from signal processors fed by the AUX SND jacks can be returned to the master stereo buss via these jacks. Stereo AUX RTN jacks offer compatibility with the wide range of mono-in/stereo-out signal processors Currently available. The AUX RTN jacks can also be used to add external signals other than the output from signal processor to the stereo buss. Nominal input level and impedance are -20 dB/600 ohms.
PHONES Jack
The PHONES jack delivers the mixer’s master stereo program signal to a pair of standard 8 ohm stereo headphones. The PHONES control adjusts the head- phone monitoring level.
REC OUT L and R Jacks
These output jacks are primarily intended to feed the AMB02 master stereo signal to a tape deck for record- ing, although they can be used to feed other audio equipment if required. The output signal level at the REC OUT L and R jacks is controlled by the REC OUT control in the mixer’s master section.
ST OUTL & R Jacks
The main outputs from the mixer’s stereo buss. These 1/4″ monaural phone jacks deliver the stereo buss signal at 0 dB, 10 kohms (nominal).
IMPORTANT NOTES
- MAKE SURE THE MIXER’S POWER SWITCH IS OFF OR THE STEREO FADERS ARE SET TO MINIMUM WHEN CONNECTING OR DISCONNECTING ANY CABLES.
- ALWAYS TURN THE MIXER’S POWER ON OR RAISE THE MASTER FADERS AFTER TURNING ON CON- NECTED SOURCES SUCH AS ELECTRONIC INSTRUMENTS, ETC.
- NEVER cONNECT THE SPEAKER OUTPUT OF ANY AMPLIFIER TO THE MIXER’S INPUTS UNLESS A SUIT ABLE HIGH-LEVEL ATTENUATION PAD OR “DIRECT BOX” IS USED TO LOWER THE SIGNAL’S LEVEL.
SAMPLE APPLICATION
A Small Sound Reinforocement System
In this smal sound reinforcement system the required sources are connected to the appropriate input chahnel connectors. The AUX SND 1 output is connected to a digital signal processor for reverb and other effects, and the stereo Output from the signal processor is returned to the AUX RIN 1 Connectors. The AUX 1 controls can thus be used to set up the required effect mix. The AUX 2 and AUX3 controls are used to provide two diferent monitor mixes for groupsof performers on stage-one for the instrumentalists and one for the vocalists, for example. The AUX SND 2 and AUX SND 3 outputs are therefore connected to power amplifiers driving the on-stage monitor speaker systems. The main house power amplifier/speaker system can be fed by the ST OUT L and R outputs. In this system a tape player is connected to the AUX RTN 2 inputs to provide background music during intermission or recorded accompaniment for the pertormance.
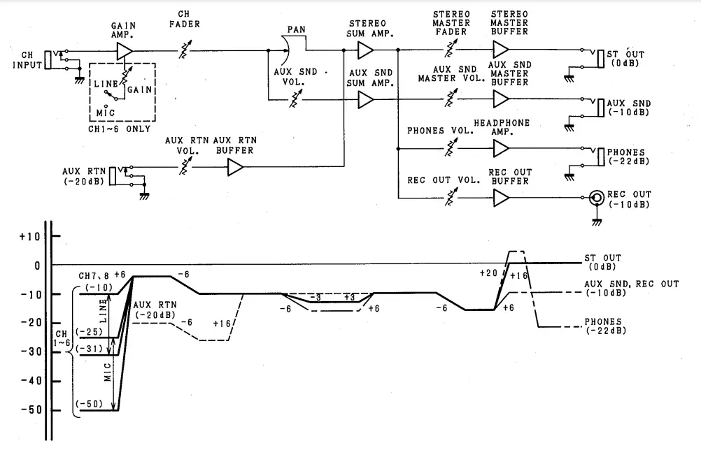
LEVEL DIAGRAM

Dimensions

SPECIFICATIONS
Frequency Response
- +1,-2 dB, 20 Hz-20 kHz, 10 ohms, 0 dB (STOUT)
- +1, -2 dB, 20 Hz-20 kHz, 10 ohms, -10 dB (AUX SND 1-3), (REC OUT)
Total Harmonic Distortion
Less than 0.05%, 20 Hz- 20 kHz, 10 ohms, +10 dB
Hum & Noise” (20 Hz- 20 kHz, Rs = 150 ohms, CH1- 6 Gain max.)
- -122dB(CHi-6) equivalent input noise. 90 dB (ST OUT) residual output noise.
- -76 dB (76 dB S/N) at ST OUT, Master fader nominal, all channel faders minimum.
- -72 dB (72dB S/N) at ST OUT, Master fader nominal, channel 1-6 faders nominal.
- -88 dB (78 dB S/N) at AUX SND, all channel AUX controls minimum.
- -82 dB (72 dB S/N) at channel 1 nominal, AUX controls nominal. faders
Maximum Output Level
- +17.5 dB, 20 Hz – 20 kHz, 10 kohms, THD 0.2%
Maximum Voltage Gain
- 62 dB CH1- 6 IN to ST OUJT
- 22 dB CH7, 8 IN to ST OUT
- 58 dB CH1-6 IN to AUX SND
- 18 dB CH7, 8 IN to AUX SND
- 32 dB AUX RTN to ST OUT
Crosstalk
- 60 dB at 1 kHz, adjacent channel inputs.
- 60 dB at 1 kHz, input to output.
Input Channel Equalization (CH1-8)
- 15 dB maximum boost or cut
- HIl: 10 kHz (shelving)
- LO: 100 Hz (shelvin9)
Level Meters
- ST OUT L, R (0 = 0 dB)
Clip Indicators (CH1-6 input)
CLIP (red) lights when pre-fader signal is 3 dB below clipping.
Power Requirement
Power requirements match local AC mains volt age and frequency in area where sold.
Power Consumption
U.S. &Canadian Models: 12 watts General Model: 15 watts
Dimensions (W xHx D)
354 x 98.5 x 301 mm (13-15/16″ x 3-7/8″ x 11-7/8″)
Weight
2.7 kg (5 Ibs. 15 oz)
- Measured with a-6 dB/octave LPF12.7 kHz. 0 dB 0.775 Vrms
INPUT CHARACTERISTICS

OUTPUT CHARACTERISTICS

- 0 dB = 0.775 V
- All Phone Jack are unbalanced.
- Sensitivity is the lowest level that will produce an output of 0 dB (0.775 V), or the nominal output level when the unit Is set to maximum galn.
BLOCK DIAGRAM

IMPORTANT NOTICE FOR THE UNITED KINGDOM
Connecting the Plug and Cord
IMPORTANT. The wires in this mains lead are colored in accordance with the following code:
- BLUE : NEUTRAL
- BROWN LIVE
- As the colors of the wires in the mains lead of this apparatus may not correspond with the coloured markings identifying the terminals in your plug proceed as follows:
- The wire which is colored BLUE must be connected to the terminal which is marked with the letter N or coloured BLACK.
- The wire which is colored BROWN must be connected to the terminal which is marked with the letter L or coloured RED.
SERVICE
This product is supported by YAMAHA’s worldwide network of factory trained and qualified dealer service personnel. In the event of a problem, contact your nearest YAMAHA dealer.




















