inELs Converter EBM DALI/DMX

Lighting control
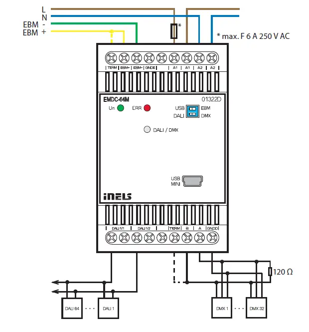
- The unit EMDC-64M is designed to control DALI electronic ballasts and DMX receivers from the iNELS system.
- EMDC-64M enables control of up to 64 independent electronic bal-lasts DALI (Digital Addressable Lighting Interface) for fl uorescent lamps, LEDs and other light sources.
- EMDC-64M also enables connection of up to 64 DMX receivers (Digi-tal MultipleX).
- Control from iNELS BUS System via EBM BUS.
- DIP switches on the front panel to select the control interface (DALI/DMX).
- Addressing of DALI ballast units can be done via the central unit and iDM3 software or via MINI USB on the front panel of the EMDC-64M and DALI Confi gurator software.
- The required functionality is set in user project in iDM3 software.
- The unit EMDC-64M is powered from the mains voltage 230 V AC.
- DALI BUS power supply is 16 V/250 mA via an EMDC-64M unit.
- The system BUS EBM is galvanically separated from the BUSes DALI/DMX. Terminals for connecting the DALI BUS are equipped with short circuit and surge protection.
- It is possible to connect up to 8 EMDC-64M units to one EBM BUS.
- If this concerns the last unit on a system BUS EBM, it is necessary to ter-minate the wire with a resistor with nominal resistance of 120 Ω. The resistor is inside the unit, termination is made by shorting neighboring terminals TERM and EBM+.
- The BUS DMX must be terminated at its end by a resistor with nominal resistive value 120 Ω. The resistor for DMX BUS termination is on the side of the EMDC- 64M inside the unit, termination is performed by shorting adjacent terminals TERM and A.
- Updating the fi rmware of the EMDC-64M can be done through the central unit adn software iDM3 or via MINI USB on the front panel and EMDC-64M Flasher software. Updating through MINI USB must be done while system BUS EBM is disconnected.
- When confi guring DALI addresses two types are necessary to distin-guished:
- MASTER – this group includes sensors and detectors and one DALI branch can connect up to 4 DALI MASTER units
- lighting intensity sensor DLS3-1
- motion detector DMD3-1
- SLAVE – electronic lighting ballast
- EMDC-64M in 3-MODULE design is designed for mounting in a control panel on a DIN rail EN60715.
Connection
Technical parameters
- EMDC-64M
Power supply
| Supply voltage/tolerance/ Rated current: | AC 230 V (50 – 60 Hz)/ -15/+10 %/max. 100 mA |
| DALI power supply: | 16 V, 250 mA |
| Dissipated power: | max. 3 W |
Communication
| Input interface: | EBM BUS (RS485 communication) |
| Output interface: | DALI (max. 64 ballasts) DMX (max. 32 receivers, with repeater up to 64) |
| Indication | |
| Power supply: | green LED Un |
| Error surge or short DALI: | illuminated red LED ERR |
| Indication of unit status: | LED DALI/DMX (see iNELS installation handbook) |
| Operating conditions | |
| Relative humidity: | max. 80 % |
| Operating temperature: | -20 °C to +55 °C |
| Storage temperature: | -30 °C to +70 °C |
| Protection degree: | IP20 device, IP40 mounting in the switchboard |
| Control device purpose: | operating control device |
| Control device construction: | individual control device |
| Characteristic of automatic action: | 2.5 kV |
| Overvoltage category: | II. |
| Pollution degree: | 2 |
| Operating position: | vertical |
| Installation: | into switchboard on DIN rail EN60715 |
| Implementation: | 3-MODULE |
Dimension and weight
| Dimension: | 90 x 52 x 65 mm |
| Weight: | 140 g |




















