Accent LED Spotlight & Direct D3 Lighting Track
Instruction Manual

Accent LED Spotlight & Direct D3 Lighting Track
Whitecroft Lighting Limited
Burlington Street, Ashton -under -Lyne,
Lancashire OL7 0AX
Telephone +44 (0)161 330 6811
Facsimile: +44 (0)161 331 5855
www.whitecroftlighting.com
Registered No. 3848973 England
Product details
Whitecroft Direct D3 is a continuous lighting track suitable for mounting Accent LED spotlights with Fixed Output or Dali dimming drivers. Integrated copper conductors enable up to 3 mains power circuits plus 2 control conductors.
Product Specification
| Power | Maximum 16A single circuit or 3 x 16A on 3 circuits |
| Voltage | 220-240V |
| Frequency | 50/60Hz |
| Ingress Protection | IP20 |
| Body material | Aluminium |
| Colour | White RAL 9010 or black RAL 9005 |
Components
The system comprises the following components (change suffix W = white to B = black):
- Track, 1 or 2m (DDX1MW / DDX2MW)
- Live end feed (DDLIVEW)
- Blank end cap (DDEW)
- Suspension Kit, for suspended installations (DDSUSP2MW)
- Straight Connector, for joining track lengths (DDJW)
- Fixed ‘L’ Connector, for 90 degree corners (DDLW = inner earth conductor, DDLEW = outer earth conductor)
- Flexible Connector, for adjustable angle corners (DDADJW)
- Conductor Cutting Tool – essential if cutting track during installation (DDCUTTOOL)
Installation Instructions
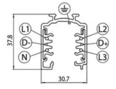
The earth conductor position must be aligned on the same side of the track for the whole system . (Fig 1). Polarity must be observed. Before installing, lay out the components, ensuring the power feed is at the desired end of the track. The live end feed is provided with a mechanical key to ensure correct insertion into the track. Where track is to be cut down during installation, a Conductor Cutting Tool (Fig 2) is required to ensure the conductors are 5mm inside the cut end of the track. This is to comply with safety standards.

Layout example
The earth conductor position must be aligned on the same side of the track for the whole system

Installing track
Ensure suitable fixings are used for the mounting surface and to safely take the weight of the track and spotlights. Weights and maximum loads are given below for guidance.
| Accent spotlight | 1.0kg |
| 1m track | 1.1kg |
| 2m track | 2.2kg |
| Corner connectors | 0.2kg |
| Emergency luminaire | 1.2kg |
For suspended installations, the adjustable clutch mechanism can be used to ensure the track is level. Suspension points should not exceed the distances show below.
Installation Instructions
Surface mounting
Use holes at 500mm centres or drill track on centreline to suit. Fixing to mounting surface to be provided by installer and should be suitable to accept the weight of the track and luminaires.
Suspended mounting kit (DD SUSP2MW/DD SUSP 2MB)

Fix ceiling mount to surface using suitable fixings. Ensure suspension wire is fitted through the lower hole.
Thread wire through track fitting and clip onto track.
The track height can be adjusted using the small clutch mechanism to lower or pulling the wire to raise.
Use a spirit level to ensure the track is horizontal.
Surface mounting adapter (DDCLGW/DDCLGB)
Unscrew A1 and A2, gently squeeze the sides and remove the cover plate.
Fix to required surface using the back body as a template.
Bring cables in through either of the large holes.
Connect wires as shown. Live, Earth, Neutral and Dali + and – if required.

Track Wiring Instructions
Isolate mains supply before making any electrical connections.
The live end feed can accept cable entry from the end or from above by removing the appropriate knockout.
Supply cable: 5 or 7 core, 1.5 to 2.5mm²

Terminal positions and recommended wire lengths:

Electrical Connection

Accent Spotlight – Installation Instructions – Fixed Output
![]() | |
| – Push up into the track at a 45° angle, listening for the click. The spotlight can only be fitted one way; be sure to check polarity first and make sure the selected circuit dial is off. | |
![]() | |
| – Move fixing arm until you hear a click (1) to secure the fitting into the track. – From OFF, select the correct circuit dial: ‘1, 2 or 3 (2). | – Position spotlight in required location and to desired orientation. |
![]() | |
| REINSTATE MAINS SUPPLY | TO REMOVE FROM TRACK Isolate mains supply. Turn circuit dial to OFF and fully unlock fixing arm (1). Tilting down the fixing arm side first (2), carefully remove from the track (3). |
Accent Spotlight – Installation Instructions – DALI
![]() | |
| ISOLATE MAINS SUPPLY TO TRACK BEFORE COMMENCING INSTALLATION | – Push spotlight up into the track, listening for the click. The spotlight can only be fitted one way, ensure to check polarity first. |
![]() | |
| – Turn both fixing arms until you hear a click (1). – Select the correct circuit (1, 2 or 3) (2). | – Position spotlight in required location and to desired orientation. |
![]() | |
| REINSTATE MAINS SUPPLY | TO REMOVE FROM TRACK – Isolate mains supply. – Fully unlock fixing arms. – Carefully remove from the track by pulling straight down. |
Accent LED Spotlight
Product details
Accent is an LED spotlight range suitable for mounting on Whitecroft Direct D3 track or surface mounted using the appropriate adapter.
Product Specification
| Power | 12 or 22W |
| Output | 945 to 1046 lumens (12W), 1595 to 1965 lumens |
| Voltage | 220-240V |
| Frequency | 50/60Hz |
| LED | 3000k or 4000K |
| Driver | Fixed output or Dali dimming |
| Optics | Narrow, Medium or Wide beam |
| Ingress Protection | IP20 |
| Ambient temperature | -25 to +25°C |
| Body material | Aluminium |
| Colour | White RAL 9010 or black RAL 9005 |
Safety Information
- Avoid electrostatic discharge.
- Do not look directly into the light source.
- The luminaire must be mounted out of normal reach and must not be covered by any debris or insulating material.
- Ensure a minimum 50mm air space around the luminaire and control gear.
General Information
- A qualified electrical, in accordance with IEE wiring regulations, should carry out connection to mains wiring .
- Ensure that the rated luminaire voltage and frequency requirements are compatible with the available mains voltage.
- Do not carry out high voltage insulation test, i.e 500/1000v as this may damage the components.
- This lighting track must be earthed.
TECHNICAL SUPPORT
Telephone: 0161 331 5700
E-mail: [email protected]
http://www.whitecroftlighting.com























