CGC500 Grid Central 500
Installation Guide
CTEK GRID CENTRAL – CGC500™
The CTEK GRID CENTRAL 500 – CGC500™ is the high capacity version of CTEK’s grid central for Nano Grid™ load balancing and monitoring of electrical vehicle charging networks. The CGC500™ can monitor and manage up to 500 charging station EV connectors. It can monitor other loads at the installation site for load balancing of the entire power network. CGC500™ comes in three different versions depending on the chosen current sensor:
- CGC500™ for 100 A and a maximum conductor diameter of 15.7 mm (Part no. 40-382)
Supplied with split core current transformers with cable length of 1.8 m. - CGC500™ for 400 A and a maximum conductor diameter of 36 mm (Part no. 40-383)
Supplied with split core current transformers with cable length of 1.5 m. - CGC500™ for 4000 A and a maximum conductor diameter of 179 mm (Part no. 40-384).
Supplied with Rogowski coils with cable length of 2 m.
The CGC500™ communicates with the charging stations using a LAN connection.
Overview
CGC500™ consists of the following components:
One enclosure with keys and with the following components mounted inside:
- Energy meter
- Current transformers or Rogowski coils (depending on the current rating)
- Industrial PC
- Power supply 24 V
- Fuse 10A
- Terminal blocks for 230VAC
- Triangular key for door
All the components are mounted on a DIN rail.

| Model | Height | Width | Depth |
| CGC500™ | 400 mm | 300 mm | 210 mm |
Installation
Safety
- Only an accredited electrician is allowed to perform the installation described in this document.
- Read and obey the instructions in this document before installation and operation of the product.
- Installation must fulfil local safety regulations and ensure the IP classification if the box is modified.
- Make sure that the cables in the CGC500™ are not loose due to vibrations during transport. If any cables are loose, reconnect the wires and tighten the screws.
- Use safety shoes during installation.
Tools
Recommended tools for installation:
- Screwdriver
- Stripping pliers
- Spirit level
- Drill
- Ethernet cable
Other necessary equipment
The following parts are also needed to install the entire grid controlling network. These are purchased separately.
- CHARGESTORM CONNECTED® (or other CTEK charging stations compatible with the CGC500™)
- Ethernet switch
- Ethernet cables
- Screw joints for cable feeds
- Screws for wall mounting
General information before installation
To install the network cables
CGC500™ and every charging station must be connected to the same switch using Ethernet cables. For instance, if there are eight charging stations in the installation, nine Ethernet cables will be required. If Internet access is required, the switch must be connected to the appropriate access point.
Note: The Ethernet cables must not be longer than approx. 90 m. If longer cables are needed, repeaters must be used to strengthen the signal. The Ethernet cables must be Cat5 or Cat6 cables with an RJ45 connector at each end.

To monitor other loads in the load balancing network
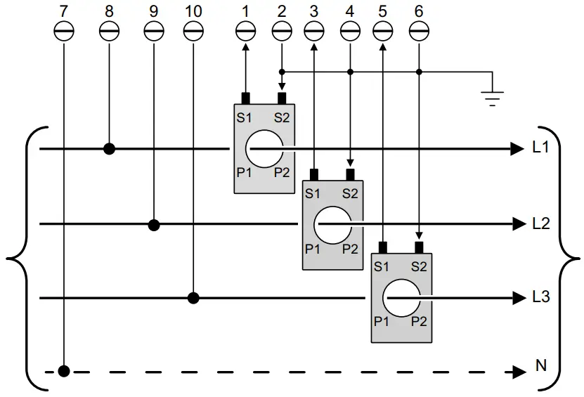
- When other loads in the premises need to be monitored by the load monitor, the current transformer cables must be installed from the energy meter in the CGC500™ to the relevant metering point.
- Install one current transformer per phase, i.e. three current transformers: L1, L2 and L3. Below is an example of connection in a 3-phase system.
Note: Current is measured via the current transformers. Make sure that the current transformer is installed in the correct direction, so the value is not inverted. The current and voltage must be measured on the same phase. A neutral conductor must be available.
To check before installation
- Plan the installation regarding all subsystems; charging stations, the CGC500™, Ethernet switch, current transformers and cables.
- Make sure that the placement off all equipment is suitable for normal operations and maintenance.
- Make sure that the wall is suitable for mounting the enclosure of the CGC500™. CGC500™ should be installed close to the measurement point (incoming feeder cables or next to the main fuse). Also make sure that the wall can support the weight of the enclosure with components. The weight is approx. 9 kg.
- If Internet access is via 3G/4G, make sure that there is adequate coverage at the relevant location for the equipment. Do not install an antenna inside the CGC500™ enclosure as this may block the reception.
To install the EV charging station
- Connect the Ethernet and power cables to the EV Charging stations. All Ethernet cables must be connected to the same local area network, LAN.
- Connect the power phases to the EV charging stations. Note the phase rotation. This must be known when the load balance is configured in the software configuration.
To configure the EV charging station
Configure each individual EV charging station from the built in Web GUI accessed via the mini USB interface to activate Nano Grid™. Refer to “CCU Nano Grid Configuration Manual, Pd_CM_004”.
Verify that the each EV charging station’s firmware version is R3.6.1 or higher. Remember to reboot after changing the configuration.
To install the CGC500™
- Locate the mounting holes and mount the enclosure with suitable screws for the wall.
- Insert the incoming cables (electrical, Ethernet and transformer cables) into the enclosure at the top or at the bottom. Separate communication cables and power cables from each other.

To configure the CGC500™
Configure the CGC500™ from the built in Web GUI accessed from the Ethernet interface marked “Service”.
Note: To install and activate Nano Grid™ see “CCU Nano Grid Configuration Manual, Pd_CM_004”.

- Activate Nano Grid™

- Upload NanoGrid.ini.

- Reboot.
To verify the installation
When the CGC500™ is configured and enabled enter: Nano grid – > Grid UI in the WEDU.
- Verify that all active charging stations are connected to the CGC500™ with a green mark in the “Online” column.
- Connect an electric vehicle to a charging station. Verify that the electric vehicle gets allocated current and that “State” is updated to “Active Charging”.

To recycle the product
The product must be recycled as electronic equipment. Follow the local requirements for recycling of electronic equipment.
References
- CCU Nano Grid Configuration Manual, Pd_CM_004
CTEK warranty statement
Limited warranty
CTEK issues a limited warranty to the original purchaser of the product. Depending on the product, the limited warranty period will vary. The limited warranty is not transferable. The warranty applies to manufacturing faults and material defects. The warranty is void if the product has been handled carelessly or repaired by anyone other than CTEK or its authorized representatives. CTEK makes no warranty other than this limited warranty and is not liable for any other costs other than those mentioned above, i.e. no consequential damages. Moreover, CTEK is not obligated to any other warranty other than this warranty.
Circumstances that will void the limited warranty
If the seal of the product is broken, purposely damaged, or in any way modified or altered; including cables, electronics, mechanics or other parts of the product; products that have been repaired by anyone other than CTEK or its authorized representatives; products that have been subject to the use of supplies and accessories other than those approved in writing or supplied by CTEK; improper use or non-compliance with installation, commissioning, operation or maintenance instructions (i.e. not according to the operation and installation manual); unauthorized modifications, changes or attempted repairs; vandalism, destruction through external influence and/or persons/animals; failure to observe applicable safety standards and regulations; faults caused by fire, water, snow, moisture, or other liquids except as specified for normal use; products where the serial number is defaced, altered or removed; any utilization of a product that is inconsistent with either the design of the product or the way CTEK intended the product to be used; any installation and/ or modifications that prevent normal service of the product; normal wear and tear and cosmetic damage such as, but not limited to, corrosion, scratches, dents, rust, stains, non-functional parts such as, but not limited to, plastics and finishes; damage, fault, failure and/or imperfection caused by abuse, tampering, illegal use, negligence, prolonged use or operation; or faults in any other way caused by the customer/retailer/user.
Additional information
CTEK makes no other warranty than as set out herein and CTEK shall in no event be liable for any indirect or consequential damages. The faulty product shall be returned with the receipt to the retailer/place of purchase together with a fault description. Goods returned to CTEK will be at CTEK’s discretion and only valid with an approved Return Material Authorization (RMA) Reference Number issued by CTEK to the purchaser. Products sent directly to CTEK without an RMA will be returned to the sender at the sender’s cost. The warranty period for a product is stated in the applicable product user manual supplied with the product. The warranty is only valid if the warranty period has not expired. If the warranty claim of a faulty product is not approved by CTEK, the product will be returned only if the sender explicitly so requests. The customer/retailer/place of purchase will pay the freight. Faulty products will be repaired, or replaced with an exchangeable product, and returned at CTEK’s cost. If the warranty period has expired, the product will be returned without further investigation at the cost of the customer/ retailer/place of purchase. Faulty products will be scrapped by CTEK if deemed not repairable. CTEK reserves the right to vary, modify or change the terms and conditions herein due to change(s) in availability of services, products and/or spare parts, or for the purpose of complying with applicable policies, rules, regulations and law, without notice.
National usage restrictions
Some countries, states or provinces have other electrical codes and standards than stated in this manual. The installation and usage of the product shall follow local regulations. The product is intended for use by general public. The product is intended for locations with both restricted access and non-re- structed access.
Copyright
These instructions are delivered “as is” and contain content that can change without prior notice. CTEK AB does not guarantee that everything is correct in the instructions. CTEK AB is not responsible for faults or incidents or damage that is caused by not following the instructions in this manual. © Copyright CTEK AB 2022. All rights restricted. Copying, adaption or translation of these instructions are strictly forbidden without written approval by CTEK AB, except what is regulated by copyright laws.
Revisions
The descriptions, information and specifications contained in this manual were in effect at printing.
To make sure that the maintenance instructions are complete and up to date, always read the manual published on our website.





















