ALARM COM ADC-480Q Module

Introduction
The Alarm.com ADC-480Q Module enables wireless reporting of all alarms and other system events from compatible control panels using the LTE wireless (cellular) network. The module can be used as the primary communication path for all alarm signaling, or as a backup to a telephone line connection to the central monitoring station. The wireless alarm signaling and routing service is operated by Alarm.com. The LTE Module also features integrated support for Alarm.com’s emPower™ solution with built-in Z-Wave capabilities.
Installation
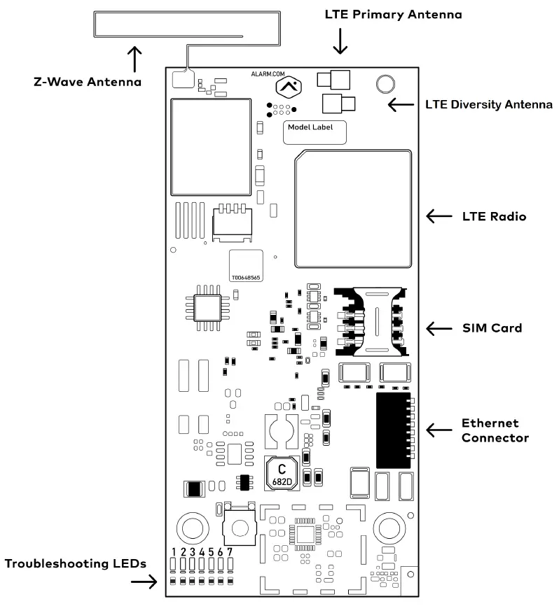
The ADC-480Q Module is meant for professional installation only. The installation consists of inserting the module into a compatible alarm panel, attaching the antenna, and performing an LTE phone test at the panel. See the Module Diagram at the end of this installation guide for a component overview. Installers are responsible for ensuring host devices are tested and compliant with the applicable FCC and ISED rule parts, including the required host labeling as shown in the “Regulatory Information” section in this document.
Troubleshooting LEDs
Status LEDs indicate network and module status. Figure 1 below shows the location of the status LEDs on the LTE module.
| LED | Function Normal pattern calls for a series of quick flashes every |
| L1 | Error LED. Flashes 1 to 8 times in an 8-second interval to indicate Mode or four seconds in PowerSave Mode. It also occ specific error. See Table 2 for errors and common fixes. patterns to indicate Z-Wave status. See the table belo |
| L2 | Panel Communication and Z-Wave status messages. Flashes every various possibility. time the module communicates with the panel and flashes in patterns to indicate Z-Wave status. |
| L3 | LTE Communication. Flashes every time the LTE signal level is checked and when packets are exchanged with Alarm.com. |
| L4 | LTE Signal Level. Flashes 0 to 5 times to indicate signal strength, or toggles on/off slowly when communicating with Alarm.com servers. |
| L5 | Z-Wave Error LED. See Table 3 for error descriptions. |
LED Details
LED L1 (red)
L1 flashes when there is an error. The number of flashes indicates the error number. If there are two or more errors at the same time, the errors will flash one after the other. The LED will stay off for at least four seconds between errors.
Table 2: Errors flashed on L1 (red)
| Number of flashes | Error and solution |
| 1 | Module cannot communicate with the panel. Perform a power cycle on the panel. If the error persists lift the module out of the panel and re-insert it. If the error is still observed try a different module. Finally, if that does not fix the problem try a different panel. |
| 2 then 4
| The module provisioning process could not be completed. |
| 2 then 5 | The module provisioning process could not be completed because the module is currently roaming on the carrier’s network. |
| 3 | The module is trying to register on the LTE network. If it persists for more than a few minutes, the module is having problems registering. Check L4 for signal level. If signal level is lower than 2 “bars”, change the panel’s location or use a remote antenna option. |
| 4 | The module is registered on the LTE network but cannot connect with Alarm.com. Contact Alarm.com Technical Support. |
| 5 | Radio portion of the module is not working correctly. If this persists for more than a few minutes the module may need to be replaced. This error is extremely rare so verify that the module is flashing 5 times. |
| 6 | This is an error only if it persists for more than a minute. Otherwise, it’s just an indication that the module is fixing an unusual condition regarding communication with the LTE network. |
| 7 | The module is not compatible with this panel type. Please insert a compatible module. |
| 8 | If it persists, the account may have been set up incorrectly. Contact Alarm.com Technical Support. You will be asked to check the serial number of the module. |
Table 3: Z-wave LED status indicators
| LED 2 | LED 5 | Device status or error | Description |
| 4-blink | Add Mode (lasts 120 seconds or until a device is added) | In this mode you can add a device to the local Z-Wave network. Devices cannot be added to a network if they are already a part of a network | |
| 2-blink | Delete Mode (lasts 120 seconds or until a device is deleted) | In this mode you can delete a device from a Z-Wave network. A device can only be in one network at a time, and must receive a “delete” command before it can be learned into a new network | |
| Solid | Successful add node/remove node/replication (lasts 60 seconds) | After receiving this signal leave all devices by the LTE module for 1 minute. Locks must be left next to the module for 4 minutes | |
| Solid with one blink | Add node attempt failed because node already in network (lasts 60 seconds) | Device you attempted to add to a network is already in a network, and must be “deleted” before it can join a new network | |
| 2-blink | No other nodes are in the network (lasts until a device is added to the network) | No devices have been added that can be controlled by the LTE module yet. See above for instructions on how to add devices | |
| 5-blink | Learn mode error (lasts 60 seconds) | The device was not successfully added to the Z- Wave network. | |
| 6-blink | No Home ID present (lasts until the module connects to Alarm.com and is configured) | When the LTE module first connects to Alarm.com it is configured with a necessary unique network ID |
LED L3 (yellow)
L3 flashes with every communication between the module and its radio unit in Idle Mode, and with every communication with Alarm.com in Connected Mode. In PowerSave Mode, this LED flashes in unison with LED 2.
LED L4 (green)
L4 indicates the LTE signal level as a number of flashes (0 to 5 bars). The number of bars may not correspond to the bars shown on your cell phone. A level of 5 bars is obtained only in the strongest signal conditions. Signal level is updated every ten seconds if it fluctuates, or every 30 seconds if it is fairly stable.
If L4 is not flashing it indicates one of the following states:
- The module is in PowerSave Mode
- The module just powered up
- There is no LTE coverage in the area. Alarm.com recommends a steady signal level of 2 or higher for proper operation of the module.
In Connected Mode, the LED toggles on and off.
LED L5 (yellow)
L5 indicates Z-Wave errors. See Table 3 above for more details.
Various Module States (modes)
There are three module states, or modes, as described below:
Idle Mode. AC power is OK and the module is not currently talking to Alarm.com.
- L1 – Flashes errors, if any.
- L2 – Communication with panel.
- L3 – Communication with radio unit.
- L4 – Signal level (0 to 5 bars).
- L5 – Flashes errors, if any
PowerSave Mode. The module just powered up, AC power is down, or AC power was recently restored and the battery is recharging.
- L1 – Inactive.
- L2 – Communication with panel.
- L3 – Same flashing pattern as L2.
- L4 – Inactive.
- L5 – Inactive
Connected Mode. The module is currently talking to Alarm.com.
- L1 – Flashes errors, if any.
- L2 – Communication with panel.
- L3 – Communication with Alarm.com.
- L4 – Alternates two seconds on, then two seconds off.
- L5 – Inactive
Sleep Mode
The panel is not connected to AC power, or there is an AC power failure, and the battery level is low. The module will connect to Alarm.com to send a signal, but will otherwise draw almost no power.
Note:
If the LTE module is powered down for a short period of time, buffered messages from Alarm.com may be received when module power is restored.
Improving Wireless Signal Strength
Guidelines for optimal wireless signal strength:
- Install the module above ground level, as high up as possible within the structure.
- Install the module near or adjacent to an outside-facing wall of the structure.
- Do not install the module inside a metal structure or close to large metal objects or ducts.
- Make sure to follow the antenna positioning guidelines that are included with the antenna. Certain antennas must be oriented a specific way in order to receive signals.
- Contact Alarm.com technical support for antenna options.
Specifications
| Power requirements | 6V nominal |
| Standby current | 30mA (10mA in PowerSave Mode) |
| Peak current | 1.7 A |
| Operating temperature | 32 to 120°F (0 to 49°C) |
| Storage temperature | -30 to 140°F (-34 to 60°C) |
| Max. relative humidity | 90% non-condensing |
| Cellular networks | 4G LTE Cat-1 (EG91-NAX) OR 4G LTE Cat-M1 (BG95-M6)
VERIZON, ATT |
| Dimensions | (H x W) 4 1/16 x 1 7/8 in. |
Cellular Antenna Guidance
| This device contains
OR | Quectel BG95-M6 FCC ID: XMR202007BG95M6 IC: 10224A-2020BG95M6
Quectel EG91-NAX FCC ID: XMR201909EG91NAX IC: 10224A-2019EG91NAX |
Recommended cellular antennas to be used with the ADC-480Q are PIFA (planar inverted-F) dipole.
- Type: Dipole
- Impedance: 50 ohm
- VSWR: Less than or equal to 2
Positioning/separation guidance:
The cellular antenna(s) should be at a minimum 20cm from the user and any other antenna elements or transmitters.
Maximum gains:
Cellular antennas used may not exceed the following peak values:
| Frequency | Max Peak Gain (dBi) |
| 698-716 | 5.5 |
| 777-787 | 5.8 |
| 824-849 | 6.0 |
| 1710-1780 | 4.9 |
| 1850-1915 | 7.9 |
The above type, positioning, and max gain values apply for both LTE Cat-1 (EG91-NAX) and Cat-M (BG95-M6) applications.
This radio transmitter 9111A-143480Q has been approved by Innovation, Science and Economic Development Canada to operate with the antenna types listed above, with the maximum permissible gain indicated. Antenna types not included in this list that have a gain greater than the maximum gain indicated for any type listed are strictly prohibited for use with this device.
Z-Wave Antenna Information
The Z-Wave antennas on the device are not detachable by the end user. Power settings are not adjustable by the end user.
| Model Name | Part Number | Max Power Setting | Transmitting Frequency(ies) |
| SEM | E-AL-Z-C-4-868908 | 7 | 908.4 MHz or 916 MHz |
| Concord | E-AL-Z-C-56-868908 | 13 | 908.4 MHz or 916 MHz |
| XT | E-AL-Z-C-78-908 | 10 | 908.4 MHz or 916 MHz |
Regulatory Information
| Listings | FCC ID: YL6-143480Q, IC: 9111A-143480Q This device is tested to be compliant with FCC Part 15.249 and ISED RSS-210. |
The host device must display the following language on its exterior:
- Contains: FCC ID: YL6-143480Q, IC: 9111A-143480Q
- Contains: FCC ID: XMR202007BG95M6, IC: 10224A-2020BG95M6
OR - Contains: FCC ID: XMR201909EG91NAX, IC: 10224A-2019EG91NAX
This device complies with part 15 of the FCC Rules. Operation is subject to the following two conditions: (1) This device may not cause harmful interference, and (2) this device must accept any interference received, including interference that may cause undesired operation.
FCC STATEMENT
Changes or modifications not expressly approved by Alarm.com can void the user’s authority to operate the equipment.
NOTE:
This equipment has been tested and found to comply with the limits for a Class B digital device, pursuant to part 15 of the FCC Rules. These limits are designed to provide reasonable protection against harmful interference in a residential installation. This equipment generates, uses and can radiate radio frequency energy and, if not installed and used in accordance with the instructions, may cause harmful interference to radio communications. However, there is no guarantee that interference will not occur in a particular installation. If this equipment does cause harmful interference to radio or television reception, which can be determined by turning the equipment off and on, the user is encouraged to try to correct the interference by one or more of the following measures:
- Reorient or relocate the receiving antenna.
- Increase the separation between the equipment and receiver.
- Connect the equipment into an outlet on a circuit different from that to which the receiver is connected.
- Consult the dealer or an experienced radio/TV technician for help.
ISED
This device contains license-exempt transmitter(s)/receiver(s) that comply with Innovation, Science and Economic Development Canada’s license-exempt RSS(s). Operation is subject to the following two conditions:
- This device may not cause interference.
- This device must accept any interference, including interference that may cause undesired operation of the device.
Module Diagram
LTE Cat-1 ADC-480Q Module 
LTE Cat-M ADC-480Q Module 



















