BOSS MRGB55B 5.25 Inch Marine Speakers – Weatherproof
THIS PACKAGE CONTAINS

FCC COMPLIANCE STATEMENT
This device complies with part 15 of the FCC Rules. Operation is subject to the following two conditions:
- this device may not cause interference, and
- this device must accept any interference, including interference that may cause undesired operation of this device.
IMPORTANT SAFETY PRECAUTION
BESURE TO OBSERVE THE FOLLOWING GUIDELINES:
- Do not turn up the volume so high that you can’t hear what’s around you.
- Use caution or temporarily discontinue use in potentially hazardous situations.
- Do not operate mobile video equipment while driving a motorized vehicle
- Safe vehicle operation and safety consideration of others should always be your highest priority.
- Set your volume control at a low setting, then slowly increase the sound until you can hear it comfortably without distortion, or ear discomfort.
- In the event you should notice smoke, strange noises or odor from this product, or any other abnormal signs, immediately turn off the power and consult your dealer or the nearest authorized BOSS AUDIO Service Center. Using this product in this condition may result in permanent damage to the system.
INSTALLATION PRECAUTION
WARNING – Always consult with a professional installer
- Do not attempt to install or service this product by yourself. Installation or servicing of this product by persons without professional training and experience in electronic equipment and motorized vehicle accessories may be dangerous and could expose you to the risk of electric shock, injury or other hazards
- Refer any repairs to a qualified BOSS AUDIO SYSTEMS Service Center
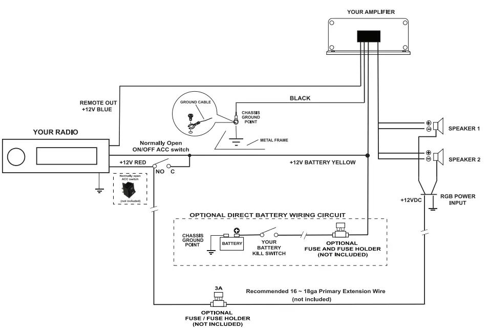
- The MRGB55 LED RGB HUB should be wired directly to a normally open switch or relay.
- When wiring directly to the vehicles battery, be sure to disconnect the batteries negative terminal wire before starting any wiring procedures, if extending the main power wire, it is suggested that an optional fuse and fuse holder (not included) with minimum rating of 10 Amperes be in-line with the positive battery terminal
- The LED RGB HUB power cable length should be short as possible
- The MRGB55 has a weather resistant design, it should not be submerged in or under water under any circumstances
- Use only the installation parts provided with the MRGB55
WIRE DIAGRAM

- Do not touch the speaker flex wire
- Secure all wiring with wire ties
- Properly seal connections to ensure water tight connections
CAUTION! Do not ground or short the RGB wires
BEFORE INSTALLING THIS PRODUCT
- To avoid potential shorts in the electrical system, be sure to disconnect the (-) battery cable before installation. Use this unit with a 12-volt battery and negative grounding only.
- Failure to do so may result in a fire or malfunction.

When replacing the fuse, be sure to only use a fuse of the rating specified on this product.
To avoid short-circuiting, cover any disconnected leads with insulating tape. It is especially important to insulate any unused wires, which if left uncovered may cause a short circuit. When connecting other devices to this product, refer to the manual for the product to be connected. The black cable is ground, make sure to connect the ground wire first.
Ensure that the ground cable is properly connected to metal parts of the vehicles body frame or direct to the battery if your vehicle does not have a grounded chassis frame The ground cable of this units power amp and a second powered system must be connected to the frame separately with different screws. If the screw for the ground wire loosens or falls out, it could result in fire or malfunction.
TECHNICAL SUPPORT
1-805-751-4853
www.bossaudio.com/technical-support
TOOLS NEEDED:
- Wrench and/or Pliers
- #2 Phillips screwdriver
- Crimp tool
- Handsaw / Jig Saw
- Electrical tape
SUGGESTED MOUNTING LOCATION
The MRGB55 can mounted in three different configurations:
Always double check for mounting depth limitations, never cut before you check

CAUTION! Using other mounting methods may void this warranty
GETTING STARTED
GETTING TO KNOW YOUR MRGBSS RF CONTROLLER

- RF CONTROLLER
- POWER ON/ OFF
- MODE UP
- AUTO DEMO
- SPEED UP
- BRIGHTNESS UP
- BRIGHTNESS DOWN
- MODE DOWN
- COLOR DOWN
- COLOR UP
- SPEED DOWN
- RF controller range: Up to 25ft (LoS)
- Do not obstruct the RF remote with metal
- Always keep away from small children
- Do not store in direct sunlight

SPEAKER TEMPLATE

BE SURE TO MOUNT SPEAKER IN THE CORRECT ORIENTATION TO ALLOW FOR WATER DRAINAGE
Tips:
To avoid battery exhaustion be sure to run the vehicles engine while using this product. Using this product without running the engine can drain the battery.
TROUBLESHOOTING GUIDE

SPECIFICATIONS
SPEAKER GENERAL SPEC
- SPEAKER TYPE: Full Range
- CONFIGURATION: Coaxial
- WOOFER SIZE:25″
- TWEETER SIZE: 1″
- MOUNTING DEPTH: 2-1/8″
- MOUNTING DIAMETER: 5-1/2″
- PEAK POWER HANDLING: 150 Watts
- IMPEDANCE: 40
- SENSITIVITY (1W/1 M): 88dB
- FREQUENCY RESPONSE: 80 Hz to 20 kHz, ±3 dB
RGB HUB GENERAL SPEC
- POWER SOURCE:4VDC (10.8V- 16Vallowable)
- GROUNDING SYSTEM: Negative type
- MAXIMUM CURRENT CONSUMPTION:5A
- UNIT WEIGHT:08Ibs / 0.94kg
- STORAGE TEMPERATURE: 5°F to 113°F /-15°C to 45°C
- OPERATION TEMPERATURE: 14°F to 104°F /-10°C to 40°C
CAUTION!
ADJUSTMENT OR ALTERATIONS OF THIS DEVICE MAY RESULT IN HAZARDOUS RADIATION EXPOSURE.
FAQs
No. It produces plenty for my needs. If you have a large boat, you might need more power, but they can only handle 70 watts per unit.
Yes, the speaker’s remote allows for setting and changing color as well as flashing or continuous patterns.
Yes, between the speaker and grill, there are lights embedded inside the speaker. The grills cannot be removed.
They have their own power wire, thus if you connect it to the speaker power, then absolutely. However, you may use the remote to turn them on and off.
The majority of maritime stereos come equipped with an amplifier, some of which are very powerful. Without an external amplifier, good sound is definitely feasible. Almost always, you can add an amplifier later, so I advise most people to test their stereo without one first.
Marine speakers are those that are more suitable for use in the water. They are typically more durable in addition to being water-resistant. Marine speakers are designed to withstand the various exposures to moisture, climate, and weather.
Products that are Marine Grade or Marine Rated can endure marine environments. Marine grade components can be exposed to the sun and wind as well as moisture (although not necessarily submersion). They can withstand high ambient temperatures and won’t burn if a little water is splashed on them.
Marine speakers are made specifically for use on boats. Thorough testing guarantees that they will withstand the elements.
Heavy-duty materials are used to construct marine speakers to ensure their durability in the more challenging marine environment. They are made of stainless steel components to withstand sudden temperature changes, as well as special plastic to withstand the elements.
In order to handle the high frequencies and precisely reproduce the sound spectrum of your music, two-way, or coaxial, speakers have a second tweeter housed inside the woofer. For more richness and realism, three-way, or triaxial, speakers combine a midrange driver with a separate woofer and tweeter.
For the optimum sound quality, you should always install your full range speakers as high as you can. Don’t mount them near your feet or under seats. You should think about mounting speakers above your head on bigger boats and wherever it is practical. On the other hand, subwoofers are the exact opposite.
A set of speakers, amplifiers, and other devices are part of the marine audio system, which is used to play music on boats.
The maritime speaker has passable bass performance and has a solid full-range sound response between 80 Hz and 20 kHz.
Most marine speakers are incredibly long-lasting and sturdy. Make sure the speakers you are purchasing are high-quality, rust- and corrosion-resistant, and have a sturdy construction. For good weather protection, look for speakers with plastic cones, such as those with polypropylene and neoprene rubber surrounds.
A completely charged battery may be charged from empty in roughly 4 hours.





















