MaxLite HL-LI2440UP-D1 Hazardous Location Linear Light

Product Information
The MaxLite Hazardous Location Linear Light – CID1 is a lighting fixture suitable for use in hazardous locations classified as Class I, Division 1 and 2, Groups A, B, C, and D. It is compliant with UL 844, UL 1598, and UL 1598A standards and suitable for hazardous location environmental ratings. The fixture has a rated voltage of either 100-277 Vac or 277-480 Vac, 50/60Hz.
The model number of the fixture may vary but is followed by the suffix P-D1. The model number includes information about the voltage range, distribution type, lens type, and color temperature. Refer to the luminaire nameplate for specific classification information, maximum ambient temperature suitability, and corresponding operating temperature (T-Code).
General Safety Information
Electric shock, falling parts, cuts/abrasions, and other hazards read all warnings and instructions included with and on the fixture box and all fixture labels. This equipment should be installed and serviced by a qualified licensed electrician. The fixture should be connected to a grounded UL listed junction box. Ignition temperatures of the hazardous atmosphere should be considered during installation.
Installation & Operation
CAUTION: Turn off electrical power at fuse or circuit breaker box before wiring fixture to the power supply.
Electrical Connection:
- Black (Line)
- White (Neutral)
- Green (Ground)
The fixture must be individually connected to the AC supply. The yellow wire is for VAUX (+12V), purple wire is for DIM+ (0-10V), and pink wire is for DIM- (NEG). The lead wires to LED load should be connected to the terminal block.
- Ceiling Mount: Refer to Figure 3 for installation instructions.
- Wall Mount: Refer to Figure 4 for installation instructions.
- Stanchion Mount: Refer to Figure 1 for installation instructions.
- Hanging Ring Mount: Refer to Figure 1 for installation instructions.
- Pendant Mount: Refer to Figure 1 for installation instructions.
- Second-Retention Point: Attach the hook to any of the retention points demonstrated in Figure 3 (2-FT 40W) and 4 (4-FT 80W).
General Safety Information
- To reduce the risk of death, personal injury or property damage from fire, electric shock, falling parts, cuts/abrasions, and other hazards read all warnings and instructions included with and on the fixture box and all fixture labels.
- Before installing, servicing, or performing routine maintenance on this equipment, follow these general precautions.
- Commercial installation, service, and maintenance of luminaires should be performed by a qualified licensed electrician.
- DO NOT INSTALL DAMAGED PRODUCT!
- This fixture is intended to be connected to a properly installed and grounded UL-listed junction box.
- Make sure that the supply voltage is the same as the luminaire voltage.
- Do not install where the marked operating temperatures exceed the ignition temperatures of the hazardous atmosphere.
- All gasket seals must be clean and undamaged.
WARNING:
RISK OF ELECTRICAL SHOCK
- Turn off electrical power at fuse or circuit breaker box before wiring the fixture to the power supply.
- Turn off the power when you perform any maintenance.
- Verify that the supply voltage is correct by comparing it with the luminaire label information.
- Make all electrical and grounded connections in accordance with the National Electrical Code and any applicable local code requirements.
- All wiring connections should be capped with UL-approved wire connectors.
- Luminaire must be supplied by a wiring system with an equipment grounding conductor.
CAUTION:
RISK OF INJURY
- Wear gloves and safety glasses at all times when removing luminaire from carton, installing, servicing or performing maintenance.
- Avoid direct eye exposure to the light source while it is on.
- Account for small parts and destroy packing material, as these may be hazardous to children.
CAUTION:
RISK OF FIRE
- Keep combustible and other materials that can burn away from luminaire and lamp/lens.
- MIN 90°C SUPPLY CONDUCTORS.
Models
- HL-LI2440!@#$$P-D1
- HL-LI4880!@#$$P-D1
- = U, H (U=100-277V, H=277-480V)
- @ = [blank], N, T ([blank] =wide, N = narrow, T= Type II distributions)
- # = [blank], D ([blank] =clear, D=diffused lenses)$$ = [blank], 40, 30 ([blank] =5000K, 40=4000K, 30=3000K Color Temperatures)
- Followed by suffix P-D1
Operating characteristic
- Rated Voltage: 100-277 Vac or 277-480 Vac, 50/60Hz

This fixture is suitable for use in the following hazardous (classified) areas as defined by the National Electrical Code (NEC) and Canadian Electrical Code (CEC):
Hazardous Locations
- Class I, Division 1, Groups C, D
- Class I, Division 2, Groups A, B, C, D
Compliances
- UL 844
- UL 1598
- UL 1598A
Environmental Ratings
Suitable for hazardous location.
Refer to the luminaire nameplate for specific classification information, maximum ambient temperature suitability and corresponding operating temperature (T-Code).
General Wiring Diagram
CAUTION: Turn off electrical power at fuse or circuit breaker box before wiring fixture to the power supply.
Connecting panels to AC source supply:
All units must be individually connected to the AC supply.
- Black = Line
- White = Neutral
- Green = Ground
Installation & Operation
Electrical Connection
- Loosen the twelves pcs of M6 hexagon bolts on the Tank Cover.
- The thread of the entry hole to the Task is ¾” NPT; connect the tank to a suitable conduit.
- Insert the wire from outside the tank, through the conduit and entry hole, and into the tank housing; connect wire leads to the terminal block.
- Introduce the wires of the branch circuit as follows:
- Black-wire connects to Line
- White-wire connects to Neutral
- Green-wire connects to Ground
- Re-attach the Tank Cover and tighten it using the twelve pieces of M6 hexagon bolts on the tank cover; secure to a torque of 7 N-m.
- Check the tightness of the conduit and Tank Cover
Ceiling Mount
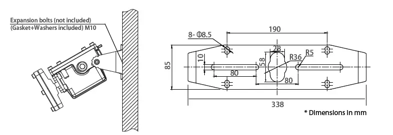
Wall Mount
Stanchion Mount
Hanging Ring Mount
Pendant Mount
Second-Retention Point
- Attach the hook to any of the retention points demonstrated in Figure 3 (2-FT 40W) and 4 (4-FT 80W). (Fig 1)
- Route cable around a suitable mounting structure and feed the clamp side through the sling. (Fig 2 and 3

Retention Cable
- 4’ long with 1/8” diameter stainless steel sling
- Weight capacity of 250 lb.
- If purchasing retention cable from Maxlite, use part number HLSC250 ( 4ft long, rated for 250 lbs, Stainless steel).
Servicing
- To avoid personal injury, disconnect power to the light and allow the unit to cool down before performing maintenance.
- Perform visual, electrical, and mechanical inspections on a regular basis. The environment and frequency of use should determine this. However, it is recommended that checks be made at least once a year. Frequency of use and environment should determine this.
- The external glass should be cleaned periodically to ensure continued luminaire performance. Clean the glass with a clean, damp, non-abrasive, lint-free cloth. If this is not sufficient, use a mild soap or a liquid cleaner. Do not use an abrasive, strong alkaline or acid cleaner as damage may occur.
- Inspect the cooling fins on the luminaire to ensure that they are free of any contamination (i.e. excessive dust build-up). Clean with a non-abrasive cloth if needed.
- Mechanically check that all parts are properly assembled.
- Electrically check to make sure that all connections are clean and tight.
This device complies with Part 15 of the FCC Rules. Operation is subject to the following two conditions: (1)this device may not cause harmful interference, and (2)this device must accept any interference received, including interference that may cause undesired operation
Warranty Information
MaxLite Inc. warrants its products for a minimum period of FIVE (5) years from the date of original purchase from MaxLite or its authorized distributor/dealer (the “Warranty Period”), as follows: If a Product fails to operate during the Warranty Period as a result of defects in materials or workmanship, MaxLite will, at its option, repair it, replace it with the same or like Product.
Please refer to Maxlite’s website (at http://maxlite.com/resources/warranties) for the complete terms and conditions of our warranty.
Limitation of Liability
THE FOREGOING WARRANTY IS EXCLUSIVE AND IS THE SOLE REMEDY FOR ANY AND ALL CLAIMS, WHETHER IN CONTRACT, IN TORT OR OTHERWISE ARISING FROM THE FAILURE OF THE PRODUCT AND IS IN LIEU OF ALL OTHER WARRANTIES, EXPRESS OR IMPLIED, INCLUDING ALL WARRANTIES OF MERCHANTABILITY OR FITNESS FOR A PARTICULAR PURPOSE, WHICH WARRANTIES ARE HEREBY EXPRESSLY DISCLAIMED TO THE EXTENT PERMITTED BY LAW AND, IN ANY EVENT, SHALL BE LIMITED TO THE WARRANTY PERIOD SPECIFIED ABOVE. THE LIABILITY OF MAXLITE SHALL BE LIMITED TO THE TERMS OF THE EXPRESS WARRANTY SET FORTH HEREIN. IN NO EVENT WILL MAXLITE BE LIABLE FOR ANY SPECIAL, INCIDENTAL OR CONSEQUENTIAL DAMAGES INCLUDING, WITHOUT LIMITATION, DAMAGES RESULTING FROM LOSS OF USE, PROFITS, BUSINESS OR GOODWILL, LABOR COSTS, REMOVAL OR INSTALLATION COSTS, DECREASE IN THE LIGHT OUTPUT OF THE LAMP, AND/OR DETERIORATION IN THE LAMP’S PERFORMANCE, WHETHER OR NOT MAXLITE HAS BEEN ADVISED OF THE POSSIBILITY THEREOF. UNDER NO CIRCUMSTANCES SHALL MAXLITE’S ENTIRE LIABILITY FOR A DEFECTIVE PRODUCT EXCEED THE PURCHASE PRICE OF THAT PRODUCT. WARRANTY SERVICES PROVIDED UNDER THESE TERMS AND CONDITIONS DO NOT ENSURE THE UNINTERRUPTED OPERATION OF PRODUCTS; MAXLITE SHALL NOT BE LIABLE FOR DAMAGES CAUSED BY ANY DELAYS INVOLVING WARRANTY SERVICE.
This Limited Warranty gives you specific legal rights and you may also have other rights that may vary from state to state. Because some states or jurisdictions do not allow the exclusion or limitation of liability for consequential or incidental damages, this limitation may not apply to you.
© Copyright 2022. MaxLite, Inc. All Rights Reserved.
12 York Ave, West Caldwell, NJ 07006
Tel: 800-555-5629
Fax: 973-244-7333
Email: [email protected]






















