AZD026 USB Dongle
User Manual
Azoteq provides software used for serial streaming of data to a computer by utilizing the Azoteq USB-dongles. Each IC has dedicated software which is intended for prototyping purposes.
Azoteq USB-dongle Usage
The Azoteq USB-dongles available for commercial use are listed in Table 1. The dongles are connected to a computer via a mini-USB (micro-USB for CT210A) cable and are used:
(Please Note: Use with USB data cable only)
- As an interface to program OTP¹ bits which are available on certain ICs (to customize an IC for a certain design), see tables Table 2 and Table 3 for pin assignment or
- to perform serial communication between the computer and IC via
o 1-wire Communication Protocol (Table 5)
o SPI (Table 6)
o I² C (Table 7) - Flash programming (Table 8)
- Bootloader programming (Table 9)
Azoteq provides the software necessary for programming OTP bits. This software is known as USBProg which is intended for prototyping purposes. More information regarding USBProg can be found in application note AZD007.
Azoteq provides software used for serial streaming of data to a computer by utilizing the Azoteq USB-dongles. Each IC has dedicated software which is intended for prototyping purposes. The software is available on the Azoteq website under Software and Tools.
Table 1 Azoteq USB-dongles
| Azoteq dongle | Description | Device Supported | Data Streaming | Programming | Boot loading |
| CT210A | 4th Generation programmer and data streamer | ALL | |||
| CT210 | 3rd Generation programmer and data streamer | ALL | |||
| DS100 | Data Streaming Dongle | ALL |
¹ One Time Programmable bit – Every bit is only programmable once
1.1Azoteq USB-dongle Pin-layout

Connecting USB-dongle for Programming
Table 2 Azoteq USB-dongle Pin Assignment for Programming IC’s
| CT pin # | IQS127/IQS128 | IQS133 | IQS213A/IQS263B | IQS266 | IQS269A | IQS333/IQS360(A) | IQS62x/IQS680 |
| 1 | VSS | VSS | VSS | VSS | VSS | VSS | VSS |
| 2 | |||||||
| 3 | VDDHI | VDDHI | VDDHI | VDDHI | VDDHI | VDDHI | VDDHI |
| 4 | |||||||
| 5 | SHLD/POUT | RDY | TX1 | RDY | PWM3 | LTX/LED0/OUTPUT | |
| 6 | CX | ||||||
| 7 | TO0/DATA | SDA | SDA | SDA | SDA | SDA | |
| 8 | |||||||
| 9 | TO1 | SCL | SCL | SCL | SCL | SCL | |
| 10 |
Only devices with OTP bits are shown
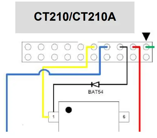
Table 3 Azoteq USB-dongle Pin Assignment for Programming with a Special Connection
| CT pin # | IQS227AS/IQS228AS IQS211(A)/IQS231(A) |
| 1 | VSS |
| 2 | |
| 3 | VDDHI |
| 4 | |
| 5 | IO1/SCL (diode required – see picture) |
| 6 | |
| 7 | IO2/SDA |
| 8 | |
| 9 | IO1/SCL |
| 10 |

Table 4 Azoteq USB-dongle Pin Assignment for Programming IQS333 OTP Using Azoteq USBProg
| CT pin # | IQS333 |
| 1 | VSS |
| 2 | |
| 3 | VDDHI |
| 4 | |
| 5 | PWM3 |
| 6 | |
| 7 | SDA |
| 8 | |
| 9 | SCL |
| 10 | RDY |
Note: Ensure that VDDHI and VREG capacitors are connected as specified by the relevant datasheet for all programming.
Connecting USB-dongle for Serial Communication
Please refer to the datasheet and communication interface of the specific device for information regarding the communication protocol supported.
3.1 1-wire Protocol
Table 5 Azoteq USB-dongle Pin Assignment for 1-wire Protocol
| USB-dongle pin # | Azoteq 1-wire device |
| 1 | VSS |
| 2 | |
| 3² | VDDHI |
| 4 | |
| … | |
| 9 | |
| 10 | DATA |
3.2 SPI
Table 6 Azoteq USB-dongle Pin Assignment for SPI
| USB-dongle pin # | Azoteq SPI Device |
| 1 | VSS |
| 2 | |
| 3 | VDDHI |
| 4 | |
| 5 | |
| 6 | MOSI |
| 7 | SOMI |
| 8 | RDY |
| 9 | SCK |
| 10 | /SS |
² VDDHI can be supplied by an external source, please ensure that the same voltage levels as USB-dongle are followed
3.3 I²C
Table 7 Azoteq USB-dongle Pin Assignment for I2C
| USB-dongle pin # | Azoteq I²C Device |
| 1 | VSS |
| 2 | |
| 3 | VDDHI |
| 4 | |
| 5 | |
| 6 | |
| 7 | I2C SDA |
| 8 | |
| 9 | I2C SCL |
| 10 | RDY |
Flash Programming (CT210/CT210A)
The CT210/CT210A supports a programming protocol used to program certain flash MCU’s (e.g. IQS550, IQS572, and IQS525). The dedicated software for flash programming is Azoteq Flash Programmer. The pinout to perform flash programming can be seen in Table 8.
Table 8 Azoteq USB-dongle Pin Assignment for Flash Programming
| CT pin # | Flash MCU |
| 1 | VSS |
| 2 | |
| 3 | VDDHI |
| .. | |
| .. | |
| .. | |
| 17 | RESET/NRST |
| 18 | DATA/PGM |
| 19 | |
| 20 |
Bootloader Programming (CT210/CT210A/DS100)
The CT210/CT210A/DS100 also supports programming via a bootloader on-chip for the IQS550, IQS572 and IQS525 ICs. The dedicated software for bootloader programming is Azoteq Flash Programmer. The pinout to perform bootloader programming can be seen in Table 9.
Table 9 Azoteq USB-dongle Pin Assignment for Bootloader Programming
| USB-dongle pin # | Azoteq I²C Device |
| 1 | VSS |
| 2 | |
| 3 | VDDHI |
| 4 | |
| 5 | |
| 6 | |
| 7 | I2C SDA |
| 8 | |
| 9 | I2C SCL |
| 10 |
Revision History
| Version | Release date | Change Notes |
| 0.05 | March 2011 | Initial release |
| 0.06 | May 2012 | An updated list of supported Azoteq USB dongles Added 2-series ICs (232/233/242/252) Consolidated 1-wire protocol Added CT220/CT210 Flash Programming pin connections |
| 0.07 | November 2015 | Reformatted document to the latest Azoteq template Updated to reflect the current state of the CT210 and what devices are not supported anymore. Added programming with special connections for the IQS227AS, IQS228AS, IQS211, IQS231 Added I2C Boot loader programming pinout connections, section 5 |
| 0.08 | April 2017 | Added CT210A |
| 0.09 | August 2017 | Added IQS333 I2C OTP |
| 0.10 | November 2017 | Added: Use with USB data cable only Removed EOL items |
| 0.11 | January 2019 | Corrected Table 2.1 |
| 0.12 | April 2020 | Various updates |
Contact Information
| USA | Asia | South Africa | |
| Physical Address | 11940 Jollyville Suite 120-S Austin TX 78759 USA | Room 501A, Block A, T-Share International Centre, Taoyuan Road, Nanshan District, Shenzhen, Guangdong, PRC | 1 Bergsig Avenue Paarl 7646 South Africa |
| Postal Address | 11940 Jollyville Suite 120-S Austin TX 78759 USA | Room 501A, Block A, T-Share International Centre, Taoyuan Road, Nanshan District, Shenzhen, Guangdong, PRC | PO Box 3534 Paarl 7620 South Africa |
| Tel | +1 512 538 1995 | +86 755 8303 5294 ext 808 | +27 21 863 0033 |
| [email protected] | [email protected] | [email protected] |
Visit www.azoteq.com for a list of distributors and worldwide representation.
Patents as listed on www.azoteq.com/patents-trademarks/ may relate to the device or usage of the device.
Azoteq®, Crystal Driver, IQ Switch®, ProxSense®, ProxFusion®, LightSense™, SwipeSwitch™, and the
logo are trademarks of Azoteq.
The information in this Datasheet is believed to be accurate at the time of publication. Azoteq uses reasonable effort to maintain the information up-to-date and accurate, but does not warrant the accuracy, completeness or reliability of the information contained herein. All content and information are provided on an “as is” basis only, without any representations or warranties, express or implied, of any kind, including representations about the suitability of these products or information for any purpose. Azoteq disclaims all warranties and conditions with regard to these products and information, including but not limited to all implied warranties and conditions of merchantability, fitness for a particular purpose, title and non-infringement of any third party intellectual property rights. Azoteq assumes no liability for any damages or injury arising from any use of the information or the product or caused by, without limitation, failure of performance, error, omission, interruption, defect, delay in operation or transmission, even if Azoteq has been advised of the possibility of such damages. The applications mentioned herein are used solely for the purpose of illustration and Azoteq makes no warranty or representation that such applications will be suitable without further modification, nor recommends the use of its products for application that may present a risk to human life due to malfunction or otherwise. Azoteq products are not authorized for use as critical components in life support devices or systems. No licenses to patents are granted, implicitly, express or implied, by estoppel or otherwise, under any intellectual property rights. In the event that any of the abovementioned limitations or exclusions does not apply, it is agreed that Azoteq’s total liability for all losses, damages and causes of action (in contract, tort (including without limitation, negligence) or otherwise) will not exceed the amount already paid by the customer for the products. Azoteq reserves the right to alter its products, to make corrections, deletions, modifications, enhancements, improvements and other changes to the content and information, its products, programs and services at any time or to move or discontinue any contents, products, programs or services without prior notification. For the most up-to-date information and binding Terms and Conditions please refer to www.azoteq.com.
[email protected]
Copyright © Azoteq (Pty) Ltd 2020.
AZD026 – Azoteq USB-Dongle Overview
All Rights Reserved.
Revision 0.12
November 2022



















