vinci play 0207 Child Playground Equipment Instruction Manual
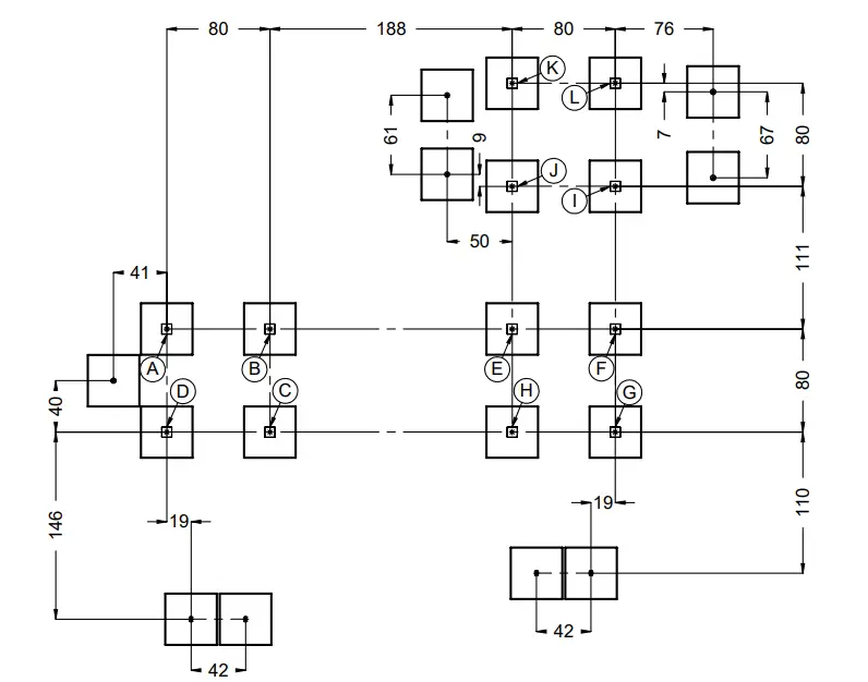
Dimensions










| ST/INOX | PLYWOOD / HDPE | HPL | |||
| 2x | E34 (K1, K3) | 2 x | E8 (S1) | 2 x | E9 (S1) |
| 2x | E35 (K2) | 2 x | E152 (S6) | 2 x | E153 (S6) |
| 2x | E88 (K2, K3) | 1 x | PS31 | 1 x | PH31 |
| 1x | E38 (K2, K3) | 3 x | CE2 | 3x | CL2 |
| E37 (K2, K3) | 1x | E4 | 1x | E5 | |
| 1x | E28 | 5x | CE1 | 5x | CL1 |
| 7x | E1 | 3x | CE4 | 3x | CL4 |
| 1x | E51 | 3x | PS2 | 3x | PH2 |
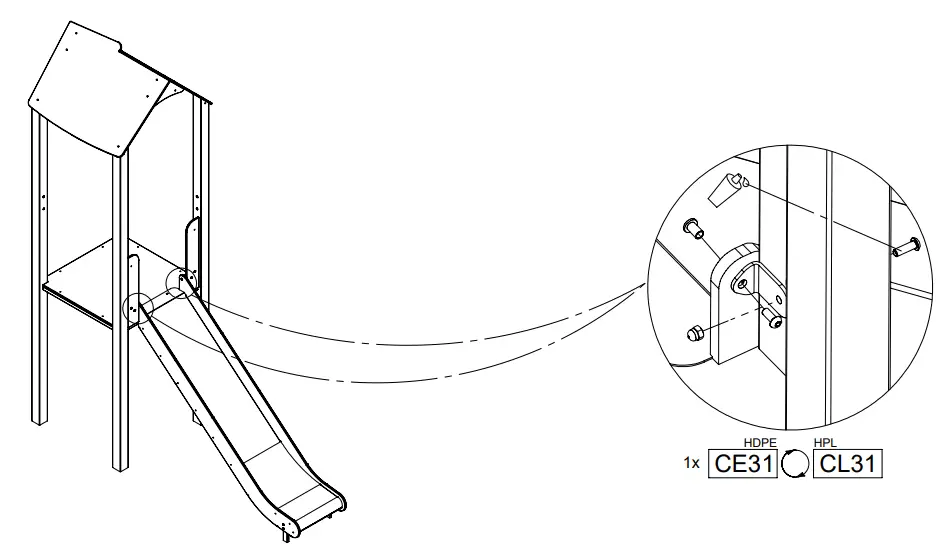
| 3x | E3 | 2 x | CE31 | 2 x | CL31 |
| 1x | E39 | 1x | PS21 | 1x | PH21 |
| 1x | E238 | 3x | CE111 | 3x | CL111 |
| 1x | V001 | 2x | E130 | ||





































