
VX8000PRO
ULTRA CLASS D MONO AMPLIFIER
VERS. 1.2
Owner’s Manual
SAFETY INSTRUCTIONS
THE PURCHASED DEVICE IS ONLY SUITABLE FOR AN OPERATION WITH A 12V ONBOARD ELECTRICAL SYSTEM OF A VEHICLE. Otherwise fire hazard, risk of injury, and electric shock consist.
PLEASE DO NOT MAKE ANY OPERATION OF THE SOUND SYSTEM, WHICH DISTRACTS YOU FROM A SAFE DRIVING. Do not make any procedures, which demand longer attention. Perform these operations not until you have stopped the vehicle in a safe place. Otherwise, the risk of accident consists.
ADJUST THE SOUND VOLUME TO AN APPROPRIATE LEVEL, SO THAT YOU ARE STILL ABLE TO HEAR EXTERIOR NOISES WHILE DRIVING. High-performance sound systems in vehicles may generate the acoustic pressure of a live concert. Permanent listening to extremely loud music may cause the loss of your hearing abilities. Hearing extremely loud music while driving may derogate your cognition of warning signals in traffic. In the interests of common sameness, we suggest driving with a lower sound volume. Otherwise, the risk of accident consists.
DO NOT COVER COOLING VENTS AND HEAT SINKS. Otherwise, this may cause heat accumulation in the device and fire hazard consists.
DO NOT OPEN THE DEVICE. Otherwise, fire hazards, risk of injury, and electric shock consist. Also, this may cause a loss of the warranty.
REPLACE FUSES ONLY WITH FUSE WITH THE SAME RATING. Otherwise, fire hazards and risk of electric shock consist.
DO NOT USE THE DEVICE ANY LONGER, IF A MALFUNCTION OCCURS, WHICH REMAINS NOT REMEDIED. Refer in this case to the chapter TROUBLESHOOTING. Otherwise the risk of injury and damage to the device consists. Commit the device to an authorized retailer.
INTERCONNECTION AND INSTALLATION SHOULD BE ACCOMPLISHED BY SKILLED STAFF ONLY. The interconnection and installation of this device demand technical aptitude and experience. For your own safety, commit the interconnection and installation to your car audio retailer, where you have purchased the device.
DISCONNECT THE GROUND CONNECTION FROM THE VEHICLE’S BATTERY BEFORE INSTALLATION. Before you start with the installation of the sound system, disconnect by any means the ground supply wire from the battery, to avoid any risk of electric shock and short circuits.
CHOOSE AN APPROPRIATE LOCATION FOR THE INSTALLATION OF THE DEVICE. Look for an appropriate location for the device, which ensures sufficient air
circulation. The best places are spare wheel cavities and open spaces in the trunk area. Less suitable are storage spaces behind the side coverings or under the car seats.
DO NOT INSTALL THE DEVICE AT LOCATIONS, WHERE IT WILL BE EXPOSED TO HIGH HUMIDITY AND DUST. Install the device at a location, where it will be protected from high humidity and dust. If humidity and dust attain inside the device, malfunctions may be caused. MOUNT THE DEVICE AND OTHER COMPONENTS OF THE SOUND SYSTEM SUFFICIENTLY. Otherwise, the device and components may get loose and act as dangerous objects, which could cause serious harm and damage in the passenger room.
ENSURE CORRECT CONNECTION OF ALL TERMINALS. Faulty connections may cause fire hazards and lead to damage to the device.
MOUNT THE DEVICE AND OTHER COMPONENTS OF THE SOUND SYSTEM SUFFICIENTLY. Otherwise, the device and components may get loose and act as dangerous objects, which could cause serious harm and damage in the passenger room.
ENSURE NOT TO DAMAGE COMPONENTS, WIRES, AND CABLES OF THE VEHICLE WHEN YOU DRILL THE MOUNTING HOLES. If you drill the mounting holes for the installation into the vehicle’s chassis, ensure by any means, not to damage, block, or tangent the fuel pipe, the gas tank, other wires, or electrical cables.
DO NOT INSTALL AUDIO CABLES AND POWER SUPPLY WIRES TOGETHER. Ensure while installation not to lead the audio cables between the head unit and the processor together with the power supply wires on the same side of the vehicle. The best is an areal-separated installation in the left and right cable channels of the vehicle. Therewith overlap of interferences on the audio signal will be avoided. This stands also for the equipped bass-remote wire, which should be installed not together with the power supply wires, but rather with the audio signal cables.
ENSURE THAT CABLES MAY NOT BE CAUGHT UP IN CLOSE-BY OBJECTS. Install all the wires and cables as described on the following pages, therewith these may not hinder the driver. Cables and wires which are installed close by the steering wheel, gear lever, or brake pedal, may be caught up and cause highly dangerous situations.
DO NOT SPLICE ELECTRICAL WIRES. The electrical wires should not be bared, to provide power supply to other devices. Otherwise, the load capacity of the wire may get overloaded. Use therefore an appropriate distribution block. Otherwise, fire hazards and risk of electric shock consist.
DO NOT USE BOLTS AND SCREW NUTS OF THE BRAKE SYSTEM AS GROUND POINTS. Never use for the installation or the ground point bolts and screw-nuts of the brake system, steering system, or other security-relevant components. Otherwise, fire hazards consist or driving safety will be derogated.
ENSURE NOT TO BEND OR SQUEEZE CABLES AND WIRES WITH SHARP OBJECTS. Do not install cables and wires not close-by movable objects like the seat rail which may be bent or harmed by sharp and barbed edges. If you lead a wire or cable through the hole in a metal sheet, protect the insulation with a rubber grommet.
KEEP AWAY SMALL PARTS AND JACKS FROM CHILDREN. If objects like these will be swallowed, the risk of serious injuries consists. Consult promptly a medical doctor, if a child swallowed a small object.
DISPOSAL
If you have to dispose of the device, please note that no electronic devices may be disposed of in the household waste. Dispose of the device in a suitable recycling facility in accordance with local waste regulations. If necessary, consult your local authority or your dealer.
TECHNICAL SPECIFICATIONS
| Model | VX 8000 PRO |
| Channels | 1 |
| Circuit | Digital Ultra Class D |
| OUTPUT POWER RMS @ 14.4 V | |
| Watts @ 4 Ohms | 1 x 2500 |
| Watts @ 2 Ohms | 1 x 4800 |
| Watts @ 1 Ohm | 1 x 8000 |
| Loudspeaker Impedance | 1 – 8 Ohm |
| Frequency Range –3dB | 10 – 5.000 Hz |
| Damping Factor | > 10.000 |
| Signal-to-Noise Ratio | 94 dB |
| THD+N | < 0,05 % |
| Filter Section | |
| Sub Sonic Filter | 10 – 100 Hz |
| Low Pass Filter | 50 – 5.000 Hz |
| Bass Boost | 0 – 12 dB @ 30 – 70 Hz |
| Input Sensitivity | |
| RCA Low-Level Input mono | 0,4 – 3,6 V |
| RCA High-Level Input mono | 1,0 – 9,0 V |
| Recommended fuse rating | |
| 4 Ohm Operation | 2 x 100 A |
| 2 Ohm Operation | 2 x 200 A |
| 1 Ohm Operation | 2 x 300 A |
| Dimensions | 191 x 66 x 340 mm |

All specifications are subject to change / The scope of delivery does not include a device fuse.
CAUTION
Due to the high power consumption of the amplifier, we only recommend an operation with a suitable 12V additional battery. You can obtain more information on this from specialist retailers.
We recommend operating the amplifier only with a power capacitor to ensure a more constant power supply. More information is on pages 18 and 19.
INTENDED USE
This product is only designed for use in a vehicle with 12-volt onboard voltage and negative ground and functions as an amplifier for audio signals. Any other use may lead to damage to the product or in the vicinity of the product.
MECHANICAL INSTALLATION
- Avoid any damage to the components of the vehicle like airbags, cables, board computers, seat belts, gas tank, or the like.
- Ensure that the chosen location provides sufficient air circulation for the amplifier. Do not mount the device in small sealed spaces without air circulation or nearby heat-dispersing parts or electrical parts of the vehicle.
- All cables must be as short as possible to avoid losses and interferences.
- Use self-tapping screws (not included in delivery) to install the amplifier in the vehicle.

CAUTION
Before you start with the installation, disconnect necessarily the GROUND connection wire from the vehicle / additional battery to avoid any risk of electric shocks and short circuits.
ELECTRICAL INTERCONNECTION

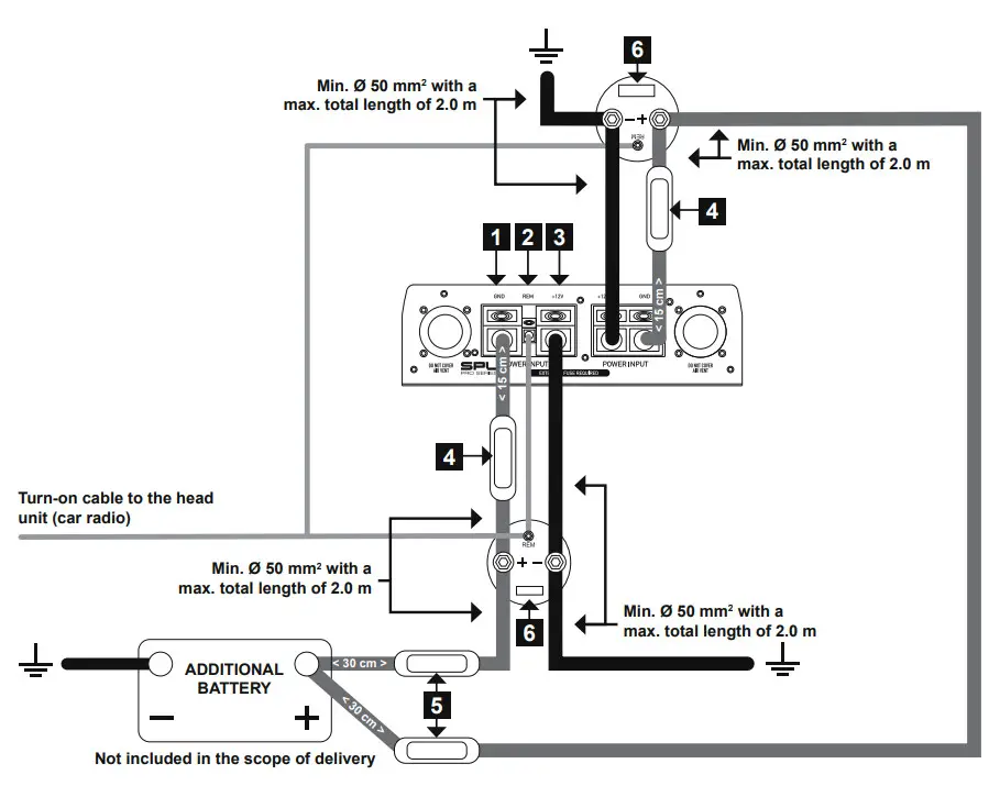
BEFORE CONNECTING
For the professional installation of a sound system, car audio retail stores offer appropriate wiring kits. Ensure a sufficient profile section and a suitable fuse rating and the conductivity of the cables when you purchase your wiring kit. Clean and remove rust-streaked and oxidized areas on the contact points of the battery and the ground connection. Make sure that all screws are fixed tight after the installation because loose connections cause malfunctions, insufficient power supply, or interferences.
- +12V
Connect the 12-volt terminals of the amplifier to the positive poles of the power capacitors by using suitable cables. Then connect the positive poles of the power capacitors to the 12-volt positive pole of the additional battery.
ATTENTION: Use for both connections sufficiently dimensioned cables of at least Ø 50 mm 2 with a total length of max. 2 meters. If you use longer cables, the cross-section must be correspondingly larger. Use very short cable lengths from the amplifier to the power capacitors, which should be mounted close as possible to the amplifier. - REM
Connect the turn-on signal from your head unit/car radio (REM) with the REM terminals of the power capacitors. Then connect the REM terminal of one of the power capacitors with the REM terminal of the amplifier. Hereby the amplifier and the power capacitors are turning on or off with the head unit/car radio. Use therefore suitable cables with a sufficient cross-section (0,5 mm²). - GND
Connect the minus poles of the power capacitors with a suitable contact ground point on the vehicle’s chassis. Then connect the minus poles of the power capacitors with the GND terminal of the amplifier. The ground wires must be as short as possible and must be connected to a blank metallic point at the vehicle’s chassis. Ensure that this ground point has a stable and safe electrical connection to the negative “–” pole of the battery. Check the ground wires from the battery to the ground point if possible and enforce them if required.
ATTENTION: Use for both connections sufficiently dimensioned cables of at least Ø 50 mm 2 with a total length of max. 2 meters. If you use a longer cable, the cross-section must be correspondingly larger. Use a very short cable length from the amplifier to the power capacitor, which should be mounted close as possible to the amplifier. - FUSES (NOT INCLUDED)
The amplifier inherently has no internal device fuses. You should therefore use suitable fuses and holders from a specialist retailer and install them in the power cables near the 12-volt terminal of the amplifier. The distance between the fuses and the amplifier should not exceed 15 cm. Please note the recommendations for the fuse values on page 16. - ADDITIONAL CABLE FUSE (NOT INCLUDED)
Install an extra fuse (not included) for the +12V power cable near the battery to secure the power cable. The distance between the fuse and the battery should not exceed 30 cm. The fuse size must be adapted to the cable cross-section of the installed power cable.
ATTENTION: The fuse at the battery does not protect the amplifier, but the cable between the battery and the amplifier against short circuits. - POWER CAPACITORS (NOT INCLUDED)
We generally recommend operating this amplifier with suitable power capacitors (power caps), which are not included in the scope of delivery. A power capacitor offers a more constant power supply, a sound improvement, and a better bass performance of the amplifier. The higher the nominal capacity, the better it absorbs unpleasant voltage fluctuations and stabilizes the entire sound system. For maximum benefit from the power capacitor, mount it as close to the amplifier as possible.
With an output power per 1000 watts RMS, we recommend a capacity of 1 farad. Further information is available from specialist retailers.
For the connection and operation, please also refer to the instructions for the power capacitor.
CAUTION
Replace defective fuses only with a new one of the same type and with the same fuse rating.DESCRIPTION OF OPERATION

- There are two RCA inputs on the LINE INPUT, each of which is controlled in mono. The input LOW VOLTAGE is suitable for low-level signals from 0.4 to 3.6 volts. At the input HIGH VOLTAGE, you can connect a high-level signal from 1.0 to 9.0 volts, such as that provided by a DSP.
ATTENTION: Never connect a high-level signal from a loudspeaker output here. - The INPUT SENS. determines the input sensitivity of LINE INPUT in order to adapt the incoming signal from the head unit (car radio).
- This SUB-SONIC controller limits the ultra-low and not audible frequencies of the audio signal downwards to avoid mechanical and electrical overloading on the subwoofer. The crossover frequency is adjustable from 10 to 100 Hz and depends on the size of the subwoofer. Make sure that this controller is not set higher than the LOW PASS controller, otherwise, no sound can be heard.
- The LOW PASS controller limits the frequency of the audio signal upwards. The crossover frequency is adjustable from 50 Hz to 5.000 Hz (5 kHz).
- The BASS BOOST controller regulates the bass enhancement of the signal continuously from 0 dB to +12 dB. With the BOOST FREQ. controller, you can set the frequency of the bass enhancement between 30 Hz and 70 Hz.
- If the blue POWER LED lights up, the amplifier is ready for operation.
If the red PROTECT LED lights up, there is a malfunction. Then follow the instructions in chapter TROUBLESHOOTING on page 22.
If the orange CLIP LED lights up, the input signal is overloaded. Then turn the INPUT SENS. controller (see section 8) back accordingly until the LED goes out. - Connect the subwoofer to the SPEAKER OUTPUT output accordingly. Pay attention to the correct polarity. The minimum impedance of the subwoofer should not be less than 1 ohm.



APPLICATION EXAMPLE A
APPLICATION EXAMPLE B
APPLICATION EXAMPLE C
TROUBLESHOOTING
CAUTION
All instructions in this troubleshooting refer to the entire sound system and its individual components. The features of your device may not match the functions described in the notes. Then skip this point and move on to the next one.
NO FUNCTION / THE POWER LED IS NOT ILLUMINATED
First, check the fuse of the routed power cable on the additional battery
The fuse is defective
Replace the defective fuse with an equivalent one, never with a higher value.
• The fuse fails again.
In this case, there appears to be a short circuit between the fuse and the amplifier. To do this, check the + 12V power cable along its entire length from the battery to the amplifier for damage and whether there is a short circuit to ground, e.g. contact with the vehicle chassis or the body. If necessary, replace the defective power cable.
The fuse is apparently okay
Use a standard 12-volt voltmeter to check the voltage between the + 12V connection and the ground connection on the amplifier.
- There is no voltage.
Use the voltmeter to check the fuse, which is located close to the additional battery, to see whether there is a voltage between the output and the ground.
If there is no voltage there, either the fuse holder or the fuse is defective, although it appears to be okay. If necessary, replace the fuse holder or fuse. - There is voltage.
If you operate the amplifier with a pre-amplifier signal (RCA), you must have laid a remote turn-on wire from the head unit to the REM terminal of the amplifier.
A remote turn-on wire is connected to the REM terminal at the amplifier.
Use the voltmeter to check whether there is a voltage between the REM terminal of the amplifier and the ground. The head unit must be switched on.
There is no voltage. - Check the remote turn-on wire from the amplifier to the head unit for a short circuit or damage.
If necessary, replace the control line.
There is voltage. - The amplifier is probably malfunctioning or defective. Contact your retailer.
THE POWER LED IS ON, BUT NO SOUND COMES FROM THE SPEAKERS
Check the following steps:
• The RCA cables are correctly connected.
– Then an RCA cable could be defective. Check the function of the RCA cables on another audio device. If necessary, replace the defective RCA cables.
• The speaker cables are connected correctly.
– A speaker cable could be defective. If necessary, replace the speaker cable or insulate the damaged area.
– Then slowly turn down the controller for the high pass filter or subsonic filter until the sound can be heard.
– Check the setting and change the switch position if necessary.
– Check the settings and change the respective switch position if necessary.
-Hold a standard 9-volt block battery to the terminals of each loudspeaker or the subwoofer.
• A faint cracking sound can be heard.
-The speaker or subwoofer is fine.
• There is nothing to be heard.
-The loudspeaker or subwoofer could be defective. If necessary, replace the defective speaker or subwoofer.
• Check the fader and balance settings
• Check whether the mute function is activated
• Check whether a high pass or low pass filter is activated
• Check whether playback has been paused
• Check the source settings
• Check whether any existing subwoofer output is activated
Check the following steps:
Is an input level controller on the amplifier set too high?
– Slowly turn the controller back until you hear a clean audio signal.
– Slowly turn the controller back until you hear a clean audio signal.
– Deactivate loudness or turn the loudness setting back until you can hear a clean audio signal.
– Turn down the settings for Treble, Middle, and Bass, or deactivate the equalizer until you can hear a clean audio signal.
Check the following steps:
Have the RCA cables been laid separately from the power cable in the vehicle?
– If necessary, lay the cables again and make sure that the audio cables are laid separately from the power cable on the left and right in the vehicle.
– Make sure that the ground connection of the amplifier is not connected directly to the negative pole of the additional battery. Select a suitable ground point on the vehicle body for connection. If necessary, use contact spray to improve the conductivity of the connections.
– Make sure that the ground connection of the additional battery has a stable and conductive connection to the body. If necessary, use contact spray to improve the conductivity of the connections.
– CAUTION: Tweeters will be damaged if the frequencies are too low. Please note the manufacturer’s information on which frequency setting is recommended. To be on the safe side, pause the playback of the head unit first. Check the following steps:
– Set the crossover mode switch to the high pass position (HP or HPF).
– First, turn the high pass controller fully clockwise. Now start playback on the head unit.
– Then turn the high pass controller slowly counter-clockwise until you can hear a clean sound from the tweeters and produce a balanced sound together with the woofers/mid-range speakers. Make sure that the woofers/mid-range speakers are set correctly with the respective high pass and low pass controllers.
THE AMPLIFIER ACTIVATES THE PROTECTIVE CIRCUIT / THE PROTECTIVE LED LIGHTS UP
Check the following steps:
Short circuit on the speaker cables
- First, disconnect all speaker cables from the amplifier. Use a multimeter to check the ohmic impedance of each loudspeaker by measuring between its plus and minus lines. With standard loudspeakers, the value fluctuates between 3 and 5 ohms. The values for low-resistance subwoofers can be lower.
- The measurement shows a resistance value of fewer than 0.5 Ohms Then there is a short circuit. Remove the wiring of the affected loudspeaker at its connections. Now use the multimeter to check the ohmic impedance directly at the loudspeaker connections by measuring between the plus and minus connections.
The measurement shows a resistance value of more than 0.5 Ohms - The speaker is fine, so the speaker wire appears to be defective and causing a short circuit.
Replace the defective speaker cable.
The measurement shows a resistance value of fewer than 0.5 Ohms - The speaker appears to be defective and is shorting out. Replace the defective speaker.
The load impedance of the loudspeakers or the subwoofer is too low
- Compare the ohmic impedance of the connected loudspeaker or subwoofer with the technical specifications of the amplifier. For example, if the amplifier is only designed for 2 or 4-ohm operation, no loudspeaker with less than 2 ohms may be connected.
The cross-section of the power cables is too small
- If the cable cross-section is too small, this leads to increased ohmic resistance and thus to a voltage drop (voltage loss). This indicates that the amplifier consumes more power. The increased power consumption results in a significantly higher heat development and the amplifier switches to thermal protection mode. Therefore, observe the recommended cable cross-sections in these instructions and, if necessary, lay power cables with a larger cable cross-section.
The amplifier is overheated
- The heat sink of each amplifier requires sufficient air circulation to be able to dissipate the heat generated during operation. If necessary, change the installation position in favor of better cooling of the amplifier or ensure better air circulation at the installation location.
- Turn off the sound system and wait about half an hour for the amplifier to cool down again. With very hot outside temperatures and strong sunlight, enormous heat develops inside the vehicle. The amplifier then activates its thermal protection circuit to prevent damage. After cooling down, the amplifier works properly again.
CAUTION
All instructions in this troubleshooting refer to the entire sound system and its individual components. The features of your device may not match the functions described in the
notes. Then skip this point and move on to the next one.

Audio Design GmbH
Am Breilingsweg 3 · D-76709 Kronau/Germany
Tel. +49 7253 – 9465-0 · Fax +49 7253 – 946510
www.esxaudio.de
www.audiodesign.de
© Audio Design GmbH, all rights reserved.
Technical changes, errors, and mistakes are reserved.


















