nVent HOFFMAN PFP19RA ProLine Filler Panel for Rack Angles Instruction Manual
Package Content
- (4 x)

- (2 x)

- M5 x 10 (4 x)

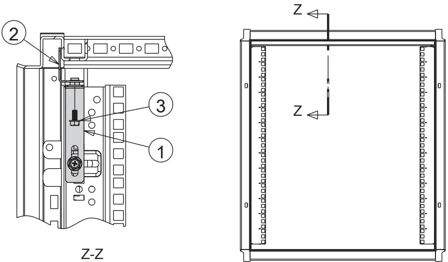
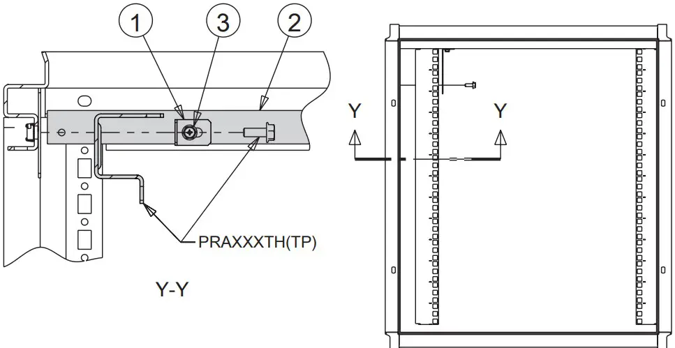
Product Overview



87569316 © 2018 Hoffman Enclosures Inc. PH 763 422 2211 • nVent.com/HOFFMAN

nVent HOFFMAN PFP19RA ProLine Filler Panel for Rack Angles Instruction Manual






87569316 © 2018 Hoffman Enclosures Inc. PH 763 422 2211 • nVent.com/HOFFMAN

Download manual
Here you can download full pdf version of manual, it may contain additional safety instructions, warranty information, FCC rules, etc.