audiolab 9000CDT CD Transport

Important Safety Information
This lightning flash with an arrowhead symbol within an equilateral triangle is intended to alert the user to the presence of non-insulated “dangerous voltage” within the product’s enclosure that may be of sufficient magnitude to constitute a risk of electric shock.
Warning: To reduce the risk of electric shock, do not remove the cover (or back) as there are no user-serviceable parts inside. Refer servicing to qualified personnel. The exclamation point within an equilateral triangle is intended to alert the user to the presence of important operating and maintenance instructions in the literature accompanying the appliance.
Read these instructions.
Keep these instructions.
Heed all warnings.
Follow all instructions.
Do not use this apparatus near water.
Clean only with a dry cloth.
Do not block any ventilation openings. Install under the manufacturer’s instructions.
Do not install near any heat sources such as radiators, heat registers, stoves, or other apparatus (including amplifiers) that produce heat.
Do not defeat the safety purpose of the polarized or grounding-type plug. A polarized plug has two blades with one wider than the other. A grounding plug has two blades and a third grounding prong. The wide blade or the third prong is provided for your safety. If the provided plug does not fit into your outlet, consult an electrician for the replacement of the obsolete outlet.
Protect the power cord from being stepped on or pinched, particularly at the plugs, convenience receptacles, and at the point where they exit from the apparatus.
Unplug this apparatus during lightning storms or when unused for long periods. Refer all servicing to qualified service personnel. Servicing is required when the apparatus has been damaged in any way, such as power supply cord or plug is damaged, liquid has been spilt or objects have fallen into the apparatus, the apparatus has been exposed to rain or moisture, does not operate normally, or has been dropped.
CAUTION: These servicing instructions are for use by qualified service personnel only. To reduce the risk of electric shock, do not perform any servicing other than that contained in the operating instructions unless you are qualified to do so. Do not install this equipment in a confined or built-in space such as a bookcase or similar unit, and keep well ventilated in an open space. The ventilation should not be impeded by covering the ventilation openings with items such as newspaper, tablecloths, curtains etc.
WARNING: Only use attachments/accessories specified or provided by the manufacturer (such as the exclusive supply adapter, battery etc).
WARNING: Please refer to the information on the exterior panel of the enclosure for electrical and safety information before installing or operating the apparatus.
WARNING: To reduce the risk of fire or electric shock, do not expose this apparatus to rain or moisture. The apparatus shall not be exposed to dripping or splashing and objects filled with liquids, such as vases, shall not be placed on the apparatus.
WARNING: For the terminals marked with the symbol “
” may be of sufficient magnitude to constitute a risk of electric shock. The external wiring connected to the terminals requires installation by an instructed person or the use of ready-made leads or cords.
WARNING: No naked flame sources, such as lighted candles, should be placed on the apparatus.
WARNING: Attention should be drawn to the environmental aspects of battery disposal.
WARNING: Use of the apparatus in tropical climates.
THE FUSE VALUES ARE:
220 – 240V (UK, China, etc.) T630mAL 250V Slow Blow
100 – 120V (USA, Japan, etc.) T1.0AL 250V Slow Blow
This label tells you that the unit contains a laser component.
Opening the unit will expose the user to radiation from the laser.
The apparatus with CLASS I construction shall be connected to a mains socket outlet with a protective earthing connection.
FCC Statement
This equipment has been tested and found to comply with the limits for a Class B digital device, pursuant to part 15 of the FCC Rules. These limits are designed to provide reasonable protection against harmful interference in a residential installation. This equipment generates, uses and can radiate radio frequency energy and, if not installed and used in accordance with the instructions, may cause harmful interference to radio communications.
However, there is no guarantee that interference will not occur in a particular installation. If this equipment does cause harmful interference to radio or television reception, which can be determined by turning the equipment off and on, the user is encouraged to try to correct the interference by one or more of the following measures:
- Reorient or relocate the receiving antenna.
- Increase the separation between the equipment and receiver.
- Connect the equipment into an outlet on a circuit different from that to which the receiver is connected.
- Consult the dealer or an experienced radio/TV technician for help.
Caution: Any changes or modifications to this device not explicitly approved by the manufacturer could void your authority to operate this equipment. This device complies with part 15 of the FCC Rules. Operation is subject to the following two conditions:
- This device may not cause harmful interference, and
- This device must accept any interference received, including interference that may cause undesired operation.
RF Exposure Information
- The device has been evaluated to meet general RF exposure requirements.
- The device can be used in portable exposure condition and compliance with exposure requirements.
ISED Statement
This device contains license-exempt transmitter (s) / receiver (s) that comply with Innovation, Science and Economic Development Canada’s licence-exempt RSS (s). Operation is subject to the following two conditions:
- This device may not cause interference.
- This device must accept any interference, including interference that may cause undesired operation of the device.
The digital apparatus complies with Canadian CAN ICES-3 (B) / NMB-3 (B).
This device meets the exemption from the routine evaluation limits in section 2.5 of RSS 102 and compliance with RSS 102 RF exposure, users can obtain Canadian information on RF exposure and compliance.
This equipment complies with Canada radiation exposure limits set forth for an
uncontrolled environment.
The device has been evaluated to meet general RF exposure requirements.
Getting Started
Introduction of 9000CDT
Audiolab’s new 9000 Series represents a new standard in home audio for the connoisseur.
The 9000CDT is a dedicated CD transport that incorporates a high-end mechanism developed to suit the industry benchmarks set by Audiolab performance philosophies.
Following in a long list of award-winning Audiolab CD playback devices, the 9000CDT uses a high-precision optical system with an electronic data buffer for accurate and seamless CD playback, with a read-ahead digital buffer to reduce disc-reading failures, the 9000CDT offers the ability to play scratched and damaged CDs that are unreadable by conventional mechanisms.
Features
- High-end CD mechanism with a precision optical system
- Playback from CD or USB HDD
- Automatic equipment activation via 12V trigger input
- 80 x 48mm WVGA full view IPS LCD screen
Inputs
- CD disc playback
- USB storage device
Outputs
- One coaxial output
- One optical output
Unpacking the Equipment
The carton should contain:
- The Audiolab 9000CDT
- One IEC power cord suitable for your area
- One remote handset
- One instruction manual
Please note: The remote control requires 2 x AAA type batteries. Due to international shipping and courier regulations with Lithium-Ion batteries, the remote controller batteries are not included in this package.
Consult the dealer from whom you purchased the equipment if any item is not present. Carefully unpack the unit and accessories. Take care not to damage the surface finish when undoing the protective polythene sleeve. Retain the packing materials for future use. Retain the user manual and information concerning the date and place of purchase of your equipment for future reference. If you transfer the unit to a third party, please pass on this instruction manual along with the equipment.
Placement
The unit must be mounted on a solid, level and stable surface.
Before you connect the Audiolab 9000CDT to the AC mains power, ensure your AC mains voltage corresponds to the rating on the rear panel of the product. If in doubt, consult your dealer. If you move to an area that has a different mains voltage, seek advice from an Audiolab appointed dealer or a competent service technician.
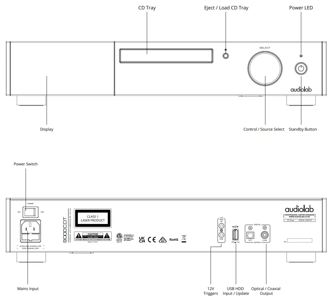
Controls and Functions

Remote Handset
- NUMBER KEYS Press to go directly to a track by number
- PROG Press to program tracks of your choice
- REPEAT Press to select the repeat mode
Move to the previous track
Press to stop
Press to eject / load the disc- SOURCE Press to cycle source inputs
- TIME Press to toggle single track time remaining or all tracks time remaining
- STANDBY Press to bring the unit in / out of standby
- STORE Press to store a track in program mode
- RANDOM Press to select random mode
- VOL+ Move to the previous option in menu settings
Move to the next track
Press to start / pause. Press to confirm setting selected in menu- VOL- Move to the next option in menu settings
Press and hold to fast reverse
Press and hold to fast forward- LIST Press to enter playlist
- MENU Press to enter menu mode
- BACK Press to go back when navigating directories (Menu, USB, etc.)
- CD/A/N Press to select the model – 9000CDT/9000A/9000N

Fit the Batteries
Open the cover and insert 2 x AAA batteries (not supplied), replace the cover.
Always use AAA batteries and replace them in sets – never mix up old and new batteries. Very weak batteries can leak and damage the handset. Replace them in good time!
Note: there is a risk of fire and injury if a battery is handled improperly. Do not disassemble, crush, puncture, short the contacts or dispose of the batteries in fire or water. Do not attempt to open or service a battery. Discard used batteries in full accordance with recycling regulations in force in your area.
Handset Operation
Point the handset at the remote receiver and press the buttons as illustrated to activate the relevant functions.
The handset should be within 15 meters of the player and there should be a clear line of sight between the handset and unit for optimum remote control operation.
Note: The handset can also operate other units in the Audiolab 9000 series. The buttons shown crossed out are for use with other Audiolab units.
Connections
USB Update
Follow the instructions provided separately with the official Audiolab USB update files.
POWER OFF the 9000CDT unit. Insert the USB storage device, onto which the USB update files have been loaded. Press the ‘STANDBY’ button on the front panel then simultaneously POWER ON, your 9000CDT will upgrade automatically. Wait for the device display to confirm that the update is completed. Then, unplug the USB drive and restart the 9000CDT. The unit is now ready to use.
12V Trigger Connection
The 9000CDT features two 12V trigger connections on the rear panel. One is an input from your amplifier, and the other is a link that can be used as an output to connect to other products such as the wider 9000 series models. For the Audiolab 9000 series, this will be a 3.5mm to 3.5mm interconnect.
Coaxial and Optical Output
The 9000CDT offers one Coaxial and one Optical SPDIF digital output. Connect a suitable Digital Coaxial (fully screened) interconnect or Optical cable from the appropriate SPDIF output of the 9000CDT to the input of a DAC or digital input on your chosen amplifier or preamplifier.
Mains Input
Before connecting the AC power cord to the 9000CDT, please make sure the Power Switch is in the OFF position. Switch it to the ON position after connecting the unit to the AC mains.
Auto Source Select
This option enables or disables the 9000CDT’s automatic detection of a CD or USB device when in playback mode.
With auto input select ‘ON’ the 9000CDT will offer the user the immediate option to change input source, when a CD or USB device is detected. If the option is not activated within 5 seconds, the device will continue to play as normal from current source.
Display Option
Access the various display options for the 9000CDT front panel display.
Brightness
Adjust the brightness of the 9000CDT front panel display.
Display Time Out
Adjust the time period after which the 9000CDT display will revert to your pre-chosen display option, after performing track select, volume adjust and other operations.
Animation
Activate (ON) or deactivate (OFF) the animations shown in the of the playback interface display.
Trigger
Activate or deactivate the 12V trigger function of the 9000CDT.
Language
The 9000CDT offers multiple language options for the GUI. Select your chosen language from the list. The default language is ‘English’.
Standby
The auto-standby feature will put the 9000CDT into standby mode after 20 minutes of inactivity. This feature can be also user defined and set to 20 minutes, 60 minutes or ‘never’.
The latter option meaning that the 9000CDT will not enter standby mode without user instruction by way of the front panel ‘standby’ button or remote control ‘standby’ button.
Reset
Reset the 9000CDT to the factory default settings.
Version
Check the current operational firmware version.
System Operations
Switching On and Off
The 9000CDT should be switched on before the amplification stage in your system.
When switching off your system, turn off the amplifier stage before switching off the 9000CDT.
Standby Mode
After initial power is on, the 9000CDT will be in ‘standby’ mode.
To use the 9000CDT, press the ‘STANDBY’ button to bring the 9000CDT out of standby.
The power indicator LED will become brighter and the display will show the ‘Audiolab’ welcome screen as the unit enters the operational mode.
Source Select
Long press the ‘SELECT’ knob on the front panel for 3 seconds or use the source
or
buttons on the remote handset to select the different source options.
Auto Source Select
When the ‘Auto Source Select’ option is active, insert a USB drive when playing CD, or load a CD when playing from USB HDD and the 9000CDT will automatically offer out a source select option.
You can immediately select the alternative source by press
on the remote controller. If this is not required, 9000CDT will remain on the current playback source if no confirmation is made within 5 seconds.
Alternative Display Options
The Audiolab 9000CDT has an intelligent and versatile display. You can access the display options via the menu function.
Press the ‘MENU’ button on the remote controller to enter menu mode, or
long-press the ‘SOURCE’ button on the front panel of the device.
A 2 seconds press of the front panel source button brings up the option to change
input source. Continue pressing for a total of 5 seconds to bring up the menu.
Navigate to ‘Display Options’ via the menu options (use the VOL+/- buttons on the remote or front panel of the device for navigation. You can also use the
and
buttons to navigate.)
Choose and confirm by
on the remote control or front panel of the device.
The menu enables you to customize the unit and optimise the interface with other equipment in your system.
Press the ‘SELECT’ knob on front panel or ‘MENU’ key on the remote controller to enter menu mode, and then press ‘VOL-‘ or ‘VOL+’ to cycle through the menu options.
Press
to access the sub menus and press
again to confirm any selection.
You can also press the ‘SELECT’ button on the front panel to enter the menu, then rotate it cycle menu options. Press ‘SELECT’ again to enter the sub menu. And, press ‘SELECT’ again to confirm any selection.

Playing Operations
CD Playback
Press the
on the remote controller or front panel to load/eject the disc.
Press the
to play the CD. Press the button again to pause CD playback.
Press
to stop playing the CD, and then press
to eject the disc.
Previous/Next track: skip back to the start of current track by pressing
button once. Skip back to previous track by pressing
button twice. Skip forward to next track by pressing
button once.
Press and hold
/
to fast reverse/fast forward search.
Direct Selection of Tracks via the Remote Control
Select the desired track directly from the remote keypad by using the numerical buttons. The 9000CDT will automatically skip to the track number corresponding to the number keypad.
If you choose a single digital track (e.g.1) in a disc which contains more than 10 tracks, the player will pause briefly, waiting for you to enter a second digit. If none is entered, player will commence from the entered single-digit track. If the choice is invalid the display reverts to the previous state and playback / operation will continue.
Repeat Play
Press the ‘REPEAT’ button on the handset once to repeat a single track. Press it again to repeat all of the tracks on the disc / folder. The
or
on the display will turn red if
or
is activated.
Random Play
Press the ‘RANDOM’ button on the remote controller to activate random playback mode. The ‘
‘ icon on the display will turn red when this function is activated.
Programming Play
You can set a programmed playback order for CD tracks on the 9000CDT. The Programming mode is only accessible while playback is in ‘stop’ mode ie. no music is playing.
To enter the programming mode, press the ‘PROG’ button on the remote controller. Enter the first track that you would like to play by entering the track number using the number pad on the remote. Press ‘STORE’ to save the chosen track in position (1). Enter the next track number using the number pad, and press ‘STORE’ to save in position (2), and so on.
Once you have populated your track list, scroll left and right using the
and
buttons on the remote control to select which track you would like to start playing from. For example, to play from the beginning of your programmed list, scroll left to the first stored track.
Begin playback by pressing the
button. Playback of your programmed list will start, beginning with the currently selected track. Press the
button to stop programmed playback.
To exit the ‘Programmer’ playback mode, press the
button twice.
Playback from USB HDD Storage Device
The 9000CDT can play music files saved on a USB HDD storage device and is compatible with USB devices that are ‘FAT12’, ‘FAT16’ and ‘FAT32’ formatted.
The 9000CDT supports audio files in the format of WMA, MP3, WAV and AAC. Connect your USB device to the rear panel USB port. Select USB HDD playback input.
Play/Pause by pressing the
button on the remote control or front panel.
You can use the ![]()
buttons on the remote control to skip, fast forward and fast reverse tracks as you would with CDs.
Compatible Formats
| Sampling Frequency | Bit Rate | Bit Length | Extension | |
| WMA | 32 / 44.1kHz | 32~320kbps | – | .wma |
| MP3 | 32 / 44.1kHz | 32~320kbps | – | .mp3 |
| WAV | 32 / 44.1kHz | – | 16bit | .wav |
| AAC | 32 / 44.1kHz | 32~320kbps | – | .m4a |
*48kHz files can be played via the 9000CDT but will be resampled to 44.1kHz
Compatible with ‘FAT12’, ‘FAT16’ or ‘FAT32’ HDD devices.
Maximum number of files: 65,535
Maximum number of folders: 700
If the USB memory device is divided into multiple partitions, only the top partition can be accessed.
USB port 5V 1A mains output is used for supplying power to USB memory device. It is not suggested to charge mobile phones or other USB devices via this port.
Warranty Coverage
Audiolab warrants its products, subject to the following terms and conditions below, to be free from defects in materials and workmanship.
Scan the QR code using a smart-phone device, for product warranty registration online.
The three (3) year extended warranty is applicable to items purchased from Jan 1st 2021, onwards. Items purchased prior to this date are not eligible for this extended warranty service but are subject to statutory warranty claims and all applicable consumer rights.
To qualify for the extended 3 year warranty, you must register your product within ninety (90) calendar days from the date of purchase. Visit audiolab.co.uk/warranty-registration to complete your online registration. Items not registered online will have a Limited Warranty for one (1) year, or for the
period of your country’s statutory warranty, whichever is longer.
Warranty can only be offered to products registered with proof of purchase with date, model and details of the authorised dealer clearly stated on the receipt/invoice. Please keep the original receipt/invoice in case it is required for a warranty claim.
This Limited Warranty is non-transferable and is offered exclusively to the original owner.
This Limited Warranty is valid only in the original country of purchase.
Repairs or replacements are provided under this warranty are the exclusive remedy of the consumer. Audiolab shall not be liable for any incidental or consequential damages for breach of any expenses or implied warranty with any product. Except to the extent prohibited by law, this warranty is exclusive and in lieu of all other warranties whatsoever, both expressed and implied, including but not limited to the warrant of merchantability and fitness for practical purpose.
This warranty provides benefits that are additional to and do not affect your statutory consumer rights.
This Limited Warranty offer is subject to correct information being submitted in your application. Incorrect dates or mismatched purchase receipt dates that are outside of the warranty terms will immediately invalidate any warranty claim. *Please check with your dealer local distributor for further information.
Exclusions
The following items are excluded from the Audiolab warranty:
Normal wear and tear and cosmetic damage (including but not limited to any wear from reasonable use, environmental deterioration or neglect) Products on which the serial number has been removed, altered or otherwise made illegible.
Products not purchased from an authorised Audiolab dealer.
Products that were not new at the time of original purchase.
Products sold ‘as is’, ‘as seen’ or ‘with faults’ Product not purchased from an Authorised Dealer/Distributor within the region of the claim (ie parallel imports or grey market products) Accidental damage or faults caused by commercial use, acts of God, incorrect installation, incorrect connection, incorrect packaging, misuse or careless operation or handling which is not in accordance with the user instructions. Equipment that has been operated in conjunction with unsuitable, inappropriate or faulty apparatus.
Repairs, alterations or modifications carried out by parties other than Audiolab or its authorised service partners.
Damage in transit that cannot be attributable to the fault of Audiolab, the authorised distributor or dealer (ie. claims otherwise covered by transit insurance.) Faults relating to abnormal or inappropriate power supply voltage or power surges.
Faults relating to extremities in temperature, exposure to heat, water or other liquids, insects, excessive moisture, sand, chemicals, battery leakage or any other contaminants.
Any force majeure events, including but not limited to any acts of God, fire, lightning, typhoon, storm, earthquake, hurricane, natural disaster, tsunami, flood, war, riot, public disturbance.
Any other causes beyond the reasonable control of either Audiolab and its Authorised Distributor.
Please note items purchased before 1st Jan 2021 are not eligible for the extended warranty claim.
How to claim
To obtain warranty service please contact the authorised dealer from which you purchased this product and present the limited warranty certificate offered upon registration of your product’s extended warranty offer.
Do not dispatch goods without the prior agreement of the dealer distributor or authorised service centre.
If asked to return products for inspection and or repair, please pack carefully preferably in the original carton or packaging affording an equal degree of protection and returned via insured, trackable courier service.
The authorised dealer or distributor will offer full return details and instructions. However, please note if unsuitable packaging is used the warranty may be deemed void due to improper action in return.
Audiolab or the authorised distributor, dealer or service centre may make a charge for the supply of new packaging for the return of the repaired item. Please
note, insurance is recommended as goods are returned at the owner’s risk. Authorised distributors or service centres cannot be held liable for loss or damage in transit. insurance and freight charges on the return journey will be paid for by Audiolab, authorised dealer, distributor or service centre if corrective work proves to be necessary.
In the event of ‘no-fault found’ or ‘no repair necessary’, the return shipping charge will be the responsibility of the owner.
Repairs
All repairs will be carried out by the appointed distributor (or locally appointed service centre). Repairs handled or processed without authorisation or approval of the appointed representative will be excluded from this limited warranty.
Please note, Audiolab is not able to supply parts or replacement items to any other entity than the official distributor or authorised service centre.
Other than the warranty and services set out in this warranty, to the fullest extent permitted by law, Audiolab shall not be liable to you and/or any third party or entity whatsoever for:
- Any loss, damages and/or malfunction caused to any product(s) which is/are connected to any of the products covered by this warranty.
- Any damages, loss and liability, whether direct, indirect, incidental, consequential special, punitive or otherwise, howsoever caused by, arising out of or otherwise, in relation to the installation, delivery, use, service, repair, replacement and/or maintenance of the product;
- Any damages, loss and liability under this warranty in respect of any act, omission, or negligence of any of their technicians, employees, agents, representatives or independent contractors relating to the actual or purported performance of any of the obligations under this warranty.
Service Centre Address
Should a fault occur with your product, please pack it correctly using the original
packing, so you can ship it safely. For technical support, servicing or product
queries and information, please contact either your local retailer or the office
below:
IAG Service Dept.
13/14 Glebe Road
Huntingdon
Cambridgeshire
PE29 7DL
UK
Tel: +44(0)1480 452561
Email: [email protected]
For information on other authorised service centres worldwide contact Audiolab
International, UK.
A worldwide distributors list is available on the Audiolab website: www.audiolab.co.uk
Specifications
| Model | 9000CDT |
| General Description | CD Transport and USB HOD player |
| USB Storage Device Audio Format | MP3, WMA, AAC, WAV file compatible |
| USB Storage Device File System | FAT12, FAT16 and FAT32 device compatible |
| Digital Output Amplitude | 500 +/-50mVpp |
| Output Impedance | 75Ω |
| Frequency Response | -0.01dB (20Hz-20kHz, ref.1 kHz) |
| Total Harmonic Distortion (THO) | < 0.002% |
| Sampling Rate | 44.1kHz (48kHz files can be played via the 9000CDT but will be resampled to 44.1kHz) |
| Digital Output Interface | 1 x Coaxial , 1 x Optical |
| Standby Power Consumption | <O.SW |
| Power Requirements (according to region) | 220-240V – S0/60Hz 100-120V – S0/60Hz |
| Product Size (mm) (W x H x D) | 444 × 89 × 322 |
| Carton Size (mm) (W x H x D) | 514x161x470 |
| Net Weight | 5.74kg |
| Gross Weight | 7.6kg |
Correct disposal of this product. This marking indicates that this product should not be disposed with other household wastes throughout the EU. To prevent possible harm to the environment or human health from uncontrolled waste disposal, recycle it responsibly to promote the sustainable reuse of material resources. To return your used device, please use the return and collection systems or contact the retailer where the product was purchased. They can take this product for – environmental safe recycling.
Customer Support
Audiolab IAG House, 13 /14 Glebe Road, Huntingdon, Cambridgeshire, PE29 7DL, UK
Telephone: +44(0)1480 452561
Email: [email protected]
http://www.audiolab.co.uk




















