DuroMax Gasoline Pressure Washer

INTRODUCTION
Thank you for purchasing this superior quality pressure washer from DuroMax. When operating and maintaining this product as instructed in this manual, your pressure washer will give you many years of reliable service.
Product Specifications:
This pressure washer operates at 2700PSI with a flow rate of 2.3 gallons per minute. This high end residential use system features a 180cc Ducar engine, no flat foam filled tires, 25’ high pressure hose, and 4 quick-connect nozzles.
The emissions control system for this pressure washer is compliant with all standards set by the Environmental Protection Agency.
Product Applications:
- This pressure washer is designed to remove dirt and mold from house siding, decks, garage floors, brick patios, and cement walkways.
- This unit can be used to clean cars, motorcycles, boats, RV’s outdoor furniture, lawn equipment, and grills.
How to contact us:
You can contact us by Telephone: 800-629-4329, Email: [email protected] , or write to us at:
DuroMax Power Equipment
1669 Puddingstone Dr.
La Verne, CA 91750
Record the following information below for service or warranty assistance.
| Date of Purchase: | |
| Model Number: | |
| Serial Number: |
SAFETY RULES
Safety Symbols
WARNING!
Indicates a potentially hazardous situation which could result in serious injury or death if not avoided.
CAUTION!
Indicates a potentially hazardous situation which could result in damage to equipment or property.

SAFETY RULES
The manufacturer cannot anticipate every possible hazardous circumstance that the user may encounter. Therefore, the Warning’s in this manual, on tags, and on affixed decals are not all-inclusive. To avoid accidents, the user must understand and follow all manual instructions and use common sense.
WARNING!
Read and understand this manual in its entirety before operating this pressure washer. Improper use of this pressure washer could result in serious injury or death.
WARNING!
Never spray near a power source such as an electrical outlet. Making contact with a power source could cause an electric shock or burn.
WARNING!
Do not operate indoors or in a confined space preventing dangerous carbon monoxide gas from dissipating.
- Carbon monoxide gas is a poisonous, odorless gas that can cause headache, confusion, fatigue, nausea, fainting, sickness, seizures, or death. If you start to experience any of these symptoms, IMMEDIATELY get fresh air and seek medical attention.
- Never use indoors, in a covered area, or in a confined space, even if doors and windows are open.
- Keep exhaust from this unit from entering a confined area through windows doors, vents, or other openings.
- When working in areas where vapors could be inhaled, use a respirator mask according to all of its instructions.
WARNING!
To reduce the risk of injection, injury or possible amputation, never direct water pressure towards people or pets
- The high pressure stream of water produced can cut through skin and underlying tissue. Never squeeze the trigger or point the spray gun at other people, animals, plants, or fragile objects such as glass, even if the engine is stopped.
- This unit is not a toy. Keep unit away from children and pets.
- Do not leave spray gun unattended while unit is running.
- Make sure the spray gun, nozzle, and accessories are attached correctly.
- Never attempt to repair high pressure hose, always replace.
- Never attempt to repair leaks with sealant, always replace O-ring or seal.
- Never attempt to connect or disconnect hose from pump or spray gun while system is pressurized.
- Always release water pressure from unit every time you stop the engine.
WARNING!
Moving parts can catch on clothing, jewelry, and hair.
- Do not wear loose clothing or gloves.
- Remove jewelry or anything else that could be caught in moving parts.
- Tie back or wear protective head covering to contain long hair.
WARNING!
Pressure washer can create puddles and slippery surfaces.
- Never wear sandals, always wear protective footwear.
- Operate pressure washer from a level and stable surface.
- Do not operate from a ladder, scaffolding, or uneven surface as recoil from spray gun could cause you to fall.
- Use both hands to control spray gun to control recoil.
- Do not over-extend yourself in attempt to reach a little further.
WARNING!
Keep engine away from flammable objects and other hazardous materials.
- The fuel and its vapors used to power this unit are highly flammable and could explode resulting in serious injury or death.
- Never overfill fuel tank. If fuel spills, move the unit at least 30 feet away from the spill and wipe up any remaining fuel on the unit before starting the engine.
- Never smoke while operating or fueling this unit.
- Never operate or store this unit near an open flame, heat, or any other ignition source.
- Keep engine free of grass, leaves, or grease which are flammable.
- When adding or draining fuel, unit should be turned off for at least 2 minutes to cool before removing fuel cap. If unit has been running the fuel cap is under pressure, remove slowly.
- To keep fuel from spilling, secure unit so it cannot tip while operating or transporting.
- When transporting unit, disconnect the spark plug wire and make sure the fuel tank is empty with the fuel shutoff valve turned to the off position.
WARNING!
Stay alert and use common sense. Do not operate this unit II you are under the Influence of alcohol, drugs, medication or you feel tired.
WARNING!
Pull cord recoils rapidly and pulls and towards engine faster than you can let go which could result in injury.
- Always relieve pressure from spray gun before pulling starter cord, including every failed attempt to start engine.
- To avoid recoil, pull starter cord slowly until resistance is felt, then pull rapidly.
WARNING!
Never operate this unit if there are any broken or missing parts and only use Pulsar replacement parts specifically designed for this unit.
- Improper treatment of pressure washer can damage the unit and shorten it’s life.
- Always repair this unit as specified in this manual. If you have any questions contact your dealer or consult a qualified service center.
- Never modify this unit in any way or modify governed speed.
WARNING!
Avoid contacting hot areas of this unit
- Use caution around the muffler and other engine parts as they can be extremely hot.
- Allow hot components to cool before touching.
WARNING!
Only use this unit as it is intended or serious injury or death could result
- Do not bypass any safety device. Moving parts are covered with guards. Make sure all protective covers are in place.
- Inspect hoses and connections making sure they are secure before starting engine.
- Use only recommended accessories to avoid damage to this unit.
- Never transport or make adjustments to this unit while it is running.
WARNING!
Use indirect vented safety goggles designed for wet conditions to protect eyes from injury.
- Spray from this unit has extreme pressure and can ricochet back splashing water or propelling objects towards eyes.
- Never substitute eye protection with dry condition goggles.
WARNING!
Only use detergents or soaps that are safe to be used with pressure washers. Chemicals which are caustic, such as acids or bleach, can result in serious injury, property damage, damage to pressure washer, or death.
PRESSURE WASHER FEATURES
A – 25’ High Pressure Hose
B – Fuel Tank and cap
C – Choke
D – Fuel Valve Lever
E – Soap Tank
F – Handle
G – Spray Gun
H – Locking Trigger
I – Pull Cord
J – Engine On/Off Switch
K – Oil Fill and Dipstick
L – No Flat Foam Filled Tires
M – High Pressure Hose Outlet
N – Water Inlet
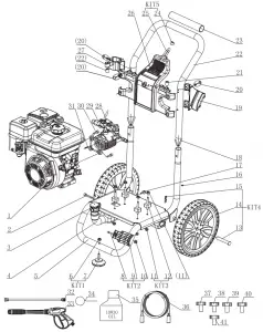
PRESSURE WASHER PARTS ASSEMBLY

| NUMBER | ITEM NAME | QTY |
XP2700-P1 | 180CC Engine | 1 |
XP2700-P2 | Bolt M6 x 40mm | 1 |
XP2700-P3 | Cap, Soap Tank | 1 |
XP2700-P4 | Soap Tank | 1 |
XP2700-P5 | Lower “A” Frame assembly | 1 |
XP2700-P6 | M8 Self-Lock Nut | 1 |
XP2700-P7 | Rubber Feet | 1 |
XP2700-P8 | Round Head Bolt M6 x45mm | 1 |
XP2700-P9 | Gun Hook | 1 |
XP2700-P10 | M6 Self-Lock Nut | 1 |
XP2700-P11 | Nut M8 | 8 |
XP2700-P12 | Engine Mount, Vibration Isolator | 4 |
XP2700-P13 | Axle | 2 |
XP2700-P14 | Wheels | 2 |
XP2700-P15 | Hair Pin | 2 |
XP2700-P16 | Tubing Clip | 2 |
XP2700-P17 | Bolt M6 x 16mm | 2 |
XP2700-P18 | Handle Pivot Lock | 2 |
XP2700-P19 | Gun Hook | 1 |
XP2700-P20 | Plastic Pivot | 8 |
XP2700-P21 | Nozzle Holder | 6 |
XP2700-P22 | Handle | 1 |
XP2700-P23 | Foam Grip | 1 |
XP2700-P24 | Bungee Cord Knob | 1 |
XP2700-P25 | Bungee Cord | 1 |
XP2700-P26 | Panel | 1 |
XP2700-P27 | Accessory Hook | 1 |
XP2700-P28 | Siphone Tube | 1 |
XP2700-P29 | Himore Water Pump | 1 |
XP2700-P30 | Bolt M8 x 20mm | 4 |
XP2700-P31 | Shaft Key | 1 |
XP2700-P32 | Wand | 1 |
XP2700-P33 | Spray Gun | 1 |
XP2700-P34 | Nozzle Cleaner | 1 |
XP2700-P35 | Container of 10W30 Engine Oil | 1 |
XP2700-P36 | High Pressure Hose | 1 |
XP2700-P37 | Red Nozzle 0° | 1 |
XP2700-P38 | Yellow Nozzle 15° | 1 |
XP2700-P39 | Green Nozzle 25° | 1 |
XP2700-P40 | White Nozzle 40° | 1 |
XP2700-P41 | Black Soap Nozzle | 1 |
ASSEMBLY
Packing List
- Pressure washer
- Quick start guide
- Operator’s manual and product registration card
- Spray gun
- Engine manual
- Extension wand with quick-connect fitting
- High pressure hose
- Spray nozzles (4) – 0°, 25°, 40° and soap nozzle
- Spray gun hook (upper)
- Spray gun hook (lower)
- Accessory hook
- Foot (1)
- Nozzle cleaner
WARNING!
Do not attempt to assemble or operate this pressure washer until you have read and understood this entire manual. If you have any problems assembling or operating this unit contact your dealer or a qualified service center
WARNING!
Do not operate this pressure washer if any of the parts are damaged or missing until the part is replaced. Using this product with damaged or missing parts can cause damage to the machine or result in serious injury or death.
Unpacking
- Remove the high pressure hose from box.
- After the high pressure hose has been removed, carefully open product by cutting down the sides of the box.
- Remove the product, parts, and all accessories. Make sure all items listed on the packing list are included and not damaged.
ASSEMBLY
Attaching Foot Assembly (See fig 1)
- Parts needed – 1 foot, 1 M8 lock nuts.
- Raise or tilt pressure washer so you can line up foot with the hole located at the centre of the frame.
- Align the rubber foot with the hole in the frame where the foot is to be located. Attach foot by inserting the bolt from the bottom up and install the acorn nut. Wrench tighten until there is a slight crush on the frame tube. (Do not over tighten)

Install Handle (See fig 2)
- Install upper frame (handle) onto the lower frame by sliding the handle over the two upright tubes on the lower frame and pressing down firmly until the handle is seated and the two detent pins snap in place.

Attaching Upper and Lower Gun Hooks (See fig 3)
- Attach the upper gun hook, install two plastic rivets, until the plastic rivets are snug, you may need to tap with a mallet or small hammer to seat the lock pin.
- Attach the lower gun hook, install the M6 screw & lock nut, wrench tighten until the nut is snug, do not over tighten.

Attaching Accessory Hook (See fig 4)
- Attach the accessory hook.
- Install two plastic rivets, until the plastic rivet is snug.
- You may need to tap with a mallet or small hammer to seat the lock pin.

Attaching the Spray Gun (See fig 5 & 6)
- Screw the spray wand and the trigger handle together until they are secure.
- Insert the inlet coupler of the spray hose into the threaded fitting on the high pressure spray gun and thread the black nut on by turning clockwise until it is hand tight.


Adding / Checking Engine Oil (See fig 7)
- Place pressure washer on a level surface.
- Remove one or both of the crankcase dipsticks to ensure you do not overfill the engine.
- Carefully add between 520 ml (17.6 oz) of 4-Cycle engine oil (SAE10W30) to empty reservoir until oil reaches the outer edge of the oil fill hole (Crankcase Dipstick hole).
- Be sure to replace both dipsticks before attempting to start the engine.
- To check oil, set pressure washer on a level surface, wipe dipstick clean, then reinsert dipstick without re-threading.

Adding Fuel (See fig 8)
- Set pressure washer on a clean and level surface in an area that is well ventilated.
- Remove fuel cap.
- Insert a funnel into the fuel tank and carefully pour gasoline into the tank until fuel level reaches 1 1/2 inches below the top of the neck.
CAUTION!
Oil must be added to unit prior to first use.
CAUTION!
To avoid spillage, do not overfill fuel tank as gasoline expands.
Connecting Garden Hose to Pressure Washer (See fig 9)
- Run water the hose for a few seconds to flush any debris from the hose.
- Inspect inlet screen and remove any debris.
- Connect hose to water inlet and tighten by hand. There must be a minimum of 10 feet of unrestricted hose between pressure washer and faucet or shut off valve.
- Turn on water.
- Purge the system’s pump of air by releasing the safety and squeezing the trigger of the spray gun.
CAUTION!
Do not run pump without connecting to the water supply and turning water on. Failure to do so could damage the pressure washer. Failure to follow these instructions will void product warranty.
Connect High Pressure Hose to Pump (See Fig 10)
- Attach end of high pressure hose to the high pressure outlet on pump.
- Follow the same procedure with opposite end to attach high pressure hose to spray wand.

OPERATION
Pre-Operation Check List
- Read and understand this operator manual in its entirety before operating pressure washer.
- Check oil level and add oil to the proper level if low.
- Check fuel level and add fuel if needed.
- Check connections of handle and all hoses to make sure they are secure.
- Check all hoses for kinks and damage.
- Check flow of water supply and make sure it is adequate (40 – 80PSI).
WARNING!
Do not operate indoors or in a confined space preventing dangerous carbon monoxide gas from dissipating.
- Carbon monoxide gas is a poisonous, odorless gas that can cause headache, confusion, fatigue, nausea, fainting, sickness, seizures, or death. If you start to experience any of these symptoms, IMMEDIATELY get fresh air and seek
medical attention. - Never use indoors, in a covered area, or in a confined space, even if doors and windows are open
- Keep exhaust from this unit from entering a confined area through windows, doors, vents, or other openings.
- When working in areas where vapors could be inhaled, use a respirator mask according to all of its instructions.
CAUTION!
Do not run pressure washer with a damaged hose. Do not run pressure washer without first connecting and turning on water supply or damage to the pressure washer could result. FAILURE TO FOLLOW THESE INSTRUCTIONS WILL VOID PRODUCT WARRANTY.
Starting Pressure Washer (See Fig 11-12)
- Place pressure washer on a level surface.
- Turn on water.
- Purge the system’s pump of air by releasing the safety and squeezing the trigger of the spray gun.
- Attach wand/lance to spray gun.
- Turn fuel valve to the ON position.
- Slide the choke lever to the “Choke” position.
- Turn the engine OFF/ON switch to the “ON” position.
- Holding the machine with your hand, pull the recoil handle (starter cord) slowly until resistance is felt, then pull rapidly. Squeeze the Gun trigger and release the pressure after every failed attempt to start the pressure washer (This will reduce the back pressure).
- Let engine run for several seconds and then gradually slide the choke lever to the RUN position as the engine warms up until the choke is fully slid to the RUN position.


WARNING!
Pull cord recoils rapidly and pulls arm towards engine faster than you can let go which could result in injury.
- Always relieve pressure from spray gun before pulling starter cord, including every failed attempt to start engine.
- To avoid recoil, pull starter cord slowly until resistance is felt, then pull rapidly.
Stopping Pressure Washer (See Fig 13)
- Turn the on/stop switch to the OFF position.
- Turn the fuel valve to the OFF position.
- Turn off water and squeeze the trigger handle to release all water pressure.

Using the Spray Gun (See Fig 14 – 15)
- Flip the lock tab behind the trigger up or down until it clicks to apply or remove the safety. Pull back on the trigger to begin operating pressure washer.
- To stop water flow, release trigger.


Using Spray Nozzle (See fig 16)
- To connect or disconnect spray tip, pull back on the quick-connect collar. Insert or remove spray tip then release collar.
- When spray tip is connected, pull on the spray tip to make sure it is secured.
- For general cleaning use the 40° spray tip. This option is for cement walkways.
- For stripping, spot cleaning, blasting, and hard to reach areas use the 25° spray tip. This option is for removing paint, rust, mildew, marine growth off boats, or grease stains. This option can be used for reaching second story surfaces, or for the removal of paint, rust, oil stains, tar, gum, and other stubborn substances. Use extreme caution when using this nozzle.
- For applying pressure washer safe detergent, use the black soap nozzle.
Applying Detergent
- Rinse surface with cool water before applying cleaner.
- Prepare detergent as required by job. For best results follow detergent directions as supplied from manufacturer.
- Remove cap from detergent container and fill.
- Spray detergent on surface. For best results use long, even, and overlapping strokes. Allow detergent to set for about 3 minutes before rinsing, but do not allow detergent to dry on surface or it may cause streaking or cause damage to the surface. Use good judgment.
- To clean equipment after use, flush water through the spray nozzle for 1-2 minutes then shut off engine. Soak nozzle in a bucket of clean water to remove detergent.
WARNING!
Only use detergents or soaps that are safe to be used with pressure washers. Chemicals which are caustic, such as acids or bleach, can result in serious injury, property damage, or death.
Rinsing with the Pressure Washer
- Test a small area first to avoid surface damage.
- Rinse from top to bottom using long, overlapping strokes.
Moving the Pressure Washer
- Turn the pressure washer off.
- Tilt unit towards you until it is balanced on its wheels.
- Roll machine to desired location.

MAINTENANCE
Regular maintenance will extend the life of this pressure washer and improve its performance. The warranty does not cover items that result from operator negligence, misuse, or abuse. To receive full value from the warranty, operator must maintain the pressure washer as instructed in this manual, including proper storage.
WARNING!
Before inspecting or servicing this machine, make sure the engine is off and no parts are moving. Disconnect the spark plug wire and move it away from the spark plug.
Pre-operation Steps
Before starting the engine, perform the following pre-operation steps:
- Check the level of the engine oil and the fuel tank level
- Make sure the air filter is clean.
- Remove any debris that has collected on the pressure washer.
- Check water inlet screen for damage. Clean inlet screen if it is clogged.
- Check high pressure hose for damage.
- Briefly run garden hose to flush out any debris or insects.
- Inspect the work area for hazards.
Remove Debris
- Clean any debris that has collected around or behind the muffler, cleaning system, and controls.
- Use a damp cloth to wipe exterior surfaces. If dirt is caked on, use a soft bristle brush.
After Each Use
Follow the following procedure after each use:
- Shut off engine and turn off water supply. Release water pressure by pointing spray gun in a safe direction and squeezing the trigger.
- Disconnect high pressure hose, spray gun, and nozzle. Drain water from items and use a rag to wipe down the outside of the hose and spray gun.
- Empty the water from the pump by pulling the recoil starter 6 times.
- Store unit in a clean and dry area.
- Use of a pressure washer pump conditioner is recommended, follow the instructions provided by the manufacturer of the pump conditioner
Maintenance Schedule
| After First 5 Hours | Change Engine Oil |
| After Each Use | Check and Clean Water Inlet screen |
| Check High Pressure Hose | |
| Check and Clean Detergent Siphoning Tube | |
| Check Spray Gun for Leaks | |
| Clean Debris | |
| Check Engine Oil Level before starting | |
| Annually (20 hr Use) | Change Engine Oil (Service more often under dirty or dusty conditions) |
| Annually (50 hr Use) | Check and Clean Air Filter |
| Annually (100 hr Use) | Service or Replace Spark Plug |
Changing Engine Oil
Engine oil will drain better if the engine is still warm, but not hot.
- Shut off engine.
- Clean the area around the oil fill cap/dipstick to keep out debris then remove oil fill cap/dipstick
- Place an oil pan on the ground to catch oil. Remove oil plug then tilt pressure washer back and to the side to empty out the oil from the crankcase
- Once oil is completely drained, return the pressure washer to a level position and install the oil drain plug. Refill the engine with new oil as instructed earlier in this manual under Adding/Checking Oil.

Checking Detergent Siphoning Tube
- Check the detergent siphoning tube for clogs, leaks, or tears.
- Make sure the tube fits tightly to pump fitting.
- Replace siphoning tubes if damaged.
WARNING!
Never repair high pressure hose or use unit if hose is damaged. If hose is damaged replace with identical Ford Power Equipment part.
High Pressure Hose
- Inspect hose for cuts, bulges, or leaks which can develop from kinking or wear. If damage is found, immediately replace hose.
- Inspect couplings for damage. Immediately replace hose if damage is found. Spray Gun
- Make sure the spray gun is connected securely.
- Inspect the spray gun safety and make sure the spray gun trigger springs back upon release.
Spray Nozzle
If a pulsing sensation is felt while squeezing the trigger, the spray nozzle may be dirty or clogged and should be cleaned immediately.
- To clean the nozzle, shut off the engine and turn off the water.
- Remove the nozzle from the spray wand making sure that the nozzle is pointing away from you and in a safe direction.
- Use the nozzle cleaner or a small paper clip to dislodge any foreign materials which are clogging or restricting the spray tip.
- Flush Debris out of the nozzle by back flushing with a garden hose for 30-60 seconds.
- Reconnect the nozzle to the spray wand.
- Turn the water supply back on and start engine.

Checking Spark Plug
- Disconnect the spark plug wire from the spark plug.
- Before removing the spark plug, clean the area around its base to prevent debris from entering the engine.
- Clean carbon deposits off the electrode with a wire brush.
- Check the electrode gap and slowly adjust to 0.80mm (0.031in.) if necessary.
- Reinstall spark plug and tighten to Torque 22.0 – 26.9 Nm (16-20 ft-lb).
- Reconnect spark plug wire.
- If spark plug is worn replace only with an equivalent replacement part. Spark plug should be replaced annually.
WARNING!
Water pressure produced by this unit can cut through skin and tissue leading to serious injury and possible amputation.
- Never attempt to repair high pressure hose, always replace.
- Never attempt to repair leaks with sealant, always replace O-ring or seal.
Repairing Leaking Connections
- Purchase O-Ring / Maintenance kits through the nearest authorized service center and follow instructions provided with kit.
Air Filter
A dirty air filter will reduce the life span of the engine, make starting the engine difficult, and reduce the unit’s performance.
- To clean, remove the air filter cover.
- Carefully pull the air filter out by lifting up along the edges.
- Remove dirt from filter by tapping on it or having it blown out.
- Reinstall air filter so that it seals and replace air filter cover.
WARNING!
Storage cover could be flammable. Let engine cool before covering pressure washer.
Storing Pressure Washer
If storing pressure washer for 30 days or more follow the procedures below:
- Add fuel stabilizer to gasoline to keep gasoline from going stale and to prevent gum deposits from forming on the carburetor. Run engine for a couple of minutes to circulate the fuel stabilizer.
- Add Pump Saver to protect pump from freezing or damage caused by mineral deposits .
- Empty fluid from all hoses and pump .
- Disconnect the spark plug wire and clean the spark plug. Leave spark plug wire disconnected .
- Clean the air filter .
- Cover unit with a suitable protective cover to keep unit dry .
- Store unit in a frost-free area .
TROUBLESHOOTING
| PROBLEM | CAUSE | SOLUTION |
| Engine does not start |
|
|
| Engine hard to start |
|
|
| Engine lacks power and vibrates excessively |
|
|
| Engine quits during operation |
|
|
| Engine loses power when load is added |
|
|
| Water pressure is weak |
|
|
| Detergent and spray do not mix |
|
|
| Pump fails to produce pressure or pressure is inconsistent |
|
|




































