SIP INDUSTRIAL TP550-206 Petrol Pressure Washer
Please dispose of the packaging for the product in a responsible manner. It is suitable for recycling. Help to protect the environment, take the packaging to the local amenity tip, and place it into the appropriate recycling bin. Never dispose of electrical equipment or batteries in with your domestic waste. If your supplier offers a disposal facility please use it or alternatively use a recognized re-cycling agent. This will allow the recycling of raw materials and help protect the environment.
FOR HELP OR ADVICE ON THIS PRODUCT PLEASE CONTACT YOUR DISTRIBUTOR, OR SIP DIRECTLY ON: TEL: 01509500400 EMAIL: [email protected] or [email protected] www.sip-group.comPlease read and fully understand the instructions in this manual before operation. Keep this manual safe for future reference.
DECLARATION OF CONFORMITY
Declaration of Conformity We SIP (Industrial Products) Ltd Gelders Hall Road Shepshed Loughborough Leicestershire LE12 9NH England the manufacturer’s authorised representative within the EC declare that the Tempest TP550/206 Petrol Pressure Washer – SIP Part. No. 08918 Conforms to the requirements of the following directive(s), as indicated.
- 2006/42/EC Machinery Directive
- 2004/108/EC EMC Directive
- 97/68/EC Emissions From Non-road Mobile Machinery
- As Amended By
- 2012/46/EU
- 2000/14/EC Noise Emission Directive*
- As Amended By
- 2005/88/EC
And the relevant harmonised standard(s), including:
- EN 55012:2007+A1
- EN 61000-6-1:2007
- EN ISO 3744:1995
Noise measurements have been made in accordance with the internal control of production (Annex V).The declared noise values are as follows:
- The Guaranteed Sound Power Level
- 109 dB(A)
Document Ref. No. EX_71809
Signed: ……………………………………
Mr P. Ippaso – Director – SIP (Industrial Products) Ltd Date: 25/04/2017.
PARTS LIST
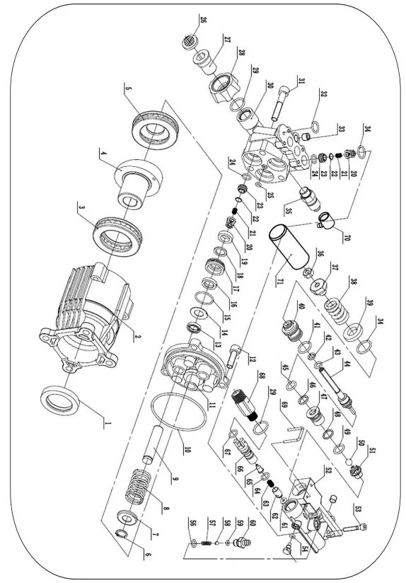
PUMP….cont
| Ref. No. | Description | SIP Code | Ref. No. | Description | SIP Code |
| 65. | Vacuum Nozzle | PW08-00688 | 71. | Safety Cover | PW08-00696 |
| 66. | Vacuum Valve | PW08-00689 | |||
| 67. | O-ring | PW08-00690 | |||
| 68. | Outlet Connector | PW08-00691 | |||
| 69. | U Shaped Plug | PW08-00692 | |||
| 70. | Heat Protector Cup | PW08-00695 | |||
ENGINE
| Ref. No. | Description | SIP Code | Ref. No. | Description | SIP Code |
| N/A. | Ignition Coil | PW08-00351 | N/A. | Air Filter | PW08-00357 |
| N/A. | Switch | PW08-00352 | N/A. | Fuel Tank Cap | PW08-00358 |
| N/A. | Pull Cord | PW08-00353 | N/A. | Fuel Tank Filter | PW08-00359 |
| N/A. | Carburettor Gasket | PW08-00354 | N/A. | Fuel Tank | PW08-00360 |
| N/A. | Carburettor | PW08-00355 | N/A. | Fuel Tap | PW08-00361 |
| N/A. | Air Filter Gasket | PW08-00356 | N/A. | Low Oil Sensor | PW08-00362 |
| N/A. | Spark Plug | 55770 | N/A. | Speed Governor Assy. | PW08-00363 |
CONTENTS
| Page No. | Description |
| 3. | Contents |
| 4. | Safety Symbols Used Throughout This Manual |
| 4. | Safety Instructions |
| 7. | Guarantee |
| 8. | Technical Specifications |
| 9. | Getting To Know Your Pressure washer |
| 10. | Assembly Instructions |
| 12. | Operating Instructions |
| 19. | Maintenance |
| 21. | Troubleshooting |
| 22. | Exploded Drawing (Main Unit) |
| 23. | Parts List (Main Unit) |
| 24. | Exploded Drawing (Pump) |
| 25. | Parts List (Pump) |
| 26. | Parts List (Engine) |
| 27. | Declaration Of Conformity |
SAFETY SYMBOLS USED THROUGHOUT THIS MANUAL
- Danger / Caution: Indicates risk of personal injury and/or the possibility of damage.
- Warning: Risk of electrical injury or damage!
- Note: Supplementary information.
- Poisonous Fumes: Indicates a risk of possible inhalation of harmful fumes if care is not taken.
- Flammable: Indicates possible risk of combustion if care is not taken.
SAFETY INSTRUCTIONS
Important: Please read the following instructions carefully, failure to do so could lead to serious personal injury and/or damage to the pressure washer.
Every SIP pressure washer is carefully packed after assembly; On receiving the pressure washer, check that it has not been damaged during transportation. If the pressure washer is damaged, inform your distributor immediately, and, do not put the pressure washer into operation until the damage has been repaired or the item replaced.
- Before starting or servicing the pressure washer, read and understand all instructions. Failure to follow safety precautions or instructions can cause equipment damage and/or serious personal injury; Retain all manuals for future reference.
PARTS LIST
PUMP
| Ref. No. | Description | SIP Code | Ref. No. | Description | SIP Code |
| 1. | Oil Seal | PW08-00622 | 33. | Choke Plug #1 | PW08-00656 |
| 2. | Pump Body | PW08-00623 | 34. | O-ring | PW08-00657 |
| 3. | Thrust Bearing #2 | PW08-00626 | 35. | Heat Protector | PW08-00658 |
| 4. | Wobbler Shaft | PW08-00627 | 36. | Nut | PW08-00659 |
| 5. | Thrust Bearing #1 | PW08-00628 | 37. | Pressure Nut | PW08-00660 |
| 6. | Washer | PW08-00629 | 38. | Pressure Spring | PW08-00661 |
| 7. | Split Chuck | PW08-00630 | 39. | Pressure Gasket | PW08-00662 |
| 8. | Plunger Spring | PW08-00631 | 40. | Closed-Cup Washer | PW08-00663 |
| 9. | Plunger | PW08-00632 | 41. | O-ring | PW08-00664 |
| 10. | O-ring | PW08-00633 | 42. | Pressure Regulating Valve | PW08-00665 |
| 11. | Pump Cover | PW08-00634 | 43. | O-ring | PW08-00666 |
| 12. | Screw | PW08-00635 | 44. | Pressure Adjusting Rod | PW08-00667 |
| 13. | Plunger Oil Seal | PW08-00636 | 45. | O-ring | PW08-00668 |
| 14. | Gasket | PW08-00637 | 46. | Split Washer #1 | PW08-00669 |
| 15. | O-ring | PW08-00638 | 47. | Overflow Valve Element | PW08-00670 |
| 16. | Low Pressure Water Seal | PW08-00639 | 48. | Split Washer #2 | PW08-00671 |
| 17. | Guide Holder | PW08-00640 | 49. | O-ring | PW08-00672 |
| 18. | Water Seal Gasket | PW08-00641 | 50. | Steel Ball | PW08-00673 |
| 19. | High Pressure Water Seal | PW08-00642 | 51. | Steel Ball Supporting Structure | PW08-00674 |
| 20. | * Check Valve Holder | PW08-15327 | 52. | Outlet Valve Bracket | PW08-00675 |
| 21. | * Check Valve Spring | PW08-15327 | 53. | Screw | PW08-00676 |
| 22. | * Check Valve Gasket | PW08-15327 | 54. | O-ring | PW08-00677 |
| 23. | * Check Valve Seat | PW08-15327 | 55. | Choke Plug #2 | PW08-00678 |
| 24. | * O-ring | PW08-15327 | 56. | O-ring | PW08-00679 |
| 25. | O-ring | PW08-00648 | 57. | Spring | PW08-00680 |
| 26. | Filter Screen | PW08-00649 | 58. | Steel Ball | PW08-00681 |
| 27. | Water Supply Connector | PW08-00650 | 59. | O-ring | PW08-00682 |
| 28. | Water Inlet Nut | PW08-00651 | 60. | Detergent Fitting | PW08-00683 |
| 29. | O-ring Seal | PW08-00652 | 61. | O-ring | PW08-00684 |
| 30. | Pump Head | PW08-00653 | 62. | Cut-off Valve Core | PW08-00685 |
| 31. | Bolt | PW08-00654 | 63. | Cut-off Valve Spring | PW08-00686 |
| 32. | O-ring | PW08-00655 | 64. | O-ring | PW08-00687 |
EXPLODED DRAWING
PUMP
SAFETY INSTRUCTIONS….cont
- Never use this pressure washer for any application other than that specified by the manufacturer. Never operate this pressure washer under conditions not approved by the manufacturer.
- Never attempt to modify this pressure washer to perform in any manner not intend-ed by the manufacturer.
- Use only products and parts recommended by the manufacturer for maintenance and repairs.
- Be sure that the pressure washer is operated only by persons who have read and who understand all of the safety and operating instructions.
- Be sure that the pressure washer is placed on a flat level surface prior to and during operation. The pressure washer must not slide or shift during operation.
- Keep all untrained persons away from the pressure washer during operation.
- Do not allow persons wearing loose clothing or jewellery to start or operate the pressure washer. Loose clothing or jewellery may become entangled in moving components, causing equipment damage and/or personal injury.
- Be aware of moving parts and hot surfaces that occur during normal operation of this pressure washer.
- Never operate the pressure washer with damaged, broken or missing parts, or with any guards or covers removed.
- Do not refill the fuel tank while the engine is running, or still hot.
- Be careful to prevent fuel spillage during refills.
- Be sure the fuel tank cap is securely in place before starting the engine.
- Allow the engine to cool before refuelling, or servicing.
- Never refuel whilst smoking or in the vicinity of a naked flame, or another ignition source.
- Take care not to spill any fuel on the engine, exhaust or any part of the pressure washer.
- Should any fuel make contact with your clothes; change and wash them immediately.
- If any fuel makes contact with your skin wash with soap and water immediately.
- If you swallow any fuel, inhale any vapour or allow contact with your eyes, seek medical attention immediately.
- Be sure to store petrol in clean containers that do not contain water, dirt or rust as this will reduce the life of the engine; ensure that all local fuel storage laws are fol-lowed.
- Never operate this pressure washer in an explosive atmosphere or near any flammable sources.
- Always operate this pressure washer in a well-ventilated area to reduce the risk of suffocation.
- Never drag the pressure washer with the hose in order to move it.
- Never cover the pressure washer or restrict the exhaust or airflow in any way. Always ensure that the pressure washer is at least 1m (3ft) away from any walls or buildings to allow correct air flow.
- Always connect the water inlet to an adequate supply with enough flow and pressure; such as mains water supply.
- Only connect the pressure washer to a cold water supply; never connect to a hot water supply.
- This pressure washer was not designed to ‘suck’ water from a barrel of water, or similar.
- When not in use, always ensure that the pressure washer is fully drained of any water and stored in a warm environment to protect it from frost damage.
- Never direct the flow of water at other persons or animals.
- Never direct the flow of water at electrical or electronic items.
- Never direct the flow of water towards the pressure washer itself.
- Do not stand or sit on the pressure washer, it was not designed for this purpose. Never run the pressure washer without a clean water supply connected to it. Never run the pressure washer for more than 3 minutes without depressing the trig-ger.
- Understand the operating environment; Before each use the operator should assess, understand and where possible reduce the specific risks and dangers associated with the operating environment. Bystanders should also be made aware of any risks associated with the operating environment.
- Always wear eye protection when using or maintaining the pressure washer. Close bystanders should also wear adequate eye protection.
Caution: Anyone who operates this pressure washer should read and fully understand all of the instructions and warnings in this manual. - Hot Surfaces: During normal operation, certain parts of this pressure washer will become hot. Always stay alert and be aware of hot components/surfaces. Allow the engine to cool before attempting to move, clean or maintain the pressure washer.
- Poisonous Fumes: Exhaust fumes produced during normal operation are poisonous. Do not operate this pressure washer in enclosed areas.
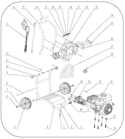
PARTS LIST
MAIN UNIT
| Ref. No. | Description | SIP Code | Ref. No. | Description | SIP Code |
| 1. | Bolt (M6 x 40) | PW08-00320 | 17-21. | Nozzle set | PW08-00697 |
| 2. | Front foot | PW08-00321 | 22. | Rear cover | PW08-00337 |
| 3. | Nut (M6) | PW08-00322 | 23. | Front cover | PW08-00338 |
| 4. | Frame | PW08-00323 | 24. | Screw (M5x12) | PW08-00339 |
| 5. | Wheel | PW08-00325 | 25. | Tool box | PW08-00340 |
| 6. | Wheel clip | PW08-00326 | 26. | Screw | PW08-00341 |
| 7. | Washer | PW08-00327 | 27. | Hose | PW08-00342 |
| 8. | Axle | PW08-00328 | 28. | Detergent hose c/w Filter | PW08-00343 |
| 9. | Knob | PW08-00329 | 29. | Bolt (M8 x 25) | PW08-00344 |
| 10. | Washer | PW08-00330 | 30. | Inlet connector | PW08-00345 |
| 11. | Bolt (M8 x 50) | PW08-00331 | 31. | O-ring | PW08-00345 |
| 12. | Frame bung | PW08-00332 | 32. | Pump | PW08-15555 |
| 13. | Pistol | PW08-00333 | 33. | Key | PW08-00347 |
| 14. | Lance | PW08-00334 | 34. | Engine | PW08-00348 |
| 15. | Handle | PW08-00335 | 35. | Nut M8 | PW08-00349 |
| 16. | Handle cover | PW08-00336 | 36. | Bolt (M8 x 34) | PW08-00350 |
EXPLODED DRAWING
MAIN UNIT 
SAFETY INSTRUCTIONS….cont
- Flammable: The fuel used to run this pressure washer (unleaded petrol) is highly flammable. Never re-fuel the pressure washer whilst it is still running. Store unused fuel safely and away from children and in accordance with local regulations / laws.
- Caution: The warnings and cautions mentioned in this user manual can not cover all possible conditions and situations that may occur. It must be understood by the operator that common sense and caution are factors which cannot be built into this product, but must be applied.
GUARANTEE
This SIP pressure washer is covered by a 12-month parts and labour warranty covering failure due to manufacturers’ defects. This does not cover failure due to misuse or op-erating the pressure washer outside the scope of this manual – any claims deemed to be outside the scope of the warranty may be subject to charges Including, but not limited to parts, labour and carriage costs. This guarantee does not cover consumables such as filters, spark plugs & oil etc. In the unlikely event of warranty claims, contact your distributor as soon as possible.
Note: Proof of purchase will be required before any warranty can be honoured.
TECHNICAL SPECIFICATIONS

TROUBLESHOOTING
| Symptom | Possible Cause | Possible Solution |
| Engine Will Not Start. | No fuel. Low oil level. Choke is not in the correct position. Back pressure in the pumping system. | Put fuel into fuel tank. Add oil to the engine. Slide the choke lever to the correct position. Press and hold the trigger to release the pressure. |
| Unit Does Not Produce High Pressure Output. | Diameter of inlet hose too small. Water supply is re- stricted. Not enough flow / pressure from inlet hose. Inlet filter is clogged.
Black low pressure nozzle is fitted. | Replace the inlet hose with a larger one. Check inlet hose for kinks or leaks etc. Ensure tap is fully open; shorten the length of inlet hose. Check the inlet filter and clean as necessary. Replace the nozzle with a higher pressure one. |
| No Detergent Through Nozzle. | Detergent hose not connected to the machine correctly. Detergent too thick. Detergent pipe filter is blocked. Nozzle, other than the black low pres- sure nozzle fitted. Damaged, blocked or kinked detergent suction hose. | Check connection to machine.
Dilute the detergent. Check and clean filter as necessary. Fit the black, low pressure nozzle. Check hose for kinks, blockages or damage; Replace as necessary. |
CHECK THE FUEL TANK FILTER
Check The Fuel Tank Filter (periodically).
Just under the fuel cap is a fuel filter, check this filter periodically and remove any contaminants which may have accumulated.
- Remove the fuel tank cap and filter.
- Clean the filter and, if damaged replace.
- Insert the filter back into place.
- Ensure the tank cap is tightly secured.
TRANSPORTATION AND STORAGE
To prevent fuel spillage when transporting or during temporary storage, the pressure washer should be stored upright in its normal operating position, ideally with all of the fuel removed and with the engine switch off.
Long Term Storage (1 month or greater).
- Be sure the storage area is free of excessive humidity and dust and is not so cool that any water inside the pressure washer could freeze.
- Completely drain the fuel from the tank. Open the fuel valve, start the engine and operate it in the idle position until all remaining fuel is used and the engine stops automatically.
- Discharge the oil.
- Remove the spark plug and fill the cylinder with 1 tablespoon of fresh oil. Pull the starting cord 3-4 times to discharge the remaining oil then reinstall the spark plug.
- Pull the starting cord slowly until the resistance is strong, this indicates that the piston is moving to the top of the compression stoke and the valves will be closed.
- Ensure that there is no water left in the system by holding the trigger open and blowing compressed air through the water inlet until all of the water has been removed from the system.
GETTING TO KNOW YOUR PRESSURE WASHER

| Ref. No. | Description | Ref. No. | Description |
| 1. | Pistol | 8. | Oil Filler / Dipstick |
| 2. | Exhaust | 9. | Fuel Cap |
| 3. | Air Filter | 10. | Lance |
| 4. | Choke | 11. | Nozzles |
| 5. | Fuel Tap | 12. | Detergent Inlet |
| 6. | Recoil Starter | 13. | Water Outlet |
| 7. | Engine On/Off Switch | 14. | Water Inlet |
ASSEMBLY INSTRUCTIONS
FITTING THE HANDLE TO THE FRAME
- Slide the handle assembly over the main frame.
- Ensure that the holes line up and secure in place with the bolt, washer and hand wheel as shown.

Note: Ensure that the square section of the bolt sits in the hole on the inside of the frame; This will stop the bolt from spinning and make tightening much easier.
CONNECTING THE HOSE / PISTOL / LANCE
- Push the threaded section of the lance into the threaded section of the pistol assembly (see below, left).
- Turn the threaded section of the pistol to fully secure.
- Fit one end of the high pressure hose to the fitting on the pistol assembly (see below, right).
- Turn the fitting on the hose clockwise to fully secure.

- Now push the other end of the high-pressure hose into the water outlet (see page 10).
- Turn the fitting on the hose clockwise to fully secure.
MAINTENANCE INSTRUCTIONS
Caution: Always turn off the pressure washer and allow to fully cool before carrying out any maintenance procedures.
CHANGING THE OIL
Change The Engine Oil (every 50 hours of use).
- Turn the oil filler cap counterclockwise and remove from the crankcase.
- Loosen and remove the oil drain bung and allow the oil to drain into a suitable container.
- Refit and tighten the oil drain bung once all of the oil has drained.
- Fill the crankcase to the max level with fresh oil (see page 11); we recommend the use of SAE 10W30 oil.
- Refit the oil filler cap.
CLEAN OR REPLACE THE AIR FILTER
Clean or Replace The Air Filter (every 50 hours of use).
- Remove the air filter cover screws.
- Remove the air filter cover.
- Remove the air filter element.
- If the air filter is damaged contact your local distributor to purchase a replacement, If the filter is dirty wash the filter in a solution of warm water and mild detergent and rinse thoroughly. Leave the filter to dry completely, once dried immerse the filter in clean engine oil and squeeze the filter to remove excess oil – the filter should only be damp with oil.
- Put the filter back into its original position and refit the air filter cover etc.
CLEAN OR REPLACE THE SPARK PLUG
Clean or Replace The Spark Plug (every 50 hours of use).
- Remove the spark plug cap from the spark plug.
- Use the supplied spark plug spanner to remove the spark plug.
- Check for discolouration and remove any carbon build up.
- Check the spark plug gap, it should be between 0.6 and 0.7mm; Adjust if necessary.
- Check the overall condition of the plug and replace if damaged.
- Reinstall the plug and refit the spark plug cap.
USING DETERGENT
- To use the detergent function, the black low-pressure nozzle has to be fitted.

- Ensure that the detergent hose is fitted to the detergent inlet.

- Place the filter end of the detergent hose into the detergent container (not supplied).
- The detergent will flow through the hose/pistol/lance along with the water when the trigger is pressed.

CONNECTING TO A WATER SUPPLY
- The pressure washer is supplied with an equivalent Hozelock type adaptor.
- The easiest way to connect to a water supply is to fit the equivalent female fitting to the end of the supply hose.
- Once connected, the water supply can be turned on.
OPERATING INSTRUCTIONS
Hot Surfaces: Always ensure that the pressure washer is turned off and allowed to fully cool before any refuelling or maintenance procedures are carried out.
FILLING THE CRANKCASE WITH OIL / CHECKING THE OIL LEVEL
Caution: The pressure washer is drained of oil at the factory prior to shipping. SAE 10W30 oil or equivalent is recommended for this pressure washer.
Note: When checking the oil level; always ensure that the pressure washer is placed on a firm-level surface.
Ensure that the pressure washer is on a flat-level surface.
- Remove the filler cap / Dipstick by turning it anti-clockwise.
- Slowly pour the oil into the crankcase.
- Check the oil level by pushing the filler cap back into its hole up to the bottom of the threads (do not screw the cap in).
- Once the oil level is between the upper and the lower marks on the oil gauge (see below), refit it and turn clockwise to fully tighten.
The oil level should be checked every 8 hours or daily. The oil should be changed after the first 5 hours of operation; thereafter change the oil after 50 hours of operation or less if the pressure washer is operated under constant heavy loads or in high ambient temperatures.
- Press and hold the trigger of the of the high-pressure pistol; This will mean that the operator is not trying to start the engine with back pressure in the water sup-ply.
- Grip the recoil start handle and slowly pull the cord until it engages, then pull sharply until the engine starts.
- Once the engine starts the trigger can be released.
Note: It may take a few sharp pulls to get the engine started.
Note: Once the engine has started slowly release the recoil and allow the cord to be retracted.
Step 5:
- Once the engine is running and warm enough, slide the choke lever to the right ’RUN’ position.
STOPPING THE PRESSURE WASHER
In an emergency:
Simply turn the engine switch to the off position.
In normal conditions: Press the engine switch to the off position. Turn the fuel tap to off. Remove the water supply. Press the trigger to allow as much water as possible out of the system.
STOPPING THE PRESSURE WASHER
- Note: As much water as possible should be removed from the pressure washer, particularly if the pressure washer will not be used for an extended period such as when it is in long term storage.
- Note: Hold the trigger open and blow compressed air through the water inlet until all of the water has been removed from the system.
- Turn the main engine switch to the on (1) position.

- Slide the fuel tap to the on position (see below, left).

- Slide the choke lever to the left (see above, right).
Note: The choke may not be needed if the engine is already warm or the ambient temperature is hot.
PUMP OIL
Note: The pressure washer is shipped with oil in the POMP
The pump is supplied with oil and it is a sealed unit. The pump has been designed so that the oil quality & the life of the oil will not deteriorate, affect the performance or reduce the life cycle of the product.
FILLING THE PRESSURE WASHER WITH FUEL
Flammable: The fuel used to run this pressure washer (unleaded petrol) is highly flammable. Never re-fuel the pressure washer whilst it is running. Do not re-fuel near naked flames or other possible ignition sources.
Note: Never overfill the fuel tank; leave a small air gap at the top. Fuel capacity: Approx. 3.6 Litres.
Note: When re-fuelling always ensure that the fuel filter (supplied) is in place under the filler cap, as foreign matter or debris will cause damage to the engine and greatly reduce the life of the pressure washer.
To Fuel / re-fuel the pressure washer:
- Remove the fuel cap.
- Carefully pour the petrol into the tank to the desired level and refit the fuel cap.
- Remove any spilt fuel from the pressure washer and surrounding area to avoid any RISK of fair.
FITTING / CHANGING NOZZLES
Note: Ensure that the trigger is in the “off” position when changing nozzles. The low-pressure (black) nozzle should be fitted when starting the engine.
Pull back on the quick coupler connection at the end of the lance (see below, left). Push the nozzle into the quick coupler connection and allow the connector to spring back; This will hold the nozzle in position (below, right).
Once the engine is running, follow these instructions to fit the required nozzle.
STARTING THE ENGINE
Familiarize yourself with the main controls for starting the engine (above).
Note: Always fit the low-pressure (black) nozzle and hold the trigger of the pistol ‘open’ every time the engine is started; This will ensure that the operator is not trying to start the engine against back pressure.






















