H Koenig IM HWP5 High-Pressure Washer
Illustration of appliance

- water supply connector
- high pressure hose
- water outlet
- water inlet
- ON/OFF switch
- transport handle
- detergent tank
- power cord
- wheels
- trigger gun
- spray lance
- safety lock
- hose lock
- trigger handle holder
- trigger handle locker
- retractable rod
- detergent suction pipe
- filter
- detergent tank lock
- spray lance holder
General Instruction
This high-pressure washer is designed for domestic use only:
- to clean cars, motorbikes, caravans, bicycles.
- to clean patios, fences, garden walls, pathways, driveways and house facades, particularly useful for cleaning blocked driveway.
- to remove of algae and moss from roofs, brickwork and guttering.
- to clean garden tools and machinery, furniture and barbecues.
- to clean hygienic of animal pens and their surrounding area.
- With accessories, replacement parts and detergents approved by factory. Observe the instructions provided with these detergents.
The packing material can be recycled. Please do not place the packaging into the ordinary refuse for disposal, but arrange for the proper recycling. Old appliances contain valuable materials that can be recycled. Please arrange for the proper recycling of old appliances. Please dispose your old appliances using appropriate collection systems. Read symbols in the operating instructions
Danger: the immediate danger that can cause severe injury or even death.
Warning: a possibly hazardous situation that could lead to severe injury or even death.
Caution: a possibly hazardous situation that could lead to mild injury to persons or damage to property.
The high-pressure washer may not be directed at persons, animals, live electrical equipment or at the appliance itself. Protect the appliance against frost
Safety instruction
Danger
- Never touch the mains plug and the socket with wet hands.
- The appliance must not be used if the power cord or important parts of the appliance, e.g. high-pressure hoses, trigger gun or safety devices are damaged. Please arrange for it to be replaced immediately by an authorized repair agent or a skilled electrician.
- The appliance may not be used in areas where a risk of explosion is present.
- The high pressure washer must not be directed at other persons or directed by the user at him/herself to clean clothing or footwear.
- If the appliance is used in hazardous areas (e.g. filling stations) all of the safety provisions and operating instructions detailed in this manual must be observed.
- Never use the appliance to clean objects containing hazardous substances.
- Vehicle tyres or tyre valves are susceptible to damage from the high-pressure washer and may burst. The first indication of this is a discolouration of the tyre. Damaged vehicle tyres/tyre valves are highly dangerous. Ensure that a distance of at least 30 cm is observed when cleaning with the washer.
- Risk of explosion. Do not spray flammable liquids. Never draw in fluids containing solvents or undiluted acids. This includes petrol, paint thinner and heating oil. The spray mist thus generated is highly inflammable, explosive and poisonous. Do not use acetone, undiluted acids or solvents as they are damaging to the materials from which is the appliance is made.
Warning
- 1. The mains plug and the coupling of an extension cable must be watertight and must never lay in the water.
- Unsuitable extension cables can be hazardous. Only use extension cables outdoors which have been approved for this purpose and labeled with a sufficient cable cross- section: 1- 10m: 1.5mm2 10-30m: 2.5mm2
- Always fully unroll electrical cables.
- High-pressure hoses, fixtures and couplings are important for the safety of the appliance. Only use high pressure hoses, fixtures and couplings recommended by the manufacturer.
- This appliance may be used by persons with reduced physical, sensory or mental capabilities or lack of experience or knowledge, provided that they are supervised or instructed in the safe use of the appliance and that they fully understand the potential hazards.
- The operator must use the appliance correctly. When working with the appliance, he must consider the local conditions and pay due care and attention to other persons, in particular children who are nearby.
- This appliance may be used by children of at least 8 years of age, as long as they are supervised and have been given instructions about using the appliance safely and are fully aware of the dangers involved.
- Cleaning and maintenance should not be carried out by children unless they are at least 8 years of age and are supervised by an adult.
- Keep the appliance and its power cord out of reach of children under 8 years of age.
- When using electrical equipment, safety precautions must always be taken to prevent the risk of fire, electric shock and/or injury in the event of misuse.
- Make sure that the voltage rating on the typeplate corresponds to your main voltage of your installation. If this is not the case, contact the dealer and do not connect the unit.
- Never leave the unit unattended while in operation.
- The device must not be used if it has been dropped, it obvious signs of damage are visible or if it has leaks.
- Please keep this document at hand and give it to the future owner in case of transfer of your device.
- Do not operate this appliance if it has a damaged cord or plug, if it is not working properly or if it has been damaged or dropped. If the supply cord is damaged, it must be replaced by the manufacturer or its service agent or a similarly qualified person in order to avoid a hazard.
- Your appliance has been designed for domestic use only. It is not intended for use in the following situations which are not covered by the warranty:
- in staff kitchen areas in shops, offices and other professional environments,
- in farm hostels,
- by guests in hotels, motels and other residential environments,
- in bed and breakfast type environments.
Caution
- Do not use the machine if the persons nearby do not wear safety protection devices.
- Wearing protective clothing and safety goggles to protect against splashback containing water or dirt.
- Create stability for the appliance prior to all work on or with the appliance to prevent accidents or damage. The stability of the appliance is warranted when it is placed on to an even surface.
- For safety reasons, we recommend that you operate the appliance only via an earth leakage circuit breaker (max. 30mA).
- Make sure that the power cord or extension cables are not damaged by running over, pinching, dragging or similar. Protect the power cable from heat, oil, and sharp edges.
- Never leave the appliance unattended when it is in operation.
Operation
Special accessories expand the possibilities of using your appliance. Please contact the dealer for further information. Illustrate accessories before start-up.
- Install coupling for water connection (pic A). Screw the coupling to the water connection on the appliance.
- Install high-pressure hose (pic B. pic K). Insert the high-pressure hose tightly into the coupling on the appliance, it will lock inaudibly. Note: make sure the connection nipple is aligned correctly. Check the secure connection by pulling on the high-pressure hose.
- Install the storage of the trigger gun (pic C). Insert the storage of the trigger gun and push it down all the way
- Install spray lance (pic F). Push the spray lance into the trigger gun and fasten it by turning it through 90 degrees.
Water supply
Impurities in the water can damage the high-pressure pump and accessories. All high-pressure washers (except the hot water system) use cold water. The suitable water temperature is 5℃to 60℃.
Water supply from mains
Observe regulations of water supply For connection values, use a fiber-reinforced water hose (not included) with a standard coupling, normally the length is 5m, connect the water hose to the appliance and water supply.
- Open the water tap
- Unlock the lever on the trigger gun
- Pull-on the lever of the trigger gun
- Turn on the appliance (pic G ON: open OFF: close)
Start up
Dry runs lasting longer than two minutes lead to damage to the high-pressure pump. If the appliance does not build up pressure within two minutes, switch it off and proceed as instructed in the Chapter “Troubleshooting”. The trigger gun is subjected to recoil force when the water washer is discharged. Make sure that you have a firm footing and are also holding the trigger gun and spray lance firmly. The spray lance has two main settings stream and fan for easy cleaning (pic H).
Caution
Prior to cleaning, make sure that the high-pressure washer is placed safely on level ground. Wear protective goggles and protective clothing during the cleaning process. Notes: Release the lever of the trigger gun, the device will switch off again. A high-pressure washer remains in the system.
Working with detergent.
Use detergent when cleaning. Remove the lid from the detergent bottle and press the detergent bottle into the detergent (pic E). Notes: The device is under low pressure when using detergent and pulling out spray lance. Release the lever on the trigger gun, lock the lever on the trigger gun, and insert the spray lance into the trigger gun when interrupting the operation.
Notes: The device is under low pressure when using detergent and pulling out spray lance. Release the lever on the trigger gun, lock the lever on the trigger gun, insert the spray lance into trigger gun when interrupting operation.( as pic Q)
Finish operation
- Turn off tap.
- Press the lever on the trigger gun to release any remaining pressure and water in the system.
- Pull out the mains plug.
- Store the water hose and high pressure hose.
Maintenance and care
Turn off the appliance and remove the mains plug prior to any care and maintenance work. Prior to longer periods of storage, pull out the filter (18) in the detergent bottle and clean under running water. Pull out the filter in the water connection and clean under running water (pic J). Use the needle to clean the residue (pic M). In winter, please do not put the machine outside without draining the water to avoid the damage to the machine. Just put it in a room with frost prevention.
Troubleshooting
| Symptom | Cause | Recommended action |
| Appliance is not running | 1.Machine not plugged in 2.Defective socket 3.Defective extension cable 4.Incorrect mains voltage 5.Switch off 6.Fuse has blown | 1. Plug in machine 2.Try another socket 3.Try another extension cable Check voltage correctly 4. Turn on switch 5. Replace fuse |
| Pump stop working | Lack of water lead to high temperature | check water flow quantity -put the hose in the 10 bottle (per minute) |
| Fluctuating pressure | 1. Spray lance blocked . Pump is sucking air . Impurities in pump | 1. Clean lance with needle 2. Check that hoses and connections are airtight 3. Contact the dealer |
| Appliance does not reach operation pressure | 1. Spray lance blocked or worn 2. Short supply of water 3.Hose kinked 4.Filter blocked 5.Hose blocked | 1. Clean or change spray lance 2. Check inlet flow rate 3.Straighten out hose 4.Clean filter 5.Clean hose |
| Trigger gun can be used | Trigger gun is locked | Unlock trigger gun safety |
| Machine often starts and stops by itself | 1.Safety valve worn out 2.Pump,high pressure hose, trigger gun is leaking | 1. Contact the nearest service center 2. Contact the nearest service center |
The content in this instruction manual (include accessories) is kept the final modifying and explanation rights
Appliance is leaking
Slight leakage from the appliance pump is normal. If the leakage increases contract the authorized customer service.
Transport instruction
Mind the weight of appliance during moving. Put the appliance a level ground. Pull out the telescopic rod (Max. length 410mm, as pic D)to move the appliance.
Storage
- Place the appliance on a level ground
- Disconnect trigger gun and high-pressure hose
- Disconnect high pressure hose with outlet
- Put the trigger gun into the trigger gun holder
- Wind back power cord and high pressure
Technical specification
| HWP5 | Working temp: 5-50 °C |
| Voltage:AC 220V | Weight:7.6Kg |
| Power:1700W | Length:294mm |
| Max.pressure :12.0Mpa | Width:293mm |
| Flow rate:380L/H | Height:548mm |
| Max.tap water : 0 .4Mpa | |
| Working pressure : 8.0Mpa | |
| Water temperature :0~40 °C |
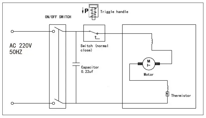
Schematic drawing
Adeva SAS / H.Koenig Europe – 8 rue Marc Seguin – 77290 Mitry Mory – Francewww.hkoenig.com – [email protected] – [email protected] – Tél: +33 1 64 67 00 05






















