K2 PUMPS SWF07501TPK Effluent Pump with Tether Switch Owner’s Manual

EFFLUENT PUMP WITH TETHER SWITCH

PERFORMANCE
| Model | HP | GPH of Water @ Total Feet of Lift | Max. Lift | ||||||
| 0 ft. | 5 ft. | 10 ft. | 15 ft. | 20 ft. | 25 ft. | 30 ft. | |||
| SWF05001TPK | 1/2 | 4200 | 3780 | 3360 | 2820 | 2100 | 1260 | 0 | 30 ft. |
| SWF07501TPK | 3/4 | 4500 | 3900 | 3360 | 2820 | 2300 | 1800 | 1200 | 40 ft. |
SAFETY INSTRUCTIONS
- Do not pump flammable or explosive liquids such as oil, gasoline, kerosene, ethanol, etc. Do not use in the presence of flammable or explosive vapors. Using this pump with or near flammable liquids can cause an explosion or fire, resulting in property damage, serious personal injury, and/or death. Do not pump flammable or explosive liquids such as oil, gasoline, kerosene, ethanol, etc. Do not use in the presence of flammable or explosive vapors. Using this pump with or near flammable liquids can cause an explosion or fire, resulting in property damage, serious personal injury, and/or deat
- ALWAYS disconnect the power to the pump befor
- Do not touch the motor housing during operation. The motor is designed to operate at high temperatures. Do not disassemble the motor housing.
- Do not handle the pump or pump motor with wet hands or when standing on a wet or damp surface, or in water before disconnecting the power.
- Release all pressure and drain all water from the system before servicing any
- Secure the discharge line before starting the pump. An unsecured discharge line will whip, possibly causing personal injury, and/or property
- Extension cords may not deliver sufficient voltage to the pump motor. Extension cords present a life threatening safety hazard if the insulation becomes damaged or the connection ends fall into water. The use of an extension cord to power this pump is not
- Wear safety goggles at all times when working with
- This unit is designed only for use on 115 volts (single phase), 60 Hz, and is equipped with an approved 3- conductor cord and 3-prong grounded plug. Do not remove the ground pin under any circumstances. The 3-prong plug must be directly inserted into a properly installed and grounded 3-prong, grounding-type receptacle. Do not use this pump with a 2-prong wall outlet. Replace the 2-prong outlet with a properly grounded 3-prong receptacle (a GFCI outlet) installed in accordance with the National Electrical Code and local codes and ordinances. All wiring should be performed by a qualified
- Protect the electrical cord from sharp objects, hot surfaces, oil, and chemicals. Avoid kinking the cord. Do not use damaged or worn cords.
- Failure to comply with the instruction and designed operation of this unit may void the warranty. ATTEMPTING TO USE A DAMAGED PUMP can result in property damage, serious personal injury, and/or
- Ensure that the electrical circuit to the pump is protected by a 15 Amp fuse or circuit
- Do not lift the pump by the power
- Know the pump and its applications, limitations, and potential
- Secure the pump to a solid base. This will aid in keeping the pump in a vertical orientation. This is critical in keeping the pump operating at maximum efficiency. It will also help prevent the pump from clogging resulting in premature failure.
- Periodically inspect the pump and system components to ensure the pump suction screen is free of mud, sand, and Disconnect the pump from the power supply before inspecting.
- Follow all local electrical and safety codes, along with the National Electrical Code (NEC). In addition, all Occupational Safety and Health Administration (OSHA) guidelines must be
- Ensure the electrical power source is adequate for the requirements of the
- This pump is made of high-strength, corrosion-resistant materials. It will provide trouble-free service for a long time when properly installed, maintained, and used. However, inadequate electrical power to the pump, dirt, or debris may cause the pump to fail. Please carefully read the manual and follow the instructions regarding common pump problems and remedies.
- The motor of this pump has a thermal protector that will trip if the motor becomes too hot. The protector will reset itself once the motor cools down and an acceptable temperature has been reached. The pump may start unexpectedly if it is plugged
PRE-INSTALLATION
APPLICATION
This unit is a submersible effluent pump and designed for pumping effluent, wastewater or flooded water with up to 3/4 in. solids. The pump is built with overload thermal protections and auto reset. The pump is equipped with a 25 ft. 3- prong grounding-type power cord and tethered float switch. This pump operates automatically. Ball bearings on motor shafts never need lubrication.
TOOLS REQUIRED

MATERIALS REQUIRED (NOT INCLUDED)
Parts shown below not to scale.

SPECIFICATIONS
| Power supply | 115V, 60 HZ., 15 Amp Circuit |
| Liquid temp. range | 32-131°F (0-55°C) |
| Discharge size | 2 in. FNPT |
| Sump basin | Minimum 18 in. (460 mm) diameter, 30 in. (760 mm) depth |
| Switch on/off | On: 13.3 in. (338 mm), Off: 5 in. (127 mm) |
INSTALLATION
TYPICAL DEWATERING INSTALLATION (3/4 in. or less Solids)
Install pump on a hard, level surface (cement, asphalt, etc.). Never place pump directly on earth, clay or gravel surfaces.
- Piping must be 1-1/2 in. minimum to carry volume of pump discharge. Check local codes to determine if a check valve is required in your system. In cold climates, check valves are not used to prevent effluent from freezing in If using as a sump pump, a check valve is recommended.
- Use a 2 in. (5.1 cm) swing check valve in the pump discharge to prevent backflow of liquid into the sump basin. The check valve should be a free flow valve that will easily pass solids.
For best performance of the check valve when handling solids, do not install it with the discharge angled more than 45° above the horizontal. Do not install the check valve in a vertical position as solids may settle in the valve and prevent opening on start up. - Drill a 1/8” (3.2mm) hole in discharge pipe about 1”-2” (2.5 -5.1cm) above quick The hole must be in the sump.

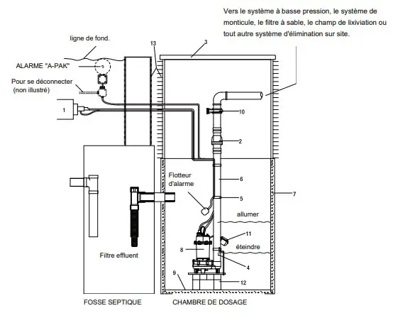
TYPICAL EFFLUENT INSTALLATION
- Electrical wiring and protection must be in accordance with National Electrical Code and any other applicable state and local electrical
- Install proper unicheck (combination union and check valve), preferably just above the basin to allow easy removal of the pump for cleaning or repair. On effluent, if high head or below cover installation is required use 1- 1/2 minimum pipe. See (4) below.
- All installations require a basin cover to prevent debris from falling into the basin and to prevent accidental
- When a unicheck is installed, drill a 1/8” (3.2mm) hole in discharge pipe about 1”-2” (2.5 -5.1cm) above quick The hole must be in the sump. Water stream will be visible from this hole during pump run periods.
- Securely tape or clamp the power cord to the discharge pipe, clear of the float mechanism(s).
- Use full-size discharge
- The basin must be in accordance with applicable codes and
- The pump must be level and float mechanism(s) clear of the sides of the basin before starting the
- The basin must be clean and free of debris after
- The installer must supply the gate valve or ball valve and be installed according to any and all
- Make sure nothing interferes with switch operation. This pump is preassembled with a piggyback tethered float switch, please don’t change the preassembled switch
- Install the pump stand under the pump to provide a settling basin. Septic tank risers must be used for easy pump and filter access.
- Double seal pumps offer extra protection from damage caused by seal failure.

All installations must comply with all applicable electrical and plumbing codes, including, but not limited to, National Electrical Code, local, regional, and/or state plumbing codes, etc. Not intended for use in hazardous locations.
Electrical
Risk of electric shock. Can shock, burn or kill. When installing, operating, or servicing this pump, follow safety instructions listed below.
- DO NOT splice the electrical power
- DO NOT allow the electrical cord plug to be
- DO NOT use extension cords. They are a fire hazard and can reduce voltage sufficiently to prevent pumping and/or damage the motor.
- DO NOT handle or service the pump while it is connected to a power
- DO NOT remove the grounding prong from the plug or modify the plug to protect against electrical shock. The power cord is a three-wire conductor and includes a 3-prong grounded plug. Plug the pump into a 3-wire, grounded, grounding type Connect the pump according to electrical codes that apply.
For automatic operation, plug or wire the pump into an automatic float switch or pump controller. The pump will run continuously when plugged directly into an electrical outlet. Connect or wire the pump to an individual branch circuit with no other outlets or equipment in the circuit.
Size fuses or circuit breakers according to this chart:
Fuse Data
| HP | Voltage | Individual Branch Circuit Required (Amps) | |
| 3/4 | 115 | 15 | |
| 1/2 | 115 | 15 |
OPERATION
Do not handle this pump or plug in or unplug this pump with wet hands or while standing in water, unless you are certain all power has been turned off to the pump. Remember, the pump should be connected only to a properly grounded, GFCI outlet.
- Make certain the pump is submerged in Running the pump dry can damage the shaft seal.
- Plug the pump cord into the back of the float switch cord’s plug. Plug the float switch cord into a 115V GFCI power
- After connecting power to the pump and periodically afterwards, test the pump:
- Fill the basin to above the float switch operation on The pump should start pumping.
- The pump should pump the water down to below its Float Switch Operation OFF Height and then stop
- If the water drains back into the basin and restarts the pump, make sure the check valve is properly installed and Also make sure that all pipe connections are tight.
- The motor is equipped with an automatically resetting thermal overload protector. If the motor gets too hot, the overload protector will shut off the pump before it is damaged. When the motor has cooled sufficiently, the overload protector will reset, and the motor will
If the overload protector stops the pump repeatedly, disconnect the power from the pump and check to find the problem. Low voltage, a long extension cord, clogged impeller, screen blocked by debris, or water that is too hot can cause motor overheating.
CARE AND CLEANING
Risk of electric shock. Can shock, burn or kill. Do not lift the pump by the power cord.
- Before removing the pump from the basin for service, always disconnect electrical power to the pump and control switch.

- Submerge the pump in a disinfectant solution (bleach) for at least one hour before disassembling the
- Unscrew the bolts (1), and remove the plate (2).
- Use a flathead screwdriver to hold the shaft, then turn the impeller (3) counter clockwise to release the impeller (3).
- Remove debris from around the shaft and on/under the impeller (3).
- Reassemble the pump.
- Before removing the pump from the basin for service, always disconnect electrical power to the pump and control switch.
- Submerge the pump in a disinfectant solution (bleach) for at least one hour before disassembling the
- Unscrew the bolts (1), and remove the volute (5) and gasket (4).
- Use a flathead screwdriver to hold the shaft (2), then turn the impeller (3) counter clockwise to release the impeller (3).

- Remove debris from around the shaft (2) and on/under the impeller (3).
- Reassemble the pump.
TROUBLESHOOTING
Do not disassemble the motor housing. This motor has NO repairable internal parts, and disassembly may cause an oil leak or dangerous electrical wiring issues. DO NOT lift up the pump by the power cord.
| Problem | Solution |
| The pump fails to operate. | 1. Check to be sure that the power cord is securely plugged into an outlet. Disconnect power to the outlet before handling the pump or motor. 2. Check to be sure you have electrical power. 3. Check that liquid fluid levels are high enough to activate the switch or controller. 4. Check to be sure that a 1/8 in. (3.2 mm) vent hole in the discharge pipe is not plugged. 5. Check for blockage in the pump inlet, impeller, check valve or discharge pipe. 6. Thermal overload may have tripped. Test start the pump. If it starts and then stops immediately, disconnect from the power source for 30 minutes to allow the motor to cool, then reconnect to the power source. Check for cause of overheating/overloading. |
| The pump fails to empty sump. | 1. Be sure all valves in the discharge are fully open. 2. Clean out the discharge pipe and check valves. 3. Check for blockage in the pump inlet or impeller. |
| The pump will not shut off. | 1. Check the switch or controller automatic floats for proper operation and location. 2. If the pump is completely inoperative or continues to malfunction, call customer service. |
WARRANTY
K2 Pumps Limited Warranty
WHAT THIS WARRANTY COVERS
This Limited Warranty is effective September 1, 2020 and replaces all undated warranties dated prior to September 1, 2020.
K2 Pumps (K2) warrants to the original consumer purchaser (You) that its products are free from original defects in material and workmanship for at least one year (warranty varies depending on model; see box or K2 website for specific warranty information) from the date of purchase (the Warranty Period). Repair Parts and Accessories are warranted for 90 days from the date of purchase. During the Warranty Period, K2 will repair or replace, at no cost to you, products that have been examined by K2 and found to be defective in materials or workmanship.
Do not return product to the retail store.
For technical support and parts, call K2 Customer Service at 844-242-2475.
WHAT THIS WARRANTY DOES NOT COVER
This Warranty does not cover use of the product in a non-residential application, improper installation and/or maintenance of the product, damage due to misuse, acts of God, nature, vandalism or other acts beyond control of K2, owner’s acts or omissions, use outside the country in which the product was initially purchased and resale of the product by the original owner. This warranty does not cover pick up, delivery, transportation or house calls.
However, if you mail your product to a K2 Sales and Service Center for warranty service, cost of shipping will be paid one way. This warranty does not apply to products purchased outside of the United States, including its territories and possessions, outside of U.S. Military Exchange and outside of Canada. This warranty does not cover products purchased from a party that is not an authorized retailer, dealer or distributor of K2 products.
OTHER IMPORTANT TERMS
This warranty is not transferable and may not be assigned. This Warranty shall be governed and construed under laws of the state of Michigan. The Warranty Period will not be extended by any replacement or repair performed under this Warranty. THIS WARRANTY IS THE EXCLUSIVE WARRANTY AND REMEDY PROVIDED BY K2. ALL OTHER WARRANTIES, EXPRESSED OR IMPLIED, INCLUDING WARRANTIES OR MERCHANTABILITY OR FITNESS FOR PARTICULAR PURPOSE, ARE DISCLAIMED. IN NO EVENT WILL K2 BE LIABLE FOR ANY SPECIAL, INDIRECT, INCIDENTAL OR CONSEQUENTIAL DAMAGES OF ANY KIND OR NATURE TO OWNER OR ANY PARTY CLAIMING THROUGH OWNER WHETHER BASED IN CONTRACT, NEGLIGENCE, TORT, OR STRICT PRODUCTS LIABLITY OR ARISING FROM ANY CAUSE WHATSOEVER. Some states do not allow for
the exclusion of consequential damages, so the above exclusion may not apply to you. This warranty gives you specific rights. You may also have other rights that vary from state to state.GP Enterprises Co., Ltd. 1436 Brook Drive, Downers Grove, IL 60515 Phone: 844-242-2475 / Web: www.K2Pumps.com























