puravent DSR Series DSR-12 110 Litre Refrigerant Dehumidifier
SAFETY
For safety reasons, read this information carefully before operating. Persons who are not familiar with this type of product must not use it. We strongly recommend keeping this information in a safe place for future reference.
This appliance must be earthed. The unit is designated for indoor operation. Refer to the rating plate for voltage and power input. The installation must be in accordance with the regulations of the country where the installation is performed. The minimum distance between air inlet(s) and/or air outlet(s) and any object must be 40 cm.
- The unit is safe. It has been approved by many safety institutions around the world. However, as with other electrical appliances, use it with care.
- Keep out of reach of children.
- Do not clean the unit by spraying it or immersing it in water.
- Do not insert any object into an opening of the unit.
- Disconnect from the mains before cleaning the unit or any of its components.
- Never connect to an electrical outlet using an extension cord. If an outlet is not available, one should be installed by a licensed electrician.
- Any service other than a regular cleaning or filter re-placement should be performed by an authorized service representative. Failure to do so could result in a loss of warranty.
- When the unit is placed in a (swimming) pool, connected to the mains via a transformer or a breaking switch, conforms to the regulations regarding electrical installations.
DSR DEHUMIDIFIERS
You can’t control humidity and haze outdoors. But in an indoor swimming pool and other humid interior spaces where hot stuffy air, steamy windows, and walls are frequent phenomena, you can. That’s why you need a DSR dehumidifier. Our dehumidifiers clear the air in damp interior spaces. Condensation is removed from windows, walls, and ceilings. Vaporous stuffy air is drawn off, clean air is pumped back in. You simply set the dial and the air humidity remains at the required level. Water evaporating from a swimming pool, bathroom, ar-chive, store, or from wet objects and surfaces increases the humidity of the air and creates the hazy and stuffy air often found in the hall.
At the same time water condenses on the cooler parts in the hall: windows, walls, ceilings, etc.
Water condensation is not only an aesthetic defect, it can, in the long run, cause structural damage.
There are two methods for drying the air in humid spaces:
- by ventilation,
- by heat pumps.
Our dehumidifier is designed as a heat pump and has, through energy saving, a considerable advantage over a ventilation system.
HOW THE DSR DEHUMIDIFIER WORKS
ELECTRICAL WIRING
The unit can be supplied with a cord and an earthed plug. If it ever becomes necessary to replace this plug, be sure to use an earthed plug suitable for the power supply in your area and conform to your national safety standard. The wires of the cable are colored in accordance with the standard electrical code.
- Blue Neutral
- Brown Live
- Green/Yellow Earth
The blue (neutral) wire should be connected to the terminal in the plug marked N or colored black. The brown (live) wire should be connected to the terminal in the plug marked L or colored red. The green/yellow (earth) wire should be connected to the terminal in the plug marked E or colored green or marked with this symbol: 
The unit must be connected to the power supply with the appropriate leads. The cord should pass through holes with rubber grommets. Properly fused disconnect switches must be installed between the unit and the power source. The unit must be wired with an isolation (mains) switch accessible from outside the wet area in which the unit is installed, to comply with IEE regulations
MAINTENANCE
- The appliance is actually maintenance-free, except in cases of soiling. In this case, the filter has to be cleaned.
- Models DSR-12 and DSR-20 see page 4
- Contains Flouronated Greenhouse gasses covered by the Kyoto Protocol R410A
- Charge:
- DSR-12= 1.25kg
- DSR20= 1.5kg
DSR INDOOR SWIMMING POOL ROOM DEHUMIDIFIERS
Our swimming pool dehumidifier is a ready-to-install, trans-portable, appliance. It can be mounted on a wall or ceiling console in the pool room or even over a shower booth. It may be mounted in adjoining rooms and connected by ducts to the pool room. We have not adapted normal room air-conditioners for use in indoor swimming pools, we have developed pool de-humidifiers, particularly for this purpose. The compressor therefore matches exactly the capacity of the evaporator, thus achieving the optimal balance between efficiency and power consumption. The pool dehumidifier is controlled by a humidistat which operates at a low (=safety) voltage of 24V.
The relative humidity in an indoor swimming pool can be adjusted between 50-80% when an external hygrostat is used.
INSTALLING THE DSR
The minimum distance between inlet(s) and/or outlet(s) and any object must be 40 cm. Installation of the dehumidifier is easy, as the unit is built on a base and slides out of the housing. The individual parts are logically arranged and can be inspected. First, remove the screws of the frame with louvers. Remove the screws on the base. Now the unit can be taken out of the housing. Prepare a suitable console and mount it on the wall. Mount the housing on the console and attach it by fastening its base with screws to the legs (which should preferably be lagged with a vibration dampening material). Insert the unit into the housing, fasten the housing to the base and attach the louvered frame in front of the housing. Attach a 3/4” I.D. flexible pipe to the drain nipple located at the back of the dehumidifier.
MAINTENANCE
The appliance is actually maintenance-free, except in cases of soiling. In this case, the filter has to be cleaned. To remove the filter, slide open the 2 latches that hold the filter grille, located at the back of the unit. Swing the grille towards you and upwards to access the filter. Remove the filter. Use a vacuum cleaner to remove dust and debris. The filter can then be flushed clean with a stream of water. Let any trapped water drip off the filter fabric and allow it to dry. Replace the dried filter in reverse order.
OPERATING RANGE
- Max. working temperature 35°C
- Min. working temperature 5°C
- Relative humidity 40-100%
MOISTURE REMOVAL / DSR-12
| DSR-12 – MOISTURE REMOVAL AT DIFFERENT ROOM TEMP. EN R.H.% (liter water/24h) | ||||||||
| RELATIVE HUMIDITY % | ||||||||
| ROOM TEMP. °C | 85 | 80 | 75 | 70 | 65 | 60 | 55 | 50 |
| 15 | 41 | 37 | 34 | 31 | 28 | 25 | 23 | 17 |
| 20 | 57 | 52 | 48 | 43 | 38 | 34 | 30 | 27 |
| 24 | 73 | 66 | 60 | 55 | 49 | 43 | 39 | 34 |
| 25 | 77 | 70 | 63 | 58 | 51 | 46 | 41 | 36 |
| 26 | 80 | 73 | 67 | 60 | 54 | 48 | 43 | 38 |
| 27 | 84 | 77 | 70 | 63 | 56 | 50 | 45 | 40 |
| 28 | 88 | 80 | 73 | 66 | 59 | 52 | 47 | 42 |
| 29 | 92 | 84 | 76 | 69 | 62 | 55 | 49 | 43 |
| 30 | 96 | 87 | 79 | 72 | 64 | 57 | 51 | 45 |
| 32 | 100 | 91 | 82 | 75 | 67 | 59 | 53 | 47 |
| 35 | 104 | 94 | 86 | 78 | 69 | 62 | 55 | 49 |
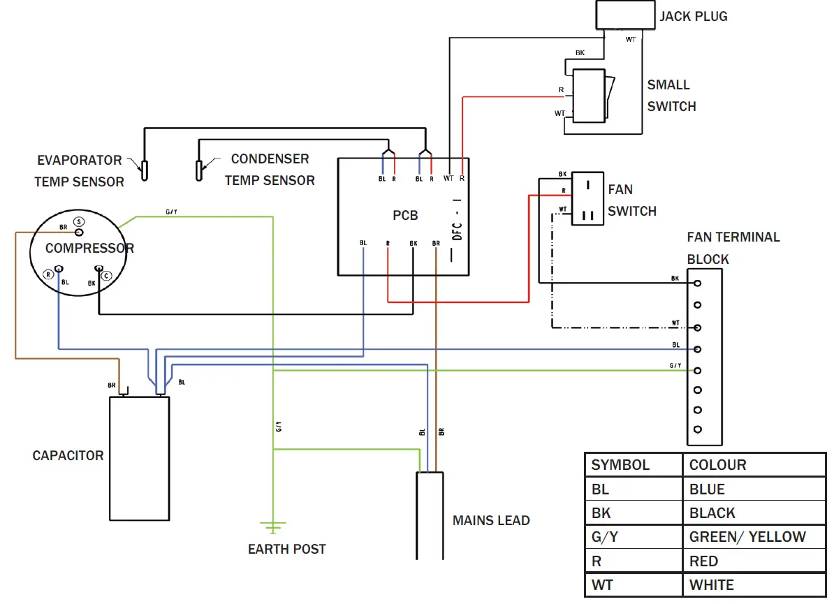
WIRING DIAGRAM DSR-12
EXPLODED VIEW DSR 12
| No. | PART No | DESCRIPTION | TYPE | QTY |
| 1 | DH02-A001 | BASE PANEL ASSY | ASSEMBLY | 1 |
| 2 | DH02-A003 | DRAIN TRAY ASSY | ASSEMBLY | 1 |
| 3 | DH02-C017 | FAN HOUSING MOUNTING BRACKET | PART | 1 |
| 4 | DH02-A004 | FAN | PART | 1 |
| 5 | DH02-C012 | INNER PANEL RH | PART | 1 |
| 6 | DH02-C011 | INNER PANEL LH | PART | 1 |
| 7 | DH02-P021 | COMPRESSOR | PART | 1 |
| 8 | DH02-P004 | CONDENSER COIL | PART | 1 |
| 9 | DH02-C006 | EVAP MOUNT BRACKET LEFT | PART | 1 |
| 10 | DH02-C049 | EVAP MOUNT BRACKET RIGHT | PART | 1 |
| 11 | DH02-P003 | EVAPORATOR COIL | PART | 1 |
| 12 | DH02-C008 | EVAP TOP COVER | PART | 1 |
| 13 | DH02-C013 | FAN HOUSING | PART | 1 |
| 14 | DH02-A010 | PCB | ASSEMBLY | 1 |
| 15 | DH02-A009 | COVER ASSY | ASSEMBLY | 1 |
| 16 | DH02-P029 | COMPRESSOR CAPACITOR | PART | 1 |
| 17 | DHO2-P021 | FILTER MATERIAL | PART | 1 |
| 18 | DH01-P003 | ROCKER SWITCH | ASSEMBLY | 1 |
| 19 | DH02-C047 | COIL BRACE RIGHT | PART | 1 |
| 20 | DH02-C048 | COIL BRACE LEFT | PART | 1 |
| 21 | DH02-PO33 | JACK SOCKET | PART | 1 |
| 22 | DH02-P032 | ROCKER SWITCH SMALL | ASSEMBLY | 1 |

| No. | PART No | DESCRIPTION | TYPE | QTY |
| 1 | DH02-C030 | COVER | PART | 1 |
| 2 | DH02-C021 | COVER OUTLET END PANEL | PART | 1 |
| 3 | DH02-A007 | REAR PANEL ASSY | ASSEMBLY | 1 |
| 4 | DH02-C026 | FILTER DOOR | PART | 1 |
| 5 | DH02-P027 | HANDLE | PART | 4 |
| 6 | DH01-P004 | LATCH | PART | 2 |
| 7 | DH02-P021 | FILTER MATERIAL | PART | 1 |
MOISTURE REMOVAL / DSR-20
| DSR-12 – MOISTURE REMOVAL AT DIFFERENT ROOM TEMP. EN R.H.% (liter water/24h) | ||||||||
| RELATIVE HUMIDITY % | ||||||||
| ROOM TEMP. °C | 85 | 80 | 75 | 70 | 65 | 60 | 55 | 50 |
| 15 | 69 | 62 | 57 | 52 | 46 | 41 | 23 | 17 |
| 20 | 96 | 87 | 79 | 72 | 64 | 57 | 51 | 45 |
| 24 | 121 | 110 | 100 | 91 | 81 | 72 | 64 | 57 |
| 25 | 128 | 116 | 106 | 96 | 85 | 76 | 68 | 60 |
| 26 | 134 | 122 | 111 | 101 | 90 | 80 | 71 | 63 |
| 27 | 141 | 128 | 116 | 106 | 94 | 84 | 74 | 66 |
| 28 | 147 | 134 | 121 | 110 | 98 | 87 | 78 | 69 |
| 29 | 153 | 139 | 127 | 115 | 103 | 91 | 81 | 72 |
| 30 | 160 | 145 | 132 | 120 | 107 | 95 | 85 | 75 |
| 32 | 166 | 151 | 137 | 125 | 111 | 99 | 88 | 78 |
| 35 | 173 | 157 | 143 | 130 | 116 | 103 | 92 | 82 |
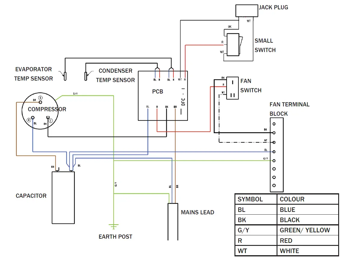
WIRING DIAGRAM DSR-20
EXPLODED VIEW DSR-20
| No. | PART No | DESCRIPTION | TYPE | QTY |
| 1 | DH02-A001 | BASE PANEL ASSY | ASSEMBLY | 1 |
| 2 | DH02-A003 | DRAIN TRAY ASSY | ASSEMBLY | 1 |
| 3 | DH02-C017 | FAN HOUSING MOUNTING BRACKET | PART | 1 |
| 4 | DH02-A004 | FAN | PART | 1 |
| 5 | DH02-C012 | INNER PANEL RH | PART | 1 |
| 6 | DH02-C011 | INNER PANEL LH | PART | 1 |
| 7 | DH02-P021 | COMPRESSOR | PART | 1 |
| 8 | DH02-P001 | CONDENSER COIL | PART | 1 |
| 9 | DH02-C006 | EVAP MOUNT BRACKET LEFT | PART | 1 |
| 10 | DH02-C007 | EVAP MOUNT BRACKET RIGHT | PART | 1 |
| 11 | DH02-P002 | EVAPORATOR COIL | PART | 1 |
| 12 | DH02-C008 | EVAP TOP COVER | PART | 1 |
| 13 | DH02-C013 | FAN HOUSING | PART | 1 |
| 14 | DH02-A010 | PCB | ASSEMBLY | 1 |
| 15 | DH02-A009 | COVER ASSY | ASSEMBLY | 1 |
| 16 | DH02-P013 | COMPRESSOR CAPACITOR | PART | 1 |
| 17 | DHO2-P021 | FILTER MATERIAL | PART | 1 |
| 18 | DH01-P003 | ROCKER SWITCH | ASSEMBLY | 1 |
| 19 | DH02-C047 | COIL BRACE RIGHT | PART | 1 |
| 20 | DH02-C048 | COIL BRACE LEFT | PART | 1 |
| 21 | DH02-PO33 | JACK SOCKET | PART | 1 |
| 22 | DH02-P032 | ROCKER SWITCH SMALL | ASSEMBLY | 1 |

| No. | PART No | DESCRIPTION | TYPE | QTY |
| 1 | DH02-C030 | COVER | PART | 1 |
| 2 | DH02-C021 | COVER OUTLET END PANEL | PART | 1 |
| 3 | DH02-A007 | REAR PANEL ASSY | ASSEMBLY | 1 |
| 4 | DH02-C026 | FILTER DOOR | PART | 1 |
| 5 | DH02-P027 | HANDLE | PART | 4 |
| 6 | DH01-P004 | LATCH | PART | 2 |
| 7 | DH02-P021 | FILTER MATERIAL | PART | 1 |


























