PORTASPOT 230 Arc Welding
User Guide
PORTASPOT 230
STANDARD
GENERAL INSTRUCTIONS
Read and understand the following safety instructions before use.
Any modification or maintenance not specified in the instructions manual should not be undertaken.
The manufacturer is not liable for any injury or damage due to non-compliance with the instructions featured in this manual. In the event of problems or uncertainties, please consult a qualified person to handle the installation properly.
Make sure to keep the instructions as you might need to refer to them later.
These instructions cover the material in the condition it was delivered. It is the responsibility of the user to carry a risk analysis in case the instructions are not followed.
ENVIRONMENT
This equipment must only be used for welding operations in accordance with the limits indicated on the descriptive panel and/or in the user manual. Safety instructions must be followed. In case of improper or unsafe use, the manufacturer cannot be held liable.
This equipment must be used and stored in a room free from dust, acid, flammable gas or any other corrosive agent. The same rules apply for storage. Operate the machine in an open, or well-ventilated area.
Operating temperature:
Use between -10 and +40°C (+14 and +104°F).
Storage between -20 and +55°C (-4 and 131°F).
Air humidity: Lower or equal to 50% at 40°C (104°F).
Lower or equal to 90% at 20°C (68°F)
Altitude: Up to 1000 meters above sea level (3280 feet).
PROTECTION OF THE INDIVIDUALS
Resistance welding can be dangerous and cause serious injuries or even death. It needs to be used by a qualified technician with training relevant to the machine. Welding exposes the user to dangerous heat, arc rays, electromagnetic fields, the risk of electric shock, noise, and gas fumes. People wearing pacemakers are advised to consult a doctor before using the welding machine. To protect oneself as well as others, ensure the following safety precautions are taken:
In order to protect yourself from burns and radiation, wear clothing without turn-ups or cuffs. These clothes must be insulating, dry, fireproof, in good condition, and cover the whole body.
Wear protective gloves which guarantee electrical and thermal insulation.
Use sufficient welding protective gear for the whole body: hood, gloves, jacket, trousers… (varies depending on the application/operation). Protect the eyes during cleaning operations. Contact lenses are prohibited during use. It may be necessary to install fireproof welding curtains to protect others against arc rays, weld spatters and sparks. Ask people around the working area to look away from at the arc or the molten metal, and to wear protective clothing.
Ensure ear protection is worn by the operator if the work exceeds the authorized noise limit (the same applies to any person in the welding area).
Parts that have previously been welded will be hot and may cause burns if manipulated. During maintenance work on the torch or the electrode holder, you should make sure it’s cold enough and wait at least 10 minutes before any intervention. When using a water-cooled torch, make sure that the cooling unit is switched on to avoid any burns caused by the liquid.
It is important to secure the working area before leaving to ensure the protection of property and the safety of others.
WELDING FUMES AND GAS
Fumes, gas, and dust produced during welding are hazardous to health. It is mandatory to ensure adequate ventilation and/or extraction to keep fumes and gas away from the work area. Using an air-fed welding helmet is recommended in case of insufficient ventilation in the workplace. Check that the air supply is effective by referring to the recommended safety regulations.
Precautions must be taken when welding in small areas, and the operator will need supervision from a safe distance. In addition, the welding of certain materials containing lead, cadmium, zinc, mercury or beryllium may be particularly harmful. Also, remove any grease on the metal pieces before welding. Do not weld in areas where grease or paint are stored.
FIRE AND EXPLOSION RISKS
Protect the entire welding area. Flammable materials must be moved to a minimum safe distance of 11 meters. A fire extinguisher must be readily available near the welding operations. Keep people, flammable materials/objects, and containers that are under pressure at a safe distance. Welding in closed containers or pipes should be avoided and , if they are opened, they must be emptied of any flammable or explosive material (oil, fuel, gas …). Grinding operations should not be carried out close to the power supply or any flammable materials.
ELECTRICAL SAFETY
The electrical mains used must have an earth terminal. An electric shock could cause serious injuries or potentially even deadly accidents.
Never make contact with live parts inside or outside the current source (cables, electrodes, arms, guns…) as they are connected to the welding circuit. Before opening the device, it is imperative to disconnect it from the mains and wait 2 minutes, so that all the capacitors are discharged.
Damaged cables and torches must be changed by a qualified and skilled professional. Make sure that the cable cross-section is adequate with the usage (extensions and welding cables). Always wear dry clothes which are in good condition in order to be isolated from the welding circuit. Wear insulating shoes, regardless of the workplace/environment in which you work in.
EMC CLASSIFICATION
This Class A machine is not intended to be used on a residential site where the electric current is supplied by the domestic low-voltage power grid. There may be potential difficulties in ensuring electromagnetic compatibility at these sites, due to conducted interferences as well as radiation.
IEC 61000-3-12
This equipment complies with IEC 61000-3-12, providing that the power of the short-circuit Ssc is equal to or greater than 2.46 MVA at the interface between the machine and the mains power network. It is the responsibility of the installer or user of the equipment to ensure if necessary by consulting the operator of the mains electricity, that the equipment is only connected to a power supply where the power of short-circuit ssc is equal to or greater than 2.46 MVA.
IEC 61000-3-11
This equipment complies with IEC 61000-3-11 if the power supply network’s impedance at the electrical installation’s connection point is inferior to the network’s maximum admissible impedance Zmax = 0.14 Ohms.
ELECTROMAGNETIC INTERFERENCES
The electric currents flowing through a conductor cause electrical and magnetic fields (EMF). The welding current generates an EMF around the welding circuit and the welding equipment.
The EMF electromagnetic fields can interfere with certain medical implants, such as pacemakers. Protection measures must be taken for people having medical implants. For example, access restrictions for passers-by or an individual risk evaluation for the welders.
Each welder must follow the procedures below in order to minimize exposure to electromagnetic generated by the welding circuit:
- position the welding cables together – strap them if possible;
- keep your head and top half of the body as far from the welding circuit as possible;
- never enroll the cables around your body;
- never position your body between the welding cables. Hold both welding cables on the same side of your body;
- connect the earth clamp as close as possible to the area being welded;
- do not work too close to, do not lean, and do not sit on the welding machine
- do not weld when you’re carrying the welding machine or its wire feeder.
People wearing pacemakers are advised to consult their doctor before using this device. Exposure to electromagnetic fields while welding may have other health effects which are not yet identified.
RECOMMENDATIONS FOR EVALUATING THE WELDING AREA AND INSTALLATION
Miscellaneous
The user is responsible for the correct installation and usage of the welding material based on the instructions supplied by the manufacturer. If electromagnetic disturbances are detected, it is the user’s responsibility to resolve the situation with the manufacturer’s technical assistance. In some cases, this corrective action may be as simple as earthing the welding circuit. In other cases, it may be necessary to construct an electromagnetic shield around the welding power source and around the entire piece by fitting input filters. In all cases, electromagnetic interferences must be reduced until they are no longer inconvenient.
Welding area assessment
Before installing the machine, the user must evaluate the possible electromagnetic problems that may arise in the area where the installation is planned. The following must be taken into account:
a) the presence (above, below, and next to the arc welding machine) of other power cables, remote cables, and telephone cables;
b) television transmitters and receivers;
c) computers and other hardware;
d) critical safety equipment such as industrial machine protections;
e) the health and safety of the people in the area such as people with pacemakers or hearing aids;
f) calibration and measuring equipment;
g) the isolation of other pieces of equipment which are in the same area. The user has to ensure that the devices and pieces of equipment used in the same area are compatible with each other. This may require extra precautions;
h) the time of day during the welding or other activities have to be performed.
The surface of the area to be considered around the device depends on the building’s structure and other activities that take place there. The area taken into consideration can be larger than the limits of the installations.
Review of the welding installation
Reviewing the welding installations can be useful to determine and resolve any case of electrical disturbances. The assessment of emissions must include in situ measurements as specified in Article 10 of CISPR 11: 2009. In situ measurements can also be used to confirm the effectiveness of mitigation measures.
RECOMMANDATIONS SUR LES METHODES DE REDUCTION DES EMISSIONS ELECTROMAGNETIQUES
a. National power grid: The arc welding machine must be connected to the national power grid in accordance with the manufacturer’s recommendation. In case of interferences, it may be necessary to take additional precautions such as filtering of the power supply network. Consideration should be given to shielding the power supply cable in a metal conduit or equivalent of permanently installed arc welding equipment. It is necessary to ensure the electrical continuity of the shielding along its entire length. The shielding should be connected to the welding current’s source to ensure good electrical contact between the conduct and the casing of the welding current source.
b. Maintenance of the arc welding equipment: The arc welding machine should be subject to a routine maintenance check according to the recommendations of the manufacturer. All accesses, service doors and covers should be closed and properly locked when the arc welding equipment is on. The arc welding equipment must not be modified in any way, except for the changes and settings outlined in the manufacturer’s instructions.
c. Welding cables: Cables must be as short as possible, close to each other, and close to the ground, if not on the ground.
d. Equipotential bonding: consideration should be given to bonding all metal objects in the surrounding area. However, metal objects connected to the workpiece increase the risk of electric shock if the operator touches both these metal elements and the electrode. It is necessary to insulate the operator from such metal objects.
e. Earthing of the welded part: When the part is not earthed – due to electrical safety reasons or because of its size and its location (which is the case with ship hulls or metallic building structures), the earthing of the part can, in some cases but not systematically, reduce emissions It is preferable to avoid the earthing of parts that could increase the risk of injury to the users or damage other electrical equipment. If necessary, it is appropriate that the earthing of the part is done directly, but in some countries that do not allow such a direct connection, it is appropriate that the connection is made with a capacitor selected according to national regulations.
f. Protection and shielding: The selective protection and shielding of other cables and devices in the area can reduce perturbation issues. The protection of the entire welding area can be considered for specific situations.
TRANSPORT ET TRANSIT DE LA SOURCE DE COURANT DE SOUDAGE
The welding source is fitted with a handle to make it transportable by hand. Be careful not to underestimate the weight of the machine. The handle are not designed to be used to hang the machine to something else.
Do not use cables or torches to move the machine. ”
Do not place/carry the unit over people or objects.
EQUIPMENT INSTALLATION
· Power cables, extension leads and welding cables must be fully uncoiled to prevent overheating.
The manufacturer does not accept any liability in relation to damages caused to objects or harm caused to persons as the result of incorrect and/or dangerous use of the machine.
MAINTENANCE / RECOMMENDATIONS
![]()
- The operators must have received suitable training in order to use the machine at its maximum potential and weld correctly.
- Check which welding process is authorized by the manufacturer before attempting any vehicle repair.
- The maintenance and repair of the. Any work undertaken by a third party on the generator will invalidate the warranty. The manufacturer will not accept liability in the event of an incident that would occur after this work was undertaken.
- Ensure the machine is unplugged from the mains, and wait for two minutes before carrying out maintenance work. Inside, voltages and currents are high and dangerous. · All the welding tools will wear off with use. Ensure that these tools are clean to get the best results.
- Prior to using the clamp, check the condition of the electrodes/caps (regardless if they are round or flat). If that is not the case, clean them using sandpaper (thin grain) or replace them (see explanation on the machine).
- To ensure an efficient welding spot, it is necessary to replace the caps every 200 spots.
To do this:
– Remove the caps using the appropriate key (part no. 050846)
– Fit the caps and apply contact grease (part no.050440)
– Be careful to perfectly align the caps. If this is not the case, check that the electrodes are aligned. - Remove regularly the casing and any excess dust. Take this opportunity to have the electrical connections checked by a qualified person, with an insulated tool.
- Regularly review the condition of the power cable and welding connection cables. In case of visible signs of damage, organize for them to be replaced by the manufacturer or a qualified technician.
- Ensure the vents of the device are not blocked to allow adequate air circulation.
INSTALLATION PRODUCT OPERATION
DESCRIPTION
Thank you for your purchase! In order to make the most out of your device, please read what follows thoroughly: Portable Spot Welder with a microprocessor-controlled digital interface. The main settings that can be managed from the control panel are:
– Thickness of the metal sheets
– Welding time
– Welding with one pulse or with automatic multiple pulses
– Clamping force This machine is meant to weld standard mild steel metal sheets, up to a thickness of 2+2 mm.
POWER SUPPLY
The material is supplied with a 16A plug type CEE7/7 and must only be used on a single-phase electrical installation 230V (50-60 Hz) with 3 wires including one connected to the earth.
The permanent current absorbed (l1p or ILp) displayed in the section «technical specifications» of this manual relates to using at maximum power. Check that the power supply and its protection (fuse and/or circuit breaker) are compatible with the current needed by the machine. In some countries, it may be necessary to change the plug to allow the use at maximum settings.
Connect the power cable to a standard plug (2P + T: SINGLE PHASE 230V connection) with the right capacity and prepare a mains socket protected by fuses or an automatic magnetothermal switch; the ground terminal provided for this purpose must be connected to the earth conductor (yellow – green) of the power line.
Warnings
Before making any electrical connections, check that the data plate of the spot welder corresponds to the voltage and power frequency available on the installation site.
The Spot welding station must be connected exclusively to an electrical system with neutral earthed connection. To ensure protection against indirect contact, use differential switches of type A.
When connected to a public power network, the installer or user must verify the compatibility of the welding station.
If simultaneous use of several PORTASPOT 230 on the same electrical system, it is recommended to divide the phases in a balanced way. Example :
Power supply
| PORTASPOT 230 n°1 | PORTASPOT 230 n°2 | PORTASPOT 230 n°3 | PORTASPOT 230 n°4 | …etc |
| L1-N | L2-N | L3-N | L1-N | …etc |
DESCRIPTION OF THE PORTASPOT 230

1- Clamping force screw for the adjustment of the clamping force to the electrodes.
2- Handle position right / left.
3- Mobile welding arm.
4- Fixed welding arm.
5- Power cable.
6- Information Plate.
7- Welding trigger switch.
8- Handle for sheets’ tightening.
PERIODIC MAINTENANCE
To ensure that the machine’s performance is optimal, it is required to perform regular maintenance. Once a week if the machine is used daily, or once a month if the machine is used occasionally.
– Remove the arm, caps holders, and caps
– Brush scotch brite on the aluminum bores on the clamp and arms’ nuts and lubricate with Gel 452
– Brush the caps holders, then grease with Gel 452
– Reassemble and replace caps
SETTINGS
1- Welding time: This function allows you to adjust the welding time around the AUTO value set by the machine.
2- Sheet thickness: This function allows you to select the thickness of the sheet: 0.6 mm + 0.6 mm to 2 mm + 2 mm.
3- Welding mode:
: Multi pulse welding current. This selection improves the welding capacity on hard steels or on metal sheets with a special protective film. The pulse period is automatic and requires no adjustment.
———: Welding current with one impulse
IMPLEMENTATION
WARNING! ALL OPERATIONS/INSTALLATION AND ELECTRICAL CONNECTIONS MUST BE DONE WITH THE WELDING MACHINE TURNED OFF AND UNPLUGGED FROM THE MAINS/POWER SUPPLY. ELECTRICAL CONNECTIONS MUST ONLY BE PERFORMED BY A QUALIFIED EXPERT.
1.1 ASSEMBLY
Unpack the welding station and assemble the various parts contained in the package.
1.2 ENVIRONMENT
Organize an installation area with sufficient open space to ensure access to the control panel and the working area. Check the absence of obstacles in front of the air cooling input and output, and the absence of any risk of aspiration of conductive dust, corrosive gases, moisture, etc. Place the spot welding station on a flat, homogeneous and solid surface, it must be adapted to support the weight to avoid the dangers of knock overs or dangerous falls.
USE
2.1 PRELIMINARY ACTIONS
Before starting any welding operation, make a few verifications and checkups with the welding station off:
1- Check that the electrical connection has been performed according to the previous instructions.
2- Alignment and electrode force:
– Carefully block the lower electrode in the most suitable position for the task,
– Loosen the clamping force screw of the upper electrode to enable its movement into the slot on the arm,
– Insert a strut between the electrodes, it should be the same thickness as the metal sheet to punch,
– Close the lever until the electrode tips touch, without completely closing the clamping handle
– Block the upper electrode in the correct position by carefully tightening the screw,
– Adjust the force exerted by the electrodes with the adjustment screw. Tighten clockwise to increase strength in proportion to that the thickness of the sheet.
2.2 CONFIGURATION
- Select the thickness of the sheet to punch with the third button (. 3 – FIG A)
- Select the welding type (continuous or pulsed) using the first button (1 – FIG A.).
It is possible to correct welding time using the second button (. 2 – FIG A)2,0+2,0mm 1,5+1,5mm 1,2+1,2mm 1,0+1,0mm 0,8+0,8mm 0,6+0,6mm

2.3 WELDING PROCEDURE
After powering up your welding station, please follow the instructions below:
| 1 | Place the fixed welding arm on the sheet to punch. Action: · Positioning of the clamp prior to welding. | ![]() |
| 2 | Press the lever until you reach the micro switch. Action: · The sheets are closed between the electrodes · Current is passing through according to the preset parameters | ![]() |
| 3 | Keep the pressure on the lever a few moments before releasing. Action: · Improves the mechanical properties of the welding spot (forging). | ![]() |
WARNING! The spot welding station is protected by an earth connection. Perform welding only if the sheets to assemble are insulated from the earth! If not, immediately suspend the welding operation and have a specialist check the earth connection and the installation of the welding station. This must be done by a qualified person or an expert in the technical field.
2.4 DUTY CYCLE
| Spotting with simple impulsion in AUTO mode | Number of spots before first thermal protection activation | Number of spots between two thermal protection activations |
| 0.6 mm + 0.6 mm | 139 | 27 |
| 0.8 mm + 0.8 mm | 93 | 23 |
| 1 mm + 1 mm | 60 | 15 |
| 1.2 mm + 1.2 mm | 42 | 10 |
| 1.5 mm + 1.5 mm | 26 | 8 |
| 2 mm + 2 mm | 16 | 4 |
| Spotting with multiple impulsions in AUTO mode | Number of spots before first thermal protection activation | Number of spots between two thermal protection activations |
| 0.6 mm + 0.6 mm | 50 | 12 |
| 0.8 mm + 0.8 mm | 37 | 9 |
| 1 mm + 1 mm | 30 | 8 |
| 1.2 mm + 1.2 mm | 24 | 7 |
| 1.5 mm + 1.5 mm | 19 | 5 |
| 2 mm + 2 mm | 11 | 3 |
Maximum welding rate without thermal activation at an ambient temperature of 20°C, when in simple impulsion in AUTO mode:
| Spotting with simple impulsion in AUTO mode | “Maximum welding rate without thermal protection activation – 20°C “ |
| 0.6 mm + 0.6 mm | 1 spot every 20 sec. |
| 0.8 mm + 0.8 mm | 1 spot every 25 sec. |
| 1 mm + 1 mm | 1 spot every 30 sec. |
| 1.2 mm + 1.2 mm | 1 spot every 45 sec. |
| 1.5 mm + 1.5 mm | 1 spot every 1 min 10 sec. |
| 2 mm + 2 mm | 1 spot every 2 min 10 sec. |
ANOMALIES, CAUSES, SOLUTIONS
The welding spot does not hold:
– The power supply is faulty (low voltage, inadequate extension, faulty electrical outlet)
– Welding parameters (strength and diameter of the electrodes, welding time) are not suitable for the task being performed.
– Elements that are part of the secondary circuit (carrier arm/arm/electrode holder) are ineffective because of loose or oxidized screws.
PX ARMS TECHNICAL SPECIFICATIONS
| Arm | Clamping force (daN) | Welding intensity (A) | |
| minimum | maximum | ||
| PX1 | 30 | 120 | 6300 |
| PX2 | 25 | 80 | 6050 |
| PX3 | 25 | 80 | 6050 |
| PX4 | 15 | 50 | 5800 |
| PX5 | 30 | 120 | 6300 |
PRODUCT SPECIFICATIONS
| CARACTÉRISTIQUES ÉLECTRIQUES | |
| rated power supply voltage | 1 ~ 230 V |
| Frequency | 50/60 Hz |
| rated no-load voltage | 2.45 V |
| Permanent power USP | 1.25 kVA |
| Permanent supply current I1p | 5.3 A |
| The maximal current of a permanent primary short circuit I1cc | 67 A |
| The maximal current of a second short circuit I2cc | 6300 A |
| Permanent secondary current I2p | 500 A |
| Type of welding current | |
| THERMAL SPECIFICATIONS | |
| Operating ambient temperature | De + 5°C à + 40°C |
| Storage and transport operating ambient | De -25°C à +55°C |
| MECANICAL SPECIFICATIONS | |
| Fmax maximum welding force | 120 daN (270 lbf) |
| Protection rating | IP 20 |
| Dimensions | Without arms : L : 36 cm x l : 10 cm x h : 29cm L : 14.2 in x l : 3.9 in x h : 11.4 in |
| Weight | 10 kg |
| Range of distance of the arms e | 90 mm (3.5 in) |
| Range of length of the arms l | De 110 mm à 350 mm |
| F1min minimum welding force | 30 daN (67 lbf) |
WARRANTY
The warranty covers faulty workmanship for 2 years from the date of purchase (parts and labour).
The warranty does not cover:
- Transit damage.
- Normal wear of parts (eg. : cables, clamps, etc..).
- Damages due to misuse (power supply error, dropping of equipment, disassembling).
- Environment-related failures (pollution, rust, dust).
In case of failure, return the unit to your distributor together with:
– The proof of purchase (receipt etc …)
– A description of the fault reported
ASSEMBLY INSTRUCTIONS

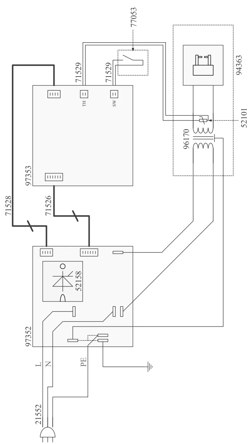
CIRCUIT DIAGRAM
SYMBOLS
| – Caution! Read the user manual. | |
| – Alternating welding current | |
| A | Amps |
| V | Volt |
| Hz | Hertz |
| U1N | Rated power supply voltage |
| Sp | Permanent power (at a 100% duty cycle) |
| U20 | Alternative no-load voltage |
| I2CC | The maximal current of a second short circuit |
| I2P | Permanent current to secondary |
| e | Range of distance of the arms |
| l | Range of length of the arms |
| Fmax | Maximum welding force |
| Fmin | Minimum welding force |
| m | Mass of the machine |
| The device complies with European directives, The EU declaration of conformity is available on our website (see cover page). | |
| – Equipment in conformity with Moroccan standards. The declaration Cم (CMIM) of conformity is available on our website (see cover page). | |
| – Equipment in compliance with British requirements. The British Declaration of Conformity is available on our website (see home page). |
| – Conformity mark EAC (Eurasian Economic Commission). | |
| – The electric arc produces dangerous rays for eyes and skin (protect yourself !). | |
| ISO 669:2016 | – This welding machine is compliant with standard IEC62135-1 et EN ISO 669. |
| – Separate collection required, Do not throw in a domestic dustbin. | |
| – This product should be recycled appropriately. | |
| – Temperature information (thermal protection) | |
| – Warning, hot surface. | |
| – Warning, dangerous voltage | |
| – The safety disconnection device is a combination of the power socket in coordination with the electrical installation. The user has to make sure that the plug can be reached. |
SAS GYS
1, rue de la Croix des Landes
CS 54159
53941 SAINT-BERTHEVIN Cedex






















