VICTROLA VPM-254 M1 Monitors

OVERVIEW

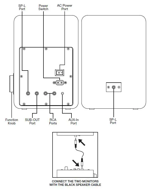
QUICK START GUIDE

SIMPLE SETUP
BASIC OPERATION
With the master power switch in the ON position press and hold the Function Button for 1-2 seconds to power on the monitors. Press the Function Knob to cycle through the following playing modes:
BLUETOOTH:
Connecting and playing music from a Bluetooth device (smartphone).
ANALOG (AUX-IN / RCA-IN):
Connecting and playing music from external devices (turntables, computers, and more)
WIRED CONNECTION
|
R RCA L | RCA OUTPUT: Use an RCA audio cable to connect a turntable or other stereo device with an RCA output. |
![]() AUX-IN | AUX-IN: Use an AUX cable (included) to connect a turntable, smartphone, or other device with an AUX OUT port. |
![]()
SUB-OUT | SUB-OUT: If you have purchased an S1 Subwoofer (sold separately), use the subwoofer Y cable included in the S1 by connecting the single RCA end of the subwoofer cable into the SUB-OUT on the M1 Monitors and connect the split RCA end to the RCA IN ports on the S1 Subwoofer. Note: Alternatively, a single RCA subwoofer cable (sold separately) can be used to connect to the single SUB-IN port on the S1. |
BLUE TOOTH PAIRING
BLUETOOTH:
Connecting and playing music from a Bluetooth device (Smartphone). Turn the unit ON. Simply press the Function Knob to make sure it is in Bluetooth mode (the LED will flash blue). On your device, turn Bluetooth ON. Then search for / select “M1 Monitors” in the settings menu. (Once connected to the M1 Monitors, The Dial will Turn a Steady Blue) Once a device is paired, it will automatically connect each time you enter Bluetooth mode if it is nearby.
Note: -Make sure the unit is within 10m (33ft) from your external device for the strongest connection.
SPEAKER GRILL REMOVAL
SPEAKER GRILL:
To detach the magnetic speaker grill from the Monitors, simply hold the corners of the grills and slide it off from the Monitor. The grill can easily be put back on by matching the corners of the grill to the Monitors and letting the magnets snap into place.

SPECIFICATIONS
GENERAL
- Power Requirements AC 100-240V~50/60HZ
- Power Consumption 60 W
- Speaker 2” Tweeter x2 +4” Woofer x2
- Dimensions (W x D x H) 156mm x 191mm x 228mm (approx)
- Weight 4.75 kgs
BLUETOOTH
- Bluetooth Version Bluetooth V5.0
- Bluetooth Problems A2DP, AVRCP
- Bluetooth Frequency range 2.402GHz-2.480GHz
- Operating Distance 10 meters (33 ft.)
INCLUDED
M1 Monitors, AUX Cable, RCA Cable, Power Cable, Instruction Manual, Quick Setup Guide
WARNING
Important Safety Instruction
- Read these instructions – All the safety and operating instructions should be read before this product is operated.
- Keep these instructions – The safety and operating instructions should be retained for future reference.
- Heed all warnings – All warnings on the appliance and in the operating instructions should be adhered to.
- Follow all instructions – All operating and use instructions should be followed.
- Do not use this apparatus near water – The appliance should not be used near water or moisture – for example, in a wet basement or near a swimming pool, and the like.
- Clean only with dry cloth.
- Do not block any ventilation openings. Install in accordance with the manufacture’s instructions.
- Do not install near any heat sources such as radiators, heat registers, stoves, or other apparatus (including amplifiers) that produce heat.
- Protect the power cord from being walked on or pinched particularly at the plugs, convenience receptacles, and at the point where they exit from the apparatus.
- Only use attachments/accessories specified by the manufacturer.
- Use only with the cart, stand, tripod, bracket, or table specified by the manufacturer, or sold with the apparatus. When a cart is used, use caution when moving the cart/apparatus
combination to avoid injury from tip-over. - Unplug the apparatus during lightning storms or when unused for long periods of time.
- Refer all servicing to qualified personnel. Servicing is required when the apparatus has been damaged in any way, such as power supply cord or plug is damaged, liquid has been spilled or objects have fallen into the apparatus has been exposed to rain or moisture, does not operate normally, or has been dropped.
- This lightning flash with arrowhead symbol within an equilateral triangle is intended to alert the user to the presence of non-insulated “dangerous voltage” within the product’s enclosure that may be of sufficient magnitude to constitute a risk of electric shock.
- Warning: To reduce the risk of electric shock, do not remove cover (or back) as there are no user-serviceable parts inside. Refer servicing to qualified personnel.
- The exclamation point within an equilateral triangle is intended to alert the user to the presence of important operating and maintenance instructions in the literature accompanying the appliance.
- This equipment is a Class II or double insulated electrical appliance. It has been designed in such a way that it does not require a safety connection to electrical earth.
- The mains plug is used as disconnect device, the disconnect device shall remain readily operable.
- WARNING: To reduce the risk of fire or electric shock, do not expose this apparatus to rain or moisture. The apparatus shall not be exposed to dripping or splashing and that no objects filled with liquids, such as vases, shall not be placed on apparatus.
- The use of the equipment in moderate climate.
- WARNING: Please refer the information on exterior bottom/back enclosure for electrical and safety information before installing or operating the apparatus.
- The ventilation should not be impeded by covering the ventilation openings with items such as newspaper, table-cloths, curtains etc.
- No naked flame sources, such as lighted candles, should be placed on the apparatus.
- Do not install this equipment in a confined space such as a book case or similar unit.
SAFETY INFO
Safety Information
- In order to shut off power to this product completely, unplug the power cord from the wall outlet. Be sure to unplug the unit if you do not intend to use it for an extended period of time, such as during a vacation.
- Use of controls, adjustments and performance of procedures other than those specified herein may result in hazardous radiation exposure.
- To prevent electric shock, match wide blade of plug to wide slot, fully insert.
- If this product is experience problems during operation, contact qualified service centers, and do not use the product in defective states.
Before Use
- Choose unit installation location carefully. Avoid placing it in direct sunlight or close to a source of heat. Also avoid locations subject to vibrations and excessive dust, cold or moisture. Keep away from sources that hum, such as transformers or motors.
- Do not open the cabinet as this may result in damage to the circuitry or electrical shock. If a foreign object should get into the set, contact Customer Service.
- Be sure not to handle record with dirty fingers. Never play a record that has a crack on the surface.
- When removing the power plug from the wall outlet, always pull directly on the plug, never pull the cord.
- To protect the stylus, don’t forget to put on the white protective needle cover after use.
- Do not attempt to clean the unit with chemical solvents as this might damage the finish. Use a clean, dry cloth.
- In order to shut off the power to this product completely, unplug the power cord from the wall outlet. Be sure to unplug the unit if you do not intend to use it for an extended period of time, such as a vacation.
- Keep this manual in a safe place for future reference.
FCC STATEMENT
This device complies with Part 15 of the FCC Rules. Operation is subject to the following two conditions: (1) This device may not cause harmful interference, and (2) this device must accept any interference received, including interference that may cause undesired operation.
NOTE: This equipment has been tested and found to comply with the limits for a Class B digital device, pursuant to Part 15 of the FCC Rules. These limits are designed to provide reasonable protection against harmful interference in a residential installation. This equipment generates uses and can radiate radio frequency energy and, if not installed and used in accordance with the instructions, may cause harmful interference to radio communications. However, there is no guarantee that interference will not occur in a particular installation. If this equipment does cause harmful interference to radio or television reception, which can be determined by turning the equipment off and on, the user is encouraged to try to correct the interference by one of the following measures:
- Reorient or relocate the receiving antenna.
- Increase the separation between the equipment and receiver.
- Connect the equipment into an outlet on a circuit different from that to which the receiver is connected.
- Consult the dealer or an experienced radio/TV technician for help.
WARNING: Any changes or modifications not expressly approved by the party responsible for compliance could void the user’s authority to operate this equipment.
The device must not be co-located or operating in conjunction with any other antenna or transmitter. To maintain compliance with the FCC’s RF exposure guidelines, place the product at least 20cm from nearby persons.
This device complies with RSS247 of Industry Canada. Cet appareil se conforme à RSS247 de Canada d’Industrie. This device complies with Industry Canada license-exempt RSS standard(s). Operation is subject to the following two conditions: (1) this device may not cause interference, and (2) this device must accept any interference, including interference that may cause undesired operation of the device appareils radio exempts de licence.
WARRANTY
Victrola is a registered trademark of Innovative Technology Electronics, LLC. United States
Victrola (Innovative Technology Electronics, LLC) warrants to the original retail purchaser that this product will be free from defective materials and workmanship for one (1) year from the date of purchase, subject to the limitations below. This warranty period is not extended if we replace the product. To obtain a replacement under the terms of this warranty, you must contact the dealer from which it was purchased with your original receipt. If assistance from the dealer from which it was purchased is impossible, you may contact our customer service for warranty assistance at victrola.com/contact. Except as limited below, if the product proves defective in either material or workmanship within one (1) year from the date of purchase, Victrola will replace the product at no charge. If the product model is no longer available and cannot be replaced with an identical model, Victrola will issue a merchandise credit for the purchase price to be redeemed at victrola.com.
Limitations:
- This limited warranty does not cover failure of the product arising, in whole or in part, from improper installation, storage, transportation, misuse, abuse, accident, neglect, mishandling,
unauthorized repair, modification, or wear from ordinary use or environmental deterioration. - This limited warranty does not cover cosmetic damage, including paint damage, or consequential damage to other components or premises which may result for any reason from the failure of the product.
- This limited warranty is null and void for products not used in accordance with Victrola’s instructions.
- This limited warranty terminates if the original retail purchaser sells o otherwise transfers this product.
- This limited warranty is null and void for defects or damage caused by installation or repair performed by any person or entity other than a Victrola authorized installer or dealer.
This warranty gives you specific legal rights, and you may also have other rights which vary from state to state, jurisdiction to jurisdiction or country to country. All express and implied warranties for the product, including but not limited to any implied warranties of merchantability and fitness for a particular purpose, are limited in time to the term of this warranty. Some states, jurisdictions or countries do not allow the exclusion of certain implied warranties or conditions, or limitations on how long an implied warranty or condition lasts, so this limitation may not apply to you. Victrola’s responsibility for malfunctions and defects in hardware is limited to replacement or repair as set forth in this warranty statement. Victrola does not accept liability for special, punitive, consequential or incidental damages or losses, whether direct or indirect, including without limitation, any liability for third party claims against you for damages or losses or for products not being available for use. The maximum liability for which Victrola may be responsible will be no more than the amount you paid for the product that is the subject of the claim. Some states, jurisdictions or countries do not allow the exclusion or limitation of special, indirect, incidental or consequential damages, so the above limitation or exclusion may not apply to you.
Canada and US Territories
The Warranty on this product shall comply with applicable law when sold to a consumer in Canada or a US Territory. To obtain any applicable warranty service, please contact the dealer from which you purchased the product, or the distributor that supplied the product, with your original receipt. If assistance from the dealer from which it was purchased is impossible, you may contact our customer service for warranty assistance at victrola.com/contact. If this product proves defective in either material or workmanship, Victrola will replace the product at no charge. If the product model is no longer available and cannot be repaired effectively or replaced with an identical model, Victrola at its sole option may replace the unit with a current model of equal or greater value.
Outside the U.S, Canada, and US Territories
The Warranty on this product shall comply with applicable law when sold to a consumer outside of the United States, Canada, and US Territories. To obtain any applicable warranty service, please contact the dealer from which you purchased the product, or the distributor that supplied the product, with your original receipt.





















