
EWE351PX-DWX5
EWE451PX-DWX5
ELECTRIC WATER HEATER
USER MANUAL
REV0

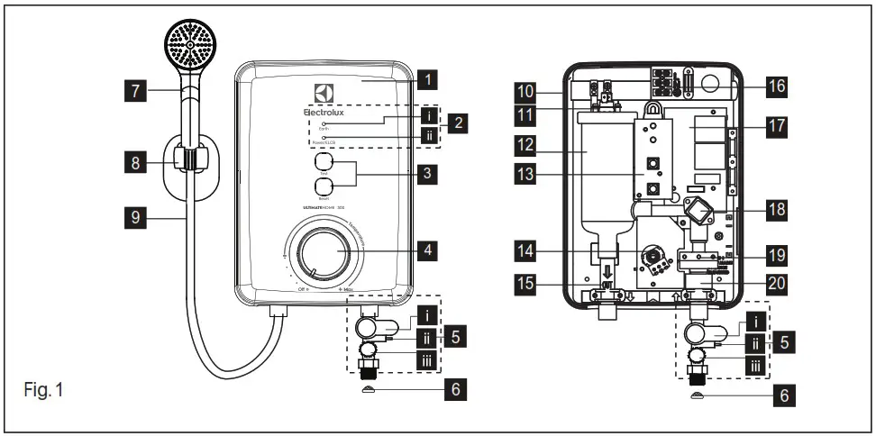
PARTS IDENTIFICATION

| 1. Front Cover 2. LED Indicators i) Earth LED Indicator ii) Power/ELCB LED Indicator 3. Test / Reset Button 4. Temperature Control Knob Valve Valve Lever 5. 3 in 1 Stop i) Stop ii) Flow Regulator Valve Adjustment iii) Built-in-Filter 6. Mesh Filter | 7. Handshower 8. Shower Bracket Holder 9. PVC Hose 10. Heater Base 11. Thermostat 12. Heater Tank 13. PCB Board (Test & Reset) 14. Main PCB Board 15. Water Outlet Connection 16. Terminal Block 17. ELCB Board | 18. TRIAC 19. Reed Switch Assy 20. Water Inlet Connection |
SAFETY INFORMATION
WARNING!
- Products manufactured by Electrolux are safe provided they are installed, used, and maintained in good working order in accordance with our instructions and recommendations. Always refer to this manual if you have any doubt.
- The Electric Water Heater must be earthed. Improper grounding could cause electrical shock.
- If any of the following conditions occur as shown below, immediately switch off the power supply and contact the Electrolux Consumer Care Center. Never attempt to repair the Electric Water Heater yourself:
• If the Electric Water Heater begins to make an odd noise, smell, or smoke.
• If ELCB trips and Electric Water Heater Indicator does not light up.
• Water temperature cannot be controlled.
• If the Electric Water Heater shows signs of a distinct change in performance.
• If water leaks from inside. - If the Red (POWER) Indicator does not go off when you turn off the water, switch OFF the mains supply and contact Electrolux Consumer Care Centre for repair service. Special skill is required for repairing. NEVER try to repair the unit by yourself.
- When the Electric Water Heater is used by someone such as child, elderly person, sick person, and physically handicapped person, the person concerned is kindly requested to pay attention and check the shower temperature by hand from time to time. User is advised to test and adjust the water temperature before using.
- During lightning/thunder, switch off the power supply to the Electric Water Heater in advance to protect the Electric Water Heater against possible damage.
- The earth continuity conductor of the electrical installation must be effectively connected to all exposed metal parts of other appliances and services in the room, which in the Electric Water Heater is to be installed to conform to local regulations and ensure proper earthing/grounding for ELCB to be effective.
- WARNING: Metallic / chromed hose and conductive control valve shall not be used.
NOTE: When removing the Electric Water Heater from package, a small amount of water may be found inside. This is normal as the Electric Water Heater is tested during manufacturing process.
CAUTION! - Installation must be carried out by a qualified personnel and in compliance local authority regulations.
- This Electric Water Heater must be permanently connected to the direct main line supply. A plug and socket is not recommended to be used.
- For the correct size of wire conductor corresponding to different electrical loadings, please refer to Table 1.
- This Electric Water Heater operates at a minimum water flow rate of 2.0 litre/min (2.2 ℓ/Min for 4.8kW & 2.5 ℓ/min for 6.0kW model only) and maximum working pressure of 6 bars. For direct connection from the water tank, the Electric Water Heater must have an installation minimum 1.0m below the water tank.
- The Electric Water Heater will not function if there is insufficient water flow (min 2.0 litre/min / 2.2 ℓ/Min for 4.8kW & 2.5 ℓ/min for 6.0kW model only) to trigger the flow switch.
- The built-in ELCB will automatically cut off the power supply in case there is a current leakage over 15mA.
- The thermostat will automatically cut off the power supply if it has sensed an abnormal rise in water temperature.
ELECTRIC WATER HEATER UNIT INSTALLATION

- Select a suitable position in the bathroom.
- Remove the screw (A) at the bottom of the Electric Water Heater. (Fig. 2)
- Remove the Front Cover from the bottom and then lift up the front cover.
- Mark 3 Screw points of the Heater Base on the wall. The Electric Water Heater position should be 1.5m above the bathroom floor. (Fig. 2)
- Open the Shower Holder cover, mark 2 screw point of the Shower Holder beside the Electric Water Heater.
- Use 6mm diameter drill and make the wall plug holes in depth of 34mm, for mount the Electric It is recommended that the top of the portion is in level the top Electric Water Heater. After screw, the Shower Holder put back the shower holder cover. Water Heater.
- Insert the wall plugs and mount the Electric Water Heater firmly in position with the screws provided.
PLUMBING PROCEDURE
CAUTION!
This Electric Water Heater is a single point system and the “Water Outlet” can only be fitted to the Hose and Handshower set provided. NO CONTROL VALVE OF FITTING CAN BE FITTED TO THE WATER OUTLET.
- Connect the 3 in 1 Stop Valve to the Water Inlet with washer. Use correct tools to tighten and be careful not to over-tighten and damage the plastic nut.
- Connect the incoming water piping to the 3-in-1 Stop Valve (1/2” BSP). Make sure to put the Mesh Filter between 3 in 1 Stop Valve and incoming water piping.
- If in any case, the 3 in 1 Stop Valve is not used or omitted, make sure to put the Mesh Filter between the Electric Water Heater inlet pipe and incoming water pipe.
- Turn on the water mains to drain out all plumbing dirts before connecting the water supply to the Electric Water Heater, the water supply to the Electric Water Heater must be free from mud and dirt.
Always KEEP the water supply to the Electric Water Heater free from mud and dirt at all time during usage.
IMPORTANT
THE HEATER TANK MUST BE FILLED UP WITH WATER BEFORE TURNING ON THE POWER SUPPLY TO PREVENT ANY DRY BURNT DAMAGE TO THE HEATING ELEMENT. - Connect the Hose and Handshower to the outlet of Electric Water Heater, be sure to put in the Washer in between the connection. (Fig. 2)
- Hook the Handshower to the Slider Rail Shower Holder and adjust to your ideal position.
- Check if any water leakage.
- Do not use sealing tape during piping installation.
WARNING! - THE WATER INLET AND OUTLET MUST BE INSTALLED CORRECTLY, OTHERWISE ELECTRIC WATER HEATER WILL NOT FUNCTION.
- DO NOT APPLY PLUMBING CEMENT ON CONNECTION. WHENEVER NECESSARY, USE ONLY THREAD OR SEALING TAPE.
ELECTRICAL INSTALLATION
WARNING!
- This Electric Water Heater must be earthed. Improper grounding could cause electrical shock.
- Remember to SWITCH OFF the power supply before carrying out any electrical work.
- Refer to TABLE 1 for the correct cable size.
- Use double insulation cable of over 2.5mm² for 2.4kW, 3.5kW 3.8kW, 4.5kW 4.8kW models and 4mm² for 3.6kW and 6.0kW model.
- Lead the power cable from MCB to a “ON/OFF’’ double pole Linked Switch having a contact separation of at least 3mm in all poles outside the bathroom, then lead a cable to the terminal block inside the Electric Water Heater. (Fig. 4)
PROCEDURE : - Insert the wall embedded cable through Side Entry ‘A’ by cutting a hole at the source cord rubber holder and lead the cable to Cable Bracket ‘B’. (Fig. 6)
- Connect the cable as following: (Fig. 5)
BROWN or RED –LINE (L)
BLUE or BLACK –NEUTRAL (N)
GREEN or GREEN/YELLOW –EARTH (
) - Clamp the cable to the correct position.
Technician need to confirm the wire before installation.
CHECK IF THE WIRING CONNECTION IS CORRECT and replace the cover. - When putting back the Front Cover, please take note of the procedure shown below : -Ensure the position is correct, turn the Temperature Control Knob Insert to OFF position as shown in Fig.A (At the Heater Base) -Install the Front Cover,turn the Temperature Control Knob to OFF position to align with the VR shaft as shown in Fig.B (At the Front Cover)
- Fix the Temperature Control Knob and screw ‘A’ (Fig. 2).
ELECTRICAL INSTALLATION (CONT’D)

METHOD OF ALIGNMENT WHEN REPLACING FRONT COVER

TABLE 1 – CABLE SIZE TABLE
| Voltage (AC) | Power (kW) | Current (A) | Conductor Size (csa) | On/ Off Switch (A) | Fuse / MCB (A) | ||
| mm2 | Conduit Cable | Flexible Cable | |||||
| 220V – 50/60 Hz | 2. | 11. | 3. | 7 / 0.67mm | 50 / 0.25 mm | 20 | 20 |
| 4. | 16. | 3. | 7 / 0.67mm | 50 / 0.25 mm | 20 | 20 | |
| 4. | 17. | 3. | 7 / 0.67mm | 50 / 0.25 mm | 20 | 20 | |
| 5. | 21. | 3. | 7 / 0.67mm | 50 / 0.25 mm | 32 | 32 | |
| 5. | 22. | 3. | 7 / 0.67mm | 50 / 0.25 mm | 32 | 32 | |
| 6.0 | 27. | 4.0 | 7 / 0.85mm | 56 / 0.30 mm | 32 | 32 | |
| 240V – 50/60 Hz (Malaysia Model) | 4. | 15.0 | 4.0 | 7 / 0.85mm | 56 / 0.30 mm | 20 | 20 |
TEST RUN
- Turn on the water supply and 3 in 1 Stop Valve, the water will flow through the Handshower.
- Switch on the power supply. The 3 LED Indicator light shall run ON/OFF 3 times in sequences to indicate the set are self checking.
If the Electric Water Heater is not earthed properly, the Earth Led indicator light will OFF, during usage or standby. Earth Led indicator light also OFF if Line & Neutral reverse connection. - Turn the Temperature Control Knob to ‘ON’, the Red indicator light (HEATER POWER) will turn on, (ELCB/Power Led indication are combine Led indicator light- ELCB is GREEN & Power is RED) hot water will flow out within a few seconds. The more Temperature Control Knob being turned in clockwise direction, the hotter is the water.
- The Electric Water Heater might not be hot enough even at the ‘MAX’ position if incoming water supply from the mains is too cold or the pressure of water is too high. In this case, you may adjust the 3 in 1 Stop Valve to reduce the water inflow in order to get the desired showering temperature. (Recommended flow rate of below 6litre/min)
- Check the Built-in ELCB as following: – Press the “TEST” Button, the Built-in ELCB should trip and cut off the power supply, ELCB and Power Indicators should light off. -Press the “RESET” Button, the 3 LED Indicator light shall run ON/OFF 3 times in sequences to indicate self checking as in 7.2 above and the Electric Water Heater should resume normal function, the Green LED Indicator should light on. If procedures stated above prevailed, the ELCB is functioning in normal condition.
- Move the Handshower to the desired angle. A ratchet mechanism in the Shower Holder will hold the Handshower in selected position.
- It is unnecessary to turn the Temperature Control Knob to “OFF” position when the Instant Hot Shower is not in use.
- Switch OFF the power supply after shower.
HANDSHOWER SPRAY

Clean the Handshower Head holes by using the soft brush from time to time.
(Recommended once a week)
Note: Take care not to damage the holes of the Handshower Head during cleaning.
MAINTENANCE
Read the section ‘ SAFETY INFORMATION ’ first.
- TEST THE ‘ELCB’ REGULARLY (This procedure is highly recommended test at least once a month) Turn on the power supply and water supply , both
Red (HEATER) and Green (ELCB) Indicators will light up if the Temperature Control Knob is in ‘ON’ position. Press the ELCB Test Button, both HEATER and ELCB Indicators should go off. Press the Reset Button to resume the power supply. - CLEAN THE FILTER REGULARLY Clean the Mesh Filter regularly to prevent blockage (Fig. 8) . Remove the Built-in Filter by turning its cap anticlockwise. Whenever need flush the internal stainer with water to remove any trapped sediments. Whenever fixing back the Built-In Filter, beware of the alignment of Internal Strainer. Use the protruded guideline within Stop Valve to position the Internal Strainer. WARNING!
- If the Red (POWER) Indicator does not go off when you press the ELCB Test Button, switch OFF the mains supply and contact Electrolux Consumer Care Centre for repair service. Special skill is required for repairing. NEVER try to repair the unit by yourself.
- CLEANING PRECAUTION !
Do not use thinner,alcohol,petrol or any other organic solutions to clean the set. Use only damped cloth with mild detergent.
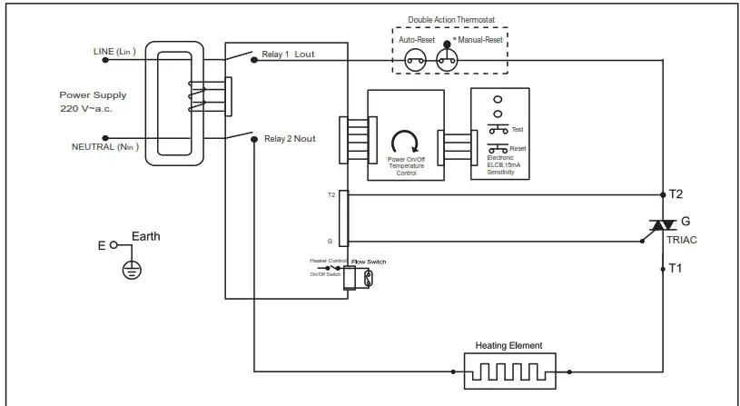
WIRING DIAGRAM
WIRING DIAGRAM -WITH ELCB, NO PUMP DPDT MODEL

* Thermostat Manual Reset (90° C Thermostat)
For Models rated 4.8kW and below, thermostat is manually resetable.
For models rated 6.0kW and above, thermostat needed to be replaced once permanently tripped.
ELECTRICAL SPECIFICATION
| TYPE | ELECTRONIC POWER CONTROL |
| ELECTRICAL LOADING | 3.5kW 15.9A 220V a.c. 50/60Hz |
| 4.5kW 20.5A 220V a.c. 50/60Hz | |
| Min. WATER FLOW RATE | 2 Litre / min |
| Min. INLET WATER PRESSURE | 0.1 Bar (10 kPa ; 1.45 psi) |
| Max. INLET WATER PRESSURE | 6.0 Bar (0.6 MPa ; 87.02 psi) |
| WATER CONNECTION | 1/2″ BSP SINGLE POINT SYSTEM |
| DIMENSIONS | 189 (W) X 270 (H) X 102 (T) mm |
| NETT WEIGHT | 1.3 kg |
Note: The specification, actual product’s cosmetic design and accessories parts shown are correct at the time of printing and may be subjected to change without prior notice.
WE’RE THINKING OF YOU
Thank you for purchasing an Electrolux appliance. You’ve chosen a product that brings with it decades of professional experience and innovation. In genious and stylish, it has been designed with you in mind. So whenever you use it, you can be safe in knowledge that you’ll get great results every time. Welcome to Electrolux.
Visit our website to:
Get usage advice, brochures, trouble shooter, service information: www.electrolux.co.th
Register your product for better service: https://www.electrolux.co.th/support/register-warranty/
Buy Accessories, Consumables and Original spare parts for your appliance: www.electrolux.com/shop
CONSUMER CARE AND SERVICE
We recommend the use of original spare parts.
When contacting Service, ensure that you have the following data available.
The information can be found on the rating plate. Model, PNC, Serial Number. (Right side of unit).
CONSUMER CARE AND SERVICE
Warning/ Caution-Safety information.
General information and tips.
Environmental information.
Subject to change without notice.
CONSUMER CARE
Indonesia
Hotline service: 08041119999
PT. Electrolux Indonesia
Electrolux Building
Jl.Abdul Muis No.34, Petojo Selatan, Gambir Jakarta Pusat 10160 Email:[email protected] & WA : 0812.8088.8863
Malaysia
Consumer Care Center Tel: 1300-88-11-22 Electrolux Home Appliances Sdn. Bhd.
Corporate Office Address: Unit T2-7, 7th Floor, Tower 2 , Jaya33 Hyperoffice, No. 3, Jalan Semangat, Seksyen 13, 46100 Petaling Jaya, Selangor Office Tel : (+60 3) 7843 5999 Office Fax : (+60 3) 7955 5511 Consumer Care Center Address: Lot C6, No. 28,
Jalan 15/22, Taman Perindustrain Tiong Nam,
40200 Shah Alam, Selangor
Consumer Care Center Fax : (+60 3) 5524 2521
Email : [email protected]
Philippines
Consumer Care Center Toll Free : 1-800-10-845-CARE 2273 Consumer Care Hotline : (+63 2) 845 CARE 2273 Electrolux Philippines, Inc. 10th Floor. W5th Avenue Building 5th Avenue Corner 32nd Street nifacio Global City,Taguig Philippines 1634 Trunkline: +63 2 737- 4756
Website : www.electrolux.com.ph
Email : [email protected]
Singapore
Consumer Care Center Tel: (+65) 6727 3699
Electrolux S.E.A. Pte Ltd. 1 Fusionopolis Place, #07-10 Galaxis, West Lobby Singapore 138522. ffice Fax : (+65) 6727 3611
Email: [email protected]
Thailand
Consumer Care Tel : (+66 2) 725 9000 Electrolux Thailand Co., Ltd.
Electrolux Building 14th Floor 1910 New Phetchaburi Road, Bangkapi, Huai Khwang, Bangkok 10310 Office Tel : (+66 2) 7259100 Office Fax : (+66 2) 7259299
Email : [email protected]
Vietnam
Consumer Care Center Toll Free : 1800-58-88-99 Tel : (+84 8) 3910 5465
Electrolux Vietnam Ltd.
Floor 9th, A&B Tower 76 Le Lai street – Ben Thanh Ward – District 1 Ho Chi Minh City ,Vietnam Office Tel : (+84 8) 3910 5465 Office Fax : (+84 8) 3910 5470
Email :
Hongkong
Tel: (+852) 8203 0298 Dah Chong Hong, Ltd. – Service Centre 8/F., Yee Lim Godown Block C 2-28 Kwai Lok Street, Kwai Chung, N.T.












![Electrolux Electric Water Heater User Manual [ewe361la-dax4, Ewe361lx-dax4, Ewe361lb-dax4] Electrolux Electric Water Heater User Manual [ewe361la-dax4, Ewe361lx-dax4, Ewe361lb-dax4]](https://static-data1.manualsee.com/1/img/113/71484/2021/02/Electrolux-Electric-Water-Heater-User-Manual-EWE361LA-DAX4-EWE361LX-DAX4-EWE361LB-DAX4.jpg)






