JOCEL JSR013965 Clothes Dryer

WARNING
The items indicated here are very important safety precautions, which must be followed. Any failure and losses caused by ignoring the above mentioned items and cautions mentioned in the operation and installation instruction are not covered by our warranty and any liability. The appliance can be used by children aged from 8 years and above and persons with reduced physical, sensory or mental capabilities or lack of experience and knowledge if they have been given supervision or instruction concerning use of the appliance in a safe way and understand the hazards involved. Children shall not play with the appliance. Cleaning and user maintenance shall not be made by children without supervision. Children of less than 3 years should be kept away unless continuously supervised. The rear surface of appliance shall be placed against a wall. The rear surface of appliance shall be placed against a wall.
Possible electric shocks
Disassembly repair or modification can’t be carried out by people other than professional maintenance staff. The household electrical supply system (the current ,the voltage the cable such as a fuse with the specifications and safety details provided refer to normal loadoperation The power plug must be connected to a three-core socket with an earth wire and is grounded properly and reliably. If the supply cord is damaged ,it must be replaced by the manufacturer ,its service agent orsimilarly qualified persons in order to avoid a hazard. Don’t disconnect the power plug by pulling the supply cord .Hold the power plug with your hand. Don’t use the supply cord when connection of the power plug and the supply cord is loose. Don’t touch the power plug with wet hands .Wipe dust or water drops over the power plug off
with dry cloth. Don’t over-bend the supply cord or put it under heavy weight. Don’t use the supply cord /socket /power plug if it is damaged or broken .
Possible Explosions

- Don’t put combustible liquid such as gasoline petrol.
- Don’t connect/ disconnect the power plug when leakage of gas or other combustible gas occurs
Fire accidents/ short circuit or electric leakage may occur

- Electric leakage may occur heat sources on the appliance to damp or rainfall as water the appliance and / or cause sunshine, lest the become aged cleaning it excessive drying.
- Do not use the appliance like these items accumulate heat ensure you run an extra rinse cycle prior to loading the laundry into the tumble dryer. such as cooking oil, acetone, alcohol, petrol, kerosene, emovers should be washed in hot water with an extra tumble dryer structed by carpets.
- Do not install the dryer in places under direct sunshine, lest the plastic components and rubber components become aged.
- Do not use water jets on the appliance when cleaning it
- In order to avoid danger of fires caused by excessive drying, do not use the appliance to dry the following items
- Cushions,quilts and the like (these items accumulate heat
- When using stain remover on your laundry, ensure you run an extra rinse cycle prior to loading the tumble dryer.
- Ensure all pockets are empty prior to loading laundry into the tumble dryer Items that have been soiled with substances such as cooking oil, acetone, alcohol, petrol, kerosene, removers should be washed in hot water with an extra he tumble dryer structed by carpets.
- Ensure the openings in the base are not obstructed by carpest.
- The hot air discharge from the dryer cannot be shared with other exhaust passages from devices that burn gases or other fuels.
- In the appliance enclosure or in the built-in structure, keep ventilation openings clear of obstruction.
- Do not damage the refrigerant circuit.
Warning
Never stop a tumble dry before the end of the drying cycle unless all items are quickly removed and spread out so that the heat is dissipated. The appliance must not be supplied through an external switching device, such as a timer, or connected to a circuit that is regularly switched on and off by a utility.
A Personal injury may occur
This appliance is not intended for use by persons including children with reduced physical, sensory or mental capabilities, or lack of experience and knowledge, unless they have been given supervision or instruction concerning use of the appliance by a person responsible for their safety. To avoid danger to children, ensure all packaging is disposed of safely. Ensure children under 3 years of age are supervised. Wait until the drum has stopped completely prior to removing laundryy from the dryer. Children and pets should be kept away when the dryer is working to ensure they do not become trapped. Always check the drum carefully before closing the door.
Other instructions
- This appliance is designed for domestic use.lt must not be used for purposes other than those for which it was designed.
- Only wash fabrics which are designed to be machine dried.
- Follow the instruction on each garment label.
- Any electrical work required to install this appliance should be carried out by a qualified electrician or competent person.
- If the machine is situated on a carpeted floor,.please adjust the feet in order to allow air to circulate freely under the appliance.
- Do not climb onto the dryer or rest heavy objects/ heating devices or items with water or liquid leakage on the dryer ,lest deformation of the face panel and the plastic component occur.
- Any objects such as coins ,safety pins,nails ,Screws,stones or any other hard ,sharp material can cause extensive damage and must not be placed into the machine. After having installed the appliance ,check that it is not pressing or standing on its electrical supply cable,or vent hose.
- Items such as foam rubber (latex foam), shower caps,waterproof textiles ,rubber backed articles and clothes or pillows fitted with foam rubber pads should not be dried in the tumble dryer.
- Always unplug the appliance after use ,clean and maintenance.
- Do not overload the appliance.
- Clothes which are dripping wet should not be places in the dryer.
- Garments which have been in contact with volatile petroleum products should not be machine dried.lf volatile cleaning fluids are used ,care should from the garment before placing in the machine.
- Never use the tumble dryer if the power supply cable ,the control panel the working surface or the base are damaged so that the inside of the tumble dryer is accessible.
- The tumble dryer is not be used if industrial chemicals have been used for cleaning. he lint must not to be allowed to accumulate around the tumble dryer.
- Do not dry unwashed items in the tumble dryer. Fabric softeners or similar products should be used as specified by the fabric softener instructions.
- Ine Tinal pat or a tumble aryer cycle occurs witnout neat (cool down cycle) to ensure that the items are left at a temperature that ensures that the items will not be damaged that exhaust air must not be discharged into a flue which is used for exhausting fumes from appliances burning gas or other fuels.
- That the appliance must not be installed behind a lockable door,a sliding door or a door with a hinge on the opposite side to hat of the tumble dryer in sucha way that a full opening of the tumble dryer door is restricted. taken to ensure that the fluid is removed Machine must be placed in a clean placenowae laced on a firm level surface vibration and noise to a minimum when the dryer is in use ,it should be placed on a firm ,level surface.
- If the tumble dryer is not completely leveled ,need to adjust the front feet up :to lower the dryer by turning anti clockwise and to ascend it by turning clockwise till the appliance will not shake.
- Adequate ventilation has to be provided to avoid the back flow of gases into the room from appliances burning other fuels, including open fires.
- Items that have been soiled with substances such as cooking oil, acetone, alcohol, petrol, kerosene, spot removers, turpentine, waxes and wax removers should be washed in hot water with an extra amount of detergent before being dried in the tumble dryer.
- Remove all objects from pockets such as lighters and matches.
- Oil affected items can ignite spontaneously, especially when exposed to heat sources such as in a tumble dryer.
- The items become warm, causing an oxidation reaction in the oil.
- Oxidation creates heat.
- If the heat cannot escape, the items can become hot enough to catch fire.
- Piling, tacking or storing oil affected items can prevent heat from escaping and so create a fire hazard.
- If it is unavoidable that fabrics that contain vegetable or cooking oil or have been contaminated by hair care products be placed in a tumble dryer they should first be washed in hot water with extra detergent- this will reduce, but not eliminate, the hazard.
- Contains fluorinated greenhouse gases covered by the Kyoto Protocol.
- Hermetically sealed system. Do not vent gases into the atmosphere.
- Refrigerant(Type): R-134a(GWP=1430)
- If the supply cord is damaged, it must be replaced by the manufacturer, its service agent or Similarly qualified persons in order to avoid a hazard.
- The tumble dryer is not to be used if industrial chemicals have been used for cleaning Lint must not to be allowed to accumulate around the tumble dryer.
- Do not dry unwashed items in the tumble dryer. Items such as foam rubber (latex foam), shower caps, waterproof textiles, rubber backed articles and clothes or pillows fitted with foam rubber pads should not be dried in the tumble dryer.
- Fabric softeners, or similar products, should be used as specified by the fabric softener instructions.
- The appliance must not be installed behind a lockable door, a sliding door or a door with a hinge on the opposite side to that of the tumble dryer, in such a way that a full opening of the tumble dryer door is restricted.
- This appliance is not intended for use by persons (including children) with reduced physical, sensory or mental capabilities, or lack of experience and knowledge, unless they have been given supervision or instruction concerning use of the appliance by a person responsible for their safety.
- Children should be supervised to ensure that they do not play with the appliance.


- Control Panel
- Water Tank
- Flufffilter
- Door
- Condenser cover
- Adjustment leg
First Use
Ensure that the electrical connections comply with the installation instructions. Remove the polystryrene block and any material from the drum. Before using your tumble dryer for the first time ,we recommend that you place a few damp cloths inside the appliance and dry for 30 minutes.There may be dust inside a brand new tumble dryer.
Daily Use
Connect the appliance

Open the door Place the laundry in the drum one item at a time shaking them out as much as possible. Close the door .Please check the laundry does not get caught between the door and filter.
Select the required programme

Turn the program selector dial to the required program .The Start/Pause light starts to flash. The program will be switched off if you have not pressed any button for 10 minutes.
Attention
Standard cotton program. The program is suitable to dry normal wet Cotton laundry and it is the most efficient program in terms of energy consumption for drying wet cotton laundry. Some thick clothes jeans, big towel. Because of the material characteristics, some place hard to dry. If you find that they are not completely dry at the end of the program. It is recommended to use the Time program to dry again.
Automatic controlled drying
You can choose different programme base on your different clothes materials. The device has the function with sensor the moisture in order to automatically adjust the drying time for optimal drying. This automatic control system is fit for most programme except Warm Air, Refresh and Time.
Time controlled drying
You can choose the time of drying according to the actual situation, the knob is turned to the Time, and you can also increase it to the desired time by pressing the Time button. To cancel a program which is running, turn the program selector dial to off. At the end of drying, turn the selector dial to off to switch the machine off before removing the laundry.
Depending on the programme, different functions can be combined. These must be selected after choosing the desired programme and before pressing the Startu/Pause button. When these buttons are pressed, the corresponding indicator lights come on. When they are pressed again, the indicator lights go out.
Select Buzzer
The buzzer can be selected during normal use. Press the Buzzer button to turn off the buzzer and corresponding light. Press once again to activate the buzzer and coresponding light. A sound will be emitted. The Buzzer key is pressing Anti Crease and Delay Start at the same time for 5second. When the buzzer is on,if you press the buzzer button once more, the buzzer will be switched off. Ant urease Delay Start Press for 3 9econds.
Select Dry level
Before you start the machine, you can choose the dry level. The dry level is divided into three grades. Heavy Strong Normal. This option is only suitable to the five programs: Standard, Cotton, Synthetic, Bulky Item, Towel.
Select Anti Crease
Anti crease is a default setting at the end of each programme. Longer Anti crease can be selected while the programme is in standby or running.
Select Delay start
This button allows you to delay the start of the programme by up to 24 hours (each time the button is pressed the time is increased by 1 hour. This option must be selected after setting the required programme and before pressing Start/Pause to commence drying. When Start /Pause is pressed, the corresponding indicator lights start to flash and countdown begins.

The countdown begins after you have pressed the Start/Pause button. The corresponding light illuminates when you have pressed this button. All indicator lights go out except Delay Start pilot light.
Display
The display shows the following information : After you have selected the program ,its duration in hours and minutes appears on the display. It is calculated automatically on the basis of the maximum load accepted for each type of fabric and of the reguired degree of drying when the program starts ,the remaining time is displayed every 1 minutes
Delayed Start
If you have selected a delay time by means of the relevant button ,the display shows it.The countdown is displayed hour by hour .Once you press the Start/Pause button ,the appliance will start the delayed process.lf you want to check the selected program .press the Delay Start button again.It shows the duration of the previously selected program.
Incorrect option selection
If you select an option that is not compatible with the program you have selected ,the display shows Ers (error). If you select other program because of incorrect operation while the program is running ,the display shows Ers (error).
Select Start/Pause
Select the required programme options and press the StaruPause button to commence drying. The dryer will pause after pressing the button again or opening the door while the programme is running. When the machine is suspended, Programme Selection Dial and other keys are invalid except Start/Pause, Anti Crease and Buzzer keys. To restart the programme, press the StaruPause button once again.
Indicator lights
- These lights indicate the following functions
- Drying light.
- This light indicates that the appliance is in the drying phase.
- Cooling light.
- This light indicates that the appliance is in the cooling phase.
- At the end ot drying, there is a two minutes cooling phase to cool the laundry.
- End of programme light this light is on at the end of the cooling phase.
- Anti creasing light this light is on when anti-creasing programme is selected.
- Filter light It comes on every cycle to remind you that the filter must be cleaned at the end of the programme.
- Child Lock light this light indicated the appliance is locked.
- Buzzer light this light is on when buzzer programme is selected.
- Delay Start light this light is on when delay start programme is selected.
- Dry Level light 2 22 these lights will be on when Dry Level function is selected.
- When you choose different drying intensities, the corresponding indicator light turns lank full light remind you to empty the water container.
Note
Empty the water container after each program to avoid the alarm when use in next time. t comes on arter eacn program and aiso when the water tank is full.
At the end of the programme
All drying programs end with 2 minutes cooling phase. If the laundry is not removed at the end of the cycle, the dryer performs an anti-creasing phase (duration:10 minutes maximum). If you dont remove the laundry, the machine will stop automatically at the end of the anti-creasing phase. The display shows End and the buzzer sounds if you have selected the buzzer. Turn the program selector dial to “off,all the lights go off.
Child Lock functions


When the machine is on, press Time and Dry level button for several seconds at the meantime, the system will lock all the buttons. Then all buttons are invalid except “off. If you want Time to make the appliance to return to the normal state,then press Time and Dry level button for several seconds meantime again. The function will be released in the following acess.
- Open the door during operation.
- Take out filter drawer during operation.
- Water tank full.
You can set again the Child Lock function when you restart the machine.
After each use
Important
If the drying program has to be stopped before it reaches the end, we recommend that you turn the program selector dial to position.Refresh and wait until the end of this cooling phase before removing the laundry.This will avoid a build up of heat inside the applianc To do this first turn the dial to off and then to Refresh and depress the Start button. Modifying the program To change a program which is running, first cancel it by turning the programme selector dial to off.Select the new program and press the “Start button.
Modifying the program
To change a program which is running, first cancel it by turning the programme selector dial to off .Select the new program and press the Start button.
Attention
According to for the dormant state; standby mode, 10 minutes later, without any operation, enter a dormant state. controller shows End, 10 minutes later,without any operation, enter a dormant state.
Before loading the laundry
Never tumble dry the following
- Particularly delicate items such as net curtains ,woolen ,silk, fabrics with metal trim nylon tights,bulky materials such as anoraks blankets, sleeping bags feather quilts and any items containing rubber foam or materials similar to rubber foam.
- Always follow the instructions on garment labels: may be tumble dried normal drying high temperature delicate drying low temperature do not tumble dry.
- Close pillowcases and covers with fasteners to prevent small laundry items getting tangled inside them.close press studs,zips hooks, tie belts , apron strings.sort laundry according to type and degree of drying required.
- Do not over-dry laundry,this avoids creasing and saves energy.
- Avoid drying dark clothes with light coloured fluffy items such as towels as they could attract fluff.
- The laundry must be thoroughly spun before tumble drying.
- Close pillowcases and covers with fasteners to prevent small laundry items getting tangled inside them.
- Close press stus,zips and hooks and tie belts and apron strings.
- Sort laundry according to type and degree of drying required.
- Easy care items,e.g.shirts,should be briefly pre-spun before drying.
- Knitted textiles knited underwear may shringk a little drying.
- Please do not over-dry items of this type lt is advisable to allow for shrinkage when choosing the size of new purchases.
- You can also put starched items into your dryer.
- However, to achieve the desired starched effect, choose the programme Iron dry.
- To remove any starch residues,wipe out the intemal drum after drying with a moist cloth and then rubit dry.
- To avoid a static charge when drying is completed use either a fabic softener when you are washing the laundry or a fabric conditioner specifically for tumble dryers.
- Remo ve the laundry when the dryer has finished drying.
- If individual it ems are still da mp after dryin g set a brief post drying time but at least 30 minutes.
- This will be necessary p art icularly for m ut ila yered items e.g. collars,pockets ,etc.
Make sure that no metal objects are left in the laundry (e.g. hair clips, safety pins, pins)
Button up pillowcases,dose zip fasteners,hooks and poppers .Tie any belts or long tapes. To avoid laundry becoming angled: Close zips,button up duvet covers a nd fe loose ties or ribbons e.g.of aprons. Tum items with double layered fabrics inside aut e.g with onlined anoraks ,the cotton layer should beauty most. These fabrics will the n dry better. Remove all objects from pockets such as lights matches.
Maximum loads
Recom mended loads are indicat ed in the prog ram ch arts General rules
- Coton linen drum full but not too tightly packed.
- Synthetics drum no mo re than haf full.
- Delicate fabrics and woollens drum no more than quarter full.
- Try to load the maxim um capacity of the machine as small load s are une conomical.
| Course | Max load | Description of programme |
| Standard | 8kg | Jeans,work clothes and so on. |
| Cotton | 8kg | Drying cotton clothes. |
| Synthetic | 4kg | Drying synthetic clothes. |
| Buiky Item | 8kg | Drying heavy clothes. |
| Towel
Wool | 4kg
2kg | Drying towels, bath toweIs and other small objects. Drying wool clothes. |
| Duve | 3kg | Dryin g down garments, duvets. |
| Baby Care Warm Air Refresh | 3kg 4kg 4kg | Drying baby cloth es. Warm the dotheswth lowtemperature and do not feel too cold l/\llen theyare put on. Remove Ire smell of clot res.This procedure doesnotapplyto clothes strict dry ingeffect |
| Time | 8kg | For silk items. |
| Under wear | 2kg | For men’s underpants, shirt. |
| Denim | 4kg | Drying jeans |
| Shirts | 2kg | Drying shiris. |
| Sportwear | 2kg | Drying sportswear |
Kind Notice for drying bathrobe and toweling towel.the max load don’t exceed 6kg.
Laundry weights
The following weights are indicative
| Bathrobe | 1600g | night dress | 265g |
| napkin | 130g | ladies’ briefs | 130g |
| quilt cover | 930g | men’s work shirt | 800g |
| sheet | 665g | men’s shirt | 265g |
| pillow case | 266g | men’s pyjamas | 130g |
| tablecloth | 330g | blouse | 665g |
| towelling towel | 265g | men’s underpants | 130g |
| tea cloth | 130g |
Care and cleaning
You must DISC ON NECT the appliance from the electricity supply before you can carry out any clean ing or main tena nce work. Don’t clean the dryer by directly spraying water o nto the dryer .Don’t clean the dryer w ith benze ne, th inner , alcohol pracetone .Othe rwise,it may cause discoloration ,defomation ,damage .electric shockorfire. When clea ning the produd, be sure to unp lug the power cord. Duming the drying cycle ,the control panel or the door may acumulate moisture.
Control Panel Clean
with a soft ,damp dothes. Do ot use abrasive substances. Don’t spray cleane rs directlyon the panel. The control panel ínish may be damag ed by some aundry pre-tre atment soil and stain re mover products. Apply such products a way from your dryer and wipe up any spillsoroverspray imme diately.
Drum
To clean the drum, use a damp cloth with a mild, non abrasive cleaner suitable. Remove the cleaner residue and dry with a clean cloth.
Cleaning the door
Clean periodically the interior part of the door to remove any fluff.Accurate cleaning ensures corect drying.
Dryer Exterior
The enter dryer has a high-gloss finish.Clean with a soft,damp cloth. Don’t use abrasive substances. Protect the surface from sharp objects as they may scratch or damage the finish. Don’t place any heavy or sharp objects or a detergent box on the dryer.Keep them on the purchased nedestal or in ate.
Cleaning the filter

Open the loading door. Remove the lint filter by putting it up and open the lint filter. Clean lint fibre and cotton raveling by hand or with a soft piece of clo Close the lint filter and place it back into its housing layer can build up on the filter pores that can cause clogging of the filter after using the dryer for a while Wash the lint filter with wam wat to remove the layer that builds up on the lint filter surface .Dry the lint filter completely before reinstalling it. The lint trap has to be cleaned frequently.
Warning
Always clean the lint filter and the inner surfaces of the loading door after each drying process.
Water container emptied


Water contain er c olle cts all of the wate rfrom cond en ser.Water contain er need to be e mptied after e very drying cycle.lf the water container is full, an active program me will bre ak off a utom atically. the light will com es on and the buzzer sounds. In order to continue the programme, the water container must first be emptied. Pull out water container.Tip water into pool iterank.Press the Start/ Pause button.Pull the water container in dryer.
Humidty sensor

In the movement process ,this device is used for induction clothing humidity, it means that it must be camied on cleaning .Major cause of clean is must scour out the calcium oxide boiler which on the sensor surface up .Clean the sensor in the tumbler
Clean the filter

Drawer Lint and fibre that could not be captured by the lint filter are blocked in the filter drawer behin d the cover. Clean the filter drawer after each drying process. There is a two Level filter in the filter drawer. The first level is the filter drawer sponge and the second level is the filter cloth. Press the button to open the cover. Unlock the fixer. Pull out the filter drawer. Clean lint ,fiber and cotton raveling on the filter cloth by hand or with a soft piece of cloth. When you notice a layer that may lead clogging on the filter cloth please clean the layer by washing in wam water .Let the filter cloth dry thoroughly before installing back the filter drawer. Wash the filter drawer sponge by hand to remove the fiber and lint on the surface After washing the sponge .squeeze it by hand and remove the excess water.Well-dry the sponge before storing it.
Clean the evaporator

Clean the lint accumulated on the fins of the evaporator located behind the filter drawer with a vacuum cleaner or a soft brush .You can also clean by hand provided that you wear protective gloves. It is recommended to clean it at least twice evey month. Waning Never attempt to clean with bare hands. Evaporator fins can ham your hand.
IMPORTANT
If you ca l out an engineer toa ault listed below ,or to repair a fault caused by incorrect use or installation, a charge will be made even if the appliance is under guarantee.
Technical data

Procedure
A separate earth is required by some local nules.In that case.you need buy grounding wire, clips and screws. It is dangerus to alter the spe dficat io ns or at tempt to modify this product in any way. Care must be ta ken to ensure that the appliance does n ot sta nd on he eectrical supply cab le. A Any electrical work requ ired to install this appliance should be carned out by a qualfied electricdan or compe tent person.
IM PORTANT
The appliance mustn ot b uiltin.
Unpacking
All packing must be re moved before using the appliance.
Check accessory
Open the a ccess ory bag and che ck the accessories.
| Malfunction | Possible cause | Solution |
| Dryer does not work | Mains plug is not plugged in. Loading door is open. Have you pressed the Start/Pause button. | Plug in at mains socket. Close loading door. Press the Start/Pause button again. |
|
Drying results unsatisfactory | Wrong programme selected. Filter clogged. Incorrect volume of laundry. The sediment on humidity sensor | Select ad iffere nt program the next time you dry Drying pro grams Observe reco mm ended loading volumes. |
| Washed h u nid ity sensors urface | ||
| Drum light does not work option | Light bulb is defective. | Replace light bulb. |
| Drying cycle ends shortly after programme starts. End light illuminated. | Not enough washing loaded or washing loaded is too dry for selected programme. | Select higher drying level e.g. Heavy instead of Strong. |
| Drying cycle lasts an unusually long time. | Load volume is too big. | Reduce load volume. |
If you are una ble to ide ntify or s olv e the pro ble m ,contact o ur s ervice centre .B efore i tele ph on ing ,make a note of the m odel ,s erial num ber an d purcha se date of yo ur ma chine :the Service Cen tre will require this informa tion. Earth note This appliance must be earthed.In case of failure or damage,earth can provide a minimum resistance to reduce the possibility of electric shock. The power cord has grounding wire with device and power cord with plug.Plug must be inserted into a properly installed and grounded socketin accordance with all local ules and standards.
Water discharge

It’s not necessary to discharge the condensed water to the tank, it can be drained out directly. change drainpipe Pull out the water pipe by means of the arow direction ,Then install the drainpipe. Such as the pilers can be used if it is difficult to do.
Removing transport safety packaging foam

Caution
Before use the machine,the packaging foam must be removed from the drum open the loading door. Pull off adhesive strips from inside machine on top of drum. Remove the two packaging toam from the machine.
Check across the corner
When press on the edge, the machine should not shake up and down please check two direction when press on the top frame across the comer, the dryer shakes, need to re-adjust the adjustable feet. Do not put stacks of blanket or a rope on the floor, which could generrate some heat and affect the machine running.
IMPORTANT
Adiustable screw. The hot air emitted by the tumble dryer can reach temperature of up to 60 C.The appliance must therefore not be installed on floors which are not resistant to high temperatures.
Door reversal
To make t ea sier to load or u nload the aundry the door can be reversed .This operation must be caried out by qualifie d personel. Please contact the nearest our Service Centre.
Electrical connection
Any electrical work requ red to insta lI his app ia nce sho uld be ca mied out by a qua lified ele tricianor competent person.
Warning
THIS APPLIANCE MUST BE EARTHED. The manufacturer declines any liability should this safety measure not be observed. Bef ore switching on ,make sure the electricity supply voltage is the same as th at in dica ted on the appliance’s rating plate. Shou kd th e plug need to be re placed for any reason ,proceed as de scribed below. The wires in the mains Iead are colored in accord ance with the following code: Green and Yellow Earth Blue Neutral Brown Live The wire colored geen and yellow must be connected to the teminal marked with the letter or by the earth symbol or colored green an d yellow. Acute off plug in serted in to a socket is a serio us safety (shock) hazard. Ensure that the cut off plug is dispo sed of safety. Permane nt conn ect ion In the case of perma ne nt con nec tiu on it is ne ces sary th at you install a dou ble pole s wit ch. The swi tch must not break the yellow and gre en e arth cable at any point.
Packaging materials
The ma teria ls ma rked with the symbol Čare recyclable >PE<=polyet hylene >PS<=p olystyrene >PP<=polyprop ylene. This means that they can be recycle d by dispo sing of them properly in appro pria te co llect ion containers. Old mac hine Use a uthorized disposal sites for your old appliance. Help to keep yo ur country tidy. The symbol on the pro dud or on its packaging indicat es that this produd may not be treated as household waste. Instead it shoud be taken to the app ropriate collection point for the recycing of electrical and electronic equipment .By ensuring this product is disosed of corectly, you will help prevent potential negative consequences for the enviro nment and human health, which could otherwise be caused by inappropriate waste handling of this product. For more detailed information about recycing of this product,please conta d your local council,your ho useh old waste disposal service or the shop where you purchased the pro ducd. The symbol A mean caution, risk of fire affected items can ignite spontane ousl y,especially whe n exposed to heat sources such as in a tumble dryer .Ihe items become warm ,causing a oxidation reaction in he oil.Oxidation creates heat.If the heat cant escape, the items can become hot enough to catch fire. Piling stacking or storing oil affeded tems can prevent heat from escaping and so areate a fire hazard .lf t is unavoidable that fabrics that conta in vegetable or cooking oil or h ave been con taminated by hair care pro duds be placed in a tumble dryer the y sh ould first be washed in hot water with extra detergent-this will reduce , but not eliminate the hazard.
Ecological hints
To save energy and to help protect the environment, we recommend that you follow these hints. Try to load the maximum capacity of the machine as small loads are uneconomical. Do not over dry laundry, this avoids creasing and saves energy Select the drying programme according to the type of laundry and the required degree of dryness. Clean the filters regularly to avoid excessive drying times and high electricity consumption. Ventilate the room wel. Standard guarantee conditions The manufacturer’s warranty on this product, is only valid on the condition that the appliance has been correctly installed and used only on the electricity supply stated on the rating plate.V The appliance has been used for normal domestic purposes only, and in accordance with the manufacturer’s instructions. The appliance has not been serviced, maintained, repaired, taken apart or tampered with by any person not authorised by us. .This guarantee is in addition to your statutory and other legal rights. This guarantee does not cover Damage or calls resulting from transportation, improper use or neglect, the replacement of any light bulbs or removable parts of glass or plastic. Appliances found to be in use within a commercial environment, plus those which are subject to rental agreements. Products of our manufacture which are not marketed by us.

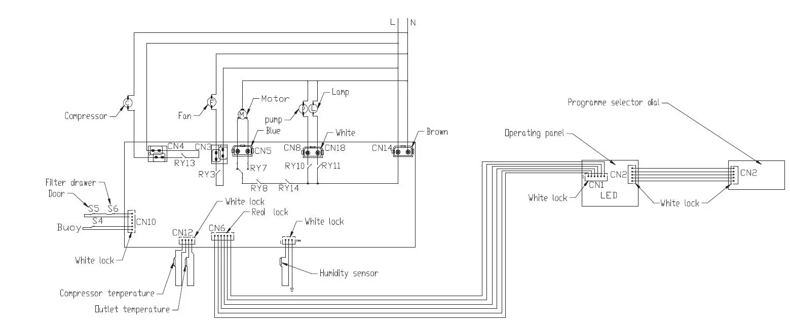
Electric diagram

- The warranty is valid only on presentation of invoice of purchase this WARRANTYis limited exclusively to parts substitution ineffective due to faulty manufacture, made in our workshops.
- The elimination of several faults of the scope of the guarantee is made for repair or replacement of defective parts, according to the discretion of our technical services. Defective parts are our property. Are not covered under warranty damage caused by transportation, neglect or poor use, improper assembly or installation, as well as external influences such as: lightning strikes or power, flooding, humidity, etc.
- Lose warranty, all appliances that are not being used according to the instructions, or connected to FEEDING NETWORKS not guarantee a constant voltage of 220/240V.
- The warranty does not cover damages for personal injury or damage caused directly or indirectly in any capacity whatsoever. 7. This warranty terminates when it is found to have been undergoing repairs, alterations or interventions by any person not authorized by Jocel.
THE WARRANTY EXPIRES
With the modification or disappearance of the nameplate of the appliance. Exceeded the period of 2 years for home appliances and 06 months for industrial appliances, warranty expires and assistance will be made by charging the costs of manpower, according to current fees.
TECHNICAL ASSISTANCE
For technical assistance request, our services are available through the following contacts
- Telef. 00 351 252 910351
- Fax: 00 351 252 910367
- E-mail: [email protected]
- http://www.jocel

















