IMMERGAS Victrix TT Series ANTIFREEZE KIT

General warnings
All Immergas products are protected with suitable transport packaging. The material must be stored in a dry place protected from the weather. This instruction manual provides technical information for installing the Immergas kit. As for the other issues related to kit installation (e.g. safety in the workplace, environmental protection, accident prevention), it is necessary to comply with the provisions specified in the regulations in force and with the principles of good practice. Improper installation or assembly of the Immergas appliance and/or components, accessories, kits and devices can cause unexpected problems for people, animals and objects. Read the instructions provided with the product carefully to ensure proper installation. Installation and maintenance must be performed in compliance with the regula-tions in force, according to the manufacturer’s instructions and by professionally qualified staff, meaning staff with specific technical skills in the plant sector, as envisioned by the law.
TECHNICAL DATA
| Heating cable | 230 V 50 W |
| Klixon thermostat | |
| Opening temperature | 14°C (+/- 3°C) |
| Closing temperature | 4°C (+/- 3°C) |
INSTRUCTIONS FOR THE INSTALLER
Proceed as follows to assemble the antifreeze kit:
Cut power to the appliance by disconnecting the switch upstream from the boiler. Disassemble the casing (see the boiler instructions manual) and install the kit, following the instructions for your boiler model. Ensure that the net available power and frequency are appropriate for the correct device operation. Bear in mind the specific position conditions and ensure that there is enough power to supply any other appliance connected to the same circuit. The appliance must be grounded to prevent danger caused by insulation defects. All interventions on appliance electric elements are prohibited in the presence of water and humidity.
VICTRIX TERA PLUS – VICTRIX HYBRID PLUS MODELS
Assembling the heating cable inside the boiler 

Invert the cable clamp (3) direction on the heating cable (2).
Remove the cap at the base of the sealed chamber and slide the heating cable (2) into it. Slide the cable, keeping the terminals outside the boiler until the cable clamp (3) pre-assembled on the heating cable (2) has been inserted in the hole. Secure the cable clamp (3) to the metal-sheet plate using the ring nut in the kit. Wrap the heating cable (2) around the lower part of the siphon (1) 1 time (3 times for Victrix Tera Plus). Then secure it with the zip ties in the kit (use 2 ties in series for each fastening point).
Assembling the connection pipe heating cable 
Wrap the heating cable (2) emerging from the sealed chamber around the system filling pipe winding it towards the wall. Then, with the shortest length possible, wrap it around the system return pipe, winding it in the opposite direction, and around the system flow pipe. Secure the heating cable to the pipes using 6 zip ties (fasten at each end of the pipe).
Secure the heating cable control Klixon thermostat (4) to the outer part of the boiler using the screws (5) that are already there.
Assembling the connection pipe heating cable (container) 
Wrap the heating cable (2) emerging from the sealed chamber around the sys-tem filling pipe, winding it downwards. Then, with the shortest length possible, wrap it around the system return pipe, winding it in the opposite direction, and around the system flow pipe. Secure the heating cable to the pipes using 6 zip ties (fasten at each end of the pipe).
Secure the heating cable control Klixon thermostat (4) to the outer part of the boiler using the screws (5) that are already there.
Electrical connections 
Then connect the antifreeze kit as described below. Grey cable heating cable to the black Klixon thermostat cable. White cable heating cable to the additional white cable in the kit. Klixon thermostat brown cable to terminal A of the ter-minal board in the connection compartment. Additional white cable in the kit to terminal B of the terminal board in the connection compartment. Arrange the connection cables in the electrical connection compartment under the boiler power cable that is already there, making sure that the two single-pole terminals stay inside the connection compartment.
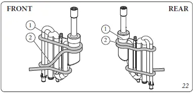
VICTRIX TT SERIES – VICTRIX TERA – VICTRIX TERA VIP – VICTRIX HYBRID MODELS
Assembling the heating cable inside the boiler 

Invert the cable clamp (3) direction on the heating cable (2).
Remove the cap at the base of the sealed chamber and slide the heating cable (2) into it. Slide the cable, keeping the terminals outside the boiler until the cable clamp (3) pre-assembled on the heating cable (2) has been inserted in the hole. Secure the cable clamp (3) to the metal-sheet plate using the ring nut in the kit. Wrap the heating cable (2) around the lower part of the siphon (1) 1 time (3 times for Victrix Tera). Then secure it with the zip ties in the kit (use 2 ties in series for each fastening point).
Assembling the connection pipe heating cable 
Wrap the heating cable (2) emerging from the sealed chamber around the domestic hot water outlet pipe, winding it towards the wall. Then, with the shortest length possible, wrap it around the domestic hot water inlet pipe, winding it in the opposite direction. Then, with the shortest length possible, wrap it around the system return pipe, winding it in the opposite direction, and around the system flow pipe. Secure the heating cable to the pipes using 4 zip ties (fasten at each end of the pipe). Secure the heating cable control Klixon thermostat (4) to the outer part of the boiler using the screws (5) that are already there.
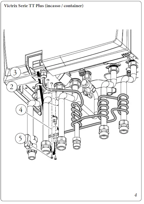
Assembling the connection pipe heating cable (container) 
Wrap the heating cable (2) emerging from the sealed chamber around the domestic hot water outlet pipe (1), winding it downwards. Then, with the shortest length possible, wrap it around the domestic hot water inlet pipe, winding it in the opposite direction. Then, with the shortest length possible, wrap it around the system return pipe, winding it in the opposite direction, and around the system flow pipe. Secure the heating cable to the pipes using 4 zip ties (fasten at each end of the pipe). Secure the heating cable control Klixon thermostat (4) to the outer part of the boiler using the screws (5) that are already there.
Electrical connections (Fig. 29)
Then connect the antifreeze kit as described below. Grey cable heating cable to the black Klixon thermostat cable. White cable heating cable to the additional white cable in the kit. Klixon thermostat brown cable to terminal A of the terminal board in the connection compartment. Additional white cable in the kit to terminal B of the terminal board in the connection compartment. Arrange the connection cables in the electrical connection compartment under the boiler power cable that is already there, making sure that the two single-pole terminals stay inside the connection compartment.
VICTRIX OMNIA (DIN COUPLING)
Assembling the connection pipe heating cable 
Secure the heating cable control Klixon thermostat (4) to the outer part of the boiler using the screws that are already there. Use the heating cable (2) already fixed and available under the boiler to wind the domestic hot water outlet pipe 4 times downwards. Then, with the shortest length possible, wrap it around the domestic cold water inlet pipe 4 times, winding it in the opposite direction. Secure the heating cable to the pipes using 4 zip ties (fasten at each end of the pipe).
Assembling the heating cable inside the boiler 
Eliminate the fairlead. Feed the heating cable to the side of the control panel after fixing it to the hy-draulic connections (DHW inlet and outlet). Wrap the heating cable (2) around the lower part of the siphon (1) 3 times. Then secure it in 2 points with the zip ties in the kit (use 2 ties in series for each fastening point).
Electrical connections (Fig. 29)
Then connect the antifreeze kit as described below. Grey cable heating cable to the black Klixon thermostat cable. White cable heating cable to the additional white cable in the kit. Klixon thermostat brown cable to terminal A of the terminal board in the control panel. Additional white cable in the kit to terminal B of the terminal board in the control panel.
VICTRIX OMNIA (IMMERGAS TEMPLATE COUPLING)
Assembling the connection pipe heating cable 
Secure the heating cable control Klixon thermostat (4) to the outer part of the boiler using the screws that are already there. Use the heating cable (2) already fixed and available under the boiler to wind the domestic hot water outlet pipe 4 times downwards. Then, with the shortest length possible, wrap it around the domestic cold water inlet pipe 4 times, winding it in the opposite direction. Secure the heating cable to the pipes using 4 zip ties (fasten at each end of the pipe).
Assembling the heating cable inside the boiler 
Eliminate the fairlead. Feed the heating cable to the side of the control panel after fixing it to the hy-draulic connections (DHW inlet and outlet). Wrap the heating cable (2) around the lower part of the siphon (1) 3 times. Then secure it in 2 points with the zip ties in the kit (use 2 ties in series for each fastening point).
Electrical connections (Fig. 29)
Then connect the antifreeze kit as described below. Grey cable heating cable to the black Klixon thermostat cable. White cable heating cable to the additional white cable in the kit. Klixon thermostat brown cable to terminal A of the terminal board in the control panel. Additional white cable in the kit to terminal B of the terminal board in the control panel.
VICTRIX OMNIA (CONTAINER)
Assembling the connection pipe heating cable (container) 
Secure the heating cable control Klixon thermostat (4) to the outer part of the boiler using the screws that are already there.
Use the heating cable (2) already fixed and available under the boiler to wind the domestic hot water outlet pipe 4 times downwards. Then, with the shortest length possible, wrap it around the domestic cold water inlet pipe 4 times, winding it in the opposite direction. Secure the heating cable to the pipes using 4 zip ties (fasten at each end of the pipe).
Assembling the heating cable inside the boiler (Fig. 9 – 11)
Eliminate the fairlead. Feed the heating cable to the side of the control panel after fixing it to the hy-draulic connections (DHW inlet and outlet). Wrap the heating cable (2) around the lower part of the siphon (1) 3 times. Then secure it in 2 points with the zip ties in the kit (use 2 ties in series for each fastening point).
Electrical connections (Fig. 29)
Then connect the antifreeze kit as described below. Grey cable heating cable to the black Klixon thermostat cable. White cable heating cable to the additional white cable in the kit.Klixon thermostat brown cable to terminal A of the terminal board in the control panel. Additional white cable in the kit to terminal B of the terminal board in the control panel.
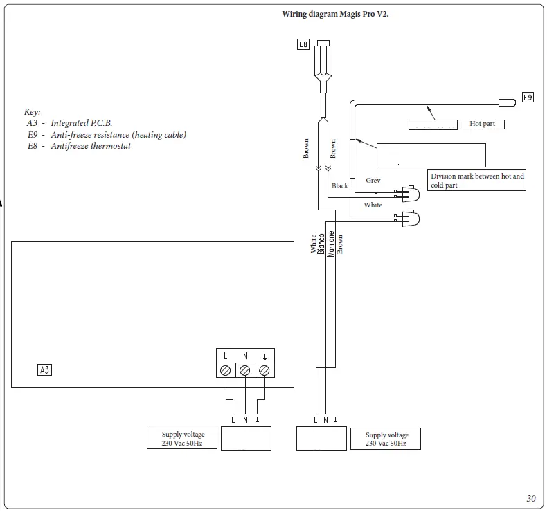
MAGIS PRO – MAGIS PRO V2
Kit assembly 
Remove the connector on the Klixon thermostat cable (2) by cutting it near the connector. Secure the Klixon thermostat (2) to the lower part of the generator, using the screws provided in the kit (3) or those on the metal-sheet plate. Remove the fairlead on the heating cable (1), then wrap the cable around the domestic hot water pipes, using all the cable available. Secure the heating cable to the pipes using the zip ties provided in the kit (fasten the cable at the end of each pipe).
Magis Pro electrical connections (Fig. 30)
Connect a Klixon thermostat cable to terminal A. Connect a cable from the heating cable to terminal B. Join the Klixon thermostat cable with the heating cable using the strip connector (4) in the kit. Arrange the connection cables in the electrical connection compartment, making sure the single-pole terminals stay inside the connection compartment.
Magis Pro V2 electrical connections 
Respect the L – N polarity, connecting the Klixon cable to phase (L) and the heating element cable to neutral (N). Join the Klixon thermostat cable with the heating cable using the terminal (4) present in the kit. Arrange the connection cables in the electrical connection compartment, making sure the single-pole terminals stay inside the connection compartment. Connect the cables to the 230 V ± 10% / 50 Hz power supply.
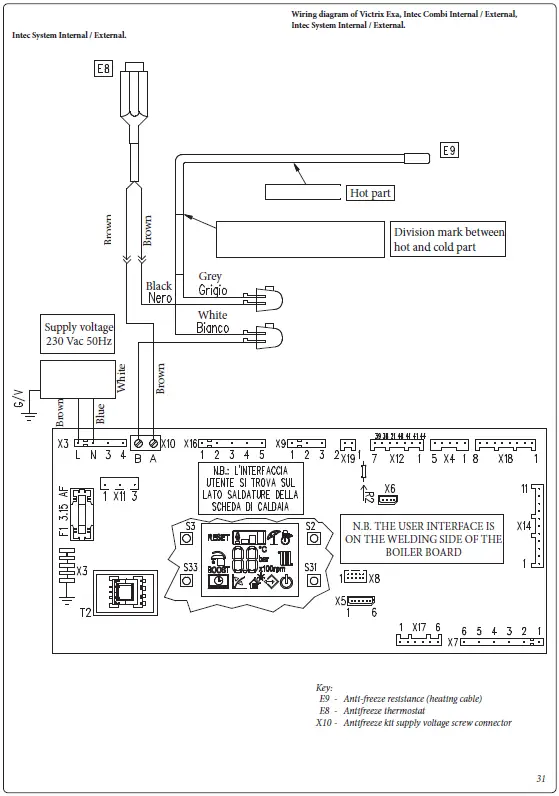
VICTRIX EXA, INTEC COMBI INTERNAL / EXTERNAL, INTEC SYSTEM INTERNAL / EXTERNAL MODELS
Assembling the heating cable inside the boiler 
Slide the heating cable out of the cable clamp and insert it backwards. Remove the cap at the base of the sealed chamber and slide the heating cable (2) into it, keeping the terminals outside of the boiler until you have the length of cable necessary to wrap around the siphon. Secure the cable clamp (5) to the metal-sheet plate using the ring nut in the kit. Wrap the heating cable (2) around the lower part of the siphon (1) 3 times. Then secure it in 2 points with the zip ties in the kit (use 2 ties in series for each fastening point). Secure the heating cable control Klixon thermostat (4) to the outer part of the boiler near the gas valve, using the screws that are already there (3).
Assembling the connection pipe heating cable
Wrap the heating cable (3) emerging from the sealed chamber around the do-mestic hot water inlet pipe (1) 4 times, winding it towards the wall. Then, with the shortest length possible, wrap it around the domestic hot water outlet pipe (2) 4 times, winding it in the opposite direction. Secure the heating cable to the pipes using 4 zip ties (fasten at each end of the pipe).
Attention (Intec models): wind the heating cable around the D..H.W. connec-tion according to your installation requirements.
Electrical connections 
Then connect the antifreeze kit as described and illustrated below in the wiring diagram. Grey cable heating cable to the black Klixon thermostat cable. White cable heating cable to the additional white cable in the kit. Brown Klixon thermostat cable to boiler supply voltage terminal L. Additional white cable in the kit to boiler supply voltage terminal N. Arrange the boiler board connection cables under the boiler power cable that is already there.
MAGIS COMBO – MAGIS COMBO V2
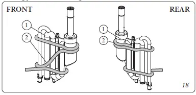
Assembling the heating cable inside the indoor unit 
Invert the cable clamp (3) direction on the heating cable (2). Remove the cap at the base of the sealed chamber and slide the heating cable (2) into it. Slide the cable, keeping the terminals outside the indoor unit until the cable clamp (3) pre-assembled on the heating cable (2) has been inserted in the hole. Secure the cable clamp (3) to the metal-sheet plate using the ring nut in the kit. The position of the siphon assembled in the indoor unit does not allow the installation of the heating cable as shown in the figure. Remove the siphon as indicated in the instruction sheet. Wrap the heating cable (2) around the lower part of the siphon (1) 2 times. Then secure it in 2 points with the zip ties in the kit (use 2 ties in series for each fastening point) as shown in Fig. 18.
Assembling the connection pipe heating cable 

Wrap the heating cable (2) emerging from the sealed chamber around the domestic hot water inlet pipe 4 times, winding it towards the wall. Then, with the shortest length possible, wrap it around the domestic hot water outlet pipe 4 times, winding it in the opposite direction. Secure the heating cable to the pipes using 4 zip ties (fasten at each end of the pipe). Secure the heating cable control Klixon thermostat (4) to the outer part of the indoor unit using the screws (5) that are already there.
Electrical connections (Fig. 29)
Then connect the antifreeze kit as described below. Grey cable heating cable to the black Klixon thermostat cable. White cable heating cable to the additional white cable in the kit. Klixon thermostat brown cable to terminal A of the terminal board in the connection compartment. Additional white cable in the kit to terminal B of the terminal board in the connection compartment.Arrange the connection cables in the electrical connection compartment under the indoor unit power cable that is already there, making sure that the two single-pole terminals stay inside the connection compartment.
MAGIS COMBO PLUS – MAGIS COMBO PLUS V2
Assembling the heating cable inside the indoor unit 
Invert the cable clamp (3) direction on the heating cable (2). Remove the cap at the base of the sealed chamber and slide the heating cable (2) into it. Slide the cable, keeping the terminals outside the indoor unit until the cable clamp (3) pre assembled on the heating cable (2) has been inserted in the hole. Secure the cable clamp (3) to the metal-sheet plate using the ring nut in the kit. The position of the siphon assembled in the indoor unit does not allow the installation of the heating cable as shown in the figure. Remove the siphon as indicated in the instruction sheet. Wrap the heating cable (2) around the lower part of the siphon (1) 2 times. Then secure it in 2 points with the zip ties in the kit (use 2 ties in series for each fastening point) as shown in Fig. 22.
Assembling the connection pipe heating cable 

Wrap the heating cable (2) emerging from the sealed chamber around the storage tank return pipe 2 times, winding it towards the wall. Then, with the shortest length possible, wrap it around the storage tank outlet flow pipe 2 times, wind-ing it in the opposite direction. Then, with the shortest length possible, wrap it around the system filling pipe 4 times, winding it towards the wall. Secure the heating cable to the pipes using 6 zip ties (fasten at each end of the pipe). Secure the heating cable control Klixon thermostat (4) to the outer part of the indoor unit using the screws (5) that are already there.
Electrical connections (Fig. 29)
Then connect the antifreeze kit as described below. Grey cable heating cable to the black Klixon thermostat cable. White cable heating cable to the additional white cable in the kit. Klixon thermostat brown cable to terminal A of the terminal board in the connection compartment.Additional white cable in to terminal B of the terminal board in the connection compartment.
Arrange the connection cables in the electrical connection compartment under the indoor unit power cable that already there, making sure that the two single-pole terminals stay inside the connection compartment.
TRIO PACK
Assembly of heating cable
Fix the heating cable control clicson (2) on the support bracket (5) using the screws (3) supplied. Fix the bracket (5) provided with clicson on the pipe (7) using the collar (8) and the screw (9) supplied. Remove the grommet from the heating pipe (1). Wind the heating cable (1) on the connection pipe (7) with the expansion tank starting from the brass filling unit (6) up to the clicson fixing bracket (5) using all the available cable as shown in Fig. 25. Block the heating cable (1) on the pipe (7) using a suitable number of clamps supplied.
Electrical connections (Fig. 29)
Then connect the antifreeze kit as described below. Grey cable heating cable (10) to the black Klixon thermostat cable (11) using the clamp (4) supplied. White cable heating cable (12) to the additional white cable in the kit (13) using the clamp (4) supplied. Klixon thermostat brown cable (14) to terminal A of the terminal board in the electrical cabinet. Additional white cable in the kit (13) to terminal B of the terminal board in the electrical cabinet.
VICTRIX SUPERIOR – VICTRIX SUPERIOR PLUS
Assembling the heating cable inside the boiler 
Invert the cable clamp (3) direction on the heating cable (2).
Remove the cap at the base of the sealed chamber and slide the heating cable (2) into it. Slide the cable, keeping the terminals outside the boiler until the cable clamp (3) pre-assembled on the heating cable (2) has been inserted in the hole. Secure the cable clamp (3) to the metal-sheet plate using the ring nut in the kit. Wrap the heating cable (2) around the lower part of the siphon (1) 3 times . Then secure it with the zip ties in the kit (use 2 ties in series for each fastening point). Assembling the connection pipe heating cable Victrix Superior
Wrap the heating cable (2) emerging from the sealed chamber around the domestic hot water outlet pipe, winding it towards the wall. Then, with the shortest length possible, wrap it around the domestic hot water inlet pipe, winding it in the opposite direction. Then, with the shortest length possible, wrap it around the system return pipe, winding it in the opposite direction, and around the system flow pipe. Secure the heating cable to the pipes using 4 zip ties (fasten at each end of the pipe). Secure the heating cable control Klixon thermostat (4) to the outer part of the boiler using the screws (5) that are already there. Assembling the connection pipe heating cable Victrix Superior Plus
Wrap the heating cable (2) emerging from the sealed chamber around the domestic hot water inlet pipe. Then, with the shortest length possible, wrap it around the system return pipe, winding it in the opposite direction, and around the system flow pipe. Secure the heating cable to the pipes using 4 zip ties (fasten at each end of the pipe). Secure the heating cable control Klixon thermostat (4) to the outer part of the boiler using the screws (5) that are already there.
Electrical connections 
Then connect the antifreeze kit as described below. Grey cable heating cable to the black Klixon thermostat cable. White cable heating cable to the additional white cable in the kit. Klixon thermostat brown cable to terminal A of the terminal board in the connection compartment. Additional white cable in the kit to terminal B of the terminal board in the connection compartment. Arrange the connection cables in the electrical connection compartment under the boiler power cable that is already there, making sure that the two single-pole terminals stay inside the connection compartment.
FINAL OPERATIONS
Once the antifreeze kit has been assembled, close the generator control panel/electrical cabinet and reassemble the casing (close the container, only for Trio Pack).
- Restore power to the generator to bring it to normal operating conditions.
Recommendations for the technician
The antifreeze kit was inspected and tested in the factory; therefore, it does not require testing or inspection upon installation. However, it is very important to be sure to have made the kit electrical connections properly, following the wiring diagram shown in figures 29, 30 or 31, depending on the model. Figures 29, 30 or 31, depending on the model, illustrate a terminal board positioned in the electrical connection compartment located inside the control board/electrical cabinet. Once the antifreeze kit has been installed, it is always connected and operational. The antifreeze function on the domestic hot water circuit is only guaranteed if:
- the boiler/generator is correctly connected to the electrical power supply circuit;
- the main switch is engaged;
- the boiler/generator fuse is intact;
- the anti-freezing kit components are efficient.
Under these conditions, the boiler/generator domestic hot water circuit is protected from freezing up to an ambient temperature of -15°C.
During the useful life of the products, performance is affected by external factors, e.g. the hardness of the DHW, atmospheric agents, deposits in the system and so on. The data declared refer to new products that are correctly installed and used with respect to the Standards in force. N.B.: correct periodic maintenance is highly recommended.
This instruction booklet is madeof ecological paper.
CONTACTS
- immergas.com
- E-mail: [email protected]
- ADDRESS: Immergas S.p.A. 42041 Brescello (RE) – Italy
- Tel: 0522.689011
- Fax: 0522.680617


















