ggm gastro WPHE2 Heat Retaining Plate with 2 Heat Lamps

GENERAL INFORMATION
Before installing the appliance, read operation and maintenance instructions carefully. Wrong installation and part changing may damage the product or may cause injury on people. These are not in our company’s responsibility to damage the appliance intentionally, negligence, detriments because of disobeying instructions and regulations, wrong connections. Unauthorized intervention to appliance invalidates the warranty.
- This instruction manual should be kept in a safe place for future reference.
- Installation should be made in accordance with ordinances and security rules of that country by a qualified service personnel.
- This appliance has to be used by trained person.
- Please turn off the appliance immediately in the event of malfunction or failure. The appliance should be repaired only by authorized service personnel. Please demand original spare part.
PRODUCT DESCRIPTION
*The Professional Hot display unit, that provides high efficiency has been designed to be used in industrial kitchens.
| Product Code | Dimensions (mm) | Weight (kg) | Packaging Dimensions (mm) |
| WPHE2 | 800x600x120/750 | 30 | 680x850x540 |
| WPE2 | 800x600x120/750 | 30 | 680x850x540 |
TECHNICAL INFORMATION
| Code | Capacity (GN) | Power (KW) | Operating Voltage (V) | Cable (mm²) | UV Lamp (W) |
| WPHE2 | 2×1/1 | 1,8 | 220 | 3X1,5 | 150X2 |
| WPE2 | 2×1/1 | 1,8 | 220 | 3X1,5 | 150×2 |
TRANSPORTATION
This appliance can be moved by hand from area to area.Do not crash and drop the appliance while transporting.
OPENING THE PACKAGE
* Please unpack the package according to the security codes and ordinances of current country and get rid from the pack.Parts which contacts with food are produced by stainless steel.All plastic parts are marked by material’s symbol.
* Please check that all the parts of appliance had come completely and if they are damaged or not during the shipping.
INSTALLATION
- Please place the product to straight and sturdy ground,please take necessary steps against possibility of overturn.
- Technician who will serve for installation and service for the appliance must be professional on this subject and must have installation and service licenses by the company.
- Connection to Electric Power Supply must be done by authorized person.
- Please be sure that the voltage connected to appliance must be equal with the voltage which is on appliance’s label.
- This appliance must be connected to an earthed outlet in accordance with safety rules and standards.
- Appliance’s earthing must be connected to earthing line on panel which is nearest to electric installation.
- Connection to the main fuse and leak current fuse must be done in accordance with the current regulations.
SAFETY INSTRUCTIONS
- Do not use the appliance in insufficient lighted place.
- Do not touch the moving attachments while the appliance operates.
- Do not install the appliance in the presence of flammable or explosive materials.
- Do not operate the appliance when the machine is empty.
- Do not load so less or more than appliance’s capacity.
- Do not attempt to use the appliance without suitable protective equipment’s.
- Because of any reason if there is a fire or flame flare where the appliance is used, turn off all gas valves and electric contactor switch quickly and use fire extinguisher .Never use water to extinguish the fire.
- All the damages because of not having earthing connection will not be on warranty.
OPERATION
Control Panel:

- A : Lamp “ON-OFF” position
- B : Digital display
Operating:
- Plug in the appliance.
- In order to operate the appliance switch to (ON) position and see the halogen lamb is lighting.
- See if the digital display is on.
- In the display, access the on / off and set values menü of the lower heater heating elements.
- Put the food on the glass heater which you want to heat.
- Food can be stored in the device at the set temperature and the desired time.
- When the device is not in use, turn the ON / OFF switch off and unplug it.
CLEANING & MAINTENANCE
CLEANING AND MAINTENANCE AFTER EVERY USE;
- Always turn off the appliance and disconnect from the power supply before cleaning.
- The parts that contact with food must be cleaned after every use.
- Clean the outer surface and lid of the appliance with moist cloth.
- Do not use abrasive cleaning chemicals as these can leave harmful residues.
- Do not wash the appliance with water during the cleaning.
PERIODIC CLEANING AND MAINTENANCE;
- Maintenance should be done by qualified person.
- Get the periodic maintenance of the appliance once in every 15 days.
- Check the resistances in periodic times and make their maintenance.
- Check the UV lamp in periodic times.
- Check the appliance’s mica parts in periodic time.Scar crevice and broken parts must be changed.
TROUBLESHOOTING
THE APPLIANCE DOESN’T OPERATE
- Check if the appliance is plugged in.
- Check the electrical connections and voltage.
- Check if the fuse is on or off.
THE APPLIANCE DOESN’T HEAT WELL
- Check the thermostat button and heat setting.
- Check the resistance.
- Check the lamp.
THE APPLIANCE STOPPED
- The appliance can stop due to low voltage.In this situation check the voltage.
- If keeping the hot is not done at suitable quality
- If any function of security doesn’t work
- `Do not use the appliance.
*If these problems are still going on,contact with our authorized services.
SPARE PART LIST-EXPLODING DRAWING

| PRODUCT CODE: WPHE2 | ||
| NO | PRODUCT NAME | P.CODE |
| 1 | CHASIS | Y.WPHE2.001 |
| 2 | FOOT | Y.WPHE2.002 |
| 3 | CABLE | Y.WPHE2.003 |
| 4 | DIGITAL CARD | Y.WPHE2.004 |
| 5 | ON-OFF KEY | Y.WPHE2.005 |
| 6 | 150 W AMPOULE | Y.WPHE2.006 |
| 7 | PORCELAIN SOCKET | Y.WPHE2.007 |
| 8 | AMPOULE HOLDER | Y.WPHE2.008 |
| 9 | PIPE CONNECTION PARTS | Y.WPHE2.009 |
| 10 | PIPE FIXING SCREW | Y.WPHE2.010 |
| 11 | PIPE | Y.WPHE2.011 |
| 12 | SPIRAL HOSE CONNECTION SCREW | Y.WPHE2.012 |
| 13 | SPIRAL HOSE | Y.WPHE2.013 |
| 14 | TEMPERED GLASS WİTH RESISTANCE | Y.WPHE2.014 |
| 15 | GLASS HOLDER | Y.WPHE2.015 |
| 16 | GLASS PROFILE | Y.WPHE2.016 |
| 17 | GLASS | Y.WPHE2.017 |
| PRODUCT CODE: WPE2 | ||
| NO | PRODUCT NAME | P.CODE |
| 1 | CHASIS | Y.WPE2.001 |
| 2 | FOOT | Y.WPE2.002 |
| 3 | CABLE | Y.WPE2.003 |
| 4 | DIGITAL CARD | Y.WPE2.004 |
| 5 | ON-OFF KEY | Y.WPE2.005 |
| 6 | 150 W AMPOULE | Y.WPE2.006 |
| 7 | PORCELAIN SOCKET | Y.WPE2.007 |
| 8 | AMPOULE HOLDER | Y.WPE2.008 |
| 9 | PIPE CONNECTION PARTS | Y.WPE2.009 |
| 10 | PIPE FIXING SCREW | Y.WPE2.010 |
| 11 | PIPE | Y.WPE2.011 |
| 12 | SPIRAL HOSE CONNECTION SCREW | Y.WPE2.012 |
| 13 | SPIRAL HOSE | Y.WPE2.013 |
| 14 | TEMPERED GLASS WİTH RESISTANCE | Y.WPE2.014 |
| 15 | GLASS HOLDER | Y.WPE2.015 |
| 16 | GLASS PROFILE | Y.WPE2.016 |
| 17 | GLASS | Y.WPE2.017 |
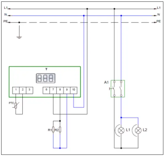
ELECTRIC CIRCUIT SCHEMA

WPHE2, WPE2
| A1-A2 | T | R1-R2 | L1-L2 |
| WIDE LIGHT 0-1 KEY | DIGITAL THERMOSTAT | HEATING RESISTANCE 750W | UV LAMP 150W |



















