D90X28 CRAWLER
1:28 4WD OFFROAD
MANUAL

D90X28 Metall Scale Crawler
Welcome to AMEWI
The Amewi Trade GmbH is an international import- and wholesale company for R/C models, toys and creative items, located in Borchen near Paderborn, Germany. Our product range includes over 10,000 items. Above all, this includes remote-controlled car, helicopter, boat, and tank models as well as a wide range of accessories and all necessary spare parts. Our sales network includes over 700 specialist dealer and online retailers across Europe.
The company AMEWI Trade GmbH is a pure wholesale company. We only sell our products to retailers. When you purchase AMEWI products as an end consumer, you are entering into a contract with the retailer. Please always contact your dealer in warranty cases.
AMEWI Trade GmbH
Nikolaus-Otto-Str. 18
33178 Borchen
Servicezeiten: Dienstag 9:30 – 12:00 Uhr | Donnerstag 14:00 – 16:30 Uhr
Telefon: +49 180 5009821 (Festnetz 14Ct/Min., Mobil max. 42Ct/Min.)
Support: https://amewi.com
DECLARATION OF CONFORMITY
This product has been manufactured according to actual technical standards. The product is matching the requirements of the existing European and national guidelines. The Declaration of Conformity has been proofed. AMEWI Trade e.K. declares that this product is matching the basic requirements and remaining regulations of the guideline 2014/53/EU (RED). The declarations and documents are stored at the manufacturer and can be requested and applied there. https://amewi.com/Konformitaetserklaerungen
For additional questions to the product and conformity please contact: Amewi Trade GmbH Nikolaus-Otto-Str. 18, 33178 Borchen Germany or website https://amewi.com.
SECURITY AND HAZARD WARNINGS
For damage, caused by disregarding of the manual, warranty expires.
We are not liable for secondary failures, material, or personal damage, caused by in proper usage or disregarding the security notices.
Based on security and registration {CE) reasons, it is forbidden to modify the product personally. Do not disassemble the product.
Small parts. Danger of suffocation or risk of injury caused by small parts.
Suitable for people aged 14+!
The product is not allowed to get moist or wet. The product is only allowed to be used on flat and clean surfaces. Even a drop down from a small height can cause damage to the product.
Attention! Battery do not belong in the hands of children. A change of the battery must be done by an adult person.
Never mix rechargeable batteries with non-rechargeable batteries. Never mix fully charged batteries with almost empty batteries. Never mix batteries of different capacities. Never try to charge dry batteries. Take care of the correct polarity. Defective batteries belong to special waste. Never leave a charging battery unattended. For questions
about the charging time please read the manual or ask the manufacturer.
Read the safety instructions and warnings before using or charging the Li-Ion battery.
Stop using or charging it immediately if it leaks, has a temperature above 70° C or anything else unusual occurs.
Use only a qualified and specific Li-Po/Li-Ion charger. Never charge the battery unattended. Do not charge the battery if the charge exceeds 4.2 V / cell. Do not charge the battery with a charging current above 2C. Please check and ensure that you are using a qualified charger. An unqualified charger may cause a fire.
Do not discharge the battery with a current exceeding the maximum discharge current. Otherwise, this will cause the battery to overheat. This may result in bursting, fire or explosion.
Never disassemble, puncture, knock, drop, short circuit and/or throw the battery into a fire.
Improper use such as short-circuiting, or overcharging may result in explosion or fire.
Keep the battery in a safe place that babies or children cannot reach.
The above indicates the danger of using the battery. The user assumes full responsibility for the outcome of using the battery.
DISPOSAL
AMEWI is registered below the Bat-Reg.-No. DE 77735153 and WEEE-Reg.-No. 93834722 at the foundation EAR and recycles all used electronic parts properly. Electric and electronical products are not allowed to put in household garbage. Please dispose the product at the end of the lifetime according to the actual laws. You as a customer are responsible by law for the return of all used batteries, a disposal over the household garbage is forbidden!
Batteries containing hazardous substances are marked with the alongside symbols, which point to the prohibition of disposal in household garbage.
Additional notations for the critical heavy metal are Cd=Cadmium, Hg=Quicksilver, Pb=lead {Label is placed on the batteries, for example below the bottom left trash symbols).
Based on RoHS labelling the manufacturer confirms, that all limit values were taken care of at the time of manufacturing.
Batteries labelled with the recycling symbol can be put into used battery collecting tank.
(Most supermarkets have)
They are not allowed to be put into local household garbage.
AMEWI Trade GmbH is involved in the dual system for boxing over the company Landbell AG.
All used boxes are collected from partner companies (waste disposal contractor) at private customers (local household), sorted and properly utilized. The involvement in a Dual Systems helps to save C02 Emissions.
THANK YOU
Thank you for purchasing the Amewi D90X28 Crawler. Please read the instruction manual carefully and keep it for future reference.
WARNING
- This remote-controlled plane is not a toy. It consists of many small parts and is not suitable for children under 14 years.
- Two 1.5V AA batteries are required for the remote control.
- A 7,4VV Li-Po battery is used for the car (included).
- Always keep your fingers away from the drive parts and other moving parts to avoid injury.
- The model’s motor gets very hot. To avoid burn injuries, allow the motor to cool for 10-15 minutes after use before touching it.
ON INAPPROPRIATE USE OF THE PRODUCT
Please do not disassemble or modify the model in any way.
Please do not use this product improperly or illegally and do not operate it in a manner that could endanger others or yourself.
MPORTANT NOTICE
Note: This product is manufactured according to strict performance guidelines and complies with safety standards and requirements. This product is not suitable for children under 14 years of age. The manufacturer is not liable for any injury or accident caused using abnormal parts, excessive wear and tear, improper assembly, or operation. Please operate this product safely and responsibly.
PRECAUTIONS
Please read the following safety information before using the model.
- Please do not use the model in rain, snow, or thunderstorms. If liquid enters the electronics, they may be irreparably damaged.
- Please do not use the model in an environment that you cannot see.
- Signal interference can cause the model to go out of control. Please do not use the model in the following places:
| Near a radio tower, mobile phone masts or other places with active radio waves. | Near crowds or in public places. | Near rivers, ponds or lakes. | Near electricity pylons or other transmission towers. |
- Please do not operate the model if you are tired or unwell, have drunk alcohol or taken drugs – this may cause injury to yourself or others.
- To avoid burns, never touch drive parts and motors during or immediately after use as they can be very hot.
- Incorrect operation of the transmitter can cause injury to you or others. Be sure to familiarize yourself with the operation before using the model.
- Check the model and the remote control before use. Check screws to make sure they are tight.
- When you have finished using the model, always switch off the model first and then the remote control. Otherwise, the model may get out of control.
- If the model gets out of range, it may get out of control. Please always stay close to the model with the transmitter.
PACKING LIST

THE RECEIVER
THE TRANSMITTER

INSTALL BATTERIES
- As shown in the picture, press the movable buckle on both sides of the handle of the transmitter, and then pull down gently to remove the handle part of the transmitter.
- Load 2 AA-size Alkaline batteries as shown in the illustration. Caution: install batteries with correct polarity.
- Push up the handle part of the transmitter to assemble the transmitter.

BATTERY CHARGING

- Connect the USB cable to a free port on a PC, smartphone power supply or power bank. The red LED lights up.
- Connect the battery to the USB cable. The control LED flashes green, indicating that the battery is charging.
- Once the battery is fully charged, the green LED will light up continuously.
BATTERY INSTALLATION
- Open the rear car door.
- Check the direction of the socket, connect the battery pack to the receiver correctly, and then put it in the trunk.
- Close the rear car door.

PRE-RUN CHECK
CAUTION
- Before each operation, the battery inserted into the model car is fixed.
- Please remove batteries from the model car and the transmitter when stop operating.
- Please rematch the control frequency when the model car out of control.
- Transmitter

- Model Car

- Frequency matching procedure
After turning on the power, the remote control and the model car will automatically adjust the frequency. Under normal circumstances, frequency alignment can be completed in 3 seconds. - Check steering wheel


- STEERING TRIM
When the wheels of the vehicle are straight, you can adjust the straight-ahead driving using the steering trim. Lift the front of thecar to make the adjustment.
- Check throttle operation
Pull the throttle trigger on the remote control slowly backwards, the vehicle moves forward. Push the throttle forward, the vehicle brakes.
Put the throttle trigger in neutral and then push it forward again. The vehicle moves backwards.
MAINTENANCE
Please remove the battery from the receiver when you are not using the vehicle. To prevent leakage, remove the batteries from the remote control if you are not using the vehicle for a long period of time.- Remove debris (dust, sand, etc.) from the drive parts.
- Check the vehicle regularly for loose screws. Tighten them.
- Check drive parts for lubrication.
A spare parts list you will find on amewi.com. The spare part numbers contain the prefix 015-
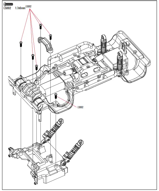
ASSEMBLED AND EXPLODED VIEW
UNIVERSAL DRIVE SHAFT

SHOCK ABSORBER

WHEELS

STEERING SERVO

FRONT AXLE


REAR AXLE



INSTALLATION OF STEERING SERVO & DRIVE GEARBOX

INSTALLATION OF MOTOR

NSTALLATION OF HEADLIGHT & TAIL LIGHT

INSTALLATION OF RECEIVER BOX



INSTALLATION OF SEATS

INSTALLTION OF BODY

INSTALLATION OF LUGGAGE RACK

FRONT AXLE


























