HERO FPS 
![]()

Read these instructions carefully before operating the machine!
Symbols in the operating instructions
WARNING!
Risk of injury!
WARNING!
Danger of electric shock!
Do not use highly foaming detergents.
Do not suck inflammable substances (ashes from fireplace), explosive, toxics or dangerous to the health.
PLEASE READ CAREFULLY THE INSTRUCTION MANUAL BEFORE USING.
THIS MACHINE IS SUITABLE TO VACUUM LIQUIDS. STURDY, POWERFUL AND EASY TO USE, IT IS ALSO FITTED WITH ACCESSORIES MAKING IT TRULY EFFICIENT FOR RAPID DEEP CLEANING.
SAFETY
WARNING!
Risk of injury!
This apparatus is not to be used by people (children included) with reduced physical, sensorial or mental capacities or without any experience and knowledge, unless they did not receive instructions relative to the use of the apparatus and are controlled by a person responsible for their safety.
Children should be controlled so that they didn’t play with the apparatus.
The packaging components could constitute potential dangers (as for example plastic bags): they must be kept away from children’s reach and from other people not conscious of their actions.
Any different use from that indicated in this manual could constitute a danger, therefore, it must be avoided.
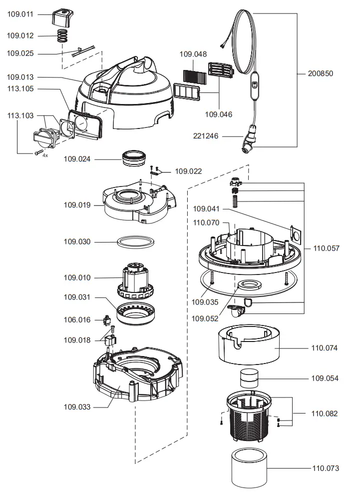
Every part of the apparatus must be correctly assembled before using it. Verify, furthermore, that the filtering elements have been correctly and efficiently assembled.
Ensure that the socket conforms to the apparatus’ plug.
Ensure that the voltage indicated on the motor block corresponds with the power that is intended to connect the apparatus to.
Avoid positioning the suction aperture next to delicate parts of the body such as eyes, mouth, ears, etc., while the apparatus is functioning.
Ensure that the floater, that has the function to stop the suction when the keg is completely filled with liquid or in case of tipping over, does not show any damages or clogging that might prevent the suction. Regularly clean the floater (water level limiting device) according to the instructions and control for any damage signs.
This apparatus is not suited to pick up dangerous dust.
Do not suck inflammable substances (ashes from fire-place), explosive, toxics or dangerous to the health.
The apparatus is not suitable for areas protected against electrostatic discharges.
Use only the brushes supplied with the apparatus or those specified in the instruction manual. Using other brushes could jeopardize safety.
Don’t leave the apparatus unattended while is in function.
In case o foam or liquid discharge switch off immediately.
In case tipping over, lift the apparatus before switching off.
Do not aspire aggressive detergents because they could damage the apparatus.
Do not aspire materials that could damage the filtering elements (such as glass, metal etc.).
WARNING!
Danger of electric shock!
Do not ever pull or lift the apparatus through the electrical cable.
Do not immerge the apparatus into water and neither use water jets to clean it
Always remove the plug from the current socket before undertaking any type of intervention on the apparatus or if it is left unattended or within children or people’s reach not quite conscious of their own actions.
Regularly control the feeding cable looking for damages, cracks or ageing. Substitute the cable before using it further.
If the feeding cable is damaged it must be substituted by the manufacturer or by its after sales service or in any case by a similarly qualified person, thus preventing any possible risk.
When using extension electric wires ensure that they are lying on dry surfaces and protected against possible water jets.
WARNING!
Risk of injury!
Specialized personnel must always carry out maintenance and repairs; any damaged part must be substituted with original spare parts.
It is forbidden to carry out changes to the apparatus. Tampering could cause fi res and damages even lethal to the user and the forfeiture of the guarantee.
The manufacturer declines any responsibility for damages caused to people or things due to non-compliance with these instructions or if the apparatus is unreasonably used.
Do not dispose of power tools into household waste!
According to the European Directive 2004/108/EC on waste electrical and electronic equipment (WEEE) and its incorporation into national law, power tools that are no longer suitable for use must be separately collected and sent for recovery in an environmental- friendly manner.
Old appliances contain valuable materials that can be recycled. Please arrange for the proper recycling of old appliances. Batteries, oil, and similar substances must not enter the environment. Please dispose of your old appliances using appropriate collection systems.
UK
CE Declaration of conformity
We declare under our sole responsibility according to EG 2006/95/EC, that this product is in conformity with the following standards or standardization documents.
Product: Fire service vacuum
Type: HERO FPS
Applied harmonized standards
EN 55014-1: 2006+A1: 2009+A2: 2011
EN 55014-2: 2015
EN 61000-3-2: 2014
EN 61000-3-3: 2013
EN 60335-1: 2012+AC:2014+A11:2014
EN 60335-2-69:2012
EN 62233: 2008
SPRiNTUS GmbH, 73642 Welzheim /Germany 7/2017

Holger Lepold
Managing Director








We reserve the right to make modifications within the framework of technical progress !
Dönges GmbH & Co. KG · Jägerwald 11 · 42897 Remscheid
[email protected] · www.doenges-rs.de
01-2018


















